[РЕШЕНО]Женитьба Kinda и bsmce04u-pp через ШИМ 0-10V

Контроллеры, драйверы, датчики, управляющие устройства.
digiTALker
Опытный
Сообщения: 111
Зарегистрирован: 05 дек 2019, 18:20
Репутация: 2
Контактная информация:

[РЕШЕНО]Женитьба Kinda и bsmce04u-pp через ШИМ 0-10V

Сообщение digiTALker »

Здравствуйте.

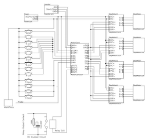
Сразу схема подключения!
И настройка соответствия оборотов.

Имеется в наличии плата RNR Universal USB Card Motion Control Mach3 Special Ed. v2.0
Изображение
Вот её схема подключения через ШИМ
Изображение

А теперь что написано со стороны инвертора:
(для просмотра содержимого нажмите на ссылку)
5.5 Запуск и остановка с помощью внешних цифровых сигналов, регулировка частоты через внешний аналоговый сигнал тока 4~20мA
Установка параметров: F0-02=1, F0-03=3, F5-01=02
Запуск и остановка: замыкание «MI1 – DCM» - прямое вращение двигателя; замыкание «MI2—DCM» - обратное вращение двигателя; размыкание MI1, MI2 от DCM – останов двигателя
Регулировка частоты: при помощи изменения значения внешнего аналогового сигнала тока (CI, ACM)
Фотка с самого инвертора:
Изображение
На схеме платы есть FWD, коего нет на самом инверторе, быть может есть еще обозначение соответствующее значению на инверторе?
Так же на инверторе нет AVI , а есть просто AM и VI.
Не могли бы вы мне подсказать в какие клеммы на инверторе нужно соответствуют схеме платы управления?
Изображение

Так же прикрепляю сами руководства. За помощь готов расплатиться :beer:
На данный момент скорость приходится регулировать при помощи потенциометра, и это в третьем то тысячелетии. Не оставайтесь равнодушными :hehehe:
Вложения
RNR-USB2 (2).pdf
(3.72 МБ) 717 скачиваний
rukovodstvo_po_ekspluatatsii_kinda.pdf
(1.76 МБ) 555 скачиваний
Последний раз редактировалось digiTALker 20 окт 2021, 18:59, всего редактировалось 6 раз.
Имею фрезерный ЧПУ 250кг весом, рама профиль 150х150. Стол 300х600. :stepper: Nema 24 c энкодерами. Оси ХУ 20ки :rail: китайские. Плата :controller: RNR CNC bsmce04u-pp. Инвертор KINDA KD200. :dirll: Шпиндель 2.2kwt.
Два 3D принтера :stepper: . ZAV MAX PRO и самопал-дрыгостол - для нейлона.
steals_y2k
Мастер
Сообщения: 960
Зарегистрирован: 29 окт 2017, 14:08
Репутация: 61
Настоящее имя: Makc
Откуда: Ярославль
Контактная информация:

Re: Прошу помощи в настройке инвертора Kinda и ПУ RNR USB через ШИМ

Сообщение steals_y2k »

такое ощущение, что они все одинаковые🙄
fwd на схеме-это скорее всего mi1, на котором по умолчанию и забит вход на прямое вращение.
вы же сами пишете о регулировке подачей напряжения с платы на разъем CI. на странице 35 руководства вроде всё написано🙄
digiTALker
Опытный
Сообщения: 111
Зарегистрирован: 05 дек 2019, 18:20
Репутация: 2
Контактная информация:

Re: Прошу помощи в настройке инвертора Kinda и ПУ RNR USB через ШИМ

Сообщение digiTALker »

steals_y2k писал(а): 05 май 2021, 23:04 такое ощущение, что они все одинаковые🙄
кто они?
steals_y2k писал(а): 05 май 2021, 23:04 вы же сами пишете о регулировке подачей напряжения с платы на разъем CI.
это не я писал, это выдержка из мануала, поэтому
steals_y2k писал(а): 05 май 2021, 23:04 на странице 35 руководства вроде всё написано🙄
к сожалению я не понимаю из прочтённого что и с чем мне соединить, не достаточно компетенции в назначении клемм и принципа обмена данными. Затем и обратился к общественности.
Имею фрезерный ЧПУ 250кг весом, рама профиль 150х150. Стол 300х600. :stepper: Nema 24 c энкодерами. Оси ХУ 20ки :rail: китайские. Плата :controller: RNR CNC bsmce04u-pp. Инвертор KINDA KD200. :dirll: Шпиндель 2.2kwt.
Два 3D принтера :stepper: . ZAV MAX PRO и самопал-дрыгостол - для нейлона.
digiTALker
Опытный
Сообщения: 111
Зарегистрирован: 05 дек 2019, 18:20
Репутация: 2
Контактная информация:

Re: Прошу помощи. Надо соединить частотник Kinda и ПУ RNR USB через ШИМ. Работу оплачу.

Сообщение digiTALker »

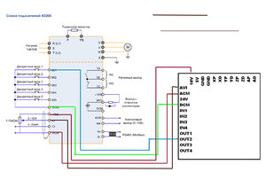
Попробую апнуть тему. Немного поковырялся и накидал схему на суд знающих. Не разобрался пока куда кидать 24в.
схема подключения.jpg (7998 просмотров) <a class='original' href='./download/file.php?id=195477&mode=view' target=_blank>Загрузить оригинал (364.98 КБ)</a>
Еще в мануале к плате сказано
В версии платы 2016г имеется встроенный конвертер ШИМ – Аналоговое
напряжение.
Не требует настройки, необходимые параметры встроены в плагин к Mach3.
Что за плагин такой? Есть мысли у кого? :thinking:

Далее план действий следующий. Замерить что выходит на клемах платы ACM-DCM при увеличении SRO in Mach3.
Имею фрезерный ЧПУ 250кг весом, рама профиль 150х150. Стол 300х600. :stepper: Nema 24 c энкодерами. Оси ХУ 20ки :rail: китайские. Плата :controller: RNR CNC bsmce04u-pp. Инвертор KINDA KD200. :dirll: Шпиндель 2.2kwt.
Два 3D принтера :stepper: . ZAV MAX PRO и самопал-дрыгостол - для нейлона.
steals_y2k
Мастер
Сообщения: 960
Зарегистрирован: 29 окт 2017, 14:08
Репутация: 61
Настоящее имя: Makc
Откуда: Ярославль
Контактная информация:

Re: Прошу помощи. Надо соединить частотник Kinda и ПУ RNR USB через ШИМ. Работу оплачу.

Сообщение steals_y2k »

в линуксе было бы проще давно использовать рс485 через юсб))

возможно, всё правильно, в частотнике-то стоит управление с 0-10В?))

24 здесь никуда не нужны, имхо. у него есть внутренний источник, который используется при данной схеме подключения.
steals_y2k
Мастер
Сообщения: 960
Зарегистрирован: 29 окт 2017, 14:08
Репутация: 61
Настоящее имя: Makc
Откуда: Ярославль
Контактная информация:

Re: Прошу помощи. Надо соединить частотник Kinda и ПУ RNR USB через ШИМ. Работу оплачу.

Сообщение steals_y2k »

digiTALker писал(а): Замерить что выходит на клемах платы ACM-DCM при увеличении
avi/acm
Последний раз редактировалось steals_y2k 15 май 2021, 21:05, всего редактировалось 1 раз.
Kost_irk
Мастер
Сообщения: 1000
Зарегистрирован: 19 июл 2018, 07:46
Репутация: 194
Откуда: Иркутск
Контактная информация:

Re: Прошу помощи. Надо соединить частотник Kinda и ПУ RNR USB через ШИМ. Работу оплачу.

Сообщение Kost_irk »

По сути все верно, 24в надо для концевиков, тут речь не про них. ACM и DCM это земли, вы там ничего не намеряете.
svm
Мастер
Сообщения: 367
Зарегистрирован: 23 ноя 2017, 12:56
Репутация: 75
Настоящее имя: Владимир Сергеев
Откуда: Бузулук
Контактная информация:

Re: Прошу помощи. Надо соединить частотник Kinda и ПУ RNR USB через ШИМ. Работу оплачу.

Сообщение svm »

По идее все подключено верно. Аналоговая земля есть, выход AVI идет на вход VI частотника обеспечивая регулировку оборотов. Переменный резистор (хотя-бы средний вывод) нужно отсоединить. Нужно-ли 10В соединять, не ясно. . Если с частотника выходит 10 В и с платы тоже 10, то при отсутствии защиты от дураков может что-то пойти не так. Если плата требует 10 В, то все Ок. Цифровая земля тоже присутствует, а назначение цифровых входов можно выбрать любое при настройке. Так-что если настройки правильные, и плата выдает аналог 0/10 В, то все нормально. Если что-то соединено не так, сгореть ничего не может. Частотник штука умная. Может что-то не заработать, но это увидите в процессе.
steals_y2k
Мастер
Сообщения: 960
Зарегистрирован: 29 окт 2017, 14:08
Репутация: 61
Настоящее имя: Makc
Откуда: Ярославль
Контактная информация:

Re: Прошу помощи. Надо соединить частотник Kinda и ПУ RNR USB через ШИМ. Работу оплачу.

Сообщение steals_y2k »

svm писал(а): Нужно-ли 10В соединять, не ясно
да. какие-то платы делают из своего питания 0..10, а животик-из внешнего.
digiTALker
Опытный
Сообщения: 111
Зарегистрирован: 05 дек 2019, 18:20
Репутация: 2
Контактная информация:

Re: Прошу помощи. Надо соединить частотник Kinda и ПУ RNR USB через ШИМ. Работу оплачу.

Сообщение digiTALker »

steals_y2k писал(а): 16 май 2021, 17:25
svm писал(а): Нужно-ли 10В соединять, не ясно
да. какие-то платы делают из своего питания 0..10, а животик-из внешнего.
уверен что про "животик" это Т9, но вот не соображу что должно быть вместо...
Имею фрезерный ЧПУ 250кг весом, рама профиль 150х150. Стол 300х600. :stepper: Nema 24 c энкодерами. Оси ХУ 20ки :rail: китайские. Плата :controller: RNR CNC bsmce04u-pp. Инвертор KINDA KD200. :dirll: Шпиндель 2.2kwt.
Два 3D принтера :stepper: . ZAV MAX PRO и самопал-дрыгостол - для нейлона.
svm
Мастер
Сообщения: 367
Зарегистрирован: 23 ноя 2017, 12:56
Репутация: 75
Настоящее имя: Владимир Сергеев
Откуда: Бузулук
Контактная информация:

Re: Прошу помощи. Надо соединить Kinda и bsmce04u-pp через ШИМ. Работу оплачу.

Сообщение svm »

Я, тоже, долго пытался понять. В результате решил что это Ваша плата.
steals_y2k
Мастер
Сообщения: 960
Зарегистрирован: 29 окт 2017, 14:08
Репутация: 61
Настоящее имя: Makc
Откуда: Ярославль
Контактная информация:

Re: Прошу помощи. Надо соединить Kinda и bsmce04u-pp через ШИМ. Работу оплачу.

Сообщение steals_y2k »

😂😂😂 простите. "иные".
svm
Мастер
Сообщения: 367
Зарегистрирован: 23 ноя 2017, 12:56
Репутация: 75
Настоящее имя: Владимир Сергеев
Откуда: Бузулук
Контактная информация:

Re: Прошу помощи. Надо соединить Kinda и bsmce04u-pp через ШИМ. Работу оплачу.

Сообщение svm »

Ну вот, вся интрига пропала. :cry:
digiTALker
Опытный
Сообщения: 111
Зарегистрирован: 05 дек 2019, 18:20
Репутация: 2
Контактная информация:

Re: Прошу помощи. Надо соединить Kinda и bsmce04u-pp через ШИМ. Работу оплачу.

Сообщение digiTALker »

Апаю тему. Мне по прежнему требуется помощь.
На чем я остановился. Попробовал измерить вольтаж на выходах. Нигде нет ничего похожего на управлением шпинделем. Везде нули. Возникли вопросы...
Правильно ли я понимаю что на плате управления 10 вольт и 24 вольта это не выходы, а входа для питания платы?
Потому как у меня на плату приходит 5 вольт только, и я вот задумался а как она сделает 10?! Будет преобразовывать или мне их надо подать, чтобы ШИМ мог их использовать?
Всё это я делал при активированном шпинделе в мач3. Тыкал мультиметром на
ACM-OUT[1,2,3],GND, 10V
GND-10V

IMG_20210531_111552.jpg (7829 просмотров) <a class='original' href='./download/file.php?id=195772&mode=view' target=_blank>Загрузить оригинал (5.25 МБ)</a>
Вложения
16224493184451895368915.jpg (7829 просмотров) <a class='original' href='./download/file.php?id=195773&mode=view' target=_blank>Загрузить оригинал (8.77 МБ)</a>
16224493632221536560093.jpg (7829 просмотров) <a class='original' href='./download/file.php?id=195774&mode=view' target=_blank>Загрузить оригинал (8.56 МБ)</a>
16224495087101350973842.jpg (7829 просмотров) <a class='original' href='./download/file.php?id=195775&mode=view' target=_blank>Загрузить оригинал (8.92 МБ)</a>
Имею фрезерный ЧПУ 250кг весом, рама профиль 150х150. Стол 300х600. :stepper: Nema 24 c энкодерами. Оси ХУ 20ки :rail: китайские. Плата :controller: RNR CNC bsmce04u-pp. Инвертор KINDA KD200. :dirll: Шпиндель 2.2kwt.
Два 3D принтера :stepper: . ZAV MAX PRO и самопал-дрыгостол - для нейлона.
SVP
Мастер
Сообщения: 6140
Зарегистрирован: 19 дек 2012, 15:49
Репутация: 884
Откуда: Москва
Контактная информация:

Re: Прошу помощи. Надо соединить Kinda и bsmce04u-pp через ШИМ. Работу оплачу.

Сообщение SVP »

1. Никто вникать увы не будет, выж не хотите документацию читать, вот и мы не хотим :).
2. ШИМ мультиметром не померять, осцилограф надо..., либо сделайте RC-фильтр и меряйте после него.
3. Что там входы, что выходы знать не знаю, однако некоторые устройства имеют в своем составе "повышайку", а некоторые не имеют, и тогда в документации написано "до ХХ вольт, но не более чем подано".
Аватара пользователя
xvovanx
Мастер
Сообщения: 3776
Зарегистрирован: 25 фев 2016, 12:27
Репутация: 920
Настоящее имя: Владимир
Откуда: Latvia
Контактная информация:

Re: Прошу помощи. Надо соединить Kinda и bsmce04u-pp через ШИМ. Работу оплачу.

Сообщение xvovanx »

digiTALker писал(а): Потому как у меня на плату приходит 5 вольт только, и я вот задумался а как она сделает 10?! Будет преобразовывать или мне их надо подать, чтобы ШИМ мог их использовать?
Гляньте на вами выложенную схему в первом сообщении, особое внимание на пины двух плат 24V-24V...
digiTALker
Опытный
Сообщения: 111
Зарегистрирован: 05 дек 2019, 18:20
Репутация: 2
Контактная информация:

Re: Прошу помощи. Надо соединить Kinda и bsmce04u-pp через ШИМ. Работу оплачу.

Сообщение digiTALker »

SVP писал(а): 31 май 2021, 13:14 1. Никто вникать увы не будет, выж не хотите документацию читать, вот и мы не хотим :).
2. ШИМ мультиметром не померять, осцилограф надо..., либо сделайте RC-фильтр и меряйте после него.
3. Что там входы, что выходы знать не знаю, однако некоторые устройства имеют в своем составе "повышайку", а некоторые не имеют, и тогда в документации написано "до ХХ вольт, но не более чем подано".
1. Очень хочу,читаю и перечитываю, просто уровень компетенции не даёт понять всё, что там написано. Даже уже обратился к англоязычной документации. Потихонечку что-то становится ясно, но вот например то что вы написали в пункте два, я не знал. Это уже требует более фундаментального бэкграунда. Спасибо что сказали, сэкономите мне массу времени. Про то что никто не хочет вникать, так я не просто так предлагаю расплатиться. Я прекрасно понимаю что мои проблемы могу стать чужими добровольно только за деньги.
3. По входам выходам детальной инфы я пока не нашёл. Но потихоньку обрастаю новыми мануалами.
datasheet rnr.png (7799 просмотров) <a class='original' href='./download/file.php?id=195780&mode=view' target=_blank>Загрузить оригинал (146.09 КБ)</a>
вот напимер нашел вот такой даташит. Правда он для платы более ранней ревизии. Нет 10в клеммы.
Кстати я так и разобрался это клемма выводит 10в или принимает. Ведь рядом 5в приходит с БП.

Я уже утратил надежду, что мне комплексно кто-то поможет, вот иногда заскакивает кто-нить и подкинет мне крупицу ценной инфы.
Это дело мне придётся добить, выбора нет другого. Потом отчитаюсь, авось кому еще поможет.


xvovanx писал(а): 31 май 2021, 13:42
digiTALker писал(а): Потому как у меня на плату приходит 5 вольт только, и я вот задумался а как она сделает 10?! Будет преобразовывать или мне их надо подать, чтобы ШИМ мог их использовать?
Гляньте на вами выложенную схему в первом сообщении, особое внимание на пины двух плат 24V-24V...
Правильно ли я понимаю ход вашей мысли, что плате управления можно подкормить 24в извне, и тогда у неё хватит мощи генерить 10в?


Кстати что касается ШИМ и померять его мультиметром...
В документации сказано что у моей платы
В версии платы 2016г имеется встроенный конвертер ШИМ – Аналоговое
напряжение.
Не требует настройки, необходимые параметры встроены в плагин к Mach3.
Должно быть включено управление ШИМ, как описано выше.
Именно эту схему я и прикладывал выше. Означает ли это, что мультиметр должен таки выдавать значения осмысленные?
Последний раз редактировалось digiTALker 31 май 2021, 15:58, всего редактировалось 1 раз.
Имею фрезерный ЧПУ 250кг весом, рама профиль 150х150. Стол 300х600. :stepper: Nema 24 c энкодерами. Оси ХУ 20ки :rail: китайские. Плата :controller: RNR CNC bsmce04u-pp. Инвертор KINDA KD200. :dirll: Шпиндель 2.2kwt.
Два 3D принтера :stepper: . ZAV MAX PRO и самопал-дрыгостол - для нейлона.
Аватара пользователя
xvovanx
Мастер
Сообщения: 3776
Зарегистрирован: 25 фев 2016, 12:27
Репутация: 920
Настоящее имя: Владимир
Откуда: Latvia
Контактная информация:

Re: Прошу помощи. Надо соединить Kinda и bsmce04u-pp через ШИМ. Работу оплачу.

Сообщение xvovanx »

digiTALker писал(а): Правильно ли я понимаю ход вашей мысли
:aga:
На вашей последней схеме, тоже видна внешняя запитка платы от 12-24В. А вот и еще на схемах в нете для вас нашел ;)
Вложения
1.png (7783 просмотра) <a class='original' href='./download/file.php?id=195785&mode=view' target=_blank>Загрузить оригинал (102.66 КБ)</a>
Последний раз редактировалось xvovanx 31 май 2021, 16:00, всего редактировалось 2 раза.
SVP
Мастер
Сообщения: 6140
Зарегистрирован: 19 дек 2012, 15:49
Репутация: 884
Откуда: Москва
Контактная информация:

Re: Прошу помощи. Надо соединить Kinda и bsmce04u-pp через ШИМ. Работу оплачу.

Сообщение SVP »

Да не могут они за деньги. Вникнуть и разобраться - это часы-десятки часов. Знаете сколько берет сервис-инженер :) ?
Я не буду вам этого писать, тут щаз и так "понабегут" те кто сам ничего делать не будет, но ценниками возмущен :)

Фигзнает как работает ваше железо, но в что-то в середине почему-то заходит аж 12-24в... В COM.
И в инструкции написано что это все нужно для "датчиков", что там про генерацию ШИМ неизвестно.

"конвертер ШИМ – Аналоговое напряжение."- это что ?
На выходе RC фильтра напряжение будет, на выходе "непонятно чего" будет непонятно что.
Можно ли померять вашим мультиметром напряжение вам никто не скажет, моим можно.
Но чтобы что-то намерять, надо чтобы в маче это все было настроено нормально.

потенциальные 24в яб в частотник не подавал на вход для 10в...

Это... навалом же тем как по 485 итп частотники подключать, зачем вам танцы с бубнами со всей этой "ерундой"....
SVP
Мастер
Сообщения: 6140
Зарегистрирован: 19 дек 2012, 15:49
Репутация: 884
Откуда: Москва
Контактная информация:

Re: Прошу помощи. Надо соединить Kinda и bsmce04u-pp через ШИМ. Работу оплачу.

Сообщение SVP »

ЗЫ. Кстати с шимом этим от мача у меня какие-то проблемы были с частотой, материнкой, настройками биоса итп.
Не помню уже. Обильно гуглится. Но грабли были довольно серьезные. По-моему попросту не работало на неподобранных значениях настроек.
Ответить

Вернуться в «Электроника»