CNC1310 фрезер по металлу (126x88x38)

Тяжелые фрезерные станки по металлу.
Pens
Мастер
Сообщения: 242
Зарегистрирован: 18 июн 2019, 08:43
Репутация: 38
Настоящее имя: Андрей
Контактная информация:

Re: CNC1310 фрезер по металлу (126x88x38)

Сообщение Pens »

Курдль писал(а): 03 сен 2022, 16:41
nevkon писал(а): Может датчики расположены иначе? Я про то что они могут иметь другой угол. В результате контроллер может видеть неправильное положение ротора.
Шта? :)
Это как опережение зажигания в ДВС? :D
Не думаю. Скорее всего датчики Холла в вентильных двигателях всегда выставлены в единственно возможном оптимальным положении, как коллектор двигателя постоянного тока.
Не факт. Учитывая, что ток в индуктивности отстает от поданного напряжения, в высокооборотных движках вносится упреждение. Если в вашем движке такое упреждение конструктивно внесено, то Вы его разрегулировали изменив направление вращения.

Почитайте:
https://electrotransport.ru/ussr/index. ... ic=24921.0
Хотя ветка про движки для байков, там есть полезные мысли о влиянии угла опережения на КПД движков и склонности движков в результате этого к перегреву.
Курдль писал(а): 03 сен 2022, 16:41Зато вот, что меня озадачило (любознательным и дотошным на заметку): меняя местами провода от датчиков (я искал правильное сочетание для пуска мотора в обратную сторону) я нашел две комбинации, при которых двигатель вращается в нужную сторону. При одной комбинации двигатель набирает бОльшие обороты и жрет меньше амперов, при другой, соответственно, наоборот.
"Фазы, холлы, 120°, реверс и прочее"
https://electrotransport.ru/ussr/index. ... 8524845315
Аватара пользователя
Курдль
Мастер
Сообщения: 2174
Зарегистрирован: 20 мар 2018, 16:55
Репутация: 282
Настоящее имя: Курдль Энтеропийский
Откуда: Msk
Контактная информация:

Re: CNC1310 фрезер по металлу (126x88x38)

Сообщение Курдль »

Pens писал(а): Не факт. Учитывая, что ток в индуктивности отстает от поданного напряжения, в высокооборотных движках вносится упреждение. Если в вашем движке такое упреждение конструктивно внесено, то Вы его разрегулировали изменив направление вращения.
Вполне допускаю это для коллекторных ЭД. Для вентильных двигателей я думаю, нет проблем внести соотв. корректировки в контроллер, причем динамически.
В моем случае я сомневаюсь, что мотор, в котором обмотки статора намотаны "как курица лапой" и плата датчиков болтается в пазах +/- 1мм, имеет какую-то Божью искру в конструкции.
Кроме того, я гонял его как в одну, так и в другую сторону при замерах тока и оборотов. Параметры не отличались.
Pens писал(а): "Фазы, холлы, 120°, реверс и прочее"
То, что автор нашел 3 устойчивые комбинации из перестановок 6-и проводов, нет ничего удивительного для трехфазного двигателя. Он ведь и провода обмоток переставлял местами. В моем же случае при таком подходе нашлось бы 6 комбинаций, при которых двигатель крутится в одну сторону.

Однако! Все предыдущие мои умозаключения меркнут в свете моих ошибочных выводов, сделанных на ошибочных измерениях :(
Выше я сообщал, что сопротивление обмоток различается на 25%.
Сейчас взял другой прибор и замерил не на концах кабелей, а прямо с проводов обмоток:
Параметры обмотки двигателя Nidec (1414 просмотров) <a class='original' href='./download/file.php?id=204736&mode=view' target=_blank>Загрузить оригинал (193.69 КБ)</a>
Параметры обмотки двигателя Nidec
Параметры обмотки двигателя LD42WS-250W (1414 просмотров) <a class='original' href='./download/file.php?id=204735&mode=view' target=_blank>Загрузить оригинал (201.86 КБ)</a>
Параметры обмотки двигателя LD42WS-250W
Так что не на 25%, а в 6 раз сопротивление и в 4.5 раза индуктивность!
И что теперь делать?..
Мой сайт: https://cnc-hobby.ru
Pens
Мастер
Сообщения: 242
Зарегистрирован: 18 июн 2019, 08:43
Репутация: 38
Настоящее имя: Андрей
Контактная информация:

Re: CNC1310 фрезер по металлу (126x88x38)

Сообщение Pens »

Курдль писал(а): 03 сен 2022, 21:05 Так что не на 25%, а в 6 раз сопротивление и в 4.5 раза индуктивность!
И что теперь делать?..
Обмотки перематывать. Увеличив число витков в два раза, индуктивность возрастет в четыре.
Аватара пользователя
Курдль
Мастер
Сообщения: 2174
Зарегистрирован: 20 мар 2018, 16:55
Репутация: 282
Настоящее имя: Курдль Энтеропийский
Откуда: Msk
Контактная информация:

Re: CNC1310 фрезер по металлу (126x88x38)

Сообщение Курдль »

Pens писал(а): Обмотки перематывать. Увеличив число витков в два раза, индуктивность возрастет в четыре.
Была такая мысль, когда держал в руках магнитопровод статора, с трудом извлеченный из корпуса.
Потом решил, что и так сойдет :|
Теперь как вспомню эпопею по его извлечению, аж дурно становится. Он был запрессован в корпус.
Мне пришлось городить приспособления, чтобы его оттуда выдавить. А потом он был обратно задвинут внатяг.

UPD.
А вот еще интересный кейс - подключение обмоток.
В моторчике Nidec похоже на "звезду", а у LD42WS-250 точно не скажу, но соединения проводов в один пучок не видно.
Так что возможно там "треугольник". Интересно, как это отражается на контроллере?
Мой сайт: https://cnc-hobby.ru
Pens
Мастер
Сообщения: 242
Зарегистрирован: 18 июн 2019, 08:43
Репутация: 38
Настоящее имя: Андрей
Контактная информация:

Re: CNC1310 фрезер по металлу (126x88x38)

Сообщение Pens »

Очень интересный калькулятор обмоток бесколлекторных двигателей. Учитывает число полюсов, число якорей, звезда или треугольник. Рисует схему обмоток, включая направление намотки и подключения:
http://www.bavaria-direct.co.za/scheme/calculator/
Аватара пользователя
Курдль
Мастер
Сообщения: 2174
Зарегистрирован: 20 мар 2018, 16:55
Репутация: 282
Настоящее имя: Курдль Энтеропийский
Откуда: Msk
Контактная информация:

Re: CNC1310 фрезер по металлу (126x88x38)

Сообщение Курдль »

Pens писал(а): Очень интересный калькулятор обмоток бесколлекторных двигателей. Учитывает число полюсов, число якорей, звезда или треугольник. Рисует схему обмоток, включая направление намотки и подключения
Ну, предположим я определил тип своего двигателя и внес в программу.
Nidec_Stator_4.jpg (1322 просмотра) <a class='original' href='./download/file.php?id=204739&mode=view' target=_blank>Загрузить оригинал (310.25 КБ)</a>
sch.png (1322 просмотра) <a class='original' href='./download/file.php?id=204738&mode=view' target=_blank>Загрузить оригинал (127.66 КБ)</a>
Что эта программа позволяет автоматизировать?
И что она анимирует по кнопке Animation Zeigen?
Мой сайт: https://cnc-hobby.ru
Pens
Мастер
Сообщения: 242
Зарегистрирован: 18 июн 2019, 08:43
Репутация: 38
Настоящее имя: Андрей
Контактная информация:

Re: CNC1310 фрезер по металлу (126x88x38)

Сообщение Pens »

А это иллюзия или действительно обмотки намотаны двумя проводами разного диаметра? На фото видно, что под витками толстого желтого провода есть витки более темного провода меньшего диаметра.
Вложения
Витки 01.png (1275 просмотров) <a class='original' href='./download/file.php?id=204744&mode=view' target=_blank>Загрузить оригинал (533.53 КБ)</a>
Витки 02.png (1275 просмотров) <a class='original' href='./download/file.php?id=204745&mode=view' target=_blank>Загрузить оригинал (512.63 КБ)</a>
Последний раз редактировалось Pens 05 сен 2022, 08:25, всего редактировалось 1 раз.
Аватара пользователя
Курдль
Мастер
Сообщения: 2174
Зарегистрирован: 20 мар 2018, 16:55
Репутация: 282
Настоящее имя: Курдль Энтеропийский
Откуда: Msk
Контактная информация:

Re: CNC1310 фрезер по металлу (126x88x38)

Сообщение Курдль »

Pens писал(а): А это иллюзия или действительно обмотки намотаны двумя проводами разного диаметра? На фото видно, что под витками толстого желтого провода есть витки более темного провода меньшего диаметра.
Думаю, что иллюзия.
Я снова раскурочил движок, сломав выпестованную мной крыльчатку (иначе она не вытаскивается). Вчера не смог выдавить "кассету" с магнитопроводом и катушками из статора. Сегодня буду думать, как её выдавить а также "какой же я ... , что не предусмотрел возможность повторной разборки!".
Надеюсь, что удастся вынуть и тогда размотаю обмотки, посчитаю витки.
Однако меня гложет неприятное подозрение: если я намотаю больше витков (а для этого скорее всего потребуется более тонкий провод), то активное сопротивление увеличится и всё тепло, что угрожало контроллеру, будет выделяться на обмотках мотора...
Надеяться на возросшее индуктивное сопротивление?

Кстати, как определить схему подключения обмоток 3-хфазного ЭД, если вскрыть его не представляется возможности?
Мой сайт: https://cnc-hobby.ru
Pens
Мастер
Сообщения: 242
Зарегистрирован: 18 июн 2019, 08:43
Репутация: 38
Настоящее имя: Андрей
Контактная информация:

Re: CNC1310 фрезер по металлу (126x88x38)

Сообщение Pens »

Курдль писал(а): 05 сен 2022, 08:13Кстати, как определить схему подключения обмоток 3-хфазного ЭД, если вскрыть его не представляется возможности?
А нужно ли это? Треугольник позволяет снять большую мощность с движка при том-же напряжении. Других плюсов нет. В звезде для внешней цепи сопротивление выше, т.к. две катушки включены последовательно. А в треугольнике одна обмотка подключена непосредственно, и параллельно ей еще две обмотки подключены последовательно. На том же сайте, где и калькулятор, в разделе "More Info" расписаны отличия. Там же есть табличка по скоростным ограничениям различных контроллеров.

По поводу потерь на том же сайте есть раскладка в разделе "Motor Constants".

"Звезда или треугольник?"
https://asutpforum.ru/viewtopic.php?t=2 ... q153559628
Аватара пользователя
Курдль
Мастер
Сообщения: 2174
Зарегистрирован: 20 мар 2018, 16:55
Репутация: 282
Настоящее имя: Курдль Энтеропийский
Откуда: Msk
Контактная информация:

Re: CNC1310 фрезер по металлу (126x88x38)

Сообщение Курдль »

Pens писал(а): А нужно ли это? Треугольник позволяет снять большую мощность с движка при том-же напряжении. Других плюсов нет.
Может быть и нужно. И дело не в мощности.
Как Вам такая моя сентенция: у двух одинаковы вентильных двигателей с двумя магнитными полюсами и тремя обмотками, но включенных по разным схемам (D и Y) расположение датчиков Холла должно отличаться на 60*. При условии, что они подключаются к одному и тому же BLDC-контроллеру.
Если это утверждение верно, то не удивительно, почему я нашел 2 рабочие комбинации подключения.
Или я не прав?
Если прав - мне придется исследовать все "фазы газораспределения" обоих двигателей, чтобы выбрать правильное подключение.
Мой сайт: https://cnc-hobby.ru
Pens
Мастер
Сообщения: 242
Зарегистрирован: 18 июн 2019, 08:43
Репутация: 38
Настоящее имя: Андрей
Контактная информация:

Re: CNC1310 фрезер по металлу (126x88x38)

Сообщение Pens »

Если верить https://cnc3018.ru/threads/ld42ws-250w- ... l349847728 , то у ld42ws-250w:
"Ну, кратко, 4 полюсной треугольник (6 обмоток), три Холла через 120`(электрических),обмотка ~0.6"

И для четырехполюсного ротора не нужно сдвигать датчики на 60`. Это соответствует зеркальному положению полюсов и, соответственно зеркальному подключению датчиков.
Аватара пользователя
Курдль
Мастер
Сообщения: 2174
Зарегистрирован: 20 мар 2018, 16:55
Репутация: 282
Настоящее имя: Курдль Энтеропийский
Откуда: Msk
Контактная информация:

Re: CNC1310 фрезер по металлу (126x88x38)

Сообщение Курдль »

Pens писал(а): Учитывая, что ток в индуктивности отстает от поданного напряжения, в высокооборотных движках вносится упреждение.
К своему великому удивлению я обнаружил нечто, подтверждающее это предположение для мотора "Nidec". А именно - смещение датчиков Холла от магнитной оси "зуба" обмотки.
Nidec_Hall.jpg (1188 просмотров) <a class='original' href='./download/file.php?id=204763&mode=view' target=_blank>Загрузить оригинал (117.4 КБ)</a>
Но потом я не поленился рассмотреть устройство LD42WS-250W.
В нем датчики также смещены, хотя он не позиционируется ни как высокоскоростной мотор, ни как мотор одного направления вращения.
LD42WS_Hall.jpg (1188 просмотров) <a class='original' href='./download/file.php?id=204764&mode=view' target=_blank>Загрузить оригинал (149.1 КБ)</a>
Геометрическое расположение датчиков одинаковое - 60 градусов друг относительно друга.
Но еще надо обдумать, почему оно одинаковое, несмотря на то, что у Nidec 4 полюса на роторе, а у LD42WS-250W их 8. :thinking:

Видимо следующим моим шагом должен быть замер углов срабатывания датчиков при повороте ротора и сопоставление этих углов с положением магнитных полюсов ротора по отношению к зубцам статора.

UPD. К мысли "почему в обоих моторах датчики одинаково расположены".
Может быть в одном датчики униполярные, а в другом - биполярные?
Надо тоже это исследовать.
Мой сайт: https://cnc-hobby.ru
Pens
Мастер
Сообщения: 242
Зарегистрирован: 18 июн 2019, 08:43
Репутация: 38
Настоящее имя: Андрей
Контактная информация:

Re: CNC1310 фрезер по металлу (126x88x38)

Сообщение Pens »

Датчики привязываются к зубам, а не к полюсам.
Аватара пользователя
Курдль
Мастер
Сообщения: 2174
Зарегистрирован: 20 мар 2018, 16:55
Репутация: 282
Настоящее имя: Курдль Энтеропийский
Откуда: Msk
Контактная информация:

Re: CNC1310 фрезер по металлу (126x88x38)

Сообщение Курдль »

Pens писал(а): Датчики привязываются к зубам, а не к полюсам.
Хорошо.
А все-таки, зачем они смещены?
Думал как-то смоделировать их работу, но понял, что не знаю свойств самих датчиков.
Где их магнитная ось, например.
Кстати, они однозначно должны быть биполярными, т.е. срабатывать только на поле определенной полярности.
А если учесть, что напряженность поля нарастает плавно в процессе поворота ротора, то возможно их положение определено чувствительностью и гистерезисом датчика.
Если упрощенно, то выглядит по моим прикидкам так:
(зеленые линии - уровни гистерезиса, синие - логическое состояние сигнала датчика, дельта - угол запаздывания)
diagram1.jpg (1129 просмотров) <a class='original' href='./download/file.php?id=204775&mode=view' target=_blank>Загрузить оригинал (105.77 КБ)</a>
Однако в таком случае все вентильные двигатели должны быть однонаправленными или хотя бы иметь зависимость КПД от направления вращения.
Мой сайт: https://cnc-hobby.ru
Pens
Мастер
Сообщения: 242
Зарегистрирован: 18 июн 2019, 08:43
Репутация: 38
Настоящее имя: Андрей
Контактная информация:

Re: CNC1310 фрезер по металлу (126x88x38)

Сообщение Pens »

Курдль писал(а): 07 сен 2022, 14:28 Думал как-то смоделировать их работу, но понял, что не знаю свойств самих датчиков.
Где их магнитная ось, например.
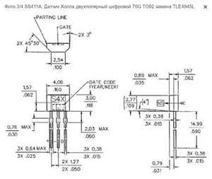
Чтобы точно ответить на этот вопрос нужно знать их тип, а зная - посмотреть даташит -там все описано. Например в приложенном - чувствительный центр помечен крестиком под надписью "S4X", дана его привязка к корпусу в размерах и указано направление NS, которое связано со знаком выходного сигнала.
Курдль писал(а): 07 сен 2022, 14:28 А если учесть, что напряженность поля нарастает плавно в процессе поворота ротора, то возможно их положение определено чувствительностью и гистерезисом датчика.
На мой взгляд, наибольшая чувствительность к углу поворота у датчика в момент смены знака поля. Т.е. когда над датчиком проходит линия разделения S и N полюса. Тут не нужен гистерезис и не очень важна напряженность - только знак направления поля до и после. Тут нет никакого запаздывания момента прохождения. И, в зависимости от знака поля, полярность на катушки подается таким образом, чтобы следующий зуб по ходу вращения притягивал текущий полюс ротора, а зуб против вращения начинал этот текущий полюс отталкивать. И все становится на свои места в понимании.

А смещение всего лишь компенсирует фазовое запаздывание на время нарастания тока в катушке.
Вложения
Холла датчик.png (1126 просмотров) <a class='original' href='./download/file.php?id=204776&mode=view' target=_blank>Загрузить оригинал (318.86 КБ)</a>
Последний раз редактировалось Pens 07 сен 2022, 20:07, всего редактировалось 1 раз.
Аватара пользователя
Курдль
Мастер
Сообщения: 2174
Зарегистрирован: 20 мар 2018, 16:55
Репутация: 282
Настоящее имя: Курдль Энтеропийский
Откуда: Msk
Контактная информация:

Re: CNC1310 фрезер по металлу (126x88x38)

Сообщение Курдль »

Pens писал(а): Чтобы точно ответить на этот вопрос нужно знать их тип, а зная - посмотреть даташит -там все описано.
У меня в наличии только 2 вентильных двигателя, а посмотреть на сенсоры вблизи я могу только на одном. И там они без маркировки. :(
Pens писал(а): На мой взгляд, наибольшая чувствительность к углу поворота у датчика в момент смены знака поля.
Что значит "наибольшая чувствительность"? Чувствительность у него паспортная.
Pens писал(а): Т.е. когда над датчиком проходит линия разделения S и N полюса.
Так дело в том, что эта линия есть только в нашем воображении. На самом деле напряженность магнитного поля плавно затухает к середине магнита (если брать классический стержневой магнит), потом сходит на нет и снова начинает возрастать уже с другой полярностью.
Это значит, что датчик реагирует не над центром магнита, а где-то, где напряженность поля достаточна для его чувствительности.
Я взял даташит на датчики TLE4905, что использовал для концевиков в своем станке и вот диаграмма:
diagram.PNG (1112 просмотров) <a class='original' href='./download/file.php?id=204777&mode=view' target=_blank>Загрузить оригинал (29.74 КБ)</a>
Так что гистерезис есть.
Pens писал(а): А смещение всего лишь компенсирует фазовое запаздывание на время нарастания тока в катушке.
Что, одно и то же смещение для любых оборотов двигателя? При любом направлении вращения? Мой дешевый двигатель имеет паспортную скорость вращения от 4 000 до 12 000.
Есть BLDC-моторы 3 000 - 30 000.
Не лень будет посчитать смещение фазы тока при индуктивности обмоток, например, 100 мкГн? И соотнести со скоростью вращения.
Мой сайт: https://cnc-hobby.ru
Pens
Мастер
Сообщения: 242
Зарегистрирован: 18 июн 2019, 08:43
Репутация: 38
Настоящее имя: Андрей
Контактная информация:

Re: CNC1310 фрезер по металлу (126x88x38)

Сообщение Pens »

Курдль писал(а): 07 сен 2022, 16:45
Pens писал(а): Т.е. когда над датчиком проходит линия разделения S и N полюса.
Так дело в том, что эта линия есть только в нашем воображении. На самом деле напряженность магнитного поля плавно затухает к середине магнита (если брать классический стержневой магнит), потом сходит на нет и снова начинает возрастать уже с другой полярностью.
Попробуйте взглянуть на это по другому. Как смог :hehehe: нарисовал внешние магнитные линии цилиндрического ротора с учетом их направления. Вверху, симметрично относительно вертикальной линии расположены два эллипса. Давайте считать, что это два датчика Холла. Расстояние между ними небольшое, но хорошо видно, что магнитные линии их пронзают в противоположных направлениях. Левый пронзается снизу вверх, а правый сверху вниз. Т.е. знак сигнала с них будет противоположным. Т.е. вертикальная линия для них - зона быстрой смены знака направления поля. И именно эта линия разделяет полюса N и S. Т.о., если датчик Холла поместить на эту линию, то при повороте ротора знак сигнала с датчика будет изменяться максимально быстро в момент прохода под ним смены полюсов.
Вложения
Магнитное поле1.JPG (1098 просмотров) <a class='original' href='./download/file.php?id=204789&mode=view' target=_blank>Загрузить оригинал (253.45 КБ)</a>
Аватара пользователя
Курдль
Мастер
Сообщения: 2174
Зарегистрирован: 20 мар 2018, 16:55
Репутация: 282
Настоящее имя: Курдль Энтеропийский
Откуда: Msk
Контактная информация:

Re: CNC1310 фрезер по металлу (126x88x38)

Сообщение Курдль »

Курдль писал(а): посмотреть на сенсоры вблизи я могу только на одном. И там они без маркировки.
Таки нашел маркировку, отковыряв лак. Но не нашел даташит :(
HallW32.jpg (1096 просмотров) <a class='original' href='./download/file.php?id=204791&mode=view' target=_blank>Загрузить оригинал (49.67 КБ)</a>
Pens писал(а): Попробуйте взглянуть на это по другому.
А я не раз "глядел" на свойства датчиков Холла именно с этой точки зрения.
Я понимаю, как это работает.
А теперь нарисуйте (гипотетически, я Вас умоляю) ту же картинку, но толщину линии магнитной индукции сделайте пропорциональной уровню напряженности магнитного поля на этой линии. Вряд ли это точно, но скорее всего напряженность будет обратно пропорциональна квадрату длины этой линии линии. И в "пограничной" зоне, где произойдет переполюсовка, эти линии будут очень длинными :D
А значит чувствительности датчика не хватит для реакции на это изменение.
Последний раз редактировалось Курдль 07 сен 2022, 20:33, всего редактировалось 1 раз.
Мой сайт: https://cnc-hobby.ru
Pens
Мастер
Сообщения: 242
Зарегистрирован: 18 июн 2019, 08:43
Репутация: 38
Настоящее имя: Андрей
Контактная информация:

Re: CNC1310 фрезер по металлу (126x88x38)

Сообщение Pens »

Курдль писал(а): 07 сен 2022, 16:45 Не лень будет посчитать смещение фазы тока при индуктивности обмоток, например, 100 мкГн? И соотнести со скоростью вращения.
Не лень. Для 30 000 об/мин - период оборота равен 2 мсек.
Постоянная времени намеренной Вами обмотки = L / R = 0.02 mH/ 0.1 Ом = 0.2 мсек. Одна десятая оборота. 36 градусов. Ну хорошо, это предельная скорость и разработчик располовинил ошибку для рабочего диапазона скоростей. Т.е. в долях оборота 18 градусов.
Последний раз редактировалось Pens 07 сен 2022, 23:33, всего редактировалось 1 раз.
Pens
Мастер
Сообщения: 242
Зарегистрирован: 18 июн 2019, 08:43
Репутация: 38
Настоящее имя: Андрей
Контактная информация:

Re: CNC1310 фрезер по металлу (126x88x38)

Сообщение Pens »

Курдль писал(а): 07 сен 2022, 20:24 Таки нашел маркировку, отковыряв лак. Но не нашел даташит :(

HallW32.jpg
Похоже он
https://pdf1.alldatasheet.com/datasheet ... W-432.html

исходя из https://aliexpress.ru/item/100500387453 ... 335ciWbsoS
Ответить

Вернуться в «Фрезерные станки по металлам»