Драйвер униполярного ШД на SLA7029M
-
Крылатый
- Опытный
- Сообщения: 124
- Зарегистрирован: 28 мар 2014, 21:40
- Репутация: 28
- Контактная информация:
Драйвер униполярного ШД на SLA7029M
Всем привет!
Достал из принтера униполярный ШД
127K19210
SEP-57D211
3,84V 0.8A
(5 проводов из него выходит)
И драйвер на микрухе SLA7029M.
ПОМОГИТЕ РАЗОБРАТЬСЯ!
В нэте нихрена описаний не могу найти.
Меня интересует:
- этот драйвер какими сигналами питается? STEP DIR или что то другое?
- Можно ли на нём делить шаг?
- Как к Ардуине прицепиться (если STEP DIR ) ?
Есть в нэте похожие микрухи на одну букву отличаются, но этой не нахожу.
Может кто имеет опыт борьбы с этим зверем?
Достал из принтера униполярный ШД
127K19210
SEP-57D211
3,84V 0.8A
(5 проводов из него выходит)
И драйвер на микрухе SLA7029M.
ПОМОГИТЕ РАЗОБРАТЬСЯ!
В нэте нихрена описаний не могу найти.
Меня интересует:
- этот драйвер какими сигналами питается? STEP DIR или что то другое?
- Можно ли на нём делить шаг?
- Как к Ардуине прицепиться (если STEP DIR ) ?
Есть в нэте похожие микрухи на одну букву отличаются, но этой не нахожу.
Может кто имеет опыт борьбы с этим зверем?
- Rom327
- Почётный участник

- Сообщения: 2989
- Зарегистрирован: 03 апр 2015, 13:23
- Репутация: 437
- Настоящее имя: Роман
- Откуда: Подольск
- Контактная информация:
Re: Драйвер униполярного ШД на SLA7029M
Это сугубо мое мнение, могу и ошибаться...
https://vk.com/rom327
GRBL настройки: http://blogandbux.blogspot.com/2018/07/ ... revod.html
G коды: http://3d-stanki.ru/spravochnik/program ... stankov-2/
https://vk.com/rom327
GRBL настройки: http://blogandbux.blogspot.com/2018/07/ ... revod.html
G коды: http://3d-stanki.ru/spravochnik/program ... stankov-2/
-
drey82
- Мастер
- Сообщения: 639
- Зарегистрирован: 24 авг 2014, 10:29
- Репутация: 82
- Настоящее имя: Drey
- Откуда: Воронеж
- Контактная информация:
Re: Драйвер униполярного ШД на SLA7029M
привет, перепаивал подобные движки в биполярные (не стал заморачиваться с униполярностью), стоят на станке полет нормальный
-
Крылатый
- Опытный
- Сообщения: 124
- Зарегистрирован: 28 мар 2014, 21:40
- Репутация: 28
- Контактная информация:
Re: Драйвер униполярного ШД на SLA7029M
Я тоже нарывался в нэте на тему перепаивания в би, но у меня с драйверами напряг.
Просто выбор - или разобраться с этим, или в долгий китай за новым + перепаять ШД.
Конечно же если уж проблема - то в китай.
Просто выбор - или разобраться с этим, или в долгий китай за новым + перепаять ШД.
Конечно же если уж проблема - то в китай.
-
Крылатый
- Опытный
- Сообщения: 124
- Зарегистрирован: 28 мар 2014, 21:40
- Репутация: 28
- Контактная информация:
Re: Драйвер униполярного ШД на SLA7029M
Ссылки там померли от старости. ))Rom327 писал(а):http://forum.rcdesign.ru/f110/thread40771.html
Но схемка есть.
Кто то может объяснить чем питается микросхема ? Там Входы INa, INb. Что туда подавать для одного шага?
- Вложения
-
- DriveSLA7029_2.gif (9.95 КБ) 4425 просмотров
-
Крылатый
- Опытный
- Сообщения: 124
- Зарегистрирован: 28 мар 2014, 21:40
- Репутация: 28
- Контактная информация:
Re: Драйвер униполярного ШД на SLA7029M
На плате ещё есть 5 микросхем (две из них одинаковые):
Снизу 3 транзистора
Снизу 3 транзистора
- Mamont
- Мастер
- Сообщения: 2005
- Зарегистрирован: 10 дек 2015, 12:21
- Репутация: 391
- Настоящее имя: Виталий
- Откуда: РБ Минск
- Контактная информация:
Re: Драйвер униполярного ШД на SLA7029M
плохо искал. https://pdf1.alldatasheet.com/datasheet ... 7029M.htmlКрылатый писал(а):
ПОМОГИТЕ РАЗОБРАТЬСЯ!
В нэте нихрена описаний не могу найти.
Меня интересует:
- этот драйвер какими сигналами питается? STEP DIR или что то другое?
- Можно ли на нём делить шаг?
- Как к Ардуине прицепиться (если STEP DIR ) ?
Есть в нэте похожие микрухи на одну букву отличаются, но этой не нахожу.
Может кто имеет опыт борьбы с этим зверем?
Управлять можно и ардуиной (atmega328), делаешь два канала DAC по 6 бит. с их помощью можно сделать микрошаг 1/16
-
Крылатый
- Опытный
- Сообщения: 124
- Зарегистрирован: 28 мар 2014, 21:40
- Репутация: 28
- Контактная информация:
Re: Драйвер униполярного ШД на SLA7029M
Я это находил, но я не могу понять принцип работы драйвера: какие сигналы в него заходят и какая на них реакция?
Выход я понимаю, что на двух обмотках меняется полярность (одновременно или поочерёдно - это тоже пока вопрос).
Что на входе то? Четыре входа. Нихрена по русски нет.
Я профан в микроэлектронике. Что там за обозначения в потрохах микросхемы? транзистор я знаю в разрезе и как работает. А что там за треугольники трёхлапчатые? Что они делают с электрическим током?
Выход я понимаю, что на двух обмотках меняется полярность (одновременно или поочерёдно - это тоже пока вопрос).
Что на входе то? Четыре входа. Нихрена по русски нет.
Я профан в микроэлектронике. Что там за обозначения в потрохах микросхемы? транзистор я знаю в разрезе и как работает. А что там за треугольники трёхлапчатые? Что они делают с электрическим током?
- Mamont
- Мастер
- Сообщения: 2005
- Зарегистрирован: 10 дек 2015, 12:21
- Репутация: 391
- Настоящее имя: Виталий
- Откуда: РБ Минск
- Контактная информация:
Re: Драйвер униполярного ШД на SLA7029M
2 Цифровых входа InA InB -00-01-11-10-
2 аналоговых входа RefA RefB, подаешь на них с ЦАП или ШИМа ступенчатую синусоиду.
Ток в фазах микросхема будет стараться удерживать пропорционально напряжениею на Ref-ах
а ты хочешь использовать всю плату или только микросхему?
2 аналоговых входа RefA RefB, подаешь на них с ЦАП или ШИМа ступенчатую синусоиду.
Ток в фазах микросхема будет стараться удерживать пропорционально напряжениею на Ref-ах
а ты хочешь использовать всю плату или только микросхему?
- megagad
- Почётный участник

- Сообщения: 3207
- Зарегистрирован: 05 апр 2014, 18:57
- Репутация: 712
- Откуда: Реуспублика Крым, Бахчисарай.
- Контактная информация:
Re: Драйвер униполярного ШД на SLA7029M
ох какая "древность" всплыла...
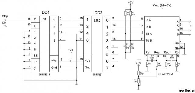
Для начала - стандартная схема и "таблица истинности"(зависимость выходных сигналов от входных): Ну и пара схем навскидку:
Для начала - стандартная схема и "таблица истинности"(зависимость выходных сигналов от входных): Ну и пара схем навскидку:
We Do What We Must, Because We Can!
Причинять добро, наносить пользу и подвергать ласке.
Причинять добро, наносить пользу и подвергать ласке.
-
Крылатый
- Опытный
- Сообщения: 124
- Зарегистрирован: 28 мар 2014, 21:40
- Репутация: 28
- Контактная информация:
Re: Драйвер униполярного ШД на SLA7029M
Я выложил весь расклад по имеющемуся драйверу в надежде, что знающий человек скажет что то вроде такого: Вот эта микруха готовит сигналы для той, в вот эти две это преобразуют аналог в цифру , а вот сюда возможно подключается СТЭП, ДИР, а эта микруха делит шаг...Mamont писал(а): а ты хочешь использовать всю плату или только микросхему?
Я пока только в одном разобрался что LB1650 - это драйвер ШД или серво мотора. Вот только что он делает на этом драйвере непонимаю, но дорожки от неё не идут на SLA 7029M. Получается, что от этой платы питается ещё моторчик какойто. Пойду посмотрю на принтер повнимательнее.
-
Крылатый
- Опытный
- Сообщения: 124
- Зарегистрирован: 28 мар 2014, 21:40
- Репутация: 28
- Контактная информация:
Re: Драйвер униполярного ШД на SLA7029M
От неё идут провода на какието хрени - возможно датчики оборотов и ещё какие то хрени побольше - может тормоза какието...Крылатый писал(а):Я пока только в одном разобрался что LB1650 - это драйвер ШД или серво мотора. Вот только что он делает на этом драйвере непонимаю, но дорожки от неё не идут на SLA 7029M. Получается, что от этой платы питается ещё моторчик какойто. Пойду посмотрю на принтер повнимательнее.
-
nevkon
- Почётный участник

- Сообщения: 2473
- Зарегистрирован: 17 июл 2015, 10:25
- Репутация: 310
- Настоящее имя: Константин
- Откуда: Балаково (Саратовская обл.)
- Контактная информация:
Re: Драйвер униполярного ШД на SLA7029M
Советую для начала разобраться что такое униполярный и биполярный шаговый двигатель, как они работают, какие драйвера им нужны. Тогда поймете что вероятность использования сигналов степ/дир для униполярных ШД близка к 0 (если конечно вы не сделаете ему контроллер драйвера).
Если просто, то униполярный ШД можно "завести" не имея драйвера вообще, достаточно името под рукой 4 подходящих транзистора. А вот с биполярным такой фокус не пройдет.
Если просто, то униполярный ШД можно "завести" не имея драйвера вообще, достаточно името под рукой 4 подходящих транзистора. А вот с биполярным такой фокус не пройдет.
- megagad
- Почётный участник

- Сообщения: 3207
- Зарегистрирован: 05 апр 2014, 18:57
- Репутация: 712
- Откуда: Реуспублика Крым, Бахчисарай.
- Контактная информация:
Re: Драйвер униполярного ШД на SLA7029M
Извините, но УЧИТЬ вас тут врядли кто-то будетКрылатый писал(а):Я выложил весь расклад по имеющемуся драйверу в надежде, что знающий человек скажет что то вроде такого: Вот эта микруха готовит сигналы для той, в вот эти две это преобразуют аналог в цифру , а вот сюда возможно подключается СТЭП, ДИР, а эта микруха делит шаг...
К слову - LB1650 рулит двумя "муфтами" - одна переключает скоростя(на фото - белая коробка), вторая - тормозная(чёрный цилиндр).
По самой микросхеме - даташит в свободном доступе, изучайте! Ссылку вам на него дали.
We Do What We Must, Because We Can!
Причинять добро, наносить пользу и подвергать ласке.
Причинять добро, наносить пользу и подвергать ласке.
- Mamont
- Мастер
- Сообщения: 2005
- Зарегистрирован: 10 дек 2015, 12:21
- Репутация: 391
- Настоящее имя: Виталий
- Откуда: РБ Минск
- Контактная информация:
Re: Драйвер униполярного ШД на SLA7029M
Если смотреть в общем, какие задачи ставятся перед этим одним шаговым двигателем
-
Крылатый
- Опытный
- Сообщения: 124
- Зарегистрирован: 28 мар 2014, 21:40
- Репутация: 28
- Контактная информация:
Re: Драйвер униполярного ШД на SLA7029M
Базис я встречал уже. Я не знаю значения обозначений в английских описаниях этих микросхем. "H, L, X", треугольник с тремя выходами...megagad писал(а):Извините, но УЧИТЬ вас тут врядли кто-то будет Если вы не знаете(и не понимаете) "базиса" - это бессмысленно.
В ютубе никто не объясняет про этот драйвер ничего.
Вот я начал звонить плату драйвера:
И получается, что SLA 7029M управляется посредствам HC 74, а та в свою очередь - РС240.
Возможно эта плата уже одоптирована под СТЭР ДИР.
-
Крылатый
- Опытный
- Сообщения: 124
- Зарегистрирован: 28 мар 2014, 21:40
- Репутация: 28
- Контактная информация:
Re: Драйвер униполярного ШД на SLA7029M
Крутить левый и правый одновременно привод ось X одним этим ШД.Mamont писал(а):Если смотреть в общем, какие задачи ставятся перед этим одним шаговым двигателем
-
Крылатый
- Опытный
- Сообщения: 124
- Зарегистрирован: 28 мар 2014, 21:40
- Репутация: 28
- Контактная информация:
Re: Драйвер униполярного ШД на SLA7029M
Вот эта идея мне очень нравится.Mamont писал(а):Управлять можно и ардуиной (atmega328), делаешь два канала DAC по 6 бит. с их помощью можно сделать микрошаг 1/16
Эта атмега 328 в магазине у нас есть в наличии.
Программировать удачный опыт из нескольких программ у меня уже есть.
Это я наверное смогу.
Можешь поподробней описать схему и алгоритм?
- Mamont
- Мастер
- Сообщения: 2005
- Зарегистрирован: 10 дек 2015, 12:21
- Репутация: 391
- Настоящее имя: Виталий
- Откуда: РБ Минск
- Контактная информация:
Re: Драйвер униполярного ШД на SLA7029M
Вот тебе схема и диаграмма работы.
Хотя это странная затея ради пары микросхем и слабенького /медленного шагового двигателя . Лучше купить помощнее движки и дешевые драйвера TB6600 , работающие в биполярном режиме
Хотя это странная затея ради пары микросхем и слабенького /медленного шагового двигателя . Лучше купить помощнее движки и дешевые драйвера TB6600 , работающие в биполярном режиме
- megagad
- Почётный участник

- Сообщения: 3207
- Зарегистрирован: 05 апр 2014, 18:57
- Репутация: 712
- Откуда: Реуспублика Крым, Бахчисарай.
- Контактная информация:
Re: Драйвер униполярного ШД на SLA7029M
"Ардуина головного мозга"...Крылатый писал(а):Базис я встречал уже. Я не знаю значения обозначений в английских описаниях этих микросхем. "H, L, X", треугольник с тремя выходами...
В ютубе никто не объясняет про этот драйвер ничего.
Вот я начал звонить плату драйвера:
И получается, что SLA 7029M управляется посредствам HC 74, а та в свою очередь - РС240.
Возможно эта плата уже одоптирована под СТЭР ДИР.
Для понятия БАЗИСА нужно не просто "встречать" - ЕГО НУЖНО ЗНАТЬ! Тогда не возникнет вопросов про буквы и "треугольники"!!!
Ах. да - H - высокий уровень, L - низкий, X - "высокого сопротивления" или вообще не подключён. Треугольники - операционные усилители
А толку - человек не знает НИЧЕГО. Толку ему от схемы и графиков? Вы ему на пальцах покажите куда какие проводки припаять - тогда может и поймёт. Это поколение уже потеряно...Mamont писал(а):Вот тебе схема и диаграмма работы.
We Do What We Must, Because We Can!
Причинять добро, наносить пользу и подвергать ласке.
Причинять добро, наносить пользу и подвергать ласке.