ТВ-16 + эл. гитара (может потом и полноценный ЧПУ)

Токарные станки с ЧПУ.
Аватара пользователя
xenon-alien
Почётный участник
Почётный участник
Сообщения: 4520
Зарегистрирован: 01 янв 2013, 13:13
Репутация: 925
Настоящее имя: Daniel
Откуда: Закарпатская обл. Украина
Контактная информация:

Re: ТВ-16 + эл. гитара (может потом и полноценный ЧПУ)

Сообщение xenon-alien »

rage писал(а):
xenon-alien писал(а):Даже фрезу затачивали (шлифовали)
эм.. фрезами не шлифуют, фрезами фрезеруют. Шлифуют камнем.
С фрезы 60 градусов делали фрезу 65 градусов. Я так понимаю, что они её шлифовали камнем, что бы получить нужный профиль.
Державку сначала фрезернули под этот ластохвост 65 градусов, а потом и шлифанули для точности камнем под эти 65 градусов.
Короче, мне это так объяснили.
Аватара пользователя
mikehv
Мастер
Сообщения: 2115
Зарегистрирован: 14 авг 2013, 10:10
Репутация: 1175
Откуда: Иваново
Контактная информация:

Re: ТВ-16 + эл. гитара (может потом и полноценный ЧПУ)

Сообщение mikehv »

xenon-alien писал(а):
rage писал(а):
xenon-alien писал(а):Даже фрезу затачивали (шлифовали)
эм.. фрезами не шлифуют, фрезами фрезеруют. Шлифуют камнем.
С фрезы 60 градусов делали фрезу 65 градусов. Я так понимаю, что они её шлифовали камнем, что бы получить нужный профиль.
Державку сначала фрезернули, а потом и шлифанули для точности.
Не шлифовали, а затачивали :)
Аватара пользователя
rage
Мастер
Сообщения: 1014
Зарегистрирован: 13 окт 2014, 09:14
Репутация: 621
Настоящее имя: Константин
Откуда: МО
Контактная информация:

Re: ТВ-16 + эл. гитара (может потом и полноценный ЧПУ)

Сообщение rage »

xenon-alien писал(а):Короче, мне это так объяснили.
Короче проехались по ушам. Фрезернули + напильник. Шлифованной поверхностью там и не пахнет.
Аватара пользователя
xenon-alien
Почётный участник
Почётный участник
Сообщения: 4520
Зарегистрирован: 01 янв 2013, 13:13
Репутация: 925
Настоящее имя: Daniel
Откуда: Закарпатская обл. Украина
Контактная информация:

Re: ТВ-16 + эл. гитара (может потом и полноценный ЧПУ)

Сообщение xenon-alien »

mikehv писал(а):
xenon-alien писал(а): С фрезы 60 градусов делали фрезу 65 градусов. Я так понимаю, что они её шлифовали камнем, что бы получить нужный профиль.
Державку сначала фрезернули, а потом и шлифанули для точности.
Не шлифовали, а затачивали :)
Ок.
Всё терминологию не освою.
Не часто пользуюсь ей и постоянно забываю, какой процесс как правильно называется.
Аватара пользователя
xenon-alien
Почётный участник
Почётный участник
Сообщения: 4520
Зарегистрирован: 01 янв 2013, 13:13
Репутация: 925
Настоящее имя: Daniel
Откуда: Закарпатская обл. Украина
Контактная информация:

Re: ТВ-16 + эл. гитара (может потом и полноценный ЧПУ)

Сообщение xenon-alien »

rage писал(а):
xenon-alien писал(а):Короче, мне это так объяснили.
Короче проехались по ушам. Фрезернули + напильник. Шлифованной поверхностью там и не пахнет.
Наверное...
К ластохвостам у меня претензий нет, но общим результатом не доволен, но лучшего от них не получу.
20181207_224813.jpg (3154 просмотра) <a class='original' href='./download/file.php?id=152169&mode=view' target=_blank>Загрузить оригинал (3.12 МБ)</a>
Как выше писал, там работающие ребята поразъежались, которые выдавали приемлемую деталь на вид.

Так этот мужик мне заднюю бабку напильником правил для быстрого зажима. Размер плавал от 13-14 мм в диаметре.
(была бы сверлилка и несколько параллелек, то на своем ЧПУ понемногу сделал бы и сам)
Так пришлось обратно везти и уже профрезеровал, как положено. (лень было параллельки найти и зафиксировать)
ZB_001.jpg (3154 просмотра) <a class='original' href='./download/file.php?id=152168&mode=view' target=_blank>Загрузить оригинал (234.08 КБ)</a>
А теперь 15-15,5 мм диаметр получился
20181207_225850.jpg (3144 просмотра) <a class='original' href='./download/file.php?id=152171&mode=view' target=_blank>Загрузить оригинал (2.87 МБ)</a>
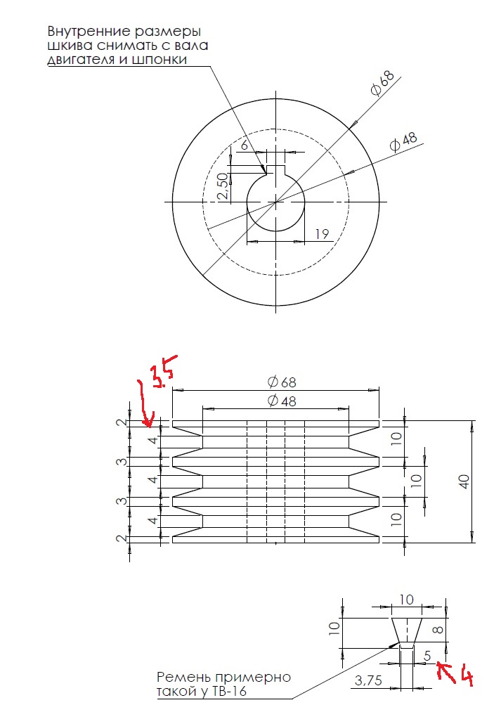
Шкив - вместо 68 мм диаметра сделал 58.
Глубина канавки должна была быть 10 мм (48 мм диам.) получилось 8мм (42 мм диам.)
Нашел типа свой ремень. А мой доставал ко дну канавки.
20181206_150314.jpg (3140 просмотров) <a class='original' href='./download/file.php?id=152173&mode=view' target=_blank>Загрузить оригинал (2.85 МБ)</a>
20181206_150354.jpg (3140 просмотров) <a class='original' href='./download/file.php?id=152174&mode=view' target=_blank>Загрузить оригинал (3.12 МБ)</a>
А я так и не понял что за профиль должен там быть. Сделал шаблон из бумаги по шкиву ПБ.
Где-то пишут "А", или же "О". А по размеру моего ремня получается вообще "УО" профиль.
shkiv 001.jpg (3140 просмотров) <a class='original' href='./download/file.php?id=152172&mode=view' target=_blank>Загрузить оригинал (103.01 КБ)</a>
Перемерял ещё раз, красным отметил новые значения (шкив чертил по чипмейкерским темам про ТВ-16) до этого намерял, как на чертеже.
Аватара пользователя
aegis
Мастер
Сообщения: 3171
Зарегистрирован: 22 мар 2012, 06:59
Репутация: 1810
Настоящее имя: Михайло
Откуда: Україна, Конотоп=>Запоріжжя=>Харьків

Re: ТВ-16 + эл. гитара (может потом и полноценный ЧПУ)

Сообщение aegis »

xenon-alien писал(а):общим результатом не доволен, но лучшего от них не получу.
ну так надо забивать на них и больше не обращаться. ты же им настоящие деньги даешь а не фальшивые... пусть они и детали делают соответствующим качеством
нікому нічого не нав'язую.
Аватара пользователя
xenon-alien
Почётный участник
Почётный участник
Сообщения: 4520
Зарегистрирован: 01 янв 2013, 13:13
Репутация: 925
Настоящее имя: Daniel
Откуда: Закарпатская обл. Украина
Контактная информация:

Re: ТВ-16 + эл. гитара (может потом и полноценный ЧПУ)

Сообщение xenon-alien »

aegis писал(а):ну так надо забивать на них и больше не обращаться. ты же им настоящие деньги даешь а не фальшивые... пусть они и детали делают соответствующим качеством
А к кому обратиться тогда? Я пока-что других вариантов не нашел.
Максимум сам стану и сам буду пытаться сделать там у них. (он мне сам предложил, ставай и делай сам если хочешь, но я то без опыта и не мое оборудование, ещё сломаю что-то... а так - почему бы и не попробовать)
И знаю, что ребятам на форуме и так работы хватает. А за одиночные детали мало кто возьмется в Украине. + пересылки.
Или есть варианты? Если кто возьмется, я только буду рад.
sas_75
Мастер
Сообщения: 463
Зарегистрирован: 10 мар 2015, 11:03
Репутация: 115
Настоящее имя: Сергей
Откуда: Владивосток
Контактная информация:

Re: ТВ-16 + эл. гитара (может потом и полноценный ЧПУ)

Сообщение sas_75 »

Живут же люди! Предлагают самому встать за станок и сделать, а не хотят. Далеко не у всех есть такая возможность, даже за отдельную плату. Зависть белая...
Аватара пользователя
xenon-alien
Почётный участник
Почётный участник
Сообщения: 4520
Зарегистрирован: 01 янв 2013, 13:13
Репутация: 925
Настоящее имя: Daniel
Откуда: Закарпатская обл. Украина
Контактная информация:

Re: ТВ-16 + эл. гитара (может потом и полноценный ЧПУ)

Сообщение xenon-alien »

sas_75 писал(а):Живут же люди! Предлагают самому встать за станок и сделать, а не хотят. Далеко не у всех есть такая возможность, даже за отдельную плату. Зависть белая...
Хотеть - то хочу сам попробовать, но только не на чужом оборудовании.
Вы же понимаете, что опыта ноль?
А человек мне не станет объяснять, что и как делать (станки бывают и с "подвохом" а упомянуть забудет и полетели шестеренки).
Я даже не знаю как включить тот, или иной станок... (не говоря о режимах резания, включении подач, где какой инструмент лежит, оснастка, ну и т.п.)
У меня, как на зло, чужой инструмент ломается, или когда я даю свой, то у них ломается мой.
И с тех пор я только со своим инструментом работаю. Не прошу у других и сам не даю.
А если и прошу, то вместе с хозяином. Или же я иду со своим.
Аватара пользователя
xenon-alien
Почётный участник
Почётный участник
Сообщения: 4520
Зарегистрирован: 01 янв 2013, 13:13
Репутация: 925
Настоящее имя: Daniel
Откуда: Закарпатская обл. Украина
Контактная информация:

Re: ТВ-16 + эл. гитара (может потом и полноценный ЧПУ)

Сообщение xenon-alien »

Хоть какой-то прогресс...
До
20181107_135842.jpg (2979 просмотров) <a class='original' href='./download/file.php?id=152726&mode=view' target=_blank>Загрузить оригинал (3.15 МБ)</a>
После
20181215_201028.jpg (2986 просмотров) <a class='original' href='./download/file.php?id=152724&mode=view' target=_blank>Загрузить оригинал (2.44 МБ)</a>
20181215_195810.jpg (2986 просмотров) <a class='original' href='./download/file.php?id=152723&mode=view' target=_blank>Загрузить оригинал (2.3 МБ)</a>
Аватара пользователя
xenon-alien
Почётный участник
Почётный участник
Сообщения: 4520
Зарегистрирован: 01 янв 2013, 13:13
Репутация: 925
Настоящее имя: Daniel
Откуда: Закарпатская обл. Украина
Контактная информация:

Re: ТВ-16 + эл. гитара (может потом и полноценный ЧПУ)

Сообщение xenon-alien »

Подъехало немного комплектухи. :)
20181225_162552.jpg (2867 просмотров) <a class='original' href='./download/file.php?id=153286&mode=view' target=_blank>Загрузить оригинал (4.4 МБ)</a>
20181225_162617.jpg (2867 просмотров) <a class='original' href='./download/file.php?id=153287&mode=view' target=_blank>Загрузить оригинал (4.35 МБ)</a>
Аватара пользователя
xenon-alien
Почётный участник
Почётный участник
Сообщения: 4520
Зарегистрирован: 01 янв 2013, 13:13
Репутация: 925
Настоящее имя: Daniel
Откуда: Закарпатская обл. Украина
Контактная информация:

Re: ТВ-16 + эл. гитара (может потом и полноценный ЧПУ)

Сообщение xenon-alien »

Всем привет!
Соорудил простенький блок управления. (защиту позже добавлю, которую планировал)
El.Box 001.JPG (2815 просмотров) <a class='original' href='./download/file.php?id=153476&mode=view' target=_blank>Загрузить оригинал (627.55 КБ)</a>
20181228_195053.jpg (2815 просмотров) <a class='original' href='./download/file.php?id=153475&mode=view' target=_blank>Загрузить оригинал (3.98 МБ)</a>
Сегодня был долгожданный мной первый запуск! :ura:
https://www.youtube.com/watch?v=IjXYhJD3lhg

Не знаю, удастся ли пустить в этом году первую в моей жизни стружку. :thinking:
Но мне что-то ремень не нравится. Как будто шишка на нем, как на велосипедной шине бывает... :(
И на максимальных оборотах начинает вибрировать очень сильно. (движок 1390 об/мин)
Наверное придется заменить ремень.
Аватара пользователя
aegis
Мастер
Сообщения: 3171
Зарегистрирован: 22 мар 2012, 06:59
Репутация: 1810
Настоящее имя: Михайло
Откуда: Україна, Конотоп=>Запоріжжя=>Харьків

Re: ТВ-16 + эл. гитара (может потом и полноценный ЧПУ)

Сообщение aegis »

ручка включения далековата думается мне
нікому нічого не нав'язую.
Adskiydart
Опытный
Сообщения: 145
Зарегистрирован: 30 сен 2016, 19:23
Репутация: 14
Контактная информация:

Re: ТВ-16 + эл. гитара (может потом и полноценный ЧПУ)

Сообщение Adskiydart »

Да то просто дверки открыты, если нормально встать то там всё под рукой будет.
Аватара пользователя
xenon-alien
Почётный участник
Почётный участник
Сообщения: 4520
Зарегистрирован: 01 янв 2013, 13:13
Репутация: 925
Настоящее имя: Daniel
Откуда: Закарпатская обл. Украина
Контактная информация:

Re: ТВ-16 + эл. гитара (может потом и полноценный ЧПУ)

Сообщение xenon-alien »

aegis писал(а):ручка включения далековата думается мне
Стол метровый. Так что всё под рукой, если стоять по центру.
Правда сильно выступает, так что нужно будет немного утопить. (как прикуплю реноватор-мультитул - поправлю этот "косяк")
С правой стороны будет такая же коробка для продольной и поперечной подачи. (с лимитами)

Почистил немного токарный патрон и биение зажатого вала почти 0,8 мм , что с прямыми, что с обратными кулачками (обратные кулачки почти нульцовые - видимо ими мало пользовались)
Возле посадки патрона 0,03-0,04 мм.
https://www.youtube.com/watch?v=6WZc9HDSCIc
КМ3 в шпинделе 0,03мм.
Придется покупать новый токарный патрон д100 мм. :(

Может кто подсказать, бывают ли клиновидные ремни, которые можно разомкнуть? (это что бы не разбирать переднюю бабку)
Последний раз редактировалось xenon-alien 29 дек 2018, 19:40, всего редактировалось 1 раз.
nik1
Мастер
Сообщения: 8408
Зарегистрирован: 02 окт 2012, 07:37
Репутация: 3629
Откуда: Красногорск
Контактная информация:

Re: ТВ-16 + эл. гитара (может потом и полноценный ЧПУ)

Сообщение nik1 »

Чет таких не попадалось
Да и как сделать замок на клиновом ремне :wik:
Аватара пользователя
aegis
Мастер
Сообщения: 3171
Зарегистрирован: 22 мар 2012, 06:59
Репутация: 1810
Настоящее имя: Михайло
Откуда: Україна, Конотоп=>Запоріжжя=>Харьків

Re: ТВ-16 + эл. гитара (может потом и полноценный ЧПУ)

Сообщение aegis »

xenon-alien писал(а):это что бы не разбирать переднюю бабку
там задняя опора "вынимается" а передний дуплекс можно не трогать
нікому нічого не нав'язую.
Аватара пользователя
Vladimir52
Мастер
Сообщения: 390
Зарегистрирован: 31 май 2017, 15:48
Репутация: 51
Настоящее имя: Владимир
Контактная информация:

Re: ТВ-16 + эл. гитара (может потом и полноценный ЧПУ)

Сообщение Vladimir52 »

nik1 писал(а):Да и как сделать замок на клиновом ремне
Я на вот такой заменил
myford-ml7-link-belt-fitted-to-headstock-667x500.jpg (2699 просмотров) <a class='original' href='./download/file.php?id=153577&mode=view' target=_blank>Загрузить оригинал (41.25 КБ)</a>
467051.jpg (2699 просмотров) <a class='original' href='./download/file.php?id=153578&mode=view' target=_blank>Загрузить оригинал (57.36 КБ)</a>
Аватара пользователя
xenon-alien
Почётный участник
Почётный участник
Сообщения: 4520
Зарегистрирован: 01 янв 2013, 13:13
Репутация: 925
Настоящее имя: Daniel
Откуда: Закарпатская обл. Украина
Контактная информация:

Re: ТВ-16 + эл. гитара (может потом и полноценный ЧПУ)

Сообщение xenon-alien »

Vladimir52 писал(а):
nik1 писал(а):Да и как сделать замок на клиновом ремне
Я на вот такой заменил
myford-ml7-link-belt-fitted-to-headstock-667x500.jpg
467051.jpg
А как такой найти?
Как называется?
Или как сделать?
Аватара пользователя
Vladimir52
Мастер
Сообщения: 390
Зарегистрирован: 31 май 2017, 15:48
Репутация: 51
Настоящее имя: Владимир
Контактная информация:

Re: ТВ-16 + эл. гитара (может потом и полноценный ЧПУ)

Сообщение Vladimir52 »

xenon-alien писал(а):А как такой найти?
Как называется?
Или как сделать?
На всемирной барахолке, по ключевым словам Link V Belt. Можно по погонным метрам купить, но дороговато. Я покупал для конкретного станка в RDG Tools.
Ответить

Вернуться в «Токарные станки»