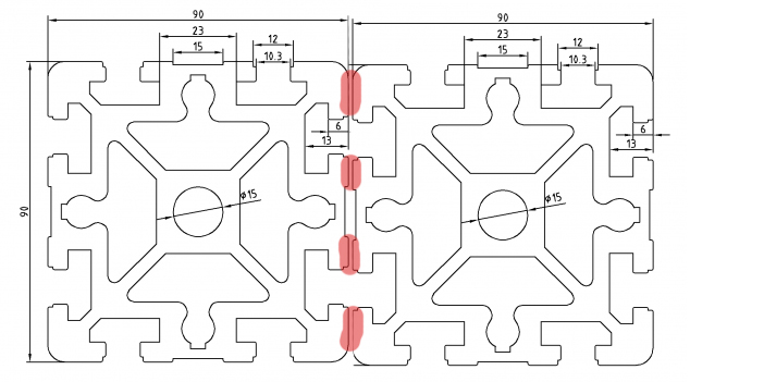
Почитал я выходные, посчитал: Пришел к выводу, что делать станину из профиля 90*90, это как зарыть деньги в землю. Основной минус, в том что профиль не реально соединить по длине

- напомню сечение профиля
Сверлиться через центр, как с прямоугольным профилем это бред и изврат. Соединенный только у торцов, не будет работать плитой. Собранный сверху и снизу на плиты.... Цена на станину 600*1000 = 32 000р +2 плиты сверху снизу + крепеж... больше 40 000 только за пустую станину... Мне кажется за эту сумму уже железо с обработкой где то рядом...
Если же взять Профильную трубу АД31Т1 80*40*4 на ребро. Собрать на крепеж и смолу. Жесткость будет в разы выше. В первую очередь за счет плоскости соприкосновения между профилями. При этом стоимость плиты укладывается в 20 000. Если профиль расположить плашмя то 10 000. Ситуацию также печалит тот факт, что Алюмика продает 90*90 только по 3 метра... а это 16 500.
Профиль же на балку можно взять такой
Его продают по 1м ~ 4000р, и при желании можно взять 3 метра за 12 000 и его так же положить под рельсы Х
И что то не могу пока придумать из чего делать сам стол. чтобы не сильно толстый. В каталоге поставщиков есть АМГ2Н 32*18*4. АМГ2Н пойдет на стол? (если он еще в наличие есть..) а поверх него, перпендикулярно. Плиту с Т-пазом. Толщина стенок 3мм

- aluminum profile 100x16.jpg (3.23 КБ) 2977 просмотров
?
И еще для себя хотел бы понять один момент, связанный с желанием заполнить профиль чем нибудь. Прощу прощения за глупые вопросы, но я не механик, я электронщик и сопромат изучал в общем виде. Так вот жесткость к которой так стремимся, она должна предотвратить от вибраций, сдвинуть их в сторону более низких частот, тем самым избежать резонанса? Тогда может имеет смысл в более мягких материалах? Станину делают из чугуна т.к. он мягче стали, и больше поглощает колебаний? В одной из тем Графа видел предложение (не от Графа), обклеить внутреннюю полость профиля автомобильной вибро изоляцией. Она очень хорошо липнет сохраняет свои свойства длительный период времени. Но там использовался фольгированный материал. В свое время на авторынках был и не фольгированный, к нему уже возможно клеить что то еще. А если после обклейки полость еще и заполнить чем то похожим на битумную мастику? Как минимум петь станет тише? может толк выйдет? или заполнять надо непременно чем то твердым?