SVP писал(а): ↑31 май 2021, 13:14
1. Никто вникать увы не будет, выж не хотите документацию читать, вот и мы не хотим

.
2. ШИМ мультиметром не померять, осцилограф надо..., либо сделайте RC-фильтр и меряйте после него.
3. Что там входы, что выходы знать не знаю, однако некоторые устройства имеют в своем составе "повышайку", а некоторые не имеют, и тогда в документации написано "до ХХ вольт, но не более чем подано".
1. Очень хочу,читаю и перечитываю, просто уровень компетенции не даёт понять всё, что там написано. Даже уже обратился к англоязычной документации. Потихонечку что-то становится ясно, но вот например то что вы написали в пункте два, я не знал. Это уже требует более фундаментального бэкграунда. Спасибо что сказали, сэкономите мне массу времени. Про то что никто не хочет вникать, так я не просто так предлагаю расплатиться. Я прекрасно понимаю что мои проблемы могу стать чужими добровольно только за деньги.
3. По входам выходам детальной инфы я пока не нашёл. Но потихоньку обрастаю новыми мануалами.
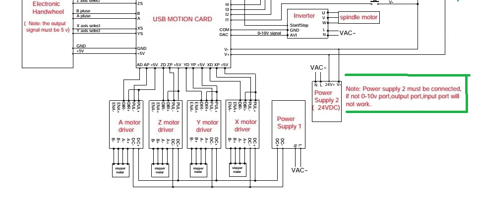
вот напимер нашел вот такой даташит. Правда он для платы более ранней ревизии. Нет 10в клеммы.
Кстати я так и разобрался это клемма выводит 10в или принимает. Ведь рядом 5в приходит с БП.
Я уже утратил надежду, что мне комплексно кто-то поможет, вот иногда заскакивает кто-нить и подкинет мне крупицу ценной инфы.
Это дело мне придётся добить, выбора нет другого. Потом отчитаюсь, авось кому еще поможет.
xvovanx писал(а): ↑31 май 2021, 13:42
digiTALker писал(а): ↑
Потому как у меня на плату приходит 5 вольт только, и я вот задумался а как она сделает 10?! Будет преобразовывать или мне их надо подать, чтобы ШИМ мог их использовать?
Гляньте на вами выложенную схему в первом сообщении, особое внимание на пины двух плат 24V-24V...
Правильно ли я понимаю ход вашей мысли, что плате управления можно подкормить 24в извне, и тогда у неё хватит мощи генерить 10в?
Кстати что касается ШИМ и померять его мультиметром...
В документации сказано что у моей платы
В версии платы 2016г имеется встроенный конвертер ШИМ – Аналоговое
напряжение.
Не требует настройки, необходимые параметры встроены в плагин к Mach3.
Должно быть включено управление ШИМ, как описано выше.
Именно эту схему я и прикладывал выше. Означает ли это, что мультиметр должен таки выдавать значения осмысленные?
Имею фрезерный ЧПУ 250кг весом, рама профиль 150х150. Стол 300х600.

Nema 24 c энкодерами. Оси ХУ 20ки

китайские. Плата

RNR CNC bsmce04u-pp. Инвертор KINDA KD200.

Шпиндель 2.2kwt.
Два 3D принтера

. ZAV MAX PRO и самопал-дрыгостол - для нейлона.