Подключение MPG маховика(всё зароботало)
-
taraskin
- Новичок
- Сообщения: 30
- Зарегистрирован: 31 мар 2018, 09:23
- Репутация: 2
- Контактная информация:
Подключение MPG маховика(всё зароботало)
Народ , помогите в подключении и настройке етого зверя. Уже 2 дня не получаеться разобратся.
Последний раз редактировалось taraskin 27 дек 2018, 03:12, всего редактировалось 1 раз.
-
nkp
- Мастер
- Сообщения: 8340
- Зарегистрирован: 28 ноя 2011, 00:25
- Репутация: 1589
- Контактная информация:
Re: Подключение MPG моховика
что получается,а что нет?
конфиг есть?
больше инфы пож.
конфиг есть?
больше инфы пож.
-
taraskin
- Новичок
- Сообщения: 30
- Зарегистрирован: 31 мар 2018, 09:23
- Репутация: 2
- Контактная информация:
Re: Подключение MPG моховика
Я создал jog.hal для MPG
# Jog Pendant
loadrt encoder num_chan=1
loadrt mux4 count=1
addf encoder.capture-position servo-thread
addf encoder.update-counters base-thread
addf mux4.0 servo-thread
# If your MPG outputs a quadrature signal per click set x4 to 1
# If your MPG puts out 1 pulse per click set x4 to 0
setp encoder.0.x4-mode 0
# For velocity mode, set to 1
# In velocity mode the axis stops when the dial is stopped
# even if that means the commanded motion is not completed,
# For position mode (the default), set to 0
# In position mode the axis will move exactly jog-scale
# units for each count, regardless of how long that might take,
setp axis.0.jog-vel-mode 0
setp axis.1.jog-vel-mode 0
setp axis.2.jog-vel-mode 0
# This sets the scale that will be used based on the input to the mux4
setp mux4.0.in0 0.1
setp mux4.0.in1 0.01
setp mux4.0.in2 0.001
# The inputs to the mux4 component
net scale1 mux4.0.sel0 <= hm2_7i76e.0.7i76.0.0.input-24
net scale2 mux4.0.sel1 <= hm2_7i76e.0.7i76.0.0.input-25
# The output from the mux4 is sent to each axis jog scale
net mpg-scale <= mux4.0.out
net mpg-scale => axis.0.jog-scale
net mpg-scale => axis.1.jog-scale
net mpg-scale => axis.2.jog-scale
# The MPG inputs
net mpg-a encoder.0.phase-A <= hm2_7i76e.0.7i76.0.0.input-16
net mpg-b encoder.0.phase-B <= hm2_7i76e.0.7i76.0.0.input-17
# The Axis select inputs
net mpg-x axis.0.jog-enable <= hm2_7i76e.0.7i76.0.0.input-20
net mpg-y axis.1.jog-enable <= hm2_7i76e.0.7i76.0.0.input-21
net mpg-z axis.2.jog-enable <= hm2_7i76e.0.7i76.0.0.input-22
# The encoder output counts to the axis. Only the selected axis will move.
net encoder-counts <= encoder.0.counts
net encoder-counts => axis.0.jog-counts
net encoder-counts => axis.1.jog-counts
net encoder-counts => axis.2.jog-counts
# Jog Pendant
loadrt encoder num_chan=1
loadrt mux4 count=1
addf encoder.capture-position servo-thread
addf encoder.update-counters base-thread
addf mux4.0 servo-thread
# If your MPG outputs a quadrature signal per click set x4 to 1
# If your MPG puts out 1 pulse per click set x4 to 0
setp encoder.0.x4-mode 0
# For velocity mode, set to 1
# In velocity mode the axis stops when the dial is stopped
# even if that means the commanded motion is not completed,
# For position mode (the default), set to 0
# In position mode the axis will move exactly jog-scale
# units for each count, regardless of how long that might take,
setp axis.0.jog-vel-mode 0
setp axis.1.jog-vel-mode 0
setp axis.2.jog-vel-mode 0
# This sets the scale that will be used based on the input to the mux4
setp mux4.0.in0 0.1
setp mux4.0.in1 0.01
setp mux4.0.in2 0.001
# The inputs to the mux4 component
net scale1 mux4.0.sel0 <= hm2_7i76e.0.7i76.0.0.input-24
net scale2 mux4.0.sel1 <= hm2_7i76e.0.7i76.0.0.input-25
# The output from the mux4 is sent to each axis jog scale
net mpg-scale <= mux4.0.out
net mpg-scale => axis.0.jog-scale
net mpg-scale => axis.1.jog-scale
net mpg-scale => axis.2.jog-scale
# The MPG inputs
net mpg-a encoder.0.phase-A <= hm2_7i76e.0.7i76.0.0.input-16
net mpg-b encoder.0.phase-B <= hm2_7i76e.0.7i76.0.0.input-17
# The Axis select inputs
net mpg-x axis.0.jog-enable <= hm2_7i76e.0.7i76.0.0.input-20
net mpg-y axis.1.jog-enable <= hm2_7i76e.0.7i76.0.0.input-21
net mpg-z axis.2.jog-enable <= hm2_7i76e.0.7i76.0.0.input-22
# The encoder output counts to the axis. Only the selected axis will move.
net encoder-counts <= encoder.0.counts
net encoder-counts => axis.0.jog-counts
net encoder-counts => axis.1.jog-counts
net encoder-counts => axis.2.jog-counts
-
taraskin
- Новичок
- Сообщения: 30
- Зарегистрирован: 31 мар 2018, 09:23
- Репутация: 2
- Контактная информация:
Re: Подключение MPG моховика
Я сделал все как описывали здесь по ссылке http://linuxcnc.org/docs/ja/html/examples/mpg.html
-
nkp
- Мастер
- Сообщения: 8340
- Зарегистрирован: 28 ноя 2011, 00:25
- Репутация: 1589
- Контактная информация:
Re: Подключение MPG моховика
Открой в halshow пины из этого hal файла.
Понаблдай , как проходят сигналы( есть ли count, проходит ли enable,
что на пинах scale).
Всё сразу станет ясно.
Понаблдай , как проходят сигналы( есть ли count, проходит ли enable,
что на пинах scale).
Всё сразу станет ясно.
-
nkp
- Мастер
- Сообщения: 8340
- Зарегистрирован: 28 ноя 2011, 00:25
- Репутация: 1589
- Контактная информация:
Re: Подключение MPG моховика
Halshow в меню "Станок"
-
taraskin
- Новичок
- Сообщения: 30
- Зарегистрирован: 31 мар 2018, 09:23
- Репутация: 2
- Контактная информация:
Re: Подключение MPG моховика
Проблема в том что когда я подключаю jog.hal у меня не включается linuxcnc. У меня маховик для чпу имеет 4 вихода . Я подключил только А, В а другие 2 оставил неподключенними.
-
nkp
- Мастер
- Сообщения: 8340
- Зарегистрирован: 28 ноя 2011, 00:25
- Репутация: 1589
- Контактная информация:
Re: Подключение MPG моховика
а что пишет в ошибке?taraskin писал(а):у меня не включается linuxcnc
- Serg
- Мастер
- Сообщения: 21923
- Зарегистрирован: 17 апр 2012, 14:58
- Репутация: 5183
- Заслуга: c781c134843e0c1a3de9
- Настоящее имя: Сергей
- Откуда: Москва
- Контактная информация:
Re: Подключение MPG моховика
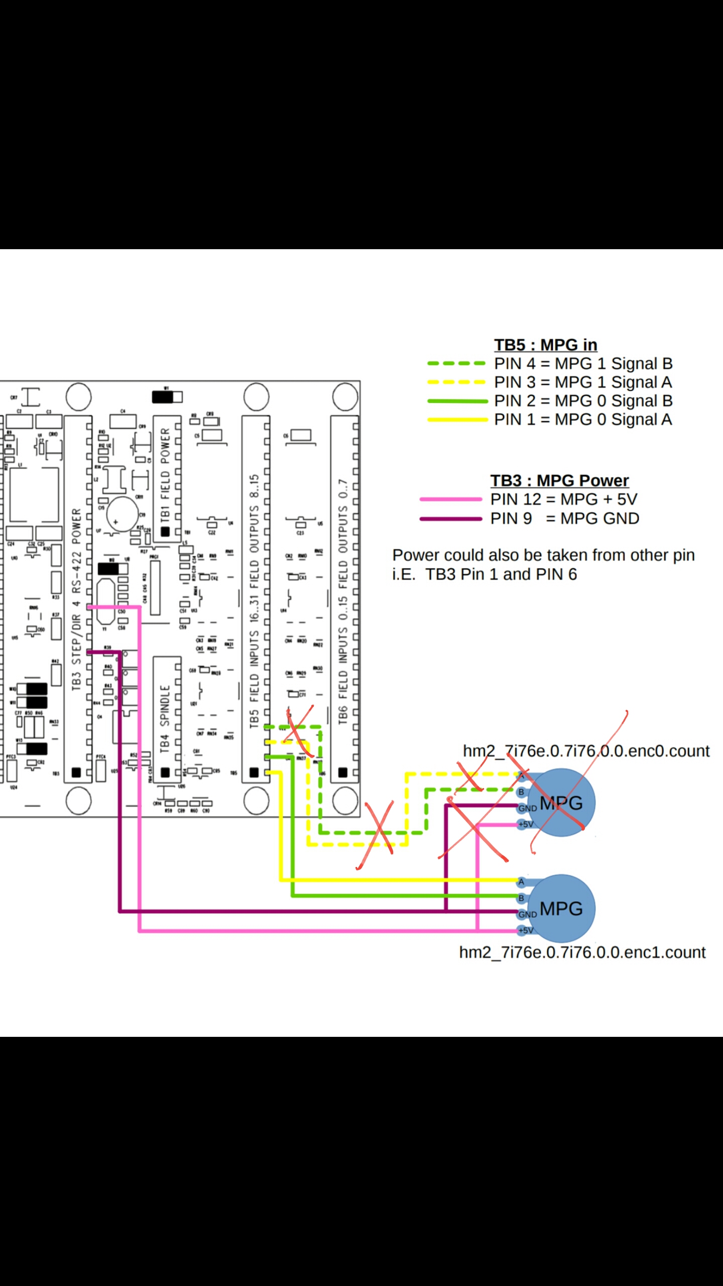
Так не будет работать - часть платы, откуда берётся 5В гальванически развязана от той части, где входы.taraskin писал(а):Схема подключения
Я не Христос, рыбу не раздаю, но могу научить, как сделать удочку...
-
taraskin
- Новичок
- Сообщения: 30
- Зарегистрирован: 31 мар 2018, 09:23
- Репутация: 2
- Контактная информация:
Re: Подключение MPG моховика
Подскажите как лучше подключить?Потому что я не могу разобраться.
-
AlekseySP
- Опытный
- Сообщения: 128
- Зарегистрирован: 28 дек 2016, 03:25
- Репутация: 32
- Настоящее имя: Алексей
- Контактная информация:
Re: Подключение MPG моховика
А ты переключил плату в MODE 2 для того чтобы заработали энкодеры? Это делается или через визард или ручками меняем sserial_port_0=0xxxx на sserial_port_0=2xxxx в HAL.
Re: Конфигурация EMC2 LinuxCNC #1290
Re: Конфигурация EMC2 LinuxCNC #1290
- Serg
- Мастер
- Сообщения: 21923
- Зарегистрирован: 17 апр 2012, 14:58
- Репутация: 5183
- Заслуга: c781c134843e0c1a3de9
- Настоящее имя: Сергей
- Откуда: Москва
- Контактная информация:
Re: Подключение MPG моховика
Плата состоит из двух частей гальванически изолированных друг от друга и каждая имеет свои собственные клеммы для подключения питания. В вашем варианте включения придётся соединить минусы обоих источников.taraskin писал(а):Подскажите как лучше подключить?Потому что я не могу разобраться.
этот jog.hal не для такого режима.AlekseySP писал(а):А ты переключил плату в MODE 2 для того чтобы заработали энкодеры? Это делается или через визард или ручками меняем sserial_port_0=0xxxx на sserial_port_0=2xxxx в HAL.
Я не Христос, рыбу не раздаю, но могу научить, как сделать удочку...
-
taraskin
- Новичок
- Сообщения: 30
- Зарегистрирован: 31 мар 2018, 09:23
- Репутация: 2
- Контактная информация:
Re: Подключение MPG моховика
Получилось подключить MPG к плате. На осцелографе показывает что импульсы приходят, но при подключение хала всё идет в аларм. Может кто-то поделится робочим халом для маховика ?
-
AlekseySP
- Опытный
- Сообщения: 128
- Зарегистрирован: 28 дек 2016, 03:25
- Репутация: 32
- Настоящее имя: Алексей
- Контактная информация:
Re: Подключение MPG моховика
Из мануала 7i76:UAVpilot писал(а):этот jog.hal не для такого режима.
-
taraskin
- Новичок
- Сообщения: 30
- Зарегистрирован: 31 мар 2018, 09:23
- Репутация: 2
- Контактная информация:
Re: Подключение MPG моховика
Я перейшол уже на mode 2 через визард, но не роботает 
-
AlekseySP
- Опытный
- Сообщения: 128
- Зарегистрирован: 28 дек 2016, 03:25
- Репутация: 32
- Настоящее имя: Алексей
- Контактная информация:
Re: Подключение MPG моховика
А в halscop энкодер появился?
- Serg
- Мастер
- Сообщения: 21923
- Зарегистрирован: 17 апр 2012, 14:58
- Репутация: 5183
- Заслуга: c781c134843e0c1a3de9
- Настоящее имя: Сергей
- Откуда: Москва
- Контактная информация:
Re: Подключение MPG моховика
Я читал этот мануал. Но в отличии от вас я ещё и пробовал этот режим. Поэтому и утверждаю, что представленный тут jog.hal не для "Mode 2".AlekseySP писал(а):Из мануала 7i76:
Я не Христос, рыбу не раздаю, но могу научить, как сделать удочку...
-
taraskin
- Новичок
- Сообщения: 30
- Зарегистрирован: 31 мар 2018, 09:23
- Репутация: 2
- Контактная информация:
Re: Подключение MPG моховика
Уважаемый Сергей , может вы мне обьясните, как настроить всё. Электроника работает корректно , осталось только настроить программу.