Сравнение бюджетных систем управления ЧПУ

Контроллеры, драйверы, датчики, управляющие устройства.
Аватара пользователя
michael-yurov
Почётный участник
Почётный участник
Сообщения: 11731
Зарегистрирован: 26 июл 2012, 00:10
Репутация: 4703
Настоящее имя: Михаил Львович
Откуда: Новоуральск
Контактная информация:

Re: Сравнение бюджетных систем управления ЧПУ

Сообщение michael-yurov »

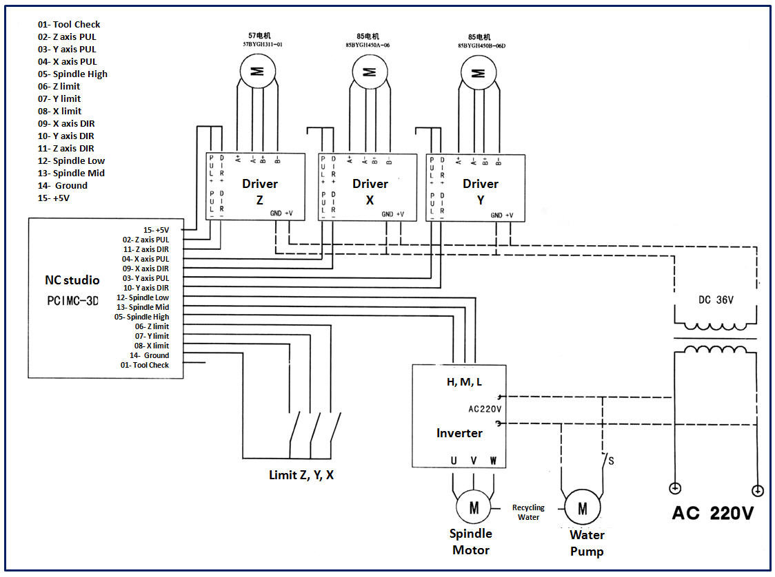
NCStudio PCI-3D
Вложения
IMAG0481.jpg (5866 просмотров) <a class='original' href='./download/file.php?id=12688&mode=view' target=_blank>Загрузить оригинал (728.58 КБ)</a>
vmarkiv
Мастер
Сообщения: 516
Зарегистрирован: 21 янв 2012, 00:23
Репутация: 32
Откуда: Ивано-Франковск
Контактная информация:

Re: Сравнение бюджетных систем управления ЧПУ

Сообщение vmarkiv »

Схему самой платы ,электрическую принципиальную , с прошивками ...
Аватара пользователя
michael-yurov
Почётный участник
Почётный участник
Сообщения: 11731
Зарегистрирован: 26 июл 2012, 00:10
Репутация: 4703
Настоящее имя: Михаил Львович
Откуда: Новоуральск
Контактная информация:

Re: Сравнение бюджетных систем управления ЧПУ

Сообщение michael-yurov »

vmarkiv писал(а):Схему самой платы ,электрическую принципиальную , с прошивками ...
Берешь плату, да копируешь, и схему и прошивки.
Плата двусторонняя. Стоит все это дело копейки, так что проблем не вижу, кроме юридических.
vmarkiv
Мастер
Сообщения: 516
Зарегистрирован: 21 янв 2012, 00:23
Репутация: 32
Откуда: Ивано-Франковск
Контактная информация:

Re: Сравнение бюджетных систем управления ЧПУ

Сообщение vmarkiv »

А открытый проэкт ?
Impartial
Мастер
Сообщения: 953
Зарегистрирован: 23 фев 2011, 01:50
Репутация: 36
Контактная информация:

Re: Сравнение бюджетных систем управления ЧПУ

Сообщение Impartial »

Судя по фоткам платы там ничего не программируется.
Yur_ra
Опытный
Сообщения: 161
Зарегистрирован: 04 мар 2013, 16:09
Репутация: 8
Контактная информация:

Re: Сравнение бюджетных систем управления ЧПУ

Сообщение Yur_ra »

michael-yurov писал(а):
Yur_ra писал(а):Поправлю развязка по z=0 есть . Вот картинка
Оптопара то стоит, а гальванической развязки нет.
Чтобы использовать этот датчик придется подать +5 В на шпиндель (соответственно - на корпус станка), а если корпус станка заземлен, и компьютер заземлен, а у компьютера 0 питания соединен с корпусом и землей, то что произойдет?
+5 Вольт от блока питания компьютера будут замкнуты на массу и на заземление. Или я что-то не понимаю? Можно, конечно, наоборот сделать - подать через резистор на пластину датчика +5 В, а шпиндель, как был, так и останется заземленным, и все будет работать,
Если, конечно, пользователь сообразит, как инвертировать вход датчика касания.
Да ну, какие ужасы рассказываете :shock: никаких 5В на шпиндель или пластину!
датчик по z=0 срабатывает от простого соединения на ноль. Полярность сигнала от датчиков баз и z=0 в самой NCstudio выставляется и прекрасно работает.
Не знаете как? Научу!

Полной развязки согласен, нет, но главное сами сигналы развязаны, потому риск спалить карточку практически отсутствует.
Ломается всё, даже то что в принципе никогда не ломается... А я чиню.
Аватара пользователя
michael-yurov
Почётный участник
Почётный участник
Сообщения: 11731
Зарегистрирован: 26 июл 2012, 00:10
Репутация: 4703
Настоящее имя: Михаил Львович
Откуда: Новоуральск
Контактная информация:

Re: Сравнение бюджетных систем управления ЧПУ

Сообщение michael-yurov »

Yur_ra писал(а):датчик по z=0 срабатывает от простого соединения на ноль.
Это не проверял. Сделал честную полноценную развязку.
Yur_ra писал(а):Не знаете как? Научу!
Знаю как, и побольше многих знаю. Например, знаете, как увидеть графики скоростей по осям во время работы станка?
Вложения
Безымянный.png (5860 просмотров) <a class='original' href='./download/file.php?id=12691&mode=view' target=_blank>Загрузить оригинал (45.7 КБ)</a>
Yur_ra
Опытный
Сообщения: 161
Зарегистрирован: 04 мар 2013, 16:09
Репутация: 8
Контактная информация:

Re: Сравнение бюджетных систем управления ЧПУ

Сообщение Yur_ra »

когда впервые копался и изучал NCstudio методом тыка, так пару раз выводил этот график, сразу и не понял чего это, потом дошло.
любят китайцы всякие комбинации из трёх букв (клавиш) :D
Ломается всё, даже то что в принципе никогда не ломается... А я чиню.
caha200762
Новичок
Сообщения: 39
Зарегистрирован: 10 мар 2012, 09:31
Репутация: 0
Откуда: Г. Новосибирск
Контактная информация:

Re: Сравнение бюджетных систем управления ЧПУ

Сообщение caha200762 »

Схема на английском.
Вложения
ncstudio-9.png (5847 просмотров) <a class='original' href='./download/file.php?id=12712&mode=view' target=_blank>Загрузить оригинал (726.63 КБ)</a>
asutpka
Мастер
Сообщения: 294
Зарегистрирован: 17 апр 2013, 14:27
Репутация: 78
Контактная информация:

Re: Сравнение бюджетных систем управления ЧПУ

Сообщение asutpka »

EMC2

Собрал стенд - ПК P4-630-3000Ghz mboard ASUS P5GD1VM 2*512Mb скорость на шине 800MHz видео интегрировано +девственная установка EMC2-V2.5 в составе образа с офсайта +плохой драйвер шагового двигателя + плохой импульсный блок питания с напряжением 12v + хороший мотор . Задаю УП arcspiral.ngc и гоняю на режимах близких к срыву вращения двигателя. Именно при сочетании плохого выявляются некоторые нюансы без инструментального контроля, исключительно на слух и тактильно.
тестировал на разных GUI
1 mocca -- наблюдается регулярная нестабильность генерации импульсов в момент смены числовых указателей позиции в окне GUI. На звук 4-8 раз в секунду.
2 tkemc -- наблюдается регулярная нестабильность генерации импульсов в момент смены числовых указателей позиции в окне GUI. На звук 3 раз в секунду.
3 keystick -- без нареканий, но есть нюанс. Если повторно попытаться вызвать справку - вылетает с ошибкой.
4 axis -- наблюдаются мелкие хаотичные едва уловимые нестабильности генерации импульсов. очевидной причины не уловил.
Во всех случаях на стабильность генерации импульсов влияет любые движения мышью, открытие закрытие окон, программ и тд.
Аватара пользователя
Serg
Мастер
Сообщения: 21923
Зарегистрирован: 17 апр 2012, 14:58
Репутация: 5183
Заслуга: c781c134843e0c1a3de9
Настоящее имя: Сергей
Откуда: Москва
Контактная информация:

Re: Сравнение бюджетных систем управления ЧПУ

Сообщение Serg »

Без данных latency-test эта информация не имеет смысла.
Я не Христос, рыбу не раздаю, но могу научить, как сделать удочку...
Moonglow
Опытный
Сообщения: 117
Зарегистрирован: 16 окт 2013, 09:24
Репутация: 108
Откуда: Москва
Контактная информация:

Re: Сравнение бюджетных систем управления ЧПУ

Сообщение Moonglow »

Решил провести тестирование PlanetCNC с живыми контроллерами:

Версии ПО:
Управляющие: 2.10.1308.601 БЕТА
Микропрограмма МК2: 2013-07-13
Микропрограмма МК1: 2013-03-31

Настройки осей:
200 шагов на мм
Ускорение X: 25, макс. скорость 6000
Ускорение Y: 25, макс. скорость 6000
Ускорение Z: 250, макс. скорость 6000
Начальные координаты: X84.0290 Y-122.5850 Z0

Время измерял программой-секундомером на мобильном телефоне.
Остальные настройки программы не менялись и были оставлены по умолчанию.

Результат:

PlanetCNC МК2
Результат для arc.tap
Предсказанное время: 00:39 , реально ~02:44

Результат для line.tap
Предсказанное время: 00:35 , реально ~02:36

С отключенным Lookahead ( angle = 180 ):
Результат для arc.tap
Предсказанное время: 00:39 , реально ~03:22

Результат для line.tap
Предсказанное время: 00:35 , реально ~06:56


PlanetCNC МК1
Результат для arc.tap
Предсказанное время: 00:39 , реально ~02:45

Результат для line.tap
Предсказанное время: 00:35 , реально ~02:37

Во всех случаях была настройка 200 шагов на единицу перемещения. Как видно результат почти идентичен... 200 шагов это скажем настройки при 4мм шаге винта и микрошаге 1/4 ... если взять более реальную ситуацию например мой станок где шаг винта: 4мм ,микрошаг 1/16 ,соответственно 800 шагов на мм, результат для простой МК1 следующий:

Результат для arc.tap
Предсказанное время: 00:39 , реально ~03:02

Результат для line.tap
Предсказанное время: 00:35 , реально ~02:49
Последний раз редактировалось Moonglow 17 окт 2013, 11:10, всего редактировалось 1 раз.
Аватара пользователя
ukr-sasha
Мастер
Сообщения: 3401
Зарегистрирован: 21 мар 2011, 07:47
Репутация: 2181
Настоящее имя: Украинец Александр Григорьевич
Откуда: Киев, Украина
Контактная информация:

Re: Сравнение бюджетных систем управления ЧПУ

Сообщение ukr-sasha »

Т.е. алгоритм улучшен уже?
Почему такая большая разница в предсказанном времени и реальном?
Moonglow
Опытный
Сообщения: 117
Зарегистрирован: 16 окт 2013, 09:24
Репутация: 108
Откуда: Москва
Контактная информация:

Re: Сравнение бюджетных систем управления ЧПУ

Сообщение Moonglow »

ukr-sasha писал(а):Т.е. алгоритм улучшен уже?
Да, но опять таки не совсем понял использовался ли живой контроллер в первых тестах или это была симуляция.... В этом году было проделано много работы по Лукахеду и общим стратегиям ускорения.
ПО поводу живого времени и предсказан... то есть всегда настройка TimeFactror ;) Но думаю скоро и оно будет лучше

Видео прогона arch.tap, MK2
http://www.youtube.com/watch?v=iiW9s6LfW_c
Аватара пользователя
michael-yurov
Почётный участник
Почётный участник
Сообщения: 11731
Зарегистрирован: 26 июл 2012, 00:10
Репутация: 4703
Настоящее имя: Михаил Львович
Откуда: Новоуральск
Контактная информация:

Re: Сравнение бюджетных систем управления ЧПУ

Сообщение michael-yurov »

Moonglow писал(а):но опять таки не совсем понял использовался ли живой контроллер в первых тестах или это была симуляция....
Там симуляцию без контроллера не сделать, вроде бы.
То что я написал - лишь были мои предположения времени обработки, если задать пороговый угол близким к 180°.
Moonglow
Опытный
Сообщения: 117
Зарегистрирован: 16 окт 2013, 09:24
Репутация: 108
Откуда: Москва
Контактная информация:

Re: Сравнение бюджетных систем управления ЧПУ

Сообщение Moonglow »

michael-yurov писал(а):Там симуляцию без контроллера не сделать, вроде бы.
Можно и без контроллера через View->Simulate. Но за информацию спасибо посмотрю более внимательно на тестовые УП и их выполнение.
Аватара пользователя
michael-yurov
Почётный участник
Почётный участник
Сообщения: 11731
Зарегистрирован: 26 июл 2012, 00:10
Репутация: 4703
Настоящее имя: Михаил Львович
Откуда: Новоуральск
Контактная информация:

Re: Сравнение бюджетных систем управления ЧПУ

Сообщение michael-yurov »

Moonglow писал(а):Можно и без контроллера через View->Simulate.
Это просто движение по траектории с постоянной скоростью с бесконечно высокими ускорениями и без остановок в углах.
Moonglow
Опытный
Сообщения: 117
Зарегистрирован: 16 окт 2013, 09:24
Репутация: 108
Откуда: Москва
Контактная информация:

Re: Сравнение бюджетных систем управления ЧПУ

Сообщение Moonglow »

michael-yurov писал(а):
Moonglow писал(а):Можно и без контроллера через View->Simulate.
Это просто движение по траектории с постоянной скоростью с бесконечно высокими ускорениями и без остановок в углах.
Да, конечно, я уже говорил, что это не связано с живым контроллером... поэтому и предположил что цифры в статье были взяты из неё...
Baha
Мастер
Сообщения: 605
Зарегистрирован: 29 сен 2008, 17:37
Репутация: 26
Откуда: Тараз-Москва

Re: Сравнение бюджетных систем управления ЧПУ

Сообщение Baha »

michael-yurov писал(а):То что я написал - лишь были мои предположения времени обработки, если задать пороговый угол близким к 180°.
Надо бы вкладывать реальные тесты, а то получается одни домыслы.
Если выставить все параметры под постоянную скорость, то на реальном МК2 получается, вот так,
угол 20 градусов, где то 50 секунд
http://youtu.be/zqYaJg7zi5c
угол 160 градусов, где то 2.25 минут
http://youtu.be/z2b74uSB17U
Сферический ватник в вакууме.
Аватара пользователя
michael-yurov
Почётный участник
Почётный участник
Сообщения: 11731
Зарегистрирован: 26 июл 2012, 00:10
Репутация: 4703
Настоящее имя: Михаил Львович
Откуда: Новоуральск
Контактная информация:

Re: Сравнение бюджетных систем управления ЧПУ

Сообщение michael-yurov »

Вот я не знаю, что можно ответить на тему этого PlanetCNC.
Baha, какой смысл от этих тестов если программа кардинально нарушает условия тестирования?

Вот, например тем про эту программу: http://cnc.userforum.ru/viewtopic.php?id=2913
по словам пользователя, даже Mach3 работает намного лучше, чем этот контроллер:
Всем привет, сегодня с утра решил взять ПК вместо ноута и поставил плату LPT вместо USB,потом подтянул ремни на редукторах, убрал все люфты, выбрал нормальные шаги для работы и решил попробовать вырезать вчерашний g-koд ( который резал вчера на USB и на ноутбуке) и тут свершилось чудо)))тестил зедку на 7тыс и 500ускорении и все гуд никаких рывков ни какой вибрации, вообщем все потестил все шикарно, включил g-код на 5тыс подача и 5тыс резка, побежал станок шо дурной (пробовал больше и больше тянет, никаких клеваний и вибраций, вырезал вот изделие...
Ответить

Вернуться в «Электроника»