Мышь USB?
STB5100 USB MOTION CARD
- Rom327
- Почётный участник

- Сообщения: 2989
- Зарегистрирован: 03 апр 2015, 13:23
- Репутация: 437
- Настоящее имя: Роман
- Откуда: Подольск
- Контактная информация:
Re: STB5100 USB MOTION CARD
Это сугубо мое мнение, могу и ошибаться...
https://vk.com/rom327
GRBL настройки: http://blogandbux.blogspot.com/2018/07/ ... revod.html
G коды: http://3d-stanki.ru/spravochnik/program ... stankov-2/
https://vk.com/rom327
GRBL настройки: http://blogandbux.blogspot.com/2018/07/ ... revod.html
G коды: http://3d-stanki.ru/spravochnik/program ... stankov-2/
- voverrr
- Мастер
- Сообщения: 242
- Зарегистрирован: 07 июн 2019, 01:22
- Репутация: 4
- Настоящее имя: Vladimir Mironov
- Откуда: Moscow
- Контактная информация:
Re: STB5100 USB MOTION CARD
Этого я пока не знаю, чтобы узнать - надо её поймать. Пока что она вылезает из-под пола и презрительно смотрит на меня. Неудивительно: отец-ЧПУшник - горе в семье.
- voverrr
- Мастер
- Сообщения: 242
- Зарегистрирован: 07 июн 2019, 01:22
- Репутация: 4
- Настоящее имя: Vladimir Mironov
- Откуда: Moscow
- Контактная информация:
Re: STB5100 USB MOTION CARD
А вот и снова я.
Два дня куролесил в гараже.
Докладываю: всё в той же поре. Не работает.
Сейчас накидаю фоток, пояснения где-то на фотках, где-то в названиях.
Проверил заземление, лампочка через него горит(уже писал), заземли на него всё, до чего смог дотянуться: частотник, блок питания шаговиков(на нём тоже обнаружился вывод заземления), экран вокруг UVW-проводов, соответственно, сам шпиндель тоже.
Переставил винду на ноуте асус, накатил все обновы, дрова и Мач3, заземлил шасси ноута - стало кмк постабильнее при вылетах, даже мышка не выключается при ошибке.
Провод к шпинделю заэкранил, заземлил и разнёс насколько можно от жгута с сигнальными проводами - результата ноль.
Так понимаю, у вас будут замечания к конструкции. Изложу, что увидел сам:
- боковины портала из 10мм поликарбоната. Слабые. Качаются влево-вправо. Усилил из отрезками труб 40х25. Когда запущу станок по-взрослому - первое что вырежу, будут боковины из Д16Т 16мм. или закажу на лазере из 10 стали.
- привод по Y. Сейчас один движок, два винта, вращение передаётся через ремень HTD. Пока что точности хватает, но в будущем поставлю второй движок.
- фанерные опорные узлы подшипника - по ходу строительства потребовалось изменить высоту. Поликарбоната не оказалось, вырезал пока из фанеры. Когда закрутится станок - это будут вторые по очереди детали на изготовление.
- Привод оси X. Этот маленький ремень не нужен. Мотор должен стоять напрямую на винте. При этом и подшипник там тоже не нужен. И экономия в деньгах и устранение люфтов в ремне.
- поликарбонат 10мм вдоль оси Х на задней стороне портала. Это излишне. Хватило бы и 5мм поликарбоната или алюминия.
- профиль 50х50 - вполне достаточно прочности, не прогибается, не уходит.
- направляющие надо прятать, чтобы на них не сыпались опилки. По Y я сейчас накрыл кожаными полосами, не знаю, насколько будет действенно. Вообще надо строить аспирацию.
- китайские авиационные разъёмы. Очень трудоёмко их распаивать. На будущее не надо жадничать, а купить готовый распаяный и заваренный кабель на 40-45 пинов и ответки тоже по возможности распаянные. Сейчас 50% работы у меня сводится к прозвонке и проверке, не отвалились ли проводки в шлейфе.
- бак омывателя от грузовика какого-то на 5 литров. Вполне хватает охлаждать. По-тяжёлой я его пока не гонял сутками, но в течении дня, когда фрезеровал часа три-четыре, справлялся. Для моторчика 12 вольт всё же много, он жужжит весьма сильно и гонит воду, даже создаёт приличное давление на штуцерах. Думаю, вольт 5-6 ему будет достаточно.
- Пульт сейчас не подключен. Когда был подключен - надо было угадать в плагинами для мача, чтобы он плата его увидела.
- Концевики, сейчас понимаю, что надо было ставить не на торец, а на проходе. Пока настраивал, уже кучу кнопок поломал, когда каретка не распознала концевик и проехала дальше и выломила его из посадочного места.
Наверняка кто-нибуль скажет "я б такие фотки постыдился бы выкладывать", ну уж как есть.
Два дня куролесил в гараже.
Докладываю: всё в той же поре. Не работает.
Сейчас накидаю фоток, пояснения где-то на фотках, где-то в названиях.
Проверил заземление, лампочка через него горит(уже писал), заземли на него всё, до чего смог дотянуться: частотник, блок питания шаговиков(на нём тоже обнаружился вывод заземления), экран вокруг UVW-проводов, соответственно, сам шпиндель тоже.
Переставил винду на ноуте асус, накатил все обновы, дрова и Мач3, заземлил шасси ноута - стало кмк постабильнее при вылетах, даже мышка не выключается при ошибке.
Провод к шпинделю заэкранил, заземлил и разнёс насколько можно от жгута с сигнальными проводами - результата ноль.
Так понимаю, у вас будут замечания к конструкции. Изложу, что увидел сам:
- боковины портала из 10мм поликарбоната. Слабые. Качаются влево-вправо. Усилил из отрезками труб 40х25. Когда запущу станок по-взрослому - первое что вырежу, будут боковины из Д16Т 16мм. или закажу на лазере из 10 стали.
- привод по Y. Сейчас один движок, два винта, вращение передаётся через ремень HTD. Пока что точности хватает, но в будущем поставлю второй движок.
- фанерные опорные узлы подшипника - по ходу строительства потребовалось изменить высоту. Поликарбоната не оказалось, вырезал пока из фанеры. Когда закрутится станок - это будут вторые по очереди детали на изготовление.
- Привод оси X. Этот маленький ремень не нужен. Мотор должен стоять напрямую на винте. При этом и подшипник там тоже не нужен. И экономия в деньгах и устранение люфтов в ремне.
- поликарбонат 10мм вдоль оси Х на задней стороне портала. Это излишне. Хватило бы и 5мм поликарбоната или алюминия.
- профиль 50х50 - вполне достаточно прочности, не прогибается, не уходит.
- направляющие надо прятать, чтобы на них не сыпались опилки. По Y я сейчас накрыл кожаными полосами, не знаю, насколько будет действенно. Вообще надо строить аспирацию.
- китайские авиационные разъёмы. Очень трудоёмко их распаивать. На будущее не надо жадничать, а купить готовый распаяный и заваренный кабель на 40-45 пинов и ответки тоже по возможности распаянные. Сейчас 50% работы у меня сводится к прозвонке и проверке, не отвалились ли проводки в шлейфе.
- бак омывателя от грузовика какого-то на 5 литров. Вполне хватает охлаждать. По-тяжёлой я его пока не гонял сутками, но в течении дня, когда фрезеровал часа три-четыре, справлялся. Для моторчика 12 вольт всё же много, он жужжит весьма сильно и гонит воду, даже создаёт приличное давление на штуцерах. Думаю, вольт 5-6 ему будет достаточно.
- Пульт сейчас не подключен. Когда был подключен - надо было угадать в плагинами для мача, чтобы он плата его увидела.
- Концевики, сейчас понимаю, что надо было ставить не на торец, а на проходе. Пока настраивал, уже кучу кнопок поломал, когда каретка не распознала концевик и проехала дальше и выломила его из посадочного места.
Наверняка кто-нибуль скажет "я б такие фотки постыдился бы выкладывать", ну уж как есть.
- Вложения
Последний раз редактировалось voverrr 05 июл 2022, 00:06, всего редактировалось 1 раз.
- voverrr
- Мастер
- Сообщения: 242
- Зарегистрирован: 07 июн 2019, 01:22
- Репутация: 4
- Настоящее имя: Vladimir Mironov
- Откуда: Moscow
- Контактная информация:
Re: STB5100 USB MOTION CARD
Как настраивал мач3:
На первой вкладе пробовал разные радиобатоны - разницы не увидел На второй вкладке Motor output:
Работают только галки Enable - от них движки или работают или нет. Числовые значения, остальные галки ставил любые - не влияют. Движки всё равно работают, ошибка всё равно выскакивает. Настройки концевиков вот такие. Галк Active low вроде инвертирует значение концевика(становится нормально замкнутым), галка Emulated не влияет ни на работу ни на ошибку
На первой вкладе пробовал разные радиобатоны - разницы не увидел На второй вкладке Motor output:
Работают только галки Enable - от них движки или работают или нет. Числовые значения, остальные галки ставил любые - не влияют. Движки всё равно работают, ошибка всё равно выскакивает. Настройки концевиков вот такие. Галк Active low вроде инвертирует значение концевика(становится нормально замкнутым), галка Emulated не влияет ни на работу ни на ошибку
- voverrr
- Мастер
- Сообщения: 242
- Зарегистрирован: 07 июн 2019, 01:22
- Репутация: 4
- Настоящее имя: Vladimir Mironov
- Откуда: Moscow
- Контактная информация:
Re: STB5100 USB MOTION CARD
Мач3 версии 3.043
В плагине Ref All home прописано вот это:
он то работает, то не работает
В настройках концевиков: В плагине Autotool Zero прописано вот это и он работает отлично(наверное, это единственно, что работает без сбоя):
42,3 - это высота датчика
Сейчас заземление от ворот = соединение ящика = заземление с частотника = заземление БП шаговиков = экран UVW = корпус шпинделя = шасси ноутбука.
Общий провод от концевиков и датчика Z не соединяется с землёй.
Основная проблема - сваливается в ошибку во время попытки пошевелить моторами при запущенном шпинделе. После выключения шпинделя некоторе время выдаёт device is not ready при втыкании-вытыкании провода usb, но при заземлённом ноуте мышка не гаснет наглухо, а продолжает шевелиться.
Ошибка появляется независимо от программного положения концевиков на вкладке input signals: галки могут быть enabled или нет, но ошибка всё равно выскакивает.
В феврале-марте на плате STB5100как-то получалось фрезеровать без концевиков. Ноль выставлял наугад, резал фанеру 15 за 2-3 прохода разовыми перебежками.
В плагине Ref All home прописано вот это:
Код: Выделить всё
DoButton( 23 )
Code "G0 G53 y0"
DoButton( 22 )
Code "G0 G53 X0"
DoOEMButton(133)
DoOEMButton(134)
DoOEMButton(135)В настройках концевиков: В плагине Autotool Zero прописано вот это и он работает отлично(наверное, это единственно, что работает без сбоя):
Код: Выделить всё
Message( "Auto Zeroing..." )
If IsSuchSignal (22) Then
code "G31 Z-15 F200"
While IsMoving()
Wend
Call SetDRO( 2, 42.3 )
code "G1 Z50"
End IfСейчас заземление от ворот = соединение ящика = заземление с частотника = заземление БП шаговиков = экран UVW = корпус шпинделя = шасси ноутбука.
Общий провод от концевиков и датчика Z не соединяется с землёй.
Основная проблема - сваливается в ошибку во время попытки пошевелить моторами при запущенном шпинделе. После выключения шпинделя некоторе время выдаёт device is not ready при втыкании-вытыкании провода usb, но при заземлённом ноуте мышка не гаснет наглухо, а продолжает шевелиться.
Ошибка появляется независимо от программного положения концевиков на вкладке input signals: галки могут быть enabled или нет, но ошибка всё равно выскакивает.
В феврале-марте на плате STB5100как-то получалось фрезеровать без концевиков. Ноль выставлял наугад, резал фанеру 15 за 2-3 прохода разовыми перебежками.
- voverrr
- Мастер
- Сообщения: 242
- Зарегистрирован: 07 июн 2019, 01:22
- Репутация: 4
- Настоящее имя: Vladimir Mironov
- Откуда: Moscow
- Контактная информация:
Re: STB5100 USB MOTION CARD
Может надо как-то заземлить саму плату? Где у неё может быть земля?
- MX_Master
- Мастер
- Сообщения: 7490
- Зарегистрирован: 27 июн 2015, 19:45
- Репутация: 3113
- Настоящее имя: Михаил
- Откуда: Алматы
- Контактная информация:
Re: STB5100 USB MOTION CARD
Заземление платы смысла не возымеет, наводки ловит антенна под названием USB кабель
Единственный вариант быстрой связи, который точно работает в условиях "шума", это Ethernet. Буквально дня три-четыре назад тестировал макетку с STM32 в связке с мини ПК и LinuxCNC 2.8. Использовал обычный кабель (USB-MicroUSB) для зарядки смартфона. Перебои в связи при работе рядом со шпинделем получились просто гигантские, до 5 секунд. При этом рядом стоял (и был подключен) Ethernet контроллер NVEM (с моим вариантом прошивки) и прекрасно себя чувствовал. Сбоев связи не было замечено.
- Rom327
- Почётный участник

- Сообщения: 2989
- Зарегистрирован: 03 апр 2015, 13:23
- Репутация: 437
- Настоящее имя: Роман
- Откуда: Подольск
- Контактная информация:
Re: STB5100 USB MOTION CARD
A это что за плата? И ничего , что тема о платах stb5100?
Это сугубо мое мнение, могу и ошибаться...
https://vk.com/rom327
GRBL настройки: http://blogandbux.blogspot.com/2018/07/ ... revod.html
G коды: http://3d-stanki.ru/spravochnik/program ... stankov-2/
https://vk.com/rom327
GRBL настройки: http://blogandbux.blogspot.com/2018/07/ ... revod.html
G коды: http://3d-stanki.ru/spravochnik/program ... stankov-2/
- voverrr
- Мастер
- Сообщения: 242
- Зарегистрирован: 07 июн 2019, 01:22
- Репутация: 4
- Настоящее имя: Vladimir Mironov
- Откуда: Moscow
- Контактная информация:
Re: STB5100 USB MOTION CARD
это плата вот эта:
https://www.nvcnc.net/nvum.html
она какая-то родственница той STB5100. Вон всё их семейство.
- voverrr
- Мастер
- Сообщения: 242
- Зарегистрирован: 07 июн 2019, 01:22
- Репутация: 4
- Настоящее имя: Vladimir Mironov
- Откуда: Moscow
- Контактная информация:
Re: STB5100 USB MOTION CARD
т.е. надо другую плату всё же?
Кабель USB сейчас у меня длиной около метра. Есть ещё короткий, полупрозрачный, ну знаете такие из Китая с ардуинами в комплекте приходят. Длинный - не знаю, экранирован ли, а вот короткий прозрачный - видно, что оплётка есть. Подключал и через него, нет разницы.
Думаю попробовать оставить в жгуте только моторные провода, а концевиковые вынести в другой шлейф. поможет ли? Ещё осталось пара метров экрана, одеть моторный шлейф в экран?
- Курдль
- Мастер
- Сообщения: 2174
- Зарегистрирован: 20 мар 2018, 16:55
- Репутация: 282
- Настоящее имя: Курдль Энтеропийский
- Откуда: Msk
- Контактная информация:
Re: STB5100 USB MOTION CARD
Да охренеть, какая родственница. Очень дальняя. Родственная связь только по слову "плата"voverrr писал(а): ↑ A это что за плата? И ничего , что тема о платах stb5100?
это плата вот эта:
https://www.nvcnc.net/nvum.html
она какая-то родственница той STB5100.
По приведенной Вами ссылке указаны контроллеры, с которыми умеет работать убогая программа DrufelCNC.
Мой сайт: https://cnc-hobby.ru
- Rom327
- Почётный участник

- Сообщения: 2989
- Зарегистрирован: 03 апр 2015, 13:23
- Репутация: 437
- Настоящее имя: Роман
- Откуда: Подольск
- Контактная информация:
Re: STB5100 USB MOTION CARD
Да, похоже один отец... его зовут Диод...
Это сугубо мое мнение, могу и ошибаться...
https://vk.com/rom327
GRBL настройки: http://blogandbux.blogspot.com/2018/07/ ... revod.html
G коды: http://3d-stanki.ru/spravochnik/program ... stankov-2/
https://vk.com/rom327
GRBL настройки: http://blogandbux.blogspot.com/2018/07/ ... revod.html
G коды: http://3d-stanki.ru/spravochnik/program ... stankov-2/
- voverrr
- Мастер
- Сообщения: 242
- Зарегистрирован: 07 июн 2019, 01:22
- Репутация: 4
- Настоящее имя: Vladimir Mironov
- Откуда: Moscow
- Контактная информация:
Re: STB5100 USB MOTION CARD
Та или другая, но ведут они себя одинакого.
DrufelCNC пробовал ставить, в прошлый заход. Не понравилось. Ещё хлеще, чем мач3. Неуправляемый интерфейс, сбрасывающиеся настройки и никакого саппорта на форумах.
DrufelCNC пробовал ставить, в прошлый заход. Не понравилось. Ещё хлеще, чем мач3. Неуправляемый интерфейс, сбрасывающиеся настройки и никакого саппорта на форумах.
- voverrr
- Мастер
- Сообщения: 242
- Зарегистрирован: 07 июн 2019, 01:22
- Репутация: 4
- Настоящее имя: Vladimir Mironov
- Откуда: Moscow
- Контактная информация:
Re: STB5100 USB MOTION CARD
И вот снова я.
Докладываю.
Отцепил концевиковые провода от платы вообще - нет никакой разницы, всё равно плата глохнет при запуске шпинделя. Значит дело не в рядомпроложенности сигнальных и моторных проводов.
А потом я соединил ноут с платой тем синим коротким экранированным шнуром и оно заработало! В какие-то моменты ошибка вылетала, но самое главное - появилось хоть какое-то определение где искать проблему.
Потом я скрутил в плотные жгуты вон те провода от платы к драйверам и от драйверов к моторам и оно стало ещё стабильнее. Никак не могу определить драйвера для этой платы.
На ноуте DNS, когда я её подключал, оно распознало плату и автоматом накачало какие-то драйвера. На асусе пока не распознаёт, но, думаю, потом обнаружит и обновит.
Пока что всё соединено соплями, без красоты. Думаю, надо сначала достичь какой-то результат, а потом уже порядок наводить. Сколько раз уже так было, что собираешь всё по красоте, укладываешь, выравниваешь, а потом приходится всё раздербанивать во время отладки. Завтра надену на эти жгуты экран, плату закреплю в ящике, провода уложу..
Докладываю.
Отцепил концевиковые провода от платы вообще - нет никакой разницы, всё равно плата глохнет при запуске шпинделя. Значит дело не в рядомпроложенности сигнальных и моторных проводов.
А потом я соединил ноут с платой тем синим коротким экранированным шнуром и оно заработало! В какие-то моменты ошибка вылетала, но самое главное - появилось хоть какое-то определение где искать проблему.
Потом я скрутил в плотные жгуты вон те провода от платы к драйверам и от драйверов к моторам и оно стало ещё стабильнее. Никак не могу определить драйвера для этой платы.
На ноуте DNS, когда я её подключал, оно распознало плату и автоматом накачало какие-то драйвера. На асусе пока не распознаёт, но, думаю, потом обнаружит и обновит.
Пока что всё соединено соплями, без красоты. Думаю, надо сначала достичь какой-то результат, а потом уже порядок наводить. Сколько раз уже так было, что собираешь всё по красоте, укладываешь, выравниваешь, а потом приходится всё раздербанивать во время отладки. Завтра надену на эти жгуты экран, плату закреплю в ящике, провода уложу..
- Курдль
- Мастер
- Сообщения: 2174
- Зарегистрирован: 20 мар 2018, 16:55
- Репутация: 282
- Настоящее имя: Курдль Энтеропийский
- Откуда: Msk
- Контактная информация:
Re: STB5100 USB MOTION CARD
Вы зачем-то от контроллера к драйверам ШД провели толстые провода, а от драйверов к ШД - так и оставили тонкие.
Скручивать в жгут управляющие сигналы не имеет смысла, тем более все цепи. Цепь Pulse и Gnd еще как-то могло быть оправданно.
Но я имел в виду скрутку силовых цепей, питающих обмотки (попарно). Они имеют дифференциальное питание и таким образом электромагнитные поля в них взаимно компенсируются. Т.е. если на одном контакте обмотки +10В, то на другом -10В.
Какие у Вас ШД? Вижу, вроде мощнее, чем Nema17. Т.е. их ток далеко за 2А. А мнемоническое правило электрика: "сечение провода в квадратах должно быть не меньше тока в А".
Кроме того, драйвера ШД выдают на их обмотки сложные импульсы с прямоугольными фронтами и спадами, что влечет за собой помехи смежным цепям. А вот еще один интересный "кейс", о котором я подумал:
Драйвера ШД изо всех сил стараются поддержать на их обмотках заданный ток. А это значит - ток во всей замкнутой цепи от колодок драйвера до разъема ШД и обратно. Закон Ома все мы помним: I = U/R. Как Вы думаете, какое сопротивление у провода МГТФ 0.38, длиной в два метра?
Думаю, что выше, чем у обмоток ШД (я приводил таблицу ).
Если у цепи суммарное сопротивление 10 Ом, то драйверам на одну обмотку придется подавать 20В, чтобы добиться 2А в моменте. А если учесть, что сигнал двухполярный, то амплитуда сигнала 40В! Т.е. в цепи гуляют прямоугольные импульсы амплитудой в 40В и частотой в килогерцы! Это если пойти на сделку с совестью и предположить, что драйверы ШД качественно отфильтровывают импульсы собственной ШИМ...
Мое предложение, так сказать "для чистоты эксперимента": поставить драйверы ШД непосредственно рядом с ШД (в 10 - 20 см.) и подключить толстыми проводами, желательно свитыми попарно, соответственно обмоткам. Проверить результат. Если дело не в них - продолжать изыскания. Но в любом случае потом соединить ШД с драйверами толстыми витыми проводами.
Нет. Это означает, что датчик будет считаться сработавшим, если напряжение на сигнальной цепи изменится с высокого на низкое.
Этого можно добиться как подключением нагрузки (сигнальной цепи) через нормально разомкнутую кнопку на "землю", так и через нормально замкнутую на +источника питания.
Мой сайт: https://cnc-hobby.ru
- voverrr
- Мастер
- Сообщения: 242
- Зарегистрирован: 07 июн 2019, 01:22
- Репутация: 4
- Настоящее имя: Vladimir Mironov
- Откуда: Moscow
- Контактная информация:
Re: STB5100 USB MOTION CARD
Условно-прямоугольные. Для моей стадии развития это достаточно понятно объяснено.
Провода 0,35 в шлейфе к моторам - меня беспокоят. Да, надо бы их заменить на что-то потолще, но пока что они выполняют свою задачу. На тех деталях и времени обработки вроде даже не нагреваются. Но я не представляю, как паять на эти контактики более толстое сечение. Я начал распаивать их проводом 0,75, проклял всё, плюнул, заменил на 0,5, еле-как распаял. Потом когда экспериментил - прокинул 0,35 МГФ к движкам и не увидел разницы. Распаял этим. Всё ж попроще.
Может я не тот разъём беру? Сейчас Y28М на 37 контактов. Все они мне ни к чему. Может на меньшее число контактов они будут покрупнее?
Ну вот что мне в нём нужно:
моторный провод:
4 провода на Х
4 провода на Y
4 провода на Z
---------------------Это наверное, в отдельном шлейфе? И чтобы рядом с ними не было ничего другого. 12 контактов.
шпиндельный провод:
3 провода на шпиндель+экран
--------------------- Это второй провод. 4-контактный байонет имеет вполне крупные контакты для разводки 2,5мм сечения.
сигнальный провод:
1 провод концевик по Х
1 провод концевик по Y
1 провод концевик по Z
1 провод com - общий для концевиков
1 провод на autotool Z
1 провод на кнопку экстренной остановки
2 провода на подсветку в зоне фрезы
2 провода на питание моторчика омывателя.
4-5 контактов на какие-то ещё хотелки
------------------ Это третий провод. 14-15 контактов.
Скручивать провода попарно - я понял вас в тот раз, просто как представишь, что их надо отпаять, прицепить, перекрутить, прозвонить и припаять обратно - становится душно. Я последнюю неделю только и занимаюсь, что провода перепаиваю в этом разъёме. Получается что-то вроде бифилярной намотки, которая снижает индуктивные наводки. В институте 30 лет назад я это проходил мимо.
Движки у меня сейчас на Нема 34 на 12Нм
А для наводок есть разница, если на сигнальных проводах будет высокое напряжение, а не как сейчас, низкое(никакое)?Курдль писал(а): ↑07 июл 2022, 09:58 Нет. Это означает, что датчик будет считаться сработавшим, если напряжение на сигнальной цепи изменится с высокого на низкое.
Этого можно добиться как подключением нагрузки (сигнальной цепи) через нормально разомкнутую кнопку на "землю", так и через нормально замкнутую на +источника питания.
Предполагаем, что жгут как сейчас - сигнальные в одном пучке с моторными.
Ну и ещё мои соображения по концевикам:
Да, они в одном жгуте с моторными. Да, от моторных идёт такая наводка, что вызывает в сигнальных ЭДС, которая поступает в плату в качестве сигнала "концевик замкнут". Но тогда бы оно и писало, что limit triggered, а оно-то ведь пишет ошибку device is not ready и перестаёт видеть плату. Оно перекидывает его в какое-то нерабочее состояние.
- Курдль
- Мастер
- Сообщения: 2174
- Зарегистрирован: 20 мар 2018, 16:55
- Репутация: 282
- Настоящее имя: Курдль Энтеропийский
- Откуда: Msk
- Контактная информация:
Re: STB5100 USB MOTION CARD
Не так важно, какое напряжение на сигнальных цепях после срабатывания кнопки, как состояние этих цепей в режиме покоя.
Например, какой на них импеданс. Если эта цепь просто "болтается в воздухе" - это готовая антенна для ловли наводок.
А если она притянута резистором в 1КОм к земле (плюсу) - то наводки ловятся хуже. А если еще и конденсатором зашунтирована - ващще кайф!
Поставьте между контактами кнопок (прямо на кнопках) керамические кондеры в 0.01 мкФ.
Я не знаю, как проектировалась плата, как программировался контроллер...
Предположим, что сигналы с концевиков заведены на порт приоритетного прерывания.
Тогда при их срабатывании микроконтроллер бросает выполнять текущую программу и спешно начинает выполнять подпрограмму обработки прерывания. Умные программисты на это время блокируют возможность отклика на новые прерывания. А ленивые программисты? Решили, что концевики не могут срабатывать 2 раза подряд с интервалом, достаточным для обработки подпрограммы прерывания и забили. Тогда при получении не единичного сигнала, а серии импульсов, микроконтроллер может впасть в ступор. Может быть так же на что-то забили разработчики чипа USB интерфейса.
Мой сайт: https://cnc-hobby.ru
- voverrr
- Мастер
- Сообщения: 242
- Зарегистрирован: 07 июн 2019, 01:22
- Репутация: 4
- Настоящее имя: Vladimir Mironov
- Откуда: Moscow
- Контактная информация:
Re: STB5100 USB MOTION CARD
Во, спасибо. Попробую кондёры и резисторы.
но оно выдавало такую же точно ошибку и при сигнальных проводах отключённых напрочь от платы. Из-за этого я подумал, что значит наводки от моторных проводов не так влияют.
- Курдль
- Мастер
- Сообщения: 2174
- Зарегистрирован: 20 мар 2018, 16:55
- Репутация: 282
- Настоящее имя: Курдль Энтеропийский
- Откуда: Msk
- Контактная информация:
Re: STB5100 USB MOTION CARD
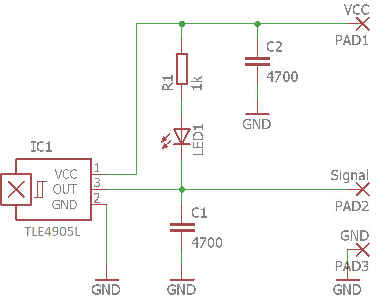
Надеюсь, Вы поняли, что резисторы не там же, где кондеры.
Если концевики при срабатывании замыкают сигнальную цепь на "землю" - то притягивающий резистор надо подключать между этой цепью и Uип. А если наоборот - то к Gnd (тогда резистор называется стягивающим).
Uип имеется в виду платы контроллера, и, как я понял, оно равно 12В.
В моих самодельных датчиках кроме резистора стоит еще и светодиод, позволяющий заметить факт срабатывания
Если Вы до сих пор не избавились от проблем, то следует отсекать все возможные причины.voverrr писал(а): Из-за этого я подумал, что значит наводки от моторных проводов не так влияют.
Мой сайт: https://cnc-hobby.ru