Помогите с подключением.

Mach, популярные и не очень CAD, CAM. Обсуждение и разработка программ для управления станками.
Rafis34
Новичок
Сообщения: 15
Зарегистрирован: 11 мар 2021, 14:09
Репутация: 2
Настоящее имя: Рафис
Контактная информация:

Помогите с подключением.

Сообщение Rafis34 »

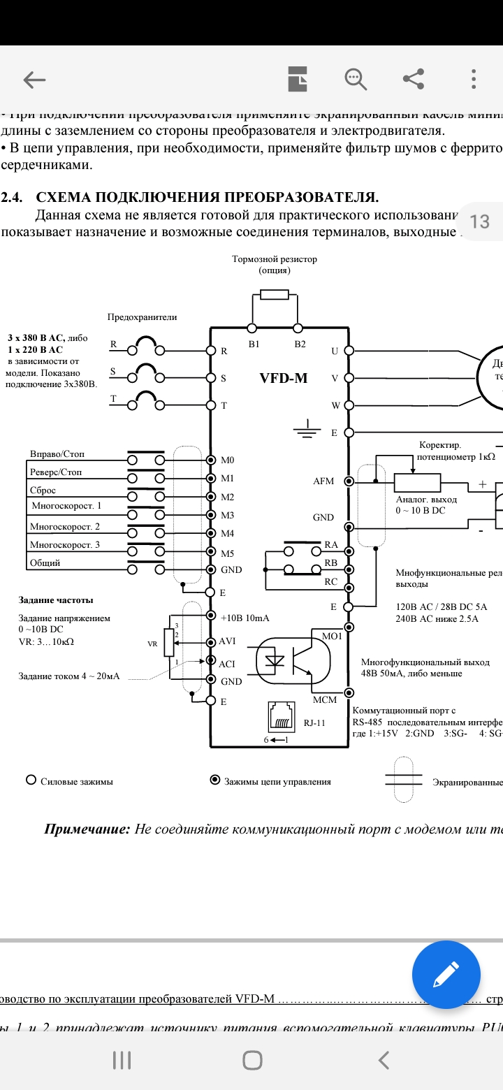
Нужно подключить частотник к плате матч 3,чтоб управление было через программу матч 3.
С включением шпинделя я разобрался,он включается.
А вот с регулеровкой оборотов не могу разобраться.
В электреке и настройках матча не шарю,потому прошу помощи.
Всё что я подключил и настроил,прикладываю фото.
Вложения
20210311_154808.jpg (1213 просмотров) <a class='original' href='./download/file.php?id=193353&mode=view' target=_blank>Загрузить оригинал (4 МБ)</a>
20210311_182410.jpg (1213 просмотров) <a class='original' href='./download/file.php?id=193354&mode=view' target=_blank>Загрузить оригинал (2.22 МБ)</a>
20210311_182438.jpg (1213 просмотров) <a class='original' href='./download/file.php?id=193355&mode=view' target=_blank>Загрузить оригинал (1.41 МБ)</a>
20210311_182456.jpg (1213 просмотров) <a class='original' href='./download/file.php?id=193356&mode=view' target=_blank>Загрузить оригинал (1.76 МБ)</a>
20210311_182551.jpg (1213 просмотров) <a class='original' href='./download/file.php?id=193357&mode=view' target=_blank>Загрузить оригинал (8 МБ)</a>
20210311_182600.jpg (1213 просмотров) <a class='original' href='./download/file.php?id=193358&mode=view' target=_blank>Загрузить оригинал (8 МБ)</a>
20210311_182633.jpg (1213 просмотров) <a class='original' href='./download/file.php?id=193359&mode=view' target=_blank>Загрузить оригинал (4 МБ)</a>
20210311_182643.jpg (1213 просмотров) <a class='original' href='./download/file.php?id=193360&mode=view' target=_blank>Загрузить оригинал (4 МБ)</a>
20210311_182710.jpg (1213 просмотров) <a class='original' href='./download/file.php?id=193361&mode=view' target=_blank>Загрузить оригинал (8 МБ)</a>
20210311_182739.jpg (1213 просмотров) <a class='original' href='./download/file.php?id=193362&mode=view' target=_blank>Загрузить оригинал (8 МБ)</a>
Screenshot_20210311-191050_Adobe Acrobat.jpg (1213 просмотров) <a class='original' href='./download/file.php?id=193363&mode=view' target=_blank>Загрузить оригинал (297.3 КБ)</a>
Безымянный.png (1147 просмотров) <a class='original' href='./download/file.php?id=193366&mode=view' target=_blank>Загрузить оригинал (268.71 КБ)</a>
Последний раз редактировалось Rafis34 11 мар 2021, 17:19, всего редактировалось 1 раз.
Аватара пользователя
Курдль
Мастер
Сообщения: 2174
Зарегистрирован: 20 мар 2018, 16:55
Репутация: 282
Настоящее имя: Курдль Энтеропийский
Откуда: Msk
Контактная информация:

Re: Помогите с подключением.

Сообщение Курдль »

Rafis34 писал(а): В электреке и настройках матча не шарю,потому прошу помощи.
Всё что я подключил и настроил,прикладываю фото.
Т.е. Вы предполагаете, что на форуме кто-то по-молодецки
1. изучит выложенные Вами фоточки,
2. воспроизведет по ним схему подключения
3. отыщет допущенные Вами ошибки
4. спроектирует правильную схему подключения
5. То же самое проделает с настройками Мача
6. Научит Вас электрике
Так?
Т.е. Вы поленились даже набросать схему, как сейчас подключено? Всё, на что Вас хватило - сфоткать как есть и выбросить на форум?
Мой сайт: https://cnc-hobby.ru
Аватара пользователя
Bioraptor
Мастер
Сообщения: 532
Зарегистрирован: 05 ноя 2018, 22:17
Репутация: 68
Настоящее имя: Дима
Контактная информация:

Re: Помогите с подключением.

Сообщение Bioraptor »

Курдль писал(а): 11 мар 2021, 16:08
Rafis34 писал(а): В электреке и настройках матча не шарю,потому прошу помощи.
Всё что я подключил и настроил,прикладываю фото.
Т.е. Вы поленились даже набросать схему, как сейчас подключено? Всё, на что Вас хватило - сфоткать как есть и выбросить на форум?
Человек же написал, что не понимает в электрике и настройках матча, как он вам схему нарисует?
Аватара пользователя
Курдль
Мастер
Сообщения: 2174
Зарегистрирован: 20 мар 2018, 16:55
Репутация: 282
Настоящее имя: Курдль Энтеропийский
Откуда: Msk
Контактная информация:

Re: Помогите с подключением.

Сообщение Курдль »

Bioraptor писал(а): Человек же написал, что не понимает в электрике и настройках матча, как он вам схему нарисует?
Однако не понимая в электрике чел насоединял какие-то скрутки (типа AVI скрутил с ACI), повключал на Mach3 какие-то Charge Pump-ы, залег в окопе, включил 220 и наблюдал, что будет дальше? :hehehe:
Мой сайт: https://cnc-hobby.ru
Rafis34
Новичок
Сообщения: 15
Зарегистрирован: 11 мар 2021, 14:09
Репутация: 2
Настоящее имя: Рафис
Контактная информация:

Re: Помогите с подключением.

Сообщение Rafis34 »

Курдль писал(а): 11 мар 2021, 16:08
Rafis34 писал(а): В электреке и настройках матча не шарю,потому прошу помощи.
Всё что я подключил и настроил,прикладываю фото.
Т.е. Вы предполагаете, что на форуме кто-то по-молодецки
1. изучит выложенные Вами фоточки,
2. воспроизведет по ним схему подключения
3. отыщет допущенные Вами ошибки
4. спроектирует правильную схему подключения
5. То же самое проделает с настройками Мача
6. Научит Вас электрике
Так?
Т.е. Вы поленились даже набросать схему, как сейчас подключено? Всё, на что Вас хватило - сфоткать как есть и выбросить на форум?
Я не прошу в этом во всём разбираться если не знаеш,быть может кто то подключал эту плату и этот частотник.Куча видео есть по подключению,но частотники другие и поэтому мне не понятно,так как я не понимаю в электреке.
Rafis34
Новичок
Сообщения: 15
Зарегистрирован: 11 мар 2021, 14:09
Репутация: 2
Настоящее имя: Рафис
Контактная информация:

Re: Помогите с подключением.

Сообщение Rafis34 »

Курдль писал(а): 11 мар 2021, 16:21
Bioraptor писал(а): Человек же написал, что не понимает в электрике и настройках матча, как он вам схему нарисует?
Однако не понимая в электрике чел насоединял какие-то скрутки (типа AVI скрутил с ACI), повключал на Mach3 какие-то Charge Pump-ы, залег в окопе, включил 220 и наблюдал, что будет дальше? :hehehe:
Ну а что смешного,хотя бы шпиндель теперь включается чезез матч)если не кто не поможет то либо взорвусь либо сделаю :hehehe:
egart
Кандидат
Сообщения: 53
Зарегистрирован: 26 авг 2020, 04:39
Репутация: 12
Настоящее имя: Артем
Откуда: Мск
Контактная информация:

Re: Помогите с подключением.

Сообщение egart »

во первых подключение исправьте, как уже Курдль написал
Вложения
164310.jpg (1161 просмотр) <a class='original' href='./download/file.php?id=193365&mode=view' target=_blank>Загрузить оригинал (109.48 КБ)</a>
Rafis34
Новичок
Сообщения: 15
Зарегистрирован: 11 мар 2021, 14:09
Репутация: 2
Настоящее имя: Рафис
Контактная информация:

Re: Помогите с подключением.

Сообщение Rafis34 »

egart писал(а): 11 мар 2021, 16:46 во первых подключение исправьте, как уже Курдль написал
исправил)изначально я так и подключил,потом посмотрел какое то видео и сделал как на фото :hehehe:
Аватара пользователя
Bioraptor
Мастер
Сообщения: 532
Зарегистрирован: 05 ноя 2018, 22:17
Репутация: 68
Настоящее имя: Дима
Контактная информация:

Re: Помогите с подключением.

Сообщение Bioraptor »

Отключи частотник пока, мультиметр на выходные контакты которые должны управлять оборотами, включаешь в маче шпиндель, смотришь что показывает мультиметр, должен показывать что то между 0 и 10в, в зависимости от оборотов выставленный в матче.
Что за плата скинь ссылку на мануал.
Rafis34
Новичок
Сообщения: 15
Зарегистрирован: 11 мар 2021, 14:09
Репутация: 2
Настоящее имя: Рафис
Контактная информация:

Re: Помогите с подключением.

Сообщение Rafis34 »

Bioraptor писал(а): 11 мар 2021, 18:08 Отключи частотник пока, мультиметр на выходные контакты которые должны управлять оборотами, включаешь в маче шпиндель, смотришь что показывает мультиметр, должен показывать что то между 0 и 10в, в зависимости от оборотов выставленный в матче.
Что за плата скинь ссылку на мануал.
плата матч 3
Вложения
HTB1knnrPVXXXXXIXVXXq6xXFXXX9.jpg (1122 просмотра) <a class='original' href='./download/file.php?id=193370&mode=view' target=_blank>Загрузить оригинал (166.66 КБ)</a>
Аватара пользователя
Bioraptor
Мастер
Сообщения: 532
Зарегистрирован: 05 ноя 2018, 22:17
Репутация: 68
Настоящее имя: Дима
Контактная информация:

Re: Помогите с подключением.

Сообщение Bioraptor »

у тебя на плате написано что пин1 это пвм, это как раз и есть тот пин что отвечает за регулировку оборотов.
Последний раз редактировалось Bioraptor 11 мар 2021, 18:50, всего редактировалось 1 раз.
Rafis34
Новичок
Сообщения: 15
Зарегистрирован: 11 мар 2021, 14:09
Репутация: 2
Настоящее имя: Рафис
Контактная информация:

Re: Помогите с подключением.

Сообщение Rafis34 »

Bioraptor писал(а): 11 мар 2021, 18:41 у тебя на плате написано что пин1 это пвм, это как раз и есть тот пин что отвечает за регулировку оборотов, померяй на выходе напряжение
я мерял напряжение,при добавлении оборотов напряжение падает,при уменшении оборотов напряжение растет.где мне в настройках что поменять?
Аватара пользователя
Bioraptor
Мастер
Сообщения: 532
Зарегистрирован: 05 ноя 2018, 22:17
Репутация: 68
Настоящее имя: Дима
Контактная информация:

Re: Помогите с подключением.

Сообщение Bioraptor »

Rafis34 писал(а): 11 мар 2021, 18:49
Bioraptor писал(а): 11 мар 2021, 18:41 у тебя на плате написано что пин1 это пвм, это как раз и есть тот пин что отвечает за регулировку оборотов, померяй на выходе напряжение
я мерял напряжение,при добавлении оборотов напряжение падает,при уменшении оборотов напряжение растет.где мне в настройках что поменять?
Попробуй в вкладке output signals Output 1 галочку убрать или поставить activе low
Аватара пользователя
Курдль
Мастер
Сообщения: 2174
Зарегистрирован: 20 мар 2018, 16:55
Репутация: 282
Настоящее имя: Курдль Энтеропийский
Откуда: Msk
Контактная информация:

Re: Помогите с подключением.

Сообщение Курдль »

Rafis34 писал(а): я мерял напряжение,при добавлении оборотов напряжение падает,при уменшении оборотов напряжение растет.где мне в настройках что поменять?
Экспериментируй с разными вариантами "Step Low Active" и "Dir Low Active" в строке "Spindle"
Изображение
Мой сайт: https://cnc-hobby.ru
Аватара пользователя
Bioraptor
Мастер
Сообщения: 532
Зарегистрирован: 05 ноя 2018, 22:17
Репутация: 68
Настоящее имя: Дима
Контактная информация:

Re: Помогите с подключением.

Сообщение Bioraptor »

Курдль писал(а): 11 мар 2021, 18:55
Rafis34 писал(а): я мерял напряжение,при добавлении оборотов напряжение падает,при уменшении оборотов напряжение растет.где мне в настройках что поменять?
Экспериментируй с разными вариантами "Step Low Active" и "Dir Low Active" в строке "Spindle"
Изображение
При чём тут степ дир, если он по пвм шпинделем управляет?
Rafis34
Новичок
Сообщения: 15
Зарегистрирован: 11 мар 2021, 14:09
Репутация: 2
Настоящее имя: Рафис
Контактная информация:

Re: Помогите с подключением.

Сообщение Rafis34 »

Bioraptor писал(а): 11 мар 2021, 18:52
Rafis34 писал(а): 11 мар 2021, 18:49
Bioraptor писал(а): 11 мар 2021, 18:41 у тебя на плате написано что пин1 это пвм, это как раз и есть тот пин что отвечает за регулировку оборотов, померяй на выходе напряжение
я мерял напряжение,при добавлении оборотов напряжение падает,при уменшении оборотов напряжение растет.где мне в настройках что поменять?
Попробуй в вкладке output signals Output 1 галочку убрать или поставить activе low
попробовал,не чего не изменилось.
Rafis34
Новичок
Сообщения: 15
Зарегистрирован: 11 мар 2021, 14:09
Репутация: 2
Настоящее имя: Рафис
Контактная информация:

Re: Помогите с подключением.

Сообщение Rafis34 »

Ещё заметил что при включеном шпинделе начинаю сдавать назад по (X) и обороты шпинделя падают.
NikolayUa24
Мастер
Сообщения: 1407
Зарегистрирован: 31 июл 2013, 20:05
Репутация: 256
Настоящее имя: Николай
Контактная информация:

Re: Помогите с подключением.

Сообщение NikolayUa24 »

Попробуйте как на фото. Вбивая в строке MDI M3 должно срабатывать реле.
Вложения
1038.jpg (1069 просмотров) <a class='original' href='./download/file.php?id=193371&mode=view' target=_blank>Загрузить оригинал (12.93 КБ)</a>
1039.jpg
1039.jpg (5.29 КБ) 1069 просмотров
1040.jpg
1040.jpg (3.6 КБ) 1069 просмотров
1041.jpg (1069 просмотров) <a class='original' href='./download/file.php?id=193374&mode=view' target=_blank>Загрузить оригинал (26.58 КБ)</a>
Страдания ведут человека к совершенству.
Rafis34
Новичок
Сообщения: 15
Зарегистрирован: 11 мар 2021, 14:09
Репутация: 2
Настоящее имя: Рафис
Контактная информация:

Re: Помогите с подключением.

Сообщение Rafis34 »

В общем потыркал настройки матча,всё заработало,регулеровка оборотов работает,но не сходится с реальными оборотами и обороты постоянно скачут,отключается шпиндель при движении назад по оси X.
Аватара пользователя
Bioraptor
Мастер
Сообщения: 532
Зарегистрирован: 05 ноя 2018, 22:17
Репутация: 68
Настоящее имя: Дима
Контактная информация:

Re: Помогите с подключением.

Сообщение Bioraptor »

сколько моторов у вас на оси Х
Ответить

Вернуться в «Windows / Mach»