Пуско-наладка, LinuxCNC + MESA 7i76E и другое

Обсуждение установки, настройки и использования LinuxCNC. Вопросы по Gкоду.
maxx2000orel
Мастер
Сообщения: 365
Зарегистрирован: 24 апр 2016, 18:53
Репутация: 94
Настоящее имя: Максим Кузнецов
Контактная информация:

Re: Пуско-наладка, LinuxCNC + MESA 7i76E и другое

Сообщение maxx2000orel »

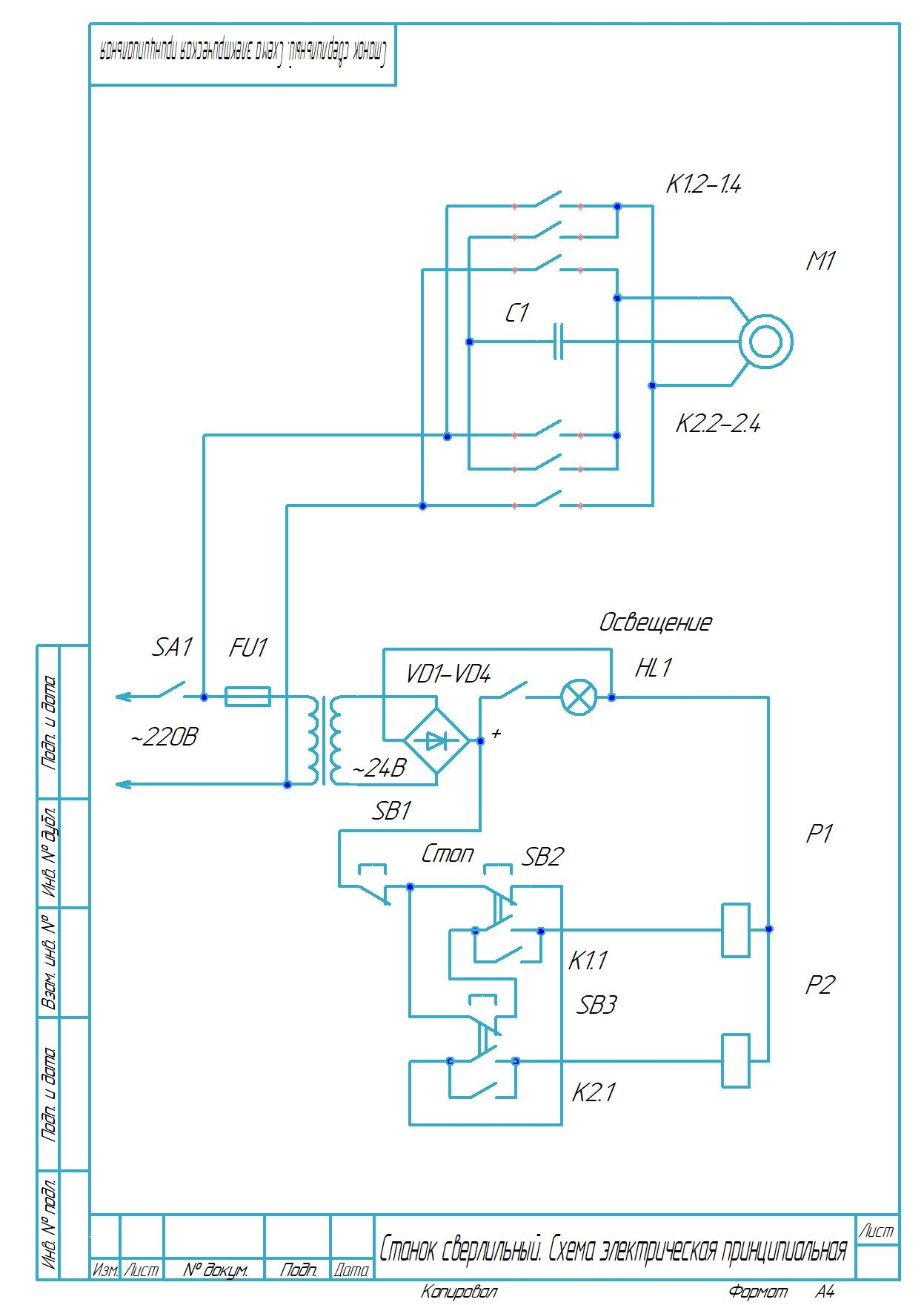
xenon-alien писал(а):Есть ли у кого-то ссылка или схемка, как это правильно реализуется?
1. Обычный реверсивный пускатель, как правило уже со встроенной механической блокировкой, но это работает только через стоп
2. Электрическая блокировка, когда катушка включена через нормально-замкнутую группу контактов кнопки (контактов второго пускателя).
Сверлильный станок. Схема электрическая принципиальная.jpg (1821 просмотр) <a class='original' href='./download/file.php?id=185109&sid=1025d1c51aedf06906ac225f62819403&mode=view' target=_blank>Загрузить оригинал (163.37 КБ)</a>
Аватара пользователя
xenon-alien
Почётный участник
Почётный участник
Сообщения: 4520
Зарегистрирован: 01 янв 2013, 13:13
Репутация: 925
Настоящее имя: Daniel
Откуда: Закарпатская обл. Украина
Контактная информация:

Re: Пуско-наладка, LinuxCNC + MESA 7i76E и другое

Сообщение xenon-alien »

maxx2000orel писал(а):
xenon-alien писал(а):Есть ли у кого-то ссылка или схемка, как это правильно реализуется?
1. Обычный реверсивный пускатель, как правило уже со встроенной механической блокировкой, но это работает только через стоп
2. Электрическая блокировка, когда катушка включена через нормально-замкнутую группу контактов кнопки (контактов второго пускателя).
Сверлильный станок. Схема электрическая принципиальная.jpg
Что-то не соображу как включать это 2-я выходными сигналами.... :thinking:
Аватара пользователя
xenon-alien
Почётный участник
Почётный участник
Сообщения: 4520
Зарегистрирован: 01 янв 2013, 13:13
Репутация: 925
Настоящее имя: Daniel
Откуда: Закарпатская обл. Украина
Контактная информация:

Re: Пуско-наладка, LinuxCNC + MESA 7i76E и другое

Сообщение xenon-alien »

Пересматривая старые темы по подобным токарным станкам, форум как-то боле живой был...
Но ответа пока не нашел на мой вопрос...
Или стоит в каждом разделе создать свою тему? Не пойму... :thinking:
Аватара пользователя
Serg
Мастер
Сообщения: 21923
Зарегистрирован: 17 апр 2012, 14:58
Репутация: 5183
Заслуга: c781c134843e0c1a3de9
Настоящее имя: Сергей
Откуда: Москва
Контактная информация:

Re: Пуско-наладка, LinuxCNC + MESA 7i76E и другое

Сообщение Serg »

Я не Христос, рыбу не раздаю, но могу научить, как сделать удочку...
Аватара пользователя
xenon-alien
Почётный участник
Почётный участник
Сообщения: 4520
Зарегистрирован: 01 янв 2013, 13:13
Репутация: 925
Настоящее имя: Daniel
Откуда: Закарпатская обл. Украина
Контактная информация:

Re: Пуско-наладка, LinuxCNC + MESA 7i76E и другое

Сообщение xenon-alien »

Даже не знал, что существует такое...
Благодарю за подсказку!
Это получается что напрямую с МЕСЫ могу "пинать" без опторазвязки и реле? (30мА)
А что случится, если на оба контакта пойдет стгнал случайно? Ссылка
alex_sar
Мастер
Сообщения: 1863
Зарегистрирован: 28 авг 2018, 17:13
Репутация: 315
Настоящее имя: Алексей
Контактная информация:

Re: Пуско-наладка, LinuxCNC + MESA 7i76E и другое

Сообщение alex_sar »

xenon-alien писал(а):Даже не знал, что существует такое...
Благодарю за подсказку!
Это получается что напрямую с МЕСЫ могу "пинать" без опторазвязки и реле? (30мА)
А что случится, если на оба контакта пойдет стгнал случайно? Ссылка
а вы табличку посмотрите - по ссылке вашей. там всё написано )
Аватара пользователя
xenon-alien
Почётный участник
Почётный участник
Сообщения: 4520
Зарегистрирован: 01 янв 2013, 13:13
Репутация: 925
Настоящее имя: Daniel
Откуда: Закарпатская обл. Украина
Контактная информация:

Re: Пуско-наладка, LinuxCNC + MESA 7i76E и другое

Сообщение xenon-alien »

alex_sar писал(а):
xenon-alien писал(а):Даже не знал, что существует такое...
Благодарю за подсказку!
Это получается что напрямую с МЕСЫ могу "пинать" без опторазвязки и реле? (30мА)
А что случится, если на оба контакта пойдет стгнал случайно? Ссылка
а вы табличку посмотрите - по ссылке вашей. там всё написано )
Может я слепой, но я не увидел что случится, если подать одновременно 2 сигнала. Просят трех позиционный включатель.
Как защитить от меня это реверсивное твердотельное реле, если при наладке платы оба сигнала включатся?
Аватара пользователя
Serg
Мастер
Сообщения: 21923
Зарегистрирован: 17 апр 2012, 14:58
Репутация: 5183
Заслуга: c781c134843e0c1a3de9
Настоящее имя: Сергей
Откуда: Москва
Контактная информация:

Re: Пуско-наладка, LinuxCNC + MESA 7i76E и другое

Сообщение Serg »

защита от одновременного включения
:yawn:
Я не Христос, рыбу не раздаю, но могу научить, как сделать удочку...
alex_sar
Мастер
Сообщения: 1863
Зарегистрирован: 28 авг 2018, 17:13
Репутация: 315
Настоящее имя: Алексей
Контактная информация:

Re: Пуско-наладка, LinuxCNC + MESA 7i76E и другое

Сообщение alex_sar »

xenon-alien писал(а):
alex_sar писал(а):
xenon-alien писал(а):Даже не знал, что существует такое...
Благодарю за подсказку!
Это получается что напрямую с МЕСЫ могу "пинать" без опторазвязки и реле? (30мА)
А что случится, если на оба контакта пойдет стгнал случайно? Ссылка
а вы табличку посмотрите - по ссылке вашей. там всё написано )
Может я слепой, но я не увидел что случится, если подать одновременно 2 сигнала. Просят трех позиционный включатель.
Как защитить от меня это реверсивное твердотельное реле, если при наладке платы оба сигнала включатся?
Ещё раз посмотрите на табличку справа от схемы включения. Внимательнo :)
Аватара пользователя
xenon-alien
Почётный участник
Почётный участник
Сообщения: 4520
Зарегистрирован: 01 янв 2013, 13:13
Репутация: 925
Настоящее имя: Daniel
Откуда: Закарпатская обл. Украина
Контактная информация:

Re: Пуско-наладка, LinuxCNC + MESA 7i76E и другое

Сообщение xenon-alien »

Не удивляйтесь...
у меня уже, двоится, троится и нифига не вижу...
т.е. если нет сигнала, ничего не пропускает, и если оба включены, тоже ничего не пропускает. (исключающая логика по синалу)
alex_sar
Мастер
Сообщения: 1863
Зарегистрирован: 28 авг 2018, 17:13
Репутация: 315
Настоящее имя: Алексей
Контактная информация:

Re: Пуско-наладка, LinuxCNC + MESA 7i76E и другое

Сообщение alex_sar »

потому оно и реверсивное реле. иначе это было бы просто 2 шт. реле )
maxx2000orel
Мастер
Сообщения: 365
Зарегистрирован: 24 апр 2016, 18:53
Репутация: 94
Настоящее имя: Максим Кузнецов
Контактная информация:

Re: Пуско-наладка, LinuxCNC + MESA 7i76E и другое

Сообщение maxx2000orel »

xenon-alien писал(а):Что-то не соображу как включать это 2-я выходными сигналами....
один сигнал включает первое реле, второй сигнал второе. пока одно реле включено, второе не сработает до его отключения независимо от того подан на него сигнал включения или нет.
Вместо кнопок используете дополнительный блок контактов с парой нормально замкнутых контактов через которые крест-накрест записываете катушки реле. т.е. сработало одно реле и разорвало цепь питания другого до тех пор пока первое не отключится. Для трёхфазного двигателя достаточно реле с 3 группами нормально-разомкнутых контактов и и 1 группой нормально замкнутых.(если что контакты переворачиваются)
как Вам ещё объяснить я не знаю.
Указанно выше твердотельное не имеет защиты от дурака, так как реверс судя по описанию(см примечание в описании) реализован на жёсткой логике тумблера. Скорее всего это два твердотельных реле соединённых по реверсивной схеме, а тумблер переключает эти реле поочерёдно.
Аватара пользователя
Serg
Мастер
Сообщения: 21923
Зарегистрирован: 17 апр 2012, 14:58
Репутация: 5183
Заслуга: c781c134843e0c1a3de9
Настоящее имя: Сергей
Откуда: Москва
Контактная информация:

Re: Пуско-наладка, LinuxCNC + MESA 7i76E и другое

Сообщение Serg »

maxx2000orel писал(а):Указанно выше твердотельное не имеет защиты от дурака, так как реверс судя по описанию(см примечание в описании) реализован на жёсткой логике тумблера. Скорее всего это два твердотельных реле соединённых по реверсивной схеме, а тумблер переключает эти реле поочерёдно.
Указанное выше твердотельное реле имеет надёжную защиту от дурака, читайте внимательно описание по ссылке: если будут поданы оба сигнала, то оно просто отключит нагрузку. Трёхпозиционный тумблер рекомендуется использовать для того, чтобы "Не переключайте реверс до полной остановки двигателя!", иначе ваш двигатель имеет все шансы либо испустить "волшебный дым", либо прилететь вам по "кумполу".
Я не Христос, рыбу не раздаю, но могу научить, как сделать удочку...
Аватара пользователя
xenon-alien
Почётный участник
Почётный участник
Сообщения: 4520
Зарегистрирован: 01 янв 2013, 13:13
Репутация: 925
Настоящее имя: Daniel
Откуда: Закарпатская обл. Украина
Контактная информация:

Re: Пуско-наладка, LinuxCNC + MESA 7i76E и другое

Сообщение xenon-alien »

Пока был в поисках реле прозвонил движок...
Мне кажется, что с ним что-то не так...
48 Ом 48 Ом 159 Ом (один щуп в центре "звезды")
0 0 0
| | |
0-0-0
На сколько я понимаю, то подключение звезда (нижние перемычки последовательно)
Но сопротивление по идее должно быть одинаковое.
С такими показателями его на перемотку, или замену?
По идее станок 16Б16 а не 16а20т1 (т.е на него мне дали ссылку)
Аватара пользователя
Serg
Мастер
Сообщения: 21923
Зарегистрирован: 17 апр 2012, 14:58
Репутация: 5183
Заслуга: c781c134843e0c1a3de9
Настоящее имя: Сергей
Откуда: Москва
Контактная информация:

Re: Пуско-наладка, LinuxCNC + MESA 7i76E и другое

Сообщение Serg »

А он точно трёхфазный?
Сними все перемычки и померь обмотки поотдельности и между ними.
Я не Христос, рыбу не раздаю, но могу научить, как сделать удочку...
Аватара пользователя
xenon-alien
Почётный участник
Почётный участник
Сообщения: 4520
Зарегистрирован: 01 янв 2013, 13:13
Репутация: 925
Настоящее имя: Daniel
Откуда: Закарпатская обл. Украина
Контактная информация:

Re: Пуско-наладка, LinuxCNC + MESA 7i76E и другое

Сообщение xenon-alien »

UAVpilot писал(а):А он точно трёхфазный?
Сними все перемычки и померь обмотки поотдельности и между ними.
Выглядит, как обычно... :thinking:
три пары контактов выведено в "короб", нижние замкнутые, к верхним трем внешние провода подключены.
Если этот станок 16Б16, то вот схема и он по идее трехфазный. (1 стр.) Завтра проверю, как буду на месте замеряю, сфотографирую и выложу.
Аватара пользователя
Serg
Мастер
Сообщения: 21923
Зарегистрирован: 17 апр 2012, 14:58
Репутация: 5183
Заслуга: c781c134843e0c1a3de9
Настоящее имя: Сергей
Откуда: Москва
Контактная информация:

Re: Пуско-наладка, LinuxCNC + MESA 7i76E и другое

Сообщение Serg »

Сними все перемычки и замерь сопротивления между каждыми выводами, т.е. должно быть 15 измерений.
Я не Христос, рыбу не раздаю, но могу научить, как сделать удочку...
Аватара пользователя
xenon-alien
Почётный участник
Почётный участник
Сообщения: 4520
Зарегистрирован: 01 янв 2013, 13:13
Репутация: 925
Настоящее имя: Daniel
Откуда: Закарпатская обл. Украина
Контактная информация:

Re: Пуско-наладка, LinuxCNC + MESA 7i76E и другое

Сообщение xenon-alien »

UAVpilot писал(а):Сними все перемычки и замерь сопротивления между каждыми выводами, т.е. должно быть 15 измерений.
Ок.
Тогда наверное проще будет видео снять.
Аватара пользователя
Serg
Мастер
Сообщения: 21923
Зарегистрирован: 17 апр 2012, 14:58
Репутация: 5183
Заслуга: c781c134843e0c1a3de9
Настоящее имя: Сергей
Откуда: Москва
Контактная информация:

Re: Пуско-наладка, LinuxCNC + MESA 7i76E и другое

Сообщение Serg »

Видео нафик, результаты измерений будут полезнее. :)
Я не Христос, рыбу не раздаю, но могу научить, как сделать удочку...
Аватара пользователя
xenon-alien
Почётный участник
Почётный участник
Сообщения: 4520
Зарегистрирован: 01 янв 2013, 13:13
Репутация: 925
Настоящее имя: Daniel
Откуда: Закарпатская обл. Украина
Контактная информация:

Re: Пуско-наладка, LinuxCNC + MESA 7i76E и другое

Сообщение xenon-alien »

UAVpilot писал(а):Видео нафик, результаты измерений будут полезнее. :)
ОК :good:
Тогда нарисую схемку, пронумерую и распишу между какими, какие показатели.
Ответить

Вернуться в «LinuxCNC»