StepMaster ver 2.5
- michael-yurov
- Почётный участник

- Сообщения: 11731
- Зарегистрирован: 26 июл 2012, 00:10
- Репутация: 4703
- Настоящее имя: Михаил Львович
- Откуда: Новоуральск
- Контактная информация:
Re: StepMaster ver 2.5
5 В можно взять с платы. С любого разъема оси.
Про остальное не понял.
Про остальное не понял.
-
Kastor
- Кандидат
- Сообщения: 43
- Зарегистрирован: 03 янв 2016, 19:22
- Репутация: 1
- Откуда: Санкт-Петербург
- Контактная информация:
Re: StepMaster ver 2.5
Для сигнала я и беру 5 вольт с платы, а вот питание самого реле откуда брать? при замыкании реле потребляет 5 вольт 80 миллиампер, вопрос откуда питать эти 5 вольт. В инструкции сказано что выход с платы максимум 20 миллиампер.
-
алексей 8
- Новичок
- Сообщения: 2
- Зарегистрирован: 06 апр 2020, 22:43
- Репутация: 0
- Настоящее имя: евстигнеев алексей вадимович
- Контактная информация:
Re: StepMaster ver 2.5
Вопрос по плате step master 2.5 при подключении частотника сигнал шим регулируется от 0-5 вольт а на плате написано 0-10 это правильно или нет
измерял напряжение тестером с отключенными проводами частотник Hy04D220B
измерял напряжение тестером с отключенными проводами частотник Hy04D220B
- michael-yurov
- Почётный участник

- Сообщения: 11731
- Зарегистрирован: 26 июл 2012, 00:10
- Репутация: 4703
- Настоящее имя: Михаил Львович
- Откуда: Новоуральск
- Контактная информация:
Re: StepMaster ver 2.5
Нет, должно быть от 0 до 10 В.
Либо ШИМ сигнал так настроен. Либо питание платы ниже 12 В.
Либо ШИМ сигнал так настроен. Либо питание платы ниже 12 В.
-
алексей 8
- Новичок
- Сообщения: 2
- Зарегистрирован: 06 апр 2020, 22:43
- Репутация: 0
- Настоящее имя: евстигнеев алексей вадимович
- Контактная информация:
Re: StepMaster ver 2.5
спасибо за ответ сегодня сам нашел косяк это match 3 ограничил напряжение
станок сегодня запустил платой step master 2.5 очень доволен поэтому купил 2 одну на всякий случай
почему то никто не пишет что частотник по шим сигналу надо правильно ставить + и -
станок сегодня запустил платой step master 2.5 очень доволен поэтому купил 2 одну на всякий случай
почему то никто не пишет что частотник по шим сигналу надо правильно ставить + и -
-
Михаил В
- Новичок
- Сообщения: 2
- Зарегистрирован: 24 янв 2020, 08:36
- Репутация: 0
- Настоящее имя: Суханов Михаил Владимирович
- Контактная информация:
Re: StepMaster ver 2.5
Здравствуйте, как поставить два двигателя с энкодером на одну ось при управлении программой Ncstudio?
- michael-yurov
- Почётный участник

- Сообщения: 11731
- Зарегистрирован: 26 июл 2012, 00:10
- Репутация: 4703
- Настоящее имя: Михаил Львович
- Откуда: Новоуральск
- Контактная информация:
Re: StepMaster ver 2.5
Либо к одному выходу платы подключать, либо использовать дополнительную плату для выравнивания портала, если это сильно важно.Михаил В писал(а):Здравствуйте, как поставить два двигателя с энкодером на одну ось при управлении программой Ncstudio?
-
1240
- Мастер
- Сообщения: 972
- Зарегистрирован: 25 янв 2013, 17:11
- Репутация: 278
- Откуда: Украина, Харьков.
- Контактная информация:
Re: StepMaster ver 2.5
это было в 2018michael-yurov писал(а):К сожалению, я сам LinuxCNC знаю недостаточно хорошо, чтобы включить руководство инструкцию по настройке.
Добрый День!
Ситуация с 2018г. не поменялась?
Хочу управлять оборотами шпинделя из LinuxCNC, как настроить config?
Я тему читаю, но может кто подскажет, как правильно.
Электрошпиндель 300 Гц -18000 обмин
аналоговый вход 0-10В
-
Kastor
- Кандидат
- Сообщения: 43
- Зарегистрирован: 03 янв 2016, 19:22
- Репутация: 1
- Откуда: Санкт-Петербург
- Контактная информация:
Re: StepMaster ver 2.5
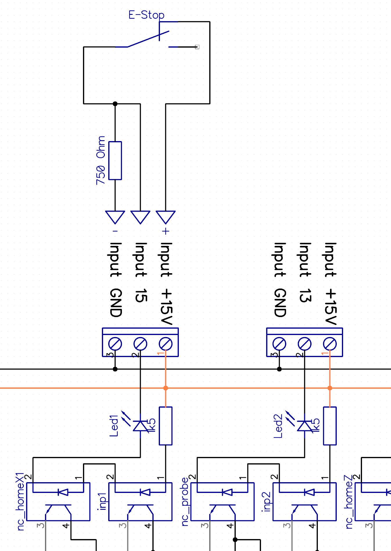
Михаил, добрый день! Подскажите пожалуйста по плате. Купил на станок себе серву, и мучаюсь уже месяц, при включении сервы срабатывает сигнал Е-СТОП. Поставил ЭМИ фильтр, не помогло, поставил эми фильтр отдельно на электронику станка , ПК и отдельно на серву, Е-СТОп стал срабатывать не сразу а через несколько секунд, при этом на плате диод горит четко, без подмигиваний и тд. Если настраиваю Е-СТОП не на разрыв а на подачу сигнала, картина таже! Проверил еще рез все земли, все по феншую. Методом тыка удалось выяснить, что естоп срабатывает не просто от включеной в сеть сервы, а при подключеных сигнальных проводах. То есть если я от платы управления отключу сигнальные провода сервы (srep dir) то Е-СТОП срабатывать перестает, даже если отключить землю с эми фильтрами. Подскажите куда копать? в чем может быть проблема??? Без е-стоп работать крайне стремно.
И надо ли саму плату как то отдельно заземлять?
Еще вспомнил, при включеной серве глючит концевик на оси игрик
И надо ли саму плату как то отдельно заземлять?
Еще вспомнил, при включеной серве глючит концевик на оси игрик
- michael-yurov
- Почётный участник

- Сообщения: 11731
- Зарегистрирован: 26 июл 2012, 00:10
- Репутация: 4703
- Настоящее имя: Михаил Львович
- Откуда: Новоуральск
- Контактная информация:
Re: StepMaster ver 2.5
Проблема однозначно в помехах. Но это все, что я могу сказать по такому описанию.
Не представляя, что как где подключено я не могу дать советов по путям передачи помех.
Возможно, какие-то провода слишком длинные. Возможно проложены в неудачном соседстве. Возможно, что-то не так с питанием.
Конкретно со степмастером лучше использовать кнопку, как нормально разомкнутую.
Может помочь подключение к общему заземлению, или просто соединение проводом корпуса компьютера и корпуса электроники станка, и, возможно, самого станка.
Если управляет mach3, то можно настроить фильтрацию входящих сигналов.
Не представляя, что как где подключено я не могу дать советов по путям передачи помех.
Возможно, какие-то провода слишком длинные. Возможно проложены в неудачном соседстве. Возможно, что-то не так с питанием.
Конкретно со степмастером лучше использовать кнопку, как нормально разомкнутую.
Может помочь подключение к общему заземлению, или просто соединение проводом корпуса компьютера и корпуса электроники станка, и, возможно, самого станка.
Если управляет mach3, то можно настроить фильтрацию входящих сигналов.
-
Kastor
- Кандидат
- Сообщения: 43
- Зарегистрирован: 03 янв 2016, 19:22
- Репутация: 1
- Откуда: Санкт-Петербург
- Контактная информация:
Re: StepMaster ver 2.5
Добрый день! Спасибо за советы. Перепробовал все, не помогло ничего. Серву вообще убрал из шкафа, и отдельно прокинул провода сигнальные и силовые. Земли объединял и раскидывал, эффект тот же. Все глюки пропадают исключительно при отключении степ\дир кабеля. Е стоп можно было бы сделать на замыкание, если бы концевики не глючили, они тупо иногда не срабатывают, а при срабатывании концевика, от помех иногда даже лампочки красные на степмастере мерцают (зависит от положения сервы - при движении). Так как проблема общая, ищу решение. Нашел электроника, он глянул схемы, и указал на одну особенность. Он сказал что у сервы цифровая (пин 1 обведено красным кружком) и силовая земли (обведена черным кружком, соединена с корпусом разъема и идет на экран провода) разделены, и что нужно на GND степмастера подключить 1 пин цифровой GND сервы (на картинке указано красной стрелкой предлагаемое подключение). Остальные линии - это как подключено сейчас. Вопрос, можно ли так подключаться к плате степпмастер? Или нельзя?
Люди выкладывавшие свои схемы подключения и которые я видел на форумах, не использовали ничего кроме двух пар проводов степ\дир.
- michael-yurov
- Почётный участник

- Сообщения: 11731
- Зарегистрирован: 26 июл 2012, 00:10
- Репутация: 4703
- Настоящее имя: Михаил Львович
- Откуда: Новоуральск
- Контактная информация:
Re: StepMaster ver 2.5
Не верю!Kastor писал(а):Перепробовал все, не помогло ничего.
И не понятно, что именно из перечисленного не помогло, и от чего не помогло. И никто не говорил, что должно помочь что-то одно. Скорее всего наложилось несколько проблем друг на друга.
По хорошему нужно сначала разобраться, где именно проблемы, а потом их устранить.
Ну это как воду в решете носить. Если соединяющий провод выходит из шкафа, то никакого смысла в отдельном размещении нет.Kastor писал(а):Серву вообще убрал из шкафа, и отдельно прокинул провода сигнальные и силовые.
Отдельно от чего?Kastor писал(а):и отдельно прокинул провода сигнальные и силовые.
Какие земли объединил, что значит раскидал?.. Какой эффект? Совсем ничего не понимаю.Kastor писал(а):Земли объединял и раскидывал, эффект тот же.
Т.е. глюки есть даже когда Estop настроен как нормально разомкнутый, и все пять клемм отключены от разъемов входов на степмастере?Kastor писал(а):Все глюки пропадают исключительно при отключении степ\дир кабеля.
Не понимаю, как это вообще связано, и если глючат концевики, то нужно разбираться с концевиками, а не Estop инвертировать.Kastor писал(а):Е стоп можно было бы сделать на замыкание, если бы концевики не глючили
Если очень хочется нормально замкнутый Estop - можно сделать как на приведенной схеме. Ну это если совсем скучно.
Нужно разобраться откуда куда и почему помехи протекают. Может вообще не Estop срабатывает, а концевики? Может между корпусом компьютера и станка 110 В?, и это создает наводки на провода к концевикам, которые проложены близко к корпусу станка? Ну это как одно из предположений. Пальцем в небо, совершенно не представляя, о чем вообще идет речь.Kastor писал(а):а при срабатывании концевика, от помех иногда даже лампочки красные на степмастере мерцают (зависит от положения сервы - при движении).
Тут нужно конкретное расположение всех проводов смотреть. ПО схеме этого не увидеть. По схеме можно увидеть только грубые нарушений, например, если к блоку питания платы еще что-то подключено. Или если заземлено что-то из слаботочных цепей.Kastor писал(а):Нашел электроника, он глянул схемы, и указал на одну особенность.
Скорее всего правильно сказал.Kastor писал(а):Он сказал что у сервы цифровая (пин 1 обведено красным кружком) и силовая земли (обведена черным кружком, соединена с корпусом разъема и идет на экран провода) разделены, и что нужно на GND степмастера подключить 1 пин цифровой GND сервы
Не знаю. Нужно смотреть, что это за клеммы в инструкции к серве. Может быть где-то схема есть. На картинке не схема. И не дает понимания, что это за входы/выходы.Kastor писал(а):Вопрос, можно ли так подключаться к плате степпмастер? Или нельзя?
- MX_Master
- Мастер
- Сообщения: 7490
- Зарегистрирован: 27 июн 2015, 19:45
- Репутация: 3113
- Настоящее имя: Михаил
- Откуда: Алматы
- Контактная информация:
Re: StepMaster ver 2.5
Это симптом заземления не по фэншуюKastor писал(а):Проверил еще рез все земли, все по феншую.
...
Еще вспомнил, при включеной серве глючит концевик на оси игрик
-
Kastor
- Кандидат
- Сообщения: 43
- Зарегистрирован: 03 янв 2016, 19:22
- Репутация: 1
- Откуда: Санкт-Петербург
- Контактная информация:
Re: StepMaster ver 2.5
Добрый день. Спасибо всем за советы. Отвечу без цитат ответов с указанием на возможные ошибки:
Проблему нашел, но моих навыков не достаточно чтобы понять где связь.
Сначало напишу как подключено: вся электроника силовая имеющая заземление отдельным проводом, заземлена на клему заземления в шкафе, вся земля с корпусов, соответственно заземлена через сам шкаф. к шкафу подходит фаза (серву так же скидывал на другую фазу)
Вся логика (провода энкодеров, экранов проводов) выведена на отдельную землю и объеденина с общей землей уже в отдельном шкафу.
Е стоп срабатывал даже на замыкание, тоесть я отключал от платы управления все провода (концевики, все управляющие сигналы других драйверов), отключал сами драйвера, так чтобы осталась только плата управления и серва, в итоге естоп все равно срабатывал при включении сервы, хотя даже провода е стоп к плате не подключены. При пристальном наблюдении, оказалось что срабатывает не только е стоп, но и концевики. Просто я этого не замечал, так как они у меня только как датчики хоум. Все это сопровождалось помехами на экране монитора. Земли станка, ПК и шкафа я так же объединял отдельно, для проверки. Помехи пропадали только при отключении провода степ дир сервы от платы степп мастер, хотя все управляющие провода у меня в шкафу так же экранированы.
В итоге, я заменил кабеля шаговых двигателей на экранированые и подключил их экраны на землю, после чего естоп перестал срабатывать, помехи с монитора практически ушли, (но все равно срабатывает раз в несколько минут) При отключении экрана шаговых двигателей от земли, срабатывание естоп не заставляет себя ждать. Что самое интересное, так это то, что даже не подключеные провода шаговых двигателей (ни к моторам ни к электронике), подкидывают такую свинью. Такое ощущение, что провода шаговых двигателей работают как антены, передавая помехи в нутрь шкафа и на плату, из за чего начинает глючить электроника, других доводов у меня нет.
После подключения первого пина цифровой земли с разъема сервы на GND step dir степмастера, е стоп перестает срабатывать полностью, помехи на экране так же проподают полностью (на глаз уже не различить). При чем если подключить только цифровую землю первого пина, и не заземлить провода шаговиков (даже вообще не подключеных), проблема так же не уходит, то есть обязательно оба условия. Пока проверяю работу , посмотрю как будет работать.
Что касается глючного концевика, оказалось что его провод не экранирован, и при снятии концевика со станка вместе с проводом (3 метра) глюк с ним пропадает (ошибочное срабатывание). Красная лампочка перестает мигать при проведении всех выше описаных действий по заземлению проводов шаговых.
Как вариант еще поменять блок питания в ПК, посоветовали, говорят он может тоже быть проблемой.
Помехи на мониторе помогли хоть как то мониторить проблему, в отсутсвии прямых рук спеца в этой области и осцилографа
Забыл сказать, раньше я на заводе присудствовал или по вечерам или по выходным, а сейчас по будням. Так вот до 19 часов вечера проблема стабильна как часы, после 19 становится плавающей, в выходные соответственно тоже. Как будто работяги выключают генераторы помех и уходят домой)
Проблему нашел, но моих навыков не достаточно чтобы понять где связь.
Сначало напишу как подключено: вся электроника силовая имеющая заземление отдельным проводом, заземлена на клему заземления в шкафе, вся земля с корпусов, соответственно заземлена через сам шкаф. к шкафу подходит фаза (серву так же скидывал на другую фазу)
Вся логика (провода энкодеров, экранов проводов) выведена на отдельную землю и объеденина с общей землей уже в отдельном шкафу.
Е стоп срабатывал даже на замыкание, тоесть я отключал от платы управления все провода (концевики, все управляющие сигналы других драйверов), отключал сами драйвера, так чтобы осталась только плата управления и серва, в итоге естоп все равно срабатывал при включении сервы, хотя даже провода е стоп к плате не подключены. При пристальном наблюдении, оказалось что срабатывает не только е стоп, но и концевики. Просто я этого не замечал, так как они у меня только как датчики хоум. Все это сопровождалось помехами на экране монитора. Земли станка, ПК и шкафа я так же объединял отдельно, для проверки. Помехи пропадали только при отключении провода степ дир сервы от платы степп мастер, хотя все управляющие провода у меня в шкафу так же экранированы.
В итоге, я заменил кабеля шаговых двигателей на экранированые и подключил их экраны на землю, после чего естоп перестал срабатывать, помехи с монитора практически ушли, (но все равно срабатывает раз в несколько минут) При отключении экрана шаговых двигателей от земли, срабатывание естоп не заставляет себя ждать. Что самое интересное, так это то, что даже не подключеные провода шаговых двигателей (ни к моторам ни к электронике), подкидывают такую свинью. Такое ощущение, что провода шаговых двигателей работают как антены, передавая помехи в нутрь шкафа и на плату, из за чего начинает глючить электроника, других доводов у меня нет.
После подключения первого пина цифровой земли с разъема сервы на GND step dir степмастера, е стоп перестает срабатывать полностью, помехи на экране так же проподают полностью (на глаз уже не различить). При чем если подключить только цифровую землю первого пина, и не заземлить провода шаговиков (даже вообще не подключеных), проблема так же не уходит, то есть обязательно оба условия. Пока проверяю работу , посмотрю как будет работать.
Что касается глючного концевика, оказалось что его провод не экранирован, и при снятии концевика со станка вместе с проводом (3 метра) глюк с ним пропадает (ошибочное срабатывание). Красная лампочка перестает мигать при проведении всех выше описаных действий по заземлению проводов шаговых.
Как вариант еще поменять блок питания в ПК, посоветовали, говорят он может тоже быть проблемой.
Помехи на мониторе помогли хоть как то мониторить проблему, в отсутсвии прямых рук спеца в этой области и осцилографа
Забыл сказать, раньше я на заводе присудствовал или по вечерам или по выходным, а сейчас по будням. Так вот до 19 часов вечера проблема стабильна как часы, после 19 становится плавающей, в выходные соответственно тоже. Как будто работяги выключают генераторы помех и уходят домой)
- MX_Master
- Мастер
- Сообщения: 7490
- Зарегистрирован: 27 июн 2015, 19:45
- Репутация: 3113
- Настоящее имя: Михаил
- Откуда: Алматы
- Контактная информация:
Re: StepMaster ver 2.5
Само заземление хоть работает? Насколько ярко горит лампочка Ильича при подключении к фазе и земле? Будет прикольно, если в итоге выяснится, что серва/пак выкидывают на линию земли заметно больше тока чем положено
А ширина земельной линии столько принять не может. А ли с земли приходит больше тока сюда, чем уходит туда..
- michael-yurov
- Почётный участник

- Сообщения: 11731
- Зарегистрирован: 26 июл 2012, 00:10
- Репутация: 4703
- Настоящее имя: Михаил Львович
- Откуда: Новоуральск
- Контактная информация:
Re: StepMaster ver 2.5
Само заземление не так уж и важно.MX_Master писал(а):Само заземление хоть работает?
Важно что с чем где соединено.
Важно от чего плата питается.
Важно с чем и как соединен корпус компьютера.
- michael-yurov
- Почётный участник

- Сообщения: 11731
- Зарегистрирован: 26 июл 2012, 00:10
- Репутация: 4703
- Настоящее имя: Михаил Львович
- Откуда: Новоуральск
- Контактная информация:
Re: StepMaster ver 2.5
Теперь я еще больше не понимаю, что происходит.Kastor писал(а):Сначало напишу как подключено:
Если бы фотографии увидеть, может быть получилось бы по ним проследить хоть какие-то подключения.
Компьютер - это "силовая электроника"? Он "имеет заземление отдельным проводом"?Kastor писал(а):вся электроника силовая имеющая заземление отдельным проводом
Я не понимаю, что значит "выведена"? Это же не технический термин? И что значит "логика". Это для тебя данные слова что-то означают, а мне то их как нужно понимать? Нет такого термина в электрике и электронике. Есть в философии и математике, но, полагаю, речь не об этом... И мне что в отдельном шкафу, что не в отдельном, что вообще без шкафа — вообще ни о чем не говорит.Kastor писал(а):Вся логика (провода энкодеров, экранов проводов) выведена на отдельную землю и объеденина с общей землей уже в отдельном шкафу.
Ну вот пусть и будет на замыкание — меньше проблем будет.Kastor писал(а):Е стоп срабатывал даже на замыкание
На счет фильтрации входных сигналов в программе, я так понимаю, что включение фильтрации по моему совету вообще никак не влияет на происходящее? Ну это я делаю такой вывод из слов "Перепробовал все, не помогло ничего." Это очень странно. Должны были быть изменения.
Давай фотографии, пока у меня мозг не взорвался.
- MX_Master
- Мастер
- Сообщения: 7490
- Зарегистрирован: 27 июн 2015, 19:45
- Репутация: 3113
- Настоящее имя: Михаил
- Откуда: Алматы
- Контактная информация:
Re: StepMaster ver 2.5
Я, кстати, вспомнил.. я материнку установил в ящик (со всей силовой) так, чтобы у неё было не единого контакта с корпусом (который заземлён). Тогда всё робит отлично. При этом, канеш, всё заземлено и нет лишних наводок в линию от ближайших заводов.
- michael-yurov
- Почётный участник

- Сообщения: 11731
- Зарегистрирован: 26 июл 2012, 00:10
- Репутация: 4703
- Настоящее имя: Михаил Львович
- Откуда: Новоуральск
- Контактная информация:
Re: StepMaster ver 2.5
Ну, это тоже неплохой метод — запихнуть всю схему в один большой общий металлический ящик. Тогда внешние помехи не будут воздействовать на внутренние процессы, пока ты провода наружу не вытащишь.MX_Master писал(а):Я, кстати, вспомнил.. я материнку установил в ящик (со всей силовой) так, чтобы у неё было не единого контакта с корпусом (который заземлён). Тогда всё робит отлично. При этом, канеш, всё заземлено и нет лишних наводок в линию от ближайших заводов.
-
Kastor
- Кандидат
- Сообщения: 43
- Зарегистрирован: 03 янв 2016, 19:22
- Репутация: 1
- Откуда: Санкт-Петербург
- Контактная информация:
Re: StepMaster ver 2.5
От заземления лампочка горит хорошо, пылесос сосет тоже отлично.
Да, фильтр в маче ковырял, не помогло. Логика это я подхватил от знакомого электронщика, прицепилось ) извиняюсь если ввел в заблуждение.
Плата питается от блока питания , не помню как точно называется - вроде линейный, в нутри трансформатор стоит, тяжелый такой.
ПК питается от отдельного щитка (щиток прикручен к шкафу), от того же щитка питается плата и от него же блоки питания шаговиков и серва . Корпус ПК стоит отдельно от шкафа, заземляется в тот же щиток. К ПК идет стандартный штекер в котором уже есть провод заземления, его достаточно? Цифровая земля идет отдельно до главного распределительного ввода (главный шкаф чтоли). Землю отдельно вывел опять же по рекомендации, чей уже не вспомню. ПК по Вашей рекомендации заземлял отдельно, от корпуса ПК провод на шкаф и станок на этот же шкаф.
Я вот начинаю сомневаться на счет ПК (в правильности подключения). Что значит устанавливать материнскую плату так, чтобы небыло контакта с корпусом? Разве через свои болтовые соединения на корпусе она не контачит с корпусом? Я не уверен, но разъем LPT же заземлен на корпус. Получается отдельно стоящий ПК заземлен в щиток, шкаф заземлен в тот же щиток, и из ПК тянется LPT порт с землей от корпуса, к плате степмастер которая в шкафу. Я слышал про понятие земляная петля, но доканца не понимаю ее особенности. Я уже купил новый просторный шкаф большого размера, и как раз собираюсь все это перекрутить туда, запихав туда и ПК и все остальное, пологаю это лучшее решение.
Да, фильтр в маче ковырял, не помогло. Логика это я подхватил от знакомого электронщика, прицепилось ) извиняюсь если ввел в заблуждение.
Плата питается от блока питания , не помню как точно называется - вроде линейный, в нутри трансформатор стоит, тяжелый такой.
ПК питается от отдельного щитка (щиток прикручен к шкафу), от того же щитка питается плата и от него же блоки питания шаговиков и серва . Корпус ПК стоит отдельно от шкафа, заземляется в тот же щиток. К ПК идет стандартный штекер в котором уже есть провод заземления, его достаточно? Цифровая земля идет отдельно до главного распределительного ввода (главный шкаф чтоли). Землю отдельно вывел опять же по рекомендации, чей уже не вспомню. ПК по Вашей рекомендации заземлял отдельно, от корпуса ПК провод на шкаф и станок на этот же шкаф.
Я вот начинаю сомневаться на счет ПК (в правильности подключения). Что значит устанавливать материнскую плату так, чтобы небыло контакта с корпусом? Разве через свои болтовые соединения на корпусе она не контачит с корпусом? Я не уверен, но разъем LPT же заземлен на корпус. Получается отдельно стоящий ПК заземлен в щиток, шкаф заземлен в тот же щиток, и из ПК тянется LPT порт с землей от корпуса, к плате степмастер которая в шкафу. Я слышал про понятие земляная петля, но доканца не понимаю ее особенности. Я уже купил новый просторный шкаф большого размера, и как раз собираюсь все это перекрутить туда, запихав туда и ПК и все остальное, пологаю это лучшее решение.