Токарной СТ161 замена ЧПУ ЗИТ500 на Linuxcnc

Токарные станки с ЧПУ.
Аватара пользователя
dinkata
Мастер
Сообщения: 1028
Зарегистрирован: 05 сен 2014, 09:07
Репутация: 391
Настоящее имя: Диньо
Откуда: Болгария
Контактная информация:

Токарной СТ161 замена ЧПУ ЗИТ500 на Linuxcnc

Сообщение dinkata »

СТ161 замена ЧПУ ЗИТ 500 на Linuxcnc ,6i25+7i77+моя плата I/O
Рабочее поле:X-230 mm Z-470mm
Обрабатываемые материалы:сталь
Чертежи, фото, видео станка:
раньше (12157 просмотров) <a class='original' href='./download/file.php?id=73669&mode=view' target=_blank>Загрузить оригинал (737.07 КБ)</a>
раньше
сейчас (12157 просмотров) <a class='original' href='./download/file.php?id=73670&mode=view' target=_blank>Загрузить оригинал (618.55 КБ)</a>
сейчас
раньше (12157 просмотров) <a class='original' href='./download/file.php?id=73671&mode=view' target=_blank>Загрузить оригинал (1.07 МБ)</a>
раньше
сейчас (12157 просмотров) <a class='original' href='./download/file.php?id=73672&mode=view' target=_blank>Загрузить оригинал (1.13 МБ)</a>
сейчас
[/b]
Примеры изделий (фото):
Вопросы:ищется САМ под Linux
Что пробовал:управление старьйе движки с Linuxcnc
Что плучилось:пока все узльй работают ,инструментальная головка 12 позиции тоже
Что не получилось:увидим :hehehe:
Ориентировочный бюджет:600 Е
Последний раз редактировалось dinkata 16 мар 2020, 12:15, всего редактировалось 1 раз.
Простите ошибки, я иностранец.У моя клавиатура нету "э" и "ы"
Аватара пользователя
mikehv
Мастер
Сообщения: 2115
Зарегистрирован: 14 авг 2013, 10:10
Репутация: 1175
Откуда: Иваново
Контактная информация:

Re: замена ЧПУ ЗИТ500 на Linuxcnc

Сообщение mikehv »

dinkata писал(а):моя плата I/O
Можно поинтересоваться что за плата? сколько входов и выходов?
Аватара пользователя
dinkata
Мастер
Сообщения: 1028
Зарегистрирован: 05 сен 2014, 09:07
Репутация: 391
Настоящее имя: Диньо
Откуда: Болгария
Контактная информация:

Re: замена ЧПУ ЗИТ500 на Linuxcnc

Сообщение dinkata »

mikehv писал(а):Можно поинтересоваться что за плата?
обсуждали здес ;
http://www.cnc-club.ru/forum/viewtopic. ... 90#p253590
в пдф схема и проект плат ,пользую порт LPT и P2 на 7i77
Простите ошибки, я иностранец.У моя клавиатура нету "э" и "ы"
Аватара пользователя
dinkata
Мастер
Сообщения: 1028
Зарегистрирован: 05 сен 2014, 09:07
Репутация: 391
Настоящее имя: Диньо
Откуда: Болгария
Контактная информация:

Re: замена ЧПУ ЗИТ500 на Linuxcnc

Сообщение dinkata »

Переделали пульт оператора ,монитор 12"тачскрийн с gmoccapy_lcd7.
Eст WiFi связь с САМ компютера,
по моему лучше так ,получилос много цветное :hehehe: :
IMG_20160505_074254.jpg (11934 просмотра) <a class='original' href='./download/file.php?id=79301&mode=view' target=_blank>Загрузить оригинал (724.15 КБ)</a>
вот схема моя плата :
LPT_P2.JPG (11934 просмотра) <a class='original' href='./download/file.php?id=79302&mode=view' target=_blank>Загрузить оригинал (412.99 КБ)</a>
внешние кнопки вот так в хал :
Pausa!Resume!Run!Step.JPG (11934 просмотра) <a class='original' href='./download/file.php?id=79303&mode=view' target=_blank>Загрузить оригинал (63.79 КБ)</a>
Простите ошибки, я иностранец.У моя клавиатура нету "э" и "ы"
Аватара пользователя
dinkata
Мастер
Сообщения: 1028
Зарегистрирован: 05 сен 2014, 09:07
Репутация: 391
Настоящее имя: Диньо
Откуда: Болгария
Контактная информация:

Re: замена ЧПУ ЗИТ500 на Linuxcnc

Сообщение dinkata »

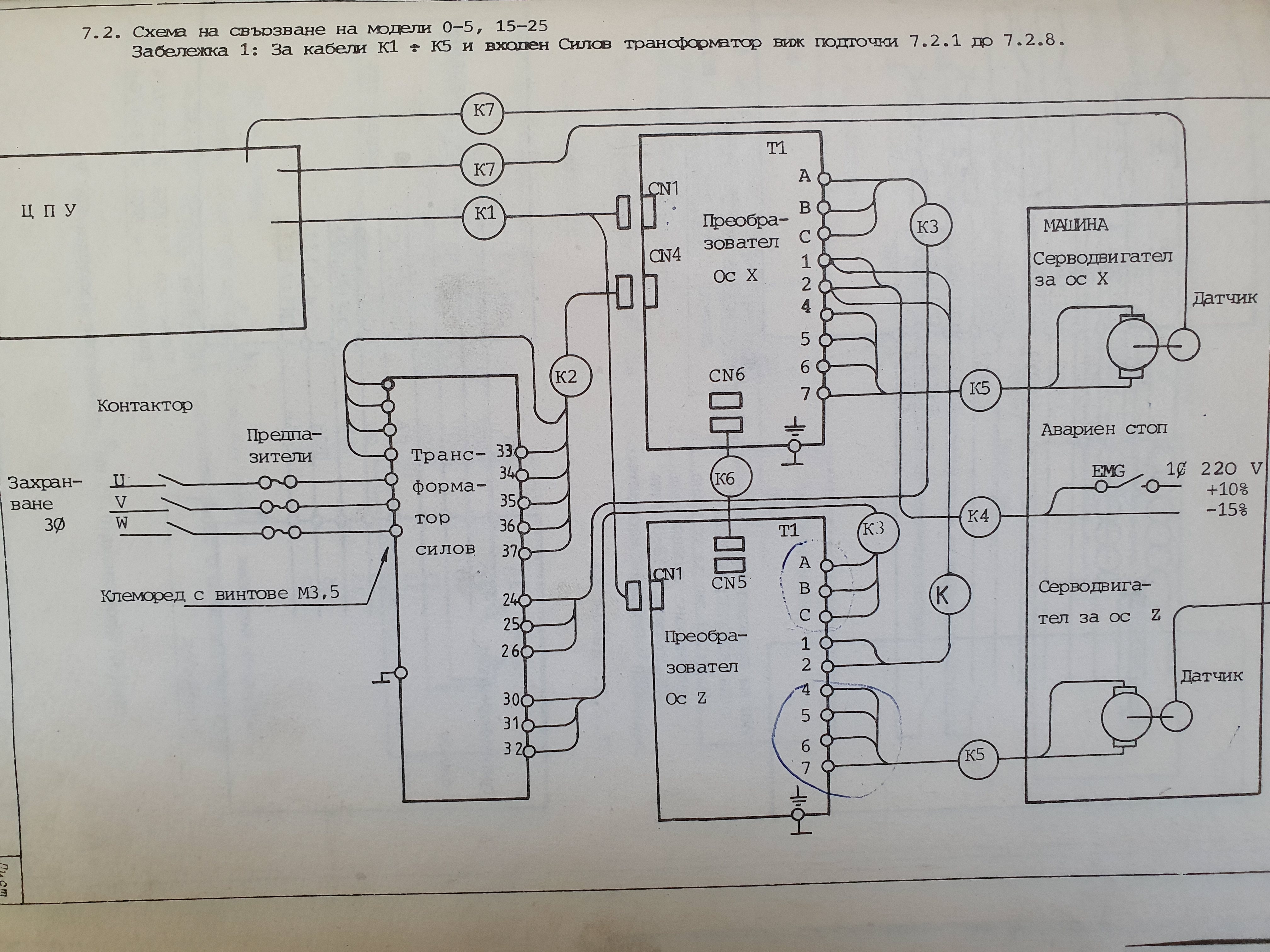
вьйполняю просьба нашего колега с форума ...вьйложъ некоторьйе данни для СТ161
l1.jpg (9830 просмотров) <a class='original' href='./download/file.php?id=178401&mode=view' target=_blank>Загрузить оригинал (902.01 КБ)</a>
l2.jpg (9830 просмотров) <a class='original' href='./download/file.php?id=178402&mode=view' target=_blank>Загрузить оригинал (1.61 МБ)</a>
l3.jpg (9830 просмотров) <a class='original' href='./download/file.php?id=178403&mode=view' target=_blank>Загрузить оригинал (1.33 МБ)</a>
l4.jpg (9830 просмотров) <a class='original' href='./download/file.php?id=178404&mode=view' target=_blank>Загрузить оригинал (458.96 КБ)</a>
l5.jpg (9830 просмотров) <a class='original' href='./download/file.php?id=178405&mode=view' target=_blank>Загрузить оригинал (1.24 МБ)</a>
Простите ошибки, я иностранец.У моя клавиатура нету "э" и "ы"
Аватара пользователя
dinkata
Мастер
Сообщения: 1028
Зарегистрирован: 05 сен 2014, 09:07
Репутация: 391
Настоящее имя: Диньо
Откуда: Болгария
Контактная информация:

Re: Токарной СТ161 замена ЧПУ ЗИТ500 на Linuxcnc

Сообщение dinkata »

несколько фото :
spindle.jpg (9798 просмотров) <a class='original' href='./download/file.php?id=178428&mode=view' target=_blank>Загрузить оригинал (818.66 КБ)</a>
servo.jpg (9798 просмотров) <a class='original' href='./download/file.php?id=178427&mode=view' target=_blank>Загрузить оригинал (1.14 МБ)</a>
osX.jpg (9798 просмотров) <a class='original' href='./download/file.php?id=178425&mode=view' target=_blank>Загрузить оригинал (929.19 КБ)</a>
osZ.jpg (9798 просмотров) <a class='original' href='./download/file.php?id=178426&mode=view' target=_blank>Загрузить оригинал (1.01 МБ)</a>
Kemtor.jpg (9798 просмотров) <a class='original' href='./download/file.php?id=178424&mode=view' target=_blank>Загрузить оригинал (1.09 МБ)</a>
Gamet.jpg (9798 просмотров) <a class='original' href='./download/file.php?id=178423&mode=view' target=_blank>Загрузить оригинал (1.07 МБ)</a>
Простите ошибки, я иностранец.У моя клавиатура нету "э" и "ы"
Аватара пользователя
dinkata
Мастер
Сообщения: 1028
Зарегистрирован: 05 сен 2014, 09:07
Репутация: 391
Настоящее имя: Диньо
Откуда: Болгария
Контактная информация:

Re: Токарной СТ161 замена ЧПУ ЗИТ500 на Linuxcnc

Сообщение dinkata »

сейчас в работе с Pathpilot 2 :
https://www.youtube.com/watch?v=s5qAZZ1pC6w
Простите ошибки, я иностранец.У моя клавиатура нету "э" и "ы"
maratNC
Кандидат
Сообщения: 93
Зарегистрирован: 29 сен 2016, 16:45
Репутация: 2
Настоящее имя: Марат
Откуда: Пермь
Контактная информация:

Re: Токарной СТ161 замена ЧПУ ЗИТ500 на Linuxcnc

Сообщение maratNC »

dinkata, подскажи пожалуйста, где скачать Pathpilot 2.
Аватара пользователя
dinkata
Мастер
Сообщения: 1028
Зарегистрирован: 05 сен 2014, 09:07
Репутация: 391
Настоящее имя: Диньо
Откуда: Болгария
Контактная информация:

Re: Токарной СТ161 замена ЧПУ ЗИТ500 на Linuxcnc

Сообщение dinkata »

maratNC писал(а): где скачать Pathpilot 2.
уважаемьй maratNC, Tormach имеет авторские права на Pathpilot
и не разпространяется свободно ( free ) .
Я покупил USB с софт :
https://tormach.com/pathpilot-v20-upgrade-38249.html
стоит 24,95 $
Простите ошибки, я иностранец.У моя клавиатура нету "э" и "ы"
Аватара пользователя
dinkata
Мастер
Сообщения: 1028
Зарегистрирован: 05 сен 2014, 09:07
Репутация: 391
Настоящее имя: Диньо
Откуда: Болгария
Контактная информация:

Re: Токарной СТ161 замена ЧПУ ЗИТ500 на Linuxcnc

Сообщение dinkata »

по просьба колега с форума - трансформатор серва
trafServo.jpg (6746 просмотров) <a class='original' href='./download/file.php?id=180687&mode=view' target=_blank>Загрузить оригинал (4.42 МБ)</a>
trafServo2.jpg (6746 просмотров) <a class='original' href='./download/file.php?id=180688&mode=view' target=_blank>Загрузить оригинал (2.84 МБ)</a>
trafServo3.jpg (6746 просмотров) <a class='original' href='./download/file.php?id=180689&mode=view' target=_blank>Загрузить оригинал (2.57 МБ)</a>
Простите ошибки, я иностранец.У моя клавиатура нету "э" и "ы"
Ответить

Вернуться в «Токарные станки»