67К25ПФ2 Вильнюс + БАЛТСИСТЕМ NC-230
- 19bvn58
- Опытный
- Сообщения: 113
- Зарегистрирован: 11 май 2017, 07:25
- Репутация: 69
- Настоящее имя: Валерий
- Откуда: Владимир
- Контактная информация:
Re: 67К25ПФ2 Вильнюс + БАЛТСИСТЕМ NC-230
Пришел ПГУ.
Конечно возраст оставил свои следы, но к моей радости вскрытие показало, что прибор внутри практически в идеальном состоянии. А снаружи ржа поверхностная и то только там где сдвинут консервант и краска. Манометры в засахарившейся консервационной смазке и толстом слое краски поверх крнсерванта. Манжеты и уплотнения без задиров и порывов. Правда реле давления "устало" совсем. Теперь немного упростим схему работы и проведем пробные пуски. Радует характеристики прибора: к-т усиления воздух/гидравлика 25, объем вытесняемого масла из полости ГЦ 120 см3, боле чем достаточно для меня (50-100см3). Для получения 35 атм по выходу достаточно будет подать воздух в 1,5 атм.
На втором рисунке вторая схема дает практически полное описание ПГУ для инструмента станка.
Конечно возраст оставил свои следы, но к моей радости вскрытие показало, что прибор внутри практически в идеальном состоянии. А снаружи ржа поверхностная и то только там где сдвинут консервант и краска. Манометры в засахарившейся консервационной смазке и толстом слое краски поверх крнсерванта. Манжеты и уплотнения без задиров и порывов. Правда реле давления "устало" совсем. Теперь немного упростим схему работы и проведем пробные пуски. Радует характеристики прибора: к-т усиления воздух/гидравлика 25, объем вытесняемого масла из полости ГЦ 120 см3, боле чем достаточно для меня (50-100см3). Для получения 35 атм по выходу достаточно будет подать воздух в 1,5 атм.
На втором рисунке вторая схема дает практически полное описание ПГУ для инструмента станка.
- 19bvn58
- Опытный
- Сообщения: 113
- Зарегистрирован: 11 май 2017, 07:25
- Репутация: 69
- Настоящее имя: Валерий
- Откуда: Владимир
- Контактная информация:
Re: 67К25ПФ2 Вильнюс + БАЛТСИСТЕМ NC-230
Прежде чем дальше двигаться с осями, думаю надо со смазкой разобраться. Так как я снес гидростанцию и сделал я это осознанно, функция смазки ляжет на станцию смазки.
На белке купил новую станцию импульсной смазки Вогель и смазочные блоки дроссельные БДИ6 теперь это все надо будет связать и выдать на точки смазки. В процессе обдумывания системы смазки пришел к определенным наблюдениям:
1. Выход насоса - резьба 14х1,5.
2. Тройника/коллектора надо сваять.
3. Дроссельные блоки БДИ6 имеют так же на входе резьбу М14х1,5.
4. Выходные магистрали на точки смазки БДИ6 имеют резьбу 1/8".
Пришел к выводу, что для унификации тройник надо делать с вх/вых резьбами 14х1,5. Три часа в субботу и готовый тройник. В результате всю магистральную разводку по станку смогу делать ШВД с штуцерами 14х1,5.
В качестве бонуса достался шкаф выставочный с комплектацией для работы станка 16А20 под ЧПУ Балтсистем. Оч к стати, практически готовый шкаф для меня. Перерисовываю и добавляю схему под фрезерный.
По переработке схемы электроавтоматики составлены карты входных сигналов и выходных команд ЧПУ. В процессе сборки возможно будут дополнения. Для того чтоб грязными руками не залапывать лицевую панель ЧПУ, наиболее используемые команды будут вынесены на пульт оператора - Пуск, Стоп, Пауза программы, перемещения по осям, включение шпинделя, охлаждение, обдув, отжим инструмента. Но вот задача которую я пока никак не решу это ремонт коробки скоростей шпинделя, мозгов моих пока не хватает. Раз десять разбирал и собирал и никак не получается чтоб скорости уверенно включались селектором. Все вроемя селектор закусывает или не вставляются в отверстия селектора штыри.
На белке купил новую станцию импульсной смазки Вогель и смазочные блоки дроссельные БДИ6 теперь это все надо будет связать и выдать на точки смазки. В процессе обдумывания системы смазки пришел к определенным наблюдениям:
1. Выход насоса - резьба 14х1,5.
2. Тройника/коллектора надо сваять.
3. Дроссельные блоки БДИ6 имеют так же на входе резьбу М14х1,5.
4. Выходные магистрали на точки смазки БДИ6 имеют резьбу 1/8".
Пришел к выводу, что для унификации тройник надо делать с вх/вых резьбами 14х1,5. Три часа в субботу и готовый тройник. В результате всю магистральную разводку по станку смогу делать ШВД с штуцерами 14х1,5.
В качестве бонуса достался шкаф выставочный с комплектацией для работы станка 16А20 под ЧПУ Балтсистем. Оч к стати, практически готовый шкаф для меня. Перерисовываю и добавляю схему под фрезерный.
По переработке схемы электроавтоматики составлены карты входных сигналов и выходных команд ЧПУ. В процессе сборки возможно будут дополнения. Для того чтоб грязными руками не залапывать лицевую панель ЧПУ, наиболее используемые команды будут вынесены на пульт оператора - Пуск, Стоп, Пауза программы, перемещения по осям, включение шпинделя, охлаждение, обдув, отжим инструмента. Но вот задача которую я пока никак не решу это ремонт коробки скоростей шпинделя, мозгов моих пока не хватает. Раз десять разбирал и собирал и никак не получается чтоб скорости уверенно включались селектором. Все вроемя селектор закусывает или не вставляются в отверстия селектора штыри.
- 19bvn58
- Опытный
- Сообщения: 113
- Зарегистрирован: 11 май 2017, 07:25
- Репутация: 69
- Настоящее имя: Валерий
- Откуда: Владимир
- Контактная информация:
Re: 67К25ПФ2 Вильнюс + БАЛТСИСТЕМ NC-230
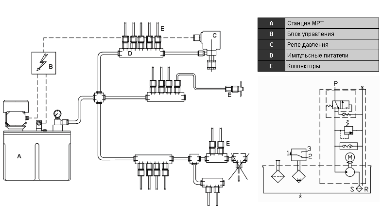
Приступил к монтажу системы импульсной смазки.
Установил коллектор, дроссельные блоки, начал монтаж трубок к точкам смазки. Для укладки трубок нарисовал и напечатал фиксаторы трубки. Трубки очень удобно крепить Наконец то добил коробку скоростей. Пришлось пойти на компромис.
Проблема в том, что мозгов разобраться с кинематикой селектора и работой шестерен у меня не хватает, но и переходить на прямой привод от ПЧ и отказываться от КС считаю неправильным. КС позволяет поднять момент на малых скоростях, которые используются хотя бы для нарезания резьб. Поэтому просчитал шестерни которые определяют диапазоны регулирования скорости в самой коробке, их оказалось три (диапазона), их оставил. Так же выбрал комплект (пару) шестерен непосредственно в селекторе внутри диапазона о скоростью 75% от максимальной в диапазоне и оставил эти шестерни.Получил в результате переключения три фиксированных скорости, а вот регулирование вниз и вверх (25%) будет плавным от ПЧ. Конечно переработка КС заключалась не только в удалении шестерен, много сил отнял селектор скоростей, доработка кулачков и рычагов-коромысел, которые передвигают шестерни диапазонов. Но это было уже проще отладить чем во всей КС.
Установил коллектор, дроссельные блоки, начал монтаж трубок к точкам смазки. Для укладки трубок нарисовал и напечатал фиксаторы трубки. Трубки очень удобно крепить Наконец то добил коробку скоростей. Пришлось пойти на компромис.
Проблема в том, что мозгов разобраться с кинематикой селектора и работой шестерен у меня не хватает, но и переходить на прямой привод от ПЧ и отказываться от КС считаю неправильным. КС позволяет поднять момент на малых скоростях, которые используются хотя бы для нарезания резьб. Поэтому просчитал шестерни которые определяют диапазоны регулирования скорости в самой коробке, их оказалось три (диапазона), их оставил. Так же выбрал комплект (пару) шестерен непосредственно в селекторе внутри диапазона о скоростью 75% от максимальной в диапазоне и оставил эти шестерни.Получил в результате переключения три фиксированных скорости, а вот регулирование вниз и вверх (25%) будет плавным от ПЧ. Конечно переработка КС заключалась не только в удалении шестерен, много сил отнял селектор скоростей, доработка кулачков и рычагов-коромысел, которые передвигают шестерни диапазонов. Но это было уже проще отладить чем во всей КС.
-
Malyarka74
- Мастер
- Сообщения: 695
- Зарегистрирован: 20 май 2017, 13:39
- Репутация: 158
- Настоящее имя: Сергей
- Контактная информация:
Re: 67К25ПФ2 Вильнюс + БАЛТСИСТЕМ NC-230
А фиксаторы трубок каким пластиком печатали? Нужно то же изготовить. Попробовали из АБС, так сломало при нажиме.
Заранее большоп спасибо
Заранее большоп спасибо
- 19bvn58
- Опытный
- Сообщения: 113
- Зарегистрирован: 11 май 2017, 07:25
- Репутация: 69
- Настоящее имя: Валерий
- Откуда: Владимир
- Контактная информация:
Re: 67К25ПФ2 Вильнюс + БАЛТСИСТЕМ NC-230
Прошу простить за то что не ответил быстро.
Фиксаторы печатаю из ПЛА, самый дружественный пластик.
Переработан шкаф электроавтоматики. В связи с переездом несколько отложены работы, но в ближайшую неделю-две думаю зашевелить оси
Фиксаторы печатаю из ПЛА, самый дружественный пластик.
Переработан шкаф электроавтоматики. В связи с переездом несколько отложены работы, но в ближайшую неделю-две думаю зашевелить оси
- 19bvn58
- Опытный
- Сообщения: 113
- Зарегистрирован: 11 май 2017, 07:25
- Репутация: 69
- Настоящее имя: Валерий
- Откуда: Владимир
- Контактная информация:
Re: 67К25ПФ2 Вильнюс + БАЛТСИСТЕМ NC-230
Зашевелилась ось Y
https://youtu.be/OztlEBuy1WE частота 100 Гц
https://youtu.be/4NNq0g1RjR4 частота 5 Гц.
https://youtu.be/4NNq0g1RjR4 частота 5 Гц.
- 19bvn58
- Опытный
- Сообщения: 113
- Зарегистрирован: 11 май 2017, 07:25
- Репутация: 69
- Настоящее имя: Валерий
- Откуда: Владимир
- Контактная информация:
Re: 67К25ПФ2 Вильнюс + БАЛТСИСТЕМ NC-230
Итак, после многочисленных попыток выбрать люфт в гайке оси Х:
1. Разборка, и контроль состояния половин гайки,
2. Контроль состояния шпонок,
3. Измерение и контроль при сборке зазора между половинками гайки,
4. Контроль натяга полугайки пружиной,
из попыток выбрать люфт в 30 градусов ничего не вышло. Всё сделанное раньше в топку. Хотя я изначально, теша себя надеждами на чудо, понимал что подобный исход неизбежен. Установим на ось Х ШВП.
Кроме того зазор между корпусом гайки и вертикальным столом выбирается специальной пластиной (помечена красным), однако толщина этой пластины явно мала и при сборке винт выгибается (притягивается к столу), звук премерзкий.
Видео работы оси Х
https://youtu.be/6lM0UDhlk0M
Видео работы оси Z
https://youtu.be/3G0MYbfPPhI
https://youtu.be/luIpOZwjxps
1. Разборка, и контроль состояния половин гайки,
2. Контроль состояния шпонок,
3. Измерение и контроль при сборке зазора между половинками гайки,
4. Контроль натяга полугайки пружиной,
из попыток выбрать люфт в 30 градусов ничего не вышло. Всё сделанное раньше в топку. Хотя я изначально, теша себя надеждами на чудо, понимал что подобный исход неизбежен. Установим на ось Х ШВП.
Кроме того зазор между корпусом гайки и вертикальным столом выбирается специальной пластиной (помечена красным), однако толщина этой пластины явно мала и при сборке винт выгибается (притягивается к столу), звук премерзкий.
Видео работы оси Х
https://youtu.be/6lM0UDhlk0M
Видео работы оси Z
https://youtu.be/3G0MYbfPPhI
https://youtu.be/luIpOZwjxps
- 19bvn58
- Опытный
- Сообщения: 113
- Зарегистрирован: 11 май 2017, 07:25
- Репутация: 69
- Настоящее имя: Валерий
- Откуда: Владимир
- Контактная информация:
Re: 67К25ПФ2 Вильнюс + БАЛТСИСТЕМ NC-230
Удалось чуть время выделить на станок. Подходит время монтажа кабелей и пульта управления.
Рассматривал разные варианты подвеса/установки пульта: коромысло сверху, штатный поворотный кронштейн, нижнюю поворотную стойку. Остановился на последней.
Фото предварительного монтажа. Внизу будет установлено опорное колесо с фиксатором. Не совсем удачное фотоиз-за узости технологического прохода, в результате перспектива очень искажает пропорции предметов.
Ощущение сильной завышенности опорной стойки. Правда станок стоит на поддоне, а не на виброопорах, а это лишние визуальные 15 см. Однако стойку наверняка придется укорачивать на 15-20 см.
Рассматривал разные варианты подвеса/установки пульта: коромысло сверху, штатный поворотный кронштейн, нижнюю поворотную стойку. Остановился на последней.
Фото предварительного монтажа. Внизу будет установлено опорное колесо с фиксатором. Не совсем удачное фотоиз-за узости технологического прохода, в результате перспектива очень искажает пропорции предметов.
Ощущение сильной завышенности опорной стойки. Правда станок стоит на поддоне, а не на виброопорах, а это лишние визуальные 15 см. Однако стойку наверняка придется укорачивать на 15-20 см.
-
a_l_e_x_Z
- Новичок
- Сообщения: 12
- Зарегистрирован: 08 авг 2017, 14:34
- Репутация: 0
- Настоящее имя: санчо
- Контактная информация:
Re: 67К25ПФ2 Вильнюс + БАЛТСИСТЕМ NC-230
Смазочные питатели дают порцию масла или просто делят поток?
- 19bvn58
- Опытный
- Сообщения: 113
- Зарегистрирован: 11 май 2017, 07:25
- Репутация: 69
- Настоящее имя: Валерий
- Откуда: Владимир
- Контактная информация:
Re: 67К25ПФ2 Вильнюс + БАЛТСИСТЕМ NC-230
Регулируют количественно поток по каждому каналу.a_l_e_x_Z писал(а):Cмазочные питатели дают порцию масла или просто делят поток?
Теперь по станку.
К сожалению из-за навалившегося летом объема работы, практически мало времени уделяю станку (железу), однако получил достаточно хорошие консультации и наладил хороший личный контакт с разработчиками и программистами Балтсистем.
И на Белке купил ШВП от Шаублина, длинный винт ф32 и с шагом 5 мм, это уже под замену продольного ходового винта. Надо нарисовать адаптер под посадку цилиндрической гайки ШВП и изготовить. Благо есть теперь на чем, за это время появился помощник - средний токарный китаец 1330.
Изготовил систему питания воздухом ПГУ, обдува инструмента, распыления СОЖ.
Фото выложу как приеду из отпуска.
- 19bvn58
- Опытный
- Сообщения: 113
- Зарегистрирован: 11 май 2017, 07:25
- Репутация: 69
- Настоящее имя: Валерий
- Откуда: Владимир
- Контактная информация:
Re: 67К25ПФ2 Вильнюс + БАЛТСИСТЕМ NC-230
Довел до ума систему разжима/зажима инструмента на станке. Первоначальные расчеты показали, что при к-те усиления ПГУ в 25 единиц, входного давления по воздуху в 1,5 атм с лихвой для получения на выходе 35 атм по гидравлике. В конце концов, после регулировки так и получилось.
Разжим и зажим инструмента в горизонтальном и вертикальном шпинделях.
https://youtu.be/MkbYhLzjAS8
https://youtu.be/1bgRECiF0MA
Прокладку вырвало маслом при давлении 200атм. Утром регулятор стоял на 8 атм и при включении разжима все 200 атм пришли в ГЦ разжима инструмента
https://youtu.be/MkbYhLzjAS8
https://youtu.be/1bgRECiF0MA
Прокладку вырвало маслом при давлении 200атм. Утром регулятор стоял на 8 атм и при включении разжима все 200 атм пришли в ГЦ разжима инструмента
- 19bvn58
- Опытный
- Сообщения: 113
- Зарегистрирован: 11 май 2017, 07:25
- Репутация: 69
- Настоящее имя: Валерий
- Откуда: Владимир
- Контактная информация:
Re: 67К25ПФ2 Вильнюс + БАЛТСИСТЕМ NC-230
Собрал пульт управления. Чпу пока не установлена.
Кулачки концевиков утрачены, попробуем вариант с напечатанными. На поверхности, по которым будет катиться шарик концевика, приклею стальную пластину.
-
Vaycartana
- Опытный
- Сообщения: 106
- Зарегистрирован: 15 мар 2018, 10:27
- Репутация: 12
- Настоящее имя: Sergey
- Контактная информация:
Re: 67К25ПФ2 Вильнюс + БАЛТСИСТЕМ NC-230
Интересно, почему именно НЦ выбрали, я у себя ее наоборот менять собираюсь.
-
aftaev
- Зачётный участник

- Сообщения: 34042
- Зарегистрирован: 04 апр 2010, 19:22
- Репутация: 6194
- Откуда: Казахстан.
- Контактная информация:
Re: 67К25ПФ2 Вильнюс + БАЛТСИСТЕМ NC-230
На что?Vaycartana писал(а):я у себя ее наоборот менять собираюсь.
Дилетанту сложные вещи кажутся очень простыми, и только профессионал понимает насколько сложна самая простая вещь
Кто хочет - ищет возможности, кто не хочет - ищет оправдание.
Найди работу по душе и тебе не придется работать.
Кто хочет - ищет возможности, кто не хочет - ищет оправдание.
Найди работу по душе и тебе не придется работать.
- 19bvn58
- Опытный
- Сообщения: 113
- Зарегистрирован: 11 май 2017, 07:25
- Репутация: 69
- Настоящее имя: Валерий
- Откуда: Владимир
- Контактная информация:
Re: 67К25ПФ2 Вильнюс + БАЛТСИСТЕМ NC-230
Эта стойка лежит у нас на складе для внутреннего применения, а мне была нужна стойка для 67к25. С программистами Балтсистемс у нас тесные и хорошие связи. Так, что методическая помощь может быть оказана нам в любой момент.
Кроме того Государственная программа по модернизации станочного парка на госпредприятиях и предприятиях находящихся под финансированием государства будут закупать исключительно отечественные системы ЧПУ, в том числе и Балтсистем. Для стыковки с нашими приводами (КЕВ) мы и получили эту стойку.
Теперь относительно пульта. На пульте продублированы управляющие приборы наиболее часто используемые оператором. Это сделано исходя из длительного собственного опыта. Залапать грязью пульт ЧПУ дело недолгое, поэтому для режима наладки все органы (кроме маховичка, он на панеле ЧПУ и фирменном выносном пульте) дублируются. Кроме того мне так привычнее для работы.
Кроме того Государственная программа по модернизации станочного парка на госпредприятиях и предприятиях находящихся под финансированием государства будут закупать исключительно отечественные системы ЧПУ, в том числе и Балтсистем. Для стыковки с нашими приводами (КЕВ) мы и получили эту стойку.
Теперь относительно пульта. На пульте продублированы управляющие приборы наиболее часто используемые оператором. Это сделано исходя из длительного собственного опыта. Залапать грязью пульт ЧПУ дело недолгое, поэтому для режима наладки все органы (кроме маховичка, он на панеле ЧПУ и фирменном выносном пульте) дублируются. Кроме того мне так привычнее для работы.
-
Vaycartana
- Опытный
- Сообщения: 106
- Зарегистрирован: 15 мар 2018, 10:27
- Репутация: 12
- Настоящее имя: Sergey
- Контактная информация:
Re: 67К25ПФ2 Вильнюс + БАЛТСИСТЕМ NC-230
19bvn58 писал(а):Эта стойка лежит у нас на складе для внутреннего применения, а мне была нужна стойка для 67к25. С программистами Балтсистемс у нас тесные и хорошие связи. Так, что методическая помощь может быть оказана нам в любой момент.
Кроме того Государственная программа по модернизации станочного парка на госпредприятиях и предприятиях находящихся под финансированием государства будут закупать исключительно отечественные системы ЧПУ, в том числе и Балтсистем. Для стыковки с нашими приводами (КЕВ) мы и получили эту стойку.
Теперь относительно пульта. На пульте продублированы управляющие приборы наиболее часто используемые оператором. Это сделано исходя из длительного собственного опыта. Залапать грязью пульт ЧПУ дело недолгое, поэтому для режима наладки все органы (кроме маховичка, он на панеле ЧПУ и фирменном выносном пульте) дублируются. Кроме того мне так привычнее для работы.
Если была, и госпредприятие тогда понятно. Про пульт полностью согласен, я себе на токарном тоже дополнительных кнопок повыводил, удобно.
-
Vaycartana
- Опытный
- Сообщения: 106
- Зарегистрирован: 15 мар 2018, 10:27
- Репутация: 12
- Настоящее имя: Sergey
- Контактная информация:
Re: 67К25ПФ2 Вильнюс + БАЛТСИСТЕМ NC-230
Linux + mesa, токарный уже так работает. + 2й фрезер сейчас собираю. А 3й для унификации переведу.aftaev писал(а):На что?Vaycartana писал(а):я у себя ее наоборот менять собираюсь.