StepMaster ver 2.5

Контроллеры, драйверы, датчики, управляющие устройства.
Аватара пользователя
michael-yurov
Почётный участник
Почётный участник
Сообщения: 11731
Зарегистрирован: 26 июл 2012, 00:10
Репутация: 4703
Настоящее имя: Михаил Львович
Откуда: Новоуральск
Контактная информация:

Re: StepMaster ver 2.5

Сообщение michael-yurov »

SVP писал(а):Нет, 45 страниц не читал.
И не надо!
SVP писал(а):С lcnc работает ?
Те кто пользуют — говорят, что хорошо работает, что польза хорошо заметна.
У LinuxCNC стабильный период сервоцикла, что важно, а мелкие огрехи генерации импульсов полностью исправляет плата.
А вот с mach3 частота / скорость может немного плавать, и это слышно, хотя на работу не влияет (при изменении частоты процессора меняется несущая частота драйвера, генерирующего импульсы на LPT).
SVP писал(а):Какие-то мануалы-примеры-тонкости есть ?
Мануалов нет. Недавно обсуждали проблему, что режим ChargePump нельзя включить в мастере первоначальной настройки LPT порта в LinuxCNC.
SVP писал(а):В родной документации вижу только для мач3 примеры. Его не хочу.
К сожалению, я сам LinuxCNC знаю недостаточно хорошо, чтобы включить руководство инструкцию по настройке.
Vlad_st
Новичок
Сообщения: 11
Зарегистрирован: 12 май 2016, 09:28
Репутация: 1
Настоящее имя: Влад
Контактная информация:

Re: StepMaster ver 2.5

Сообщение Vlad_st »

Михаил, нужна помощь!
Дошло дело до пуско-наладки станка, в процессе этого действа :cheesy: выяснил, что не работает Е-стоп. Управление НС-студио+Степмастер. Оси обнуляются, лимиты отрабатывает нормально. В общем гоню в ручную любую ось, жму Е-стоп, на плате светодиод загорается, но ничего не происходит, продолжает двигаться пока не достигнет лимита. Е-стоп нормально разомкнутый. Подключал строго так как нарисовано в мануале Насколько помню Ваши пояснения, на Степмастере Е-стоп связан с осью Х (лимитом) - то есть, как я понимаю, при нажатии Е-стоп станок должен решить, что он достиг лимита по оси Х и остановиться. Но почему-то едет дальше.
Как можно поправить это дело?
Аватара пользователя
Hanter
Мастер
Сообщения: 5414
Зарегистрирован: 27 янв 2012, 14:52
Репутация: 4338
Настоящее имя: Алексей
Откуда: Питер
Контактная информация:

Re: StepMaster ver 2.5

Сообщение Hanter »

Vlad_st писал(а): Е-стоп нормально разомкнутый.
вот это вас не смущает ?
Опыт - это когда на смену вопросам: "Что? Где? Когда? Как? Почему?" Приходит единственный вопрос: "Нахрена?"
==========================================
фрезерная и токарная обработка на станках с чпу.
Резка, гибка, сварка и порошковая окраса.
SVP
Мастер
Сообщения: 6140
Зарегистрирован: 19 дек 2012, 15:49
Репутация: 884
Откуда: Москва
Контактная информация:

Re: StepMaster ver 2.5

Сообщение SVP »

Vlad_st писал(а):Е-стоп нормально разомкнутый.
Яб даже добавил "да где вы их такие берете-то ???".
Действительно, в каталогах как показал опыт бывают, зачем они такие нужны неведомо, но точно не для ЧПУ.
(может где-то в момент е-стопа, скажем пневматика что-нибудь должна куда-нибудь "уводить" аналогово, тогда да...)
Аватара пользователя
michael-yurov
Почётный участник
Почётный участник
Сообщения: 11731
Зарегистрирован: 26 июл 2012, 00:10
Репутация: 4703
Настоящее имя: Михаил Львович
Откуда: Новоуральск
Контактная информация:

Re: StepMaster ver 2.5

Сообщение michael-yurov »

Vlad_st писал(а):Михаил, нужна помощь!
Дошло дело до пуско-наладки станка, в процессе этого действа выяснил, что не работает Е-стоп. Управление НС-студио+Степмастер. Оси обнуляются, лимиты отрабатывает нормально. В общем гоню в ручную любую ось, жму Е-стоп, на плате светодиод загорается, но ничего не происходит, продолжает двигаться пока не достигнет лимита. Е-стоп нормально разомкнутый. Подключал строго так как нарисовано в мануале Насколько помню Ваши пояснения, на Степмастере Е-стоп связан с осью Х (лимитом) - то есть, как я понимаю, при нажатии Е-стоп станок должен решить, что он достиг лимита по оси Х и остановиться. Но почему-то едет дальше.
У меня при ручном перемещении при срабатывании лимита любого станок временно останавливается, пока активен лимит, но как только его отпускаешь - продолжает движение.
Останавливается с ошибкой при срабатывании лимита только во время выполнения программы.
В NCStudio нет входа Estop, как такового.
Vlad_st писал(а):Как можно поправить это дело?
Не знаю. Зависит от того, что конкретно происходит не так.
Нужно посмотреть, что происходит на вкладке IO State (последняя вкладка в главном окне) при нажатии Estop.
Аватара пользователя
michael-yurov
Почётный участник
Почётный участник
Сообщения: 11731
Зарегистрирован: 26 июл 2012, 00:10
Репутация: 4703
Настоящее имя: Михаил Львович
Откуда: Новоуральск
Контактная информация:

Re: StepMaster ver 2.5

Сообщение michael-yurov »

Hanter писал(а):вот это вас не смущает ?
Со степмастером лучше использовать нормально разомкнутый. Почему - сам не смог понять. В схеме входов на плате совершенно ничего хитрого. Но несколько пользователей жаловались, что с нормально замкнутой кнопкой происходят ложные срабатывания Estop.
Почему у многих регулярно обрываются провода к этой красной кнопке — тоже так и не понял.
И почему обрывается именно провод от кнопки к плате, но ничего не ломается на плате, или после нее — тоже не знаю.
SVP
Мастер
Сообщения: 6140
Зарегистрирован: 19 дек 2012, 15:49
Репутация: 884
Откуда: Москва
Контактная информация:

Re: StepMaster ver 2.5

Сообщение SVP »

michael-yurov писал(а):Но несколько пользователей жаловались, что с нормально замкнутой кнопкой происходят ложные срабатывания Estop.
У меня тут была "авария" в результате которой с совсем другим контроллером, в его питание так "срали", что срабатывал естоп, который был запитан от единого со всем этим источника.
Т.е. по всей видимости были такие провалы по напряжению, что они были ниже логического уровня.
Фильтр какой-то примитивный надо на этот случай... наверное.
Но в целом, как по мне, так это всё показатель какой-то иной болезни. Если нормально замкнутый естоп не работает, что-то надо чинить, а не на нормально разомкнутый его менять.
Аватара пользователя
Vados92
Новичок
Сообщения: 25
Зарегистрирован: 22 дек 2017, 10:46
Репутация: 0
Контактная информация:

Re: StepMaster ver 2.5

Сообщение Vados92 »

Михаил Львович, здравствуйте! Хочу приобрести Вашу плату. Написал Вам на Email, но ответа нет. :wik: Как заказать и как оплатить? Спасибо)
Аватара пользователя
MX_Master
Мастер
Сообщения: 7490
Зарегистрирован: 27 июн 2015, 19:45
Репутация: 3113
Настоящее имя: Михаил
Откуда: Алматы
Контактная информация:

Re: StepMaster ver 2.5

Сообщение MX_Master »

Михаил Львович, как там строительство продвигается? Новые слайды будут? :)

:angle_grinder: :hammer: :rasp: :spanner: :pliers: :dirll:
Аватара пользователя
michael-yurov
Почётный участник
Почётный участник
Сообщения: 11731
Зарегистрирован: 26 июл 2012, 00:10
Репутация: 4703
Настоящее имя: Михаил Львович
Откуда: Новоуральск
Контактная информация:

Re: StepMaster ver 2.5

Сообщение michael-yurov »

Vados92 писал(а):Михаил Львович, здравствуйте! Хочу приобрести Вашу плату. Написал Вам на Email, но ответа нет. :wik: Как заказать и как оплатить? Спасибо)
Был сильно занят последние три дня. Сегодня всем ответил всем на почту.
Аватара пользователя
michael-yurov
Почётный участник
Почётный участник
Сообщения: 11731
Зарегистрирован: 26 июл 2012, 00:10
Репутация: 4703
Настоящее имя: Михаил Львович
Откуда: Новоуральск
Контактная информация:

Re: StepMaster ver 2.5

Сообщение michael-yurov »

MX_Master писал(а):Михаил Львович, как там строительство продвигается? Новые слайды будут? :)

:angle_grinder: :hammer: :rasp: :spanner: :pliers: :dirll:
Выложил в отдельной теме: http://www.cnc-club.ru/forum/viewtopic. ... 94#p461091
Vlad_st
Новичок
Сообщения: 11
Зарегистрирован: 12 май 2016, 09:28
Репутация: 1
Настоящее имя: Влад
Контактная информация:

Re: StepMaster ver 2.5

Сообщение Vlad_st »

Hanter писал(а):вот это вас не смущает ?
смущало, но в этой же теме где-то с год назад, я приставал к Михаилу с этим вопросом, ответ хорошо запомнил, собственно:
michael-yurov писал(а):Со степмастером лучше использовать нормально разомкнутый
michael-yurov писал(а):Нужно посмотреть, что происходит на вкладке IO State (последняя вкладка в главном окне) при нажатии Estop.
Спасибо, посмотрю, может что-то увижу.
Аватара пользователя
Hanter
Мастер
Сообщения: 5414
Зарегистрирован: 27 янв 2012, 14:52
Репутация: 4338
Настоящее имя: Алексей
Откуда: Питер
Контактная информация:

Re: StepMaster ver 2.5

Сообщение Hanter »

Vlad_st писал(а):смущало, но в этой же теме где-то с год назад, я приставал к Михаилу с этим вопросом, ответ хорошо запомнил, собственно:
Я понимаю что вы пошли по описанному Михаилом пути, но лично мое глубочайшее убеждение - это косяк и изначально неправильный путь.
michael-yurov писал(а):У меня при ручном перемещении при срабатывании лимита любого станок временно останавливается, пока активен лимит, но как только его отпускаешь - продолжает движение.
Михаил - вы реально считаете что это правильно ??
michael-yurov писал(а):Со степмастером лучше использовать нормально разомкнутый. Почему - сам не смог понять. В схеме входов на плате совершенно ничего хитрого. Но несколько пользователей жаловались, что с нормально замкнутой кнопкой происходят ложные срабатывания Estop.
Михаил - есть некие принципы построения систем безопасности. я понимаю что мы говорим о хобби, с мелкими шаговичками, которые теоретически ничего поломать особо ценного не могут... НО! те же сервочки уже могут натровить делов... и данные платы с ними используются достаточно часто. плюс многие уже выросли из уровня чисто "фанерных" станков. и их оборудование становится все выше и выше уровнем вплотную приближаясь к промышленному. а там вот эти "хочу так, хочу вот так" - мягко говоря череваты. ибо другие мозности и другие последствия аварий. по этому я в принципе противник таких решений.
michael-yurov писал(а):Почему у многих регулярно обрываются провода к этой красной кнопке — тоже так и не понял.
И почему обрывается именно провод от кнопки к плате, но ничего не ломается на плате, или после нее — тоже не знаю.
Вопрос не в том, почему они обламываюти или обрываются, вопрос в том, чтобы когда возникнет необходимость - аварийная ситуация, угроза поломки инструмента, детали, здоровью или не дай бок жизни - оборудование ГАРАНТИРОВАНО отработало аварийную остановку. Пусть оно 10 лет работает без таких ситуаций, но не дай бог что-то случится - оно должно ГАРАНТИРОВАНО встать. В ситуации с НЗ цепью обрыв продовда - не важно по какой причине приведет к остановке оборудования ибо будет воспринят как нажатие кнопки Е-Стоп... и машина не будет работать пока обрыв не будет устранен... В вашей же ситуации - с нормально-разомкнутой цепью - о разрыве никто не будет знать, и не дай бог чего - нажатие на Е-Стоп будет тупо проигронировано. со всеми вытекающими последствиями... По этому разница в моем понимании принципиальная. А что там обрывается, почему - это вопрос дрогого плана... народ вон витую пару ставит, даже не многожилку и ничего... довольны.. даже другим советуют...
Опыт - это когда на смену вопросам: "Что? Где? Когда? Как? Почему?" Приходит единственный вопрос: "Нахрена?"
==========================================
фрезерная и токарная обработка на станках с чпу.
Резка, гибка, сварка и порошковая окраса.
Аватара пользователя
michael-yurov
Почётный участник
Почётный участник
Сообщения: 11731
Зарегистрирован: 26 июл 2012, 00:10
Репутация: 4703
Настоящее имя: Михаил Львович
Откуда: Новоуральск
Контактная информация:

Re: StepMaster ver 2.5

Сообщение michael-yurov »

Я считаю, что если уж мы возлагаем на кнопку аварийной остановки большую ответственность - она должна работать не зависимо от платы опторазвязки, LPT кабеля, LPT порта, драйвера LPT, виндоуса и программы (речь про mach3).
Такая кнопка должна отключать питание силовой части. Как уж там конкретно — через контактор, или еще как, не столь важно.
Hanter писал(а):по этому я в принципе противник таких решений.
Значит не нужно подключать кнопку к плате, к LPT порту.
Не повысит безопасность нормально замкнутая кнопка в этой ситуации. Например, потому, что входы у LPT порта инвертированные. И если мы подключаем нормально замкнутую кнопку, получается, что пока она замкнута на входе LPT 0 вольт, а при нажатии на кнопку плата должна подать + 5 В на LPT вход. А если что-то не так с платой, и она не сможет подать эти +5 В на LPT?
Я говорю о том, что в данной ситуации нормально замкнутая кнопка всего лишь дает эффект самоуспокоения, т.к. мы не думаем, что происходит потом после этой кнопки.
Это как поставить на Жигули кованные легкоспланые диски, и все, теперь ты самолет!
Кстати, об автомобилях... Тормозная система в автомобиле — намного более важная и ответственная система, чем кнопка аварийной остановки, и автомобилей на свете намного больше, чем станков. Однако, почему-то производители продолжают делать гидравлику тормозной системы с низким давлением в неактивном состоянии. А если трубка оборвется во время движения?
Hanter писал(а):не дай бог что-то случится - оно должно ГАРАНТИРОВАНО встать
Тогда нужно рубильник ставить!, а не сигнал на LPT порт подавать.
Hanter писал(а):
michael-yurov писал(а):У меня при ручном перемещении при срабатывании лимита любого станок временно останавливается, пока активен лимит, но как только его отпускаешь - продолжает движение.
Михаил - вы реально считаете что это правильно ??
В NCStudio нет входа аварийной остановки. Но если активировать один из концевиков — программа остановит работу. Я решил, что если к плате уже будет подключена кнопка аварийной остановки, то стоит хотя бы таким способом останавливать выполнение программы, и это лучше, чем вообще ничего не делать при нажатии красной кнопки.
Аватара пользователя
Hanter
Мастер
Сообщения: 5414
Зарегистрирован: 27 янв 2012, 14:52
Репутация: 4338
Настоящее имя: Алексей
Откуда: Питер
Контактная информация:

Re: StepMaster ver 2.5

Сообщение Hanter »

michael-yurov писал(а):Значит не нужно подключать кнопку к плате, к LPT порту. Не повысит безопасность нормально замкнутая кнопка в этой ситуации. Например, потому, что входы у LPT порта инвертированные. И если мы подключаем нормально замкнутую кнопку, получается, что пока она замкнута на входе LPT 0 вольт, а при нажатии на кнопку плата должна подать + 5 В на LPT вход. А если что-то не так с платой, и она не сможет подать эти +5 В на LPT?
Ну эту цепочку можно продолжать.. в если что то не так с портом, а если че то не так с кабелем итд и тп. Вы считаете по своему, я считаю что цепь должна быть замкнута. любой разрыв цепи должен восприниматься как авария. и я не вижу причин почему плата не должна "подать сигнал".. он изначально присутствует. а вот пропадание сигнала - должно быть признаком нештатной ситуации. потому как проследить пропадание сигнала при обрывах и дефектах можно, а вот появлеине сигнала из неоткуда при аналогичных ситуациях - это большой вопрос..
michael-yurov писал(а):Кстати, об автомобилях... Тормозная система в автомобиле — намного более важная и ответственная система, чем кнопка аварийной остановки, и автомобилей на свете намного больше, чем станков. Однако, почему-то производители продолжают делать гидравлику тормозной системы с низким давлением в неактивном состоянии. А если трубка оборвется во время движения?
да ладно! покурите тему тормозов на большегрузах.. хрен вы его сдвините с места пока не поднимите давление в пневмосистеме. а гидравлика тока задает управляющий "сигнал".. и как то ездят :) ..
michael-yurov писал(а):Тогда нужно рубильник ставить!, а не сигнал на LPT порт подавать.
я считаю что нужно как минимум две цепи использовать - рвать сигнал энейбл, и подавать сигнал аварии на "мозг". и я свое оборудование строю именно по этой схеме. у меня везде задействованы две пары контактов на Е-стопе.
Опыт - это когда на смену вопросам: "Что? Где? Когда? Как? Почему?" Приходит единственный вопрос: "Нахрена?"
==========================================
фрезерная и токарная обработка на станках с чпу.
Резка, гибка, сварка и порошковая окраса.
SVP
Мастер
Сообщения: 6140
Зарегистрирован: 19 дек 2012, 15:49
Репутация: 884
Откуда: Москва
Контактная информация:

Re: StepMaster ver 2.5

Сообщение SVP »

michael-yurov писал(а):Значит не нужно подключать кнопку к плате, к LPT порту.
В общем вы правы, в дравера куда-то должен е-стоп вести. А к вам в систему с драйверов индикатор аварии.
Либо "и туда и сюда"

В общем-то для серв обычно драйвера имеют вход "авария" и при пропадании(!) на нём сигнала встают сразу "колом".
Точно также они "встают" когда срабатывают датчики лимитов, и уверяю вас, это вовсе не отключение питания.
Это торможение "в пол". При этом 100вт серва легко сдвигает по столу 80кг станок на несколько сантиметров.

Выключая питание вы лишь "отпускаете газ", получая сигнал аварии драйвер должен "тормозить в пол".
Иначе что-нибудь относительно большое, по инерции кого-нибудь угробит.
Аватара пользователя
Hanter
Мастер
Сообщения: 5414
Зарегистрирован: 27 янв 2012, 14:52
Репутация: 4338
Настоящее имя: Алексей
Откуда: Питер
Контактная информация:

Re: StepMaster ver 2.5

Сообщение Hanter »

SVP писал(а):В общем-то для серв обычно драйвера имеют вход "авария" и при пропадании(!) на нём сигнала встают сразу "колом".
выход мисье... ВЫХОД.. который говорит мозгу што "шото пошло не так"... доп цепи безопасности на яскавах появились только с 5ой сигмы.. и то зачастую там стоит заглушка.
за "всем сразу стоять бояца" - отвечает сигнал энейбл. от отрубает силовую часть. рвать нада именно его.
Опыт - это когда на смену вопросам: "Что? Где? Когда? Как? Почему?" Приходит единственный вопрос: "Нахрена?"
==========================================
фрезерная и токарная обработка на станках с чпу.
Резка, гибка, сварка и порошковая окраса.
Аватара пользователя
michael-yurov
Почётный участник
Почётный участник
Сообщения: 11731
Зарегистрирован: 26 июл 2012, 00:10
Репутация: 4703
Настоящее имя: Михаил Львович
Откуда: Новоуральск
Контактная информация:

Re: StepMaster ver 2.5

Сообщение michael-yurov »

SVP писал(а):и уверяю вас, это вовсе не отключение питания.
Hanter писал(а):за "всем сразу стоять бояца" - отвечает сигнал энейбл. от отрубает силовую часть. рвать нада именно его.
Я все это прекрасно понимаю. Так же как и вы. Но вот при всем при этом не знаю, как сделать лучше.
С разработкой своего контроллера и ПО — другое дело. Там можно сделать так, как нужно. А с интерфейсной платой под LPT и NCStudio, где вообще нет E-Stop — от меня мало что зависит.
Аватара пользователя
Hanter
Мастер
Сообщения: 5414
Зарегистрирован: 27 янв 2012, 14:52
Репутация: 4338
Настоящее имя: Алексей
Откуда: Питер
Контактная информация:

Re: StepMaster ver 2.5

Сообщение Hanter »

Михаил а я вам претензий никаких и не предъявлял. Я просто высказываю свое видение ситуации. Не нада все воспринимать как камень в огород. мы тут вроде собрались чтобы общаться - вот и давайте воспринимать все именно как нормальное человеческое общение. Не нада все сразу воспринимать как камень в огород. Я с вами абсолютно согласен что в случае с ЛПТ портом - все вот эти алярмы и естопы - это в соответствии с волей всевышнего :)

Мне в данной ситуации несколько непонятно почему НЗ кнопка работает хуже НО... у вас же входы лимитов организованы точно так же.. и они спокойно живут с обычными механическими концевиками... в чем разница то ?
Опыт - это когда на смену вопросам: "Что? Где? Когда? Как? Почему?" Приходит единственный вопрос: "Нахрена?"
==========================================
фрезерная и токарная обработка на станках с чпу.
Резка, гибка, сварка и порошковая окраса.
Аватара пользователя
michael-yurov
Почётный участник
Почётный участник
Сообщения: 11731
Зарегистрирован: 26 июл 2012, 00:10
Репутация: 4703
Настоящее имя: Михаил Львович
Откуда: Новоуральск
Контактная информация:

Re: StepMaster ver 2.5

Сообщение michael-yurov »

Hanter писал(а):Мне в данной ситуации несколько непонятно почему НЗ кнопка работает хуже НО... у вас же входы лимитов организованы точно так же.. и они спокойно живут с обычными механическими концевиками... в чем разница то ?
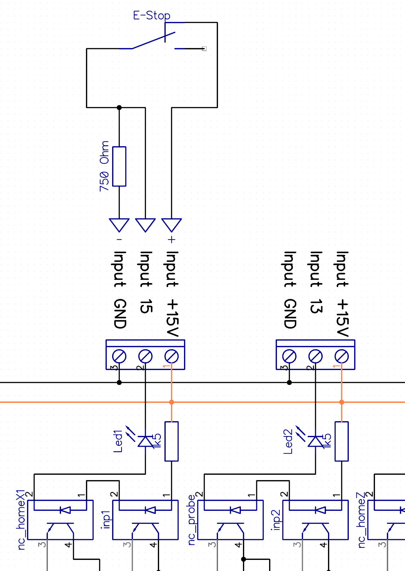
Да фиг его знает. У некоторых пользователей происходят ложные срабатывания. Скорее всего это связано, что на входах китайских блоков питания из за конденсаторов на клемме заземления обычно, присутствует 110 В. Та же история и с инвертором.
И, обычно, станкостроители заземляют все, кроме компьютера, и получается, что между системником и станком 110 В. Это приводит к протеканию паразитных токов через LPT кабель. А т.к. ко входам на плате подключается корпус шпинделя для датчика длины инструмента, что-то происходит не так, и появляются ложные срабатывания. При чем, что странно, появляются они при замкнутом входе!
Схема входов простая:
2018-09-19_14-36-52.png (1917 просмотров) <a class='original' href='./download/file.php?id=146643&mode=view' target=_blank>Загрузить оригинал (145.79 КБ)</a>
Если очень хочется нормально замкнутый Estop и не иметь проблем с ложными срабатываниями от сильных помех — можно сделать, добавив подтягивающий резистор на 750 Ом:
2018-09-19_14-37-34.png (1917 просмотров) <a class='original' href='./download/file.php?id=146644&mode=view' target=_blank>Загрузить оригинал (64.46 КБ)</a>
Ответить

Вернуться в «Электроника»