Валкодер для ЧПУ пульта

Контроллеры, драйверы, датчики, управляющие устройства.
Аватара пользователя
smart4on
Почётный участник
Почётный участник
Сообщения: 160
Зарегистрирован: 27 июн 2016, 18:54
Репутация: 34
Настоящее имя: Михаил
Откуда: Беларусь, Минск
Контактная информация:

Валкодер для ЧПУ пульта

Сообщение smart4on »

Ребята всем привет!
Решил заняться изготовлением пульта для своего станка. Не уверен что эта вещь нужна мне как воздух, поэтому решил начать с самодельного варианта.
Пересмотрев кучу вариантов понял что мне нужен простой пульт с возможностью переключения осей и шага, на подобии этого:
178.png (3436 просмотров) <a class='original' href='./download/file.php?id=143395&mode=view' target=_blank>Загрузить оригинал (119.23 КБ)</a>
Маховичек можно было заказать с Китая:
123.png (3436 просмотров) <a class='original' href='./download/file.php?id=143393&mode=view' target=_blank>Загрузить оригинал (324.67 КБ)</a>
Но опять таки 14у.е. тратить на игрушки не особо горю желанием. Лучше ZTT фрезу купить и сломать ее в поисках оптимальных режимов фрезеровки)
Поэтому решил сделать валкодер из ШД. Схема достаточно простая и проверенная:
1448556841_principialnaya-shema.png (3436 просмотров) <a class='original' href='./download/file.php?id=143396&mode=view' target=_blank>Загрузить оригинал (92.43 КБ)</a>
Собрал. Все работает. Но есть нюанс, если провернуть ШД на один "щелчек", то на осциллографе появляется высокий уровень сигнала (а не импульс). Т.е. Для корректной работы мне нужно два "щелчка" на один правильный сигнал, или 200шагов/2=100имп/об. как это пишут в заводском исполнении.
Может быть уже кто-то занимался этим вопросом, как это можно сделать? Обязательно ли добавлять контроллер? Или можно обойтись программной частью mach 3?

Подключать пульт собираюсь через второй LPT порт. ПО mach3 или если получиться, одновременно и нсстудио.
lkbyysq
Мастер
Сообщения: 2284
Зарегистрирован: 14 май 2016, 09:40
Репутация: 346
Настоящее имя: Станислав Ерофеев
Откуда: Санкт-Петербург

Re: Валкодер для ЧПУ пульта

Сообщение lkbyysq »

Одновибратор добавить. Будет импульс.
Последний раз редактировалось lkbyysq 25 июл 2018, 18:16, всего редактировалось 1 раз.
Аватара пользователя
MX_Master
Мастер
Сообщения: 7488
Зарегистрирован: 27 июн 2015, 19:45
Репутация: 3113
Настоящее имя: Михаил
Откуда: Алматы
Контактная информация:

Re: Валкодер для ЧПУ пульта

Сообщение MX_Master »

Про нативную поддержку энкодеров в Mach3 не скажу. А вот в LinuxCNC завести ручные энкодеры (по 0.5$) и накатать свою логику - нет проблем. Цена времени и общей конструкции с шаговиком может выйти на уровень тех же 14$, или дороже.
lkbyysq
Мастер
Сообщения: 2284
Зарегистрирован: 14 май 2016, 09:40
Репутация: 346
Настоящее имя: Станислав Ерофеев
Откуда: Санкт-Петербург

Re: Валкодер для ЧПУ пульта

Сообщение lkbyysq »

smart4on писал(а):Собрал. Все работает.
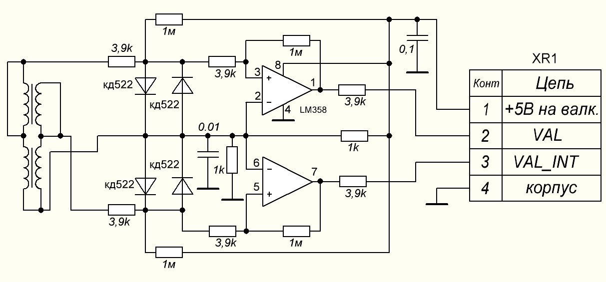
Не должна она работать как надо. Постоянное вращение будет отрабатывать. А вот в неподвижном состоянии хрень какая-то. На ОУ нет положительной обратной связи, значит стабильных состояний не будет. А должны быть.

Вот схема более рабочая.
Изображение
Аватара пользователя
Сергей Саныч
Мастер
Сообщения: 9116
Зарегистрирован: 30 май 2012, 14:20
Репутация: 2858
Откуда: Тюмень
Контактная информация:

Re: Валкодер для ЧПУ пульта

Сообщение Сергей Саныч »

Зачем половины обмоток закорочены?
Чудес не бывает. Бывают фокусы.
lkbyysq
Мастер
Сообщения: 2284
Зарегистрирован: 14 май 2016, 09:40
Репутация: 346
Настоящее имя: Станислав Ерофеев
Откуда: Санкт-Петербург

Re: Валкодер для ЧПУ пульта

Сообщение lkbyysq »

А это правильные диаграммы, которые должны быть на выходе валкодера.
e91c889e42579ecad340d1a61958b6051d9fc7ca.png (3395 просмотров) <a class='original' href='./download/file.php?id=143399&mode=view' target=_blank>Загрузить оригинал (29.32 КБ)</a>
И мач, и энцеха их съедят.
Последний раз редактировалось lkbyysq 25 июл 2018, 18:44, всего редактировалось 3 раза.
lkbyysq
Мастер
Сообщения: 2284
Зарегистрирован: 14 май 2016, 09:40
Репутация: 346
Настоящее имя: Станислав Ерофеев
Откуда: Санкт-Петербург

Re: Валкодер для ЧПУ пульта

Сообщение lkbyysq »

Сергей Саныч писал(а):Зачем половины обмоток закорочены?
Я вот тоже так сразу понять не могу.
Вот с ПОС и тоже обмотки закорочены.
Работает или нет не найти.
5372512.jpg (3395 просмотров) <a class='original' href='./download/file.php?id=143398&mode=view' target=_blank>Загрузить оригинал (78.8 КБ)</a>
lkbyysq
Мастер
Сообщения: 2284
Зарегистрирован: 14 май 2016, 09:40
Репутация: 346
Настоящее имя: Станислав Ерофеев
Откуда: Санкт-Петербург

Re: Валкодер для ЧПУ пульта

Сообщение lkbyysq »

А катушки ведь вроде не на одном магнитопроводе сидят. Значит закороченные обмотки на соседние влиять не будут. Но дадут эффект динамического торможения.
Аватара пользователя
smart4on
Почётный участник
Почётный участник
Сообщения: 160
Зарегистрирован: 27 июн 2016, 18:54
Репутация: 34
Настоящее имя: Михаил
Откуда: Беларусь, Минск
Контактная информация:

Re: Валкодер для ЧПУ пульта

Сообщение smart4on »

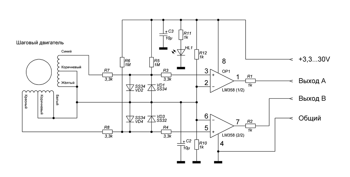
Мужики, схема выложенная мною действительно не очень стабильно работает. Резисторы 1МОм в цепи обратной связи исправляет ситуацию.
Фото готовой платки:
IMAG3523[1].jpg (3380 просмотров) <a class='original' href='./download/file.php?id=143400&mode=view' target=_blank>Загрузить оригинал (1.02 МБ)</a>
По поводу закороченных полу обмоток, они нужны для более четкого и жесткого вращения (шага) мотора. На практике я подключал обычный шд (4 провода) все работает стабильно.

MX_Master, По поводу окупаемости, ШД взят от принтера, поэтому на него я не тратился. LM358 была выпаяна мною. Расыпуха практически ничего не стоит.
Самая дорогая вещь - это плата расширения PCI-LPT (5у.е.). Но без нее и готовый пульт не подключишь.
По времени, соглашусь, но другого ответа на вопрос: "нужно ли мне все это" мне не получить за бюджетно. Буду колупаться.

lkbyysq, осциллограмма очень похожа на то что вы показали.

Попробую добавить схему одновибратора на нескольких транзисторах в скором времени.
lkbyysq
Мастер
Сообщения: 2284
Зарегистрирован: 14 май 2016, 09:40
Репутация: 346
Настоящее имя: Станислав Ерофеев
Откуда: Санкт-Петербург

Re: Валкодер для ЧПУ пульта

Сообщение lkbyysq »

Не нужен одновибратор в этой схеме. Она самодостаточна. Это квадратурный энкодер, который подходит для мача и энцехи.
Он нужен для других протоколов. Это CLK+/CLK- и STEP/DIR. Мач их может и понимает, но энцеха через задницу только.
Аватара пользователя
smart4on
Почётный участник
Почётный участник
Сообщения: 160
Зарегистрирован: 27 июн 2016, 18:54
Репутация: 34
Настоящее имя: Михаил
Откуда: Беларусь, Минск
Контактная информация:

Re: Валкодер для ЧПУ пульта

Сообщение smart4on »

lkbyysq писал(а):Не нужен одновибратор в этой схеме. Она самодостаточна. Это квадратурный энкодер, который подходит для мача и энцехи.
Он нужен для других протоколов. Это CLK+/CLK- и STEP/DIR. Мач их может и понимает, но энцеха через задницу только.
Так вы же сами предложили решение проблемы...)
Процитирую:
Но есть нюанс, если провернуть ШД на один "щелчек", то на осциллографе появляется высокий уровень сигнала (а не импульс). Т.е. Для корректной работы мне нужно два "щелчка" на один правильный сигнал, или 200шагов/2=100имп/об. как это пишут в заводском исполнении.
Может быть уже кто-то занимался этим вопросом, как это можно сделать?
lkbyysq
Мастер
Сообщения: 2284
Зарегистрирован: 14 май 2016, 09:40
Репутация: 346
Настоящее имя: Станислав Ерофеев
Откуда: Санкт-Петербург

Re: Валкодер для ЧПУ пульта

Сообщение lkbyysq »

smart4on писал(а):ПО mach3 или если получиться, одновременно и нсстудио.
И мачу и энцехе уже подойдет.
Увеличить импульсы в четыре раза можно достаточно просто, в результате получатся протоколы CLK+/CLK- или STEP/DIR. Но не уверен, что мач их поймет (научить думаю можно), а энцеха если и поймет, то через задницу.

Ключевая фраза "декодер квадратурного сигнала".
Аватара пользователя
Сергей Саныч
Мастер
Сообщения: 9116
Зарегистрирован: 30 май 2012, 14:20
Репутация: 2858
Откуда: Тюмень
Контактная информация:

Re: Валкодер для ЧПУ пульта

Сообщение Сергей Саныч »

lkbyysq писал(а):катушки ведь вроде не на одном магнитопроводе сидят
Конкретно эти полуобмотки - на одном. У двигателей, что я разбирал, они вообще в два провода намотаны. Во всяком случае, индуктивность полной обмотки больше индуктивности половины в 4 раза, а не в два.
То есть имеем магнитную связь около 100%. Соответственно, ЭДС с оставшейся полуобмотки будет значительно уменьшена.
А для ощущения фиксации имеет смысл пропустить через одну из полуобмоток небольшой ток. Например, через резистор в несколько десятков ом от 5В.
Чудес не бывает. Бывают фокусы.
lkbyysq
Мастер
Сообщения: 2284
Зарегистрирован: 14 май 2016, 09:40
Репутация: 346
Настоящее имя: Станислав Ерофеев
Откуда: Санкт-Петербург

Re: Валкодер для ЧПУ пульта

Сообщение lkbyysq »

На заметку.
Быстрые платы пятой NcStudio работают с таким валкодером криво. При использовании шага в 1мм гарантированы пропуски шагов вплоть до срыва движения или ухода драйвера в защиту. Рекомендую задать ускорение валкодера не более 200, пусть и при этом будет наблюдаться безумный перебег. При шаге 0.1 уже нормально. Но все равно мягкого движения не наблюдается.
Аватара пользователя
smart4on
Почётный участник
Почётный участник
Сообщения: 160
Зарегистрирован: 27 июн 2016, 18:54
Репутация: 34
Настоящее имя: Михаил
Откуда: Беларусь, Минск
Контактная информация:

Re: Валкодер для ЧПУ пульта

Сообщение smart4on »

Подключил к ПК по LPT кабелю. Не работает.
Вопрос можно ли как-то инвертировать сигнал от валкодера? До подключения осциллограмму снимал относительно 5В питания, я так понимаю что такой сигнал мач3 нормально не воспринимает.
Безымянный 2.JPG (3225 просмотров) <a class='original' href='./download/file.php?id=143510&mode=view' target=_blank>Загрузить оригинал (102.76 КБ)</a>
Безымянный.JPG (3225 просмотров) <a class='original' href='./download/file.php?id=143511&mode=view' target=_blank>Загрузить оригинал (136.45 КБ)</a>
lkbyysq
Мастер
Сообщения: 2284
Зарегистрирован: 14 май 2016, 09:40
Репутация: 346
Настоящее имя: Станислав Ерофеев
Откуда: Санкт-Петербург

Re: Валкодер для ЧПУ пульта

Сообщение lkbyysq »

smart4on писал(а):Подключил к ПК по LPT кабелю. Не работает.
Где схема подключения?
Аватара пользователя
smart4on
Почётный участник
Почётный участник
Сообщения: 160
Зарегистрирован: 27 июн 2016, 18:54
Репутация: 34
Настоящее имя: Михаил
Откуда: Беларусь, Минск
Контактная информация:

Re: Валкодер для ЧПУ пульта

Сообщение smart4on »

А- DB25-2
B- DB25-3
VDD (5V) и GND подаются отдельно от БП.
Все остальное подключение пока что не имеет никакой значимости (Точнее не зависит на работу валкодера)
IMAG3537.jpg (3166 просмотров) <a class='original' href='./download/file.php?id=143526&mode=view' target=_blank>Загрузить оригинал (1.58 МБ)</a>
Основу брал на основании схемы китайского пульта:
At3-2.jpg (3166 просмотров) <a class='original' href='./download/file.php?id=143527&mode=view' target=_blank>Загрузить оригинал (112.89 КБ)</a>
lkbyysq
Мастер
Сообщения: 2284
Зарегистрирован: 14 май 2016, 09:40
Репутация: 346
Настоящее имя: Станислав Ерофеев
Откуда: Санкт-Петербург

Re: Валкодер для ЧПУ пульта

Сообщение lkbyysq »

Детский сад.
GND объедините.
Аватара пользователя
smart4on
Почётный участник
Почётный участник
Сообщения: 160
Зарегистрирован: 27 июн 2016, 18:54
Репутация: 34
Настоящее имя: Михаил
Откуда: Беларусь, Минск
Контактная информация:

Re: Валкодер для ЧПУ пульта

Сообщение smart4on »

lkbyysq писал(а):Детский сад.
GND объедините.

Когда писал ответ, тоже самое коротнуло в голове) ;)
Буду пробовать уже в понедельник.
Аватара пользователя
Сергей Саныч
Мастер
Сообщения: 9116
Зарегистрирован: 30 май 2012, 14:20
Репутация: 2858
Откуда: Тюмень
Контактная информация:

Re: Валкодер для ЧПУ пульта

Сообщение Сергей Саныч »

Контакты 2 и 3 LPT в стандартном режиме - это выходы.
Чудес не бывает. Бывают фокусы.
Ответить

Вернуться в «Электроника»