Портальник по мягким металлам по проекту Фрезеряги.

Тяжелые фрезерные станки по металлу.
Аватара пользователя
Hanter
Мастер
Сообщения: 5414
Зарегистрирован: 27 янв 2012, 14:52
Репутация: 4338
Настоящее имя: Алексей
Откуда: Питер
Контактная информация:

Re: Портальник по мягким металлам по проекту Фрезеряги.

Сообщение Hanter »

UAVpilot писал(а): http://www.motioncontroltips.com/faq-wh ... -encoders/
Сергей, потрудитесь внимательно прочитать текст по приведенной вами ссылке и текст написанный мной. подозреваю что произойдет некоторое переосмысление.
Опыт - это когда на смену вопросам: "Что? Где? Когда? Как? Почему?" Приходит единственный вопрос: "Нахрена?"
==========================================
фрезерная и токарная обработка на станках с чпу.
Резка, гибка, сварка и порошковая окраса.
MGG
Мастер
Сообщения: 3673
Зарегистрирован: 08 фев 2016, 16:33
Репутация: 1010
Настоящее имя: Манн Геннадий Геннадьевич
Откуда: Москва
Контактная информация:

Re: Портальник по мягким металлам по проекту Фрезеряги.

Сообщение MGG »

Hanter писал(а):а энкодеры случаем не китайские ? а то эти поцы че угодно могут написать
Заявлено Tamagawa Seiki Japan. Конечно можно поговорить о том, что и написать можно что угодно :D
Вскрывать и смотреть не буду :D
http://www.cnc-club.ru/forum/viewtopic. ... 76#p304076 Поставки оборудования для ваших станков
https://www.instagram.com/dtw.moscow/
dtw.moscow@gmail.com
Аватара пользователя
Serg
Мастер
Сообщения: 21923
Зарегистрирован: 17 апр 2012, 14:58
Репутация: 5183
Заслуга: c781c134843e0c1a3de9
Настоящее имя: Сергей
Откуда: Москва
Контактная информация:

Re: Портальник по мягким металлам по проекту Фрезеряги.

Сообщение Serg »

Hanter писал(а):подозреваю что произойдет некоторое переосмысление.
Я как домой вернусь, покажу как сервомотор от Yaskawa с шильдиком 2500PPR генерит 10000 импульсов на оборот по показаниям самого сервопака...
А пока терпи, ну или сам попробуй. :)

P.S. Кстати ссылка на FAQ - полезно и другие вопросы почитать..
Я не Христос, рыбу не раздаю, но могу научить, как сделать удочку...
Аватара пользователя
Hanter
Мастер
Сообщения: 5414
Зарегистрирован: 27 янв 2012, 14:52
Репутация: 4338
Настоящее имя: Алексей
Откуда: Питер
Контактная информация:

Re: Портальник по мягким металлам по проекту Фрезеряги.

Сообщение Hanter »

Смотрите. на примере приведенной выше статьи.. диаграмма работы оптического энкодера из вашей ссылки:
X4-Encoding.gif
X4-Encoding.gif (11.72 КБ) 1679 просмотров
красным отмечено (по горизонтали) - метка. то есть красная полка - это одна метка оптического энкодера. думаю с этим не будете спорить...
дальше, у каждой метки есть два фронта - наростание (отмечено зеленым) и спад - отмечено синим... итого - каждая метка дает ДВА изменения фронта сигнала - наростание и спад...
а так как работают два канала (А и В) и каждая метка читается каждым каналом, то мы получаем 4 изменения фронта. то есть 4 отсчета.
Далее, следуя вашей ссылке, приведены еще два режима работы, которые выглядят вот так:
X2-Encoding.jpg (1679 просмотров) <a class='original' href='./download/file.php?id=104566&mode=view' target=_blank>Загрузить оригинал (35.05 КБ)</a>
и
X1-Encoding.jpg (1679 просмотров) <a class='original' href='./download/file.php?id=104565&mode=view' target=_blank>Загрузить оригинал (33.51 КБ)</a>

на которых мы видим, что в режиме Х2 может быть использован только один канал, но оба фронта.. (информация о направлении вращения будет потеряна) но импульсов будет в два раза меньше..
кстати непонятно почему не например нарастающие фронты обоих каналов....
и в режиме Х1 вообще только нарастающий фронт одного канала...

Так вот разница заключается в том, что для энкодеров с обозначением LPR - это будет справедливо. ибо метку можно прочесть один раз, два раза и 4 раза.. то есть режимы будут х1, х2 и х4...
а вот для энкодеров PPR это не справедливо, ибо указывается максимальное количество импульсов (изменений фронта) и режимы будут Х, Х/2 и Х/4.... но не хХХ то есть поделить количество
реально выдаваемых энкодером импульсов мы можем. а умножить вероятно тоже можем но не средствами самого энкодера. а если это делается не средствами самого энкодера, то это будет справедливо и для LPR энкодеров.
Опыт - это когда на смену вопросам: "Что? Где? Когда? Как? Почему?" Приходит единственный вопрос: "Нахрена?"
==========================================
фрезерная и токарная обработка на станках с чпу.
Резка, гибка, сварка и порошковая окраса.
aftaev
Зачётный участник
Зачётный участник
Сообщения: 34042
Зарегистрирован: 04 апр 2010, 19:22
Репутация: 6194
Откуда: Казахстан.
Контактная информация:

Re: Портальник по мягким металлам по проекту Фрезеряги.

Сообщение aftaev »

Hanter писал(а):Саш, мы уже обсуждали эту тему тут:
Я знаю что эта тема всплывала. И по форуму давно понял как делает в жизни. Берут в руки энкодер, там циферка 2500 что там LPR или PPR никто не разбирается. В мастере Lcnc сказано значение энкодера х4 и вбить в это поле. Работает - ОК! Вот так и делают и не разбирают риски, полоски или точки в энкодере :)
Дилетанту сложные вещи кажутся очень простыми, и только профессионал понимает насколько сложна самая простая вещь
Кто хочет - ищет возможности, кто не хочет - ищет оправдание.
Найди работу по душе и тебе не придется работать.
Аватара пользователя
Hanter
Мастер
Сообщения: 5414
Зарегистрирован: 27 янв 2012, 14:52
Репутация: 4338
Настоящее имя: Алексей
Откуда: Питер
Контактная информация:

Re: Портальник по мягким металлам по проекту Фрезеряги.

Сообщение Hanter »

UAVpilot писал(а):Я как домой вернусь, покажу как сервомотор от Yaskawa с шильдиком 2500PPR генерит 10000 импульсов на оборот по показаниям самого сервопака...
по показаниям сервопака он может генерить что угодно. хоть 5 млн.. вопрос стоял про сам энкодер. если с него выходит 10 тыщ импульсов - вы их средствами самого энкодера в 40 не превратите. в 5 или 2.5 запросто.. просто игнорируя часть сигналов.. но не в 20 или 40..
могу со своей стороны продемонстрировать что вот такой мотор:
s-l111600 (3).gif (1667 просмотров) <a class='original' href='./download/file.php?id=104569&mode=view' target=_blank>Загрузить оригинал (283.7 КБ)</a>

дает ровно 4 тыщи импульсов.. максимум..
а вот такой энкодер
s-l11600 (3).gif (1667 просмотров) <a class='original' href='./download/file.php?id=104568&mode=view' target=_blank>Загрузить оригинал (377.96 КБ)</a>
дает ровно заявленные 10 тыщ импульсов...
Опыт - это когда на смену вопросам: "Что? Где? Когда? Как? Почему?" Приходит единственный вопрос: "Нахрена?"
==========================================
фрезерная и токарная обработка на станках с чпу.
Резка, гибка, сварка и порошковая окраса.
Аватара пользователя
Hanter
Мастер
Сообщения: 5414
Зарегистрирован: 27 янв 2012, 14:52
Репутация: 4338
Настоящее имя: Алексей
Откуда: Питер
Контактная информация:

Re: Портальник по мягким металлам по проекту Фрезеряги.

Сообщение Hanter »

aftaev писал(а):Я знаю что эта тема всплывала. И по форуму давно понял как делает в жизни. Берут в руки энкодер, там циферка 2500 что там LPR или PPR никто не разбирается. В мастере Lcnc сказано значение энкодера х4 и вбить в это поле. Работает - ОК! Вот так и делают и не разбирают риски, полоски или точки в энкодере
ага... а потом всплывают темы - почему у меня размеры в 4 раза меньше :) может сначала нада разобраться ЧТО вбивается в это поле ????
Опыт - это когда на смену вопросам: "Что? Где? Когда? Как? Почему?" Приходит единственный вопрос: "Нахрена?"
==========================================
фрезерная и токарная обработка на станках с чпу.
Резка, гибка, сварка и порошковая окраса.
nkp
Мастер
Сообщения: 8340
Зарегистрирован: 28 ноя 2011, 00:25
Репутация: 1589
Контактная информация:

Re: Портальник по мягким металлам по проекту Фрезеряги.

Сообщение nkp »

Hanter писал(а):почему у меня размеры в 4 раза меньше
это могут быть комплексы :freak:
по энкодеру:
а CPR тут упоминали?
некоторые изготовители пользуются именно CPR
Выделение_060.png (1660 просмотров) <a class='original' href='./download/file.php?id=104571&mode=view' target=_blank>Загрузить оригинал (268.72 КБ)</a>
Выделение_061.png (1656 просмотров) <a class='original' href='./download/file.php?id=104574&mode=view' target=_blank>Загрузить оригинал (147.73 КБ)</a>
это отсюда
Последний раз редактировалось nkp 27 фев 2017, 12:54, всего редактировалось 2 раза.
Аватара пользователя
Serg
Мастер
Сообщения: 21923
Зарегистрирован: 17 апр 2012, 14:58
Репутация: 5183
Заслуга: c781c134843e0c1a3de9
Настоящее имя: Сергей
Откуда: Москва
Контактная информация:

Re: Портальник по мягким металлам по проекту Фрезеряги.

Сообщение Serg »

Hanter писал(а):на которых мы видим, что в режиме Х2 может быть использован только один канал, но оба фронта.. (информация о направлении вращения будет потеряна) но импульсов будет в два раза меньше..
Однако если присмотреться повнимательнее, то можно заметить, что информация о направлении не терятся, т.к. используются оба канала... :)
Hanter писал(а):могу со своей стороны продемонстрировать что вот такой мотор:
Так я в первом-же посте в первом-же предложении написал:
UAVpilot писал(а):Как параметр энкодера LPR и PPR равнозначны
Я не Христос, рыбу не раздаю, но могу научить, как сделать удочку...
Аватара пользователя
Hanter
Мастер
Сообщения: 5414
Зарегистрирован: 27 янв 2012, 14:52
Репутация: 4338
Настоящее имя: Алексей
Откуда: Питер
Контактная информация:

Re: Портальник по мягким металлам по проекту Фрезеряги.

Сообщение Hanter »

UAVpilot писал(а):Однако если присмотреться повнимательнее, то можно заметить, что информация о направлении не терятся, т.к. используются оба канала...
в режиме Х2 ??? продемонстрируйте плиз на картинке...
UAVpilot писал(а):Так я в первом-же посте в первом-же предложении написал:
чем они равнозначны ?? тем что несут информацию о "разрешении" энкодера - да. согласен.. но информацию то они несут разную...
Опыт - это когда на смену вопросам: "Что? Где? Когда? Как? Почему?" Приходит единственный вопрос: "Нахрена?"
==========================================
фрезерная и токарная обработка на станках с чпу.
Резка, гибка, сварка и порошковая окраса.
aftaev
Зачётный участник
Зачётный участник
Сообщения: 34042
Зарегистрирован: 04 апр 2010, 19:22
Репутация: 6194
Откуда: Казахстан.
Контактная информация:

Re: Портальник по мягким металлам по проекту Фрезеряги.

Сообщение aftaev »

Hanter писал(а):ага... а потом всплывают темы - почему у меня размеры в 4 раза меньше
И потом начинают в поле энкодера уменьшать циферки в 4 раза - и все работает :)
Hanter писал(а):может сначала нада разобраться ЧТО вбивается в это поле ????
А для этого нужно читать мануалы, а всем хочется по быстрому :)
Дилетанту сложные вещи кажутся очень простыми, и только профессионал понимает насколько сложна самая простая вещь
Кто хочет - ищет возможности, кто не хочет - ищет оправдание.
Найди работу по душе и тебе не придется работать.
Аватара пользователя
Serg
Мастер
Сообщения: 21923
Зарегистрирован: 17 апр 2012, 14:58
Репутация: 5183
Заслуга: c781c134843e0c1a3de9
Настоящее имя: Сергей
Откуда: Москва
Контактная информация:

Re: Портальник по мягким металлам по проекту Фрезеряги.

Сообщение Serg »

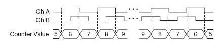
Hanter писал(а):в режиме Х2 ??? продемонстрируйте плиз на картинке...
Легко! Достаточно обратить внимание на циферки в "Counter Value". И в х1, и в х2, и в х4.
Я не Христос, рыбу не раздаю, но могу научить, как сделать удочку...
nkp
Мастер
Сообщения: 8340
Зарегистрирован: 28 ноя 2011, 00:25
Репутация: 1589
Контактная информация:

Re: Портальник по мягким металлам по проекту Фрезеряги.

Сообщение nkp »

квалифицированного холивара в этот раз не выйдет,так как действительно разные изготовители
пользуют разные "надписи" (китайцы в большей степени,потому как ваяют в "большей степени" :) )
вот самый дешевый (с данным разрешением) энкодер,написано 2000 p\r ,а выдает 8000ppr
44.jpg (1632 просмотра) <a class='original' href='./download/file.php?id=104578&mode=view' target=_blank>Загрузить оригинал (3.37 МБ)</a>
Аватара пользователя
Hanter
Мастер
Сообщения: 5414
Зарегистрирован: 27 янв 2012, 14:52
Репутация: 4338
Настоящее имя: Алексей
Откуда: Питер
Контактная информация:

Re: Портальник по мягким металлам по проекту Фрезеряги.

Сообщение Hanter »

UAVpilot писал(а): Легко! Достаточно обратить внимание на циферки в "Counter Value". И в х1, и в х2, и в х4.
и что ?? лично я вижу использование обоих фронтов канала А.. вертикальные сноски и циферки внизу это подтверждают... покажите если не сложно пальцем где использована информация с канала В...
Опыт - это когда на смену вопросам: "Что? Где? Когда? Как? Почему?" Приходит единственный вопрос: "Нахрена?"
==========================================
фрезерная и токарная обработка на станках с чпу.
Резка, гибка, сварка и порошковая окраса.
Аватара пользователя
Serg
Мастер
Сообщения: 21923
Зарегистрирован: 17 апр 2012, 14:58
Репутация: 5183
Заслуга: c781c134843e0c1a3de9
Настоящее имя: Сергей
Откуда: Москва
Контактная информация:

Re: Портальник по мягким металлам по проекту Фрезеряги.

Сообщение Serg »

Hanter писал(а):и что ?? лично я вижу использование обоих фронтов канала А.. вертикальные сноски и циферки внизу это подтверждают... покажите если не сложно пальцем где использована информация с канала В...
См. на фазовый сдвиг между A и B и на направление счёта в левых и правых частях картинок...
Я не Христос, рыбу не раздаю, но могу научить, как сделать удочку...
Аватара пользователя
Hanter
Мастер
Сообщения: 5414
Зарегистрирован: 27 янв 2012, 14:52
Репутация: 4338
Настоящее имя: Алексей
Откуда: Питер
Контактная информация:

Re: Портальник по мягким металлам по проекту Фрезеряги.

Сообщение Hanter »

вертикальные штриховые линии показывают сигнал читаемый с энкодера.... разве нет ????. если учесть сигнал со второго канала получится картинка с "х4"... разве нет ??
Опыт - это когда на смену вопросам: "Что? Где? Когда? Как? Почему?" Приходит единственный вопрос: "Нахрена?"
==========================================
фрезерная и токарная обработка на станках с чпу.
Резка, гибка, сварка и порошковая окраса.
Аватара пользователя
rage
Мастер
Сообщения: 1014
Зарегистрирован: 13 окт 2014, 09:14
Репутация: 621
Настоящее имя: Константин
Откуда: МО
Контактная информация:

Re: Портальник по мягким металлам по проекту Фрезеряги.

Сообщение rage »

Мужики, я так и не понял! Станок то заработал? :)
Duhas
Мастер
Сообщения: 1961
Зарегистрирован: 10 окт 2015, 23:25
Репутация: 285
Настоящее имя: Андрей
Откуда: Красноярск
Контактная информация:

Re: Портальник по мягким металлам по проекту Фрезеряги.

Сообщение Duhas »

Hanter писал(а): могу со своей стороны продемонстрировать что вот такой мотор:
s-l111600 (3).gif

дает ровно 4 тыщи импульсов.. максимум..
а вот такой энкодер
s-l11600 (3).gif
дает ровно заявленные 10 тыщ импульсов...
а вы об этом как узнали? осциллографом?
MGG
Мастер
Сообщения: 3673
Зарегистрирован: 08 фев 2016, 16:33
Репутация: 1010
Настоящее имя: Манн Геннадий Геннадьевич
Откуда: Москва
Контактная информация:

Re: Портальник по мягким металлам по проекту Фрезеряги.

Сообщение MGG »

rage писал(а):Мужики, я так и не понял! Станок то заработал? :)
Не до станка, когда такие споры и в интернете кто-то не прав!
http://www.cnc-club.ru/forum/viewtopic. ... 76#p304076 Поставки оборудования для ваших станков
https://www.instagram.com/dtw.moscow/
dtw.moscow@gmail.com
Аватара пользователя
Serg
Мастер
Сообщения: 21923
Зарегистрирован: 17 апр 2012, 14:58
Репутация: 5183
Заслуга: c781c134843e0c1a3de9
Настоящее имя: Сергей
Откуда: Москва
Контактная информация:

Re: Портальник по мягким металлам по проекту Фрезеряги.

Сообщение Serg »

Hanter писал(а):вертикальные штриховые линии показывают сигнал читаемый с энкодера.... разве нет ????. если учесть сигнал со второго канала получится картинка с "х4"... разве нет ??
Вертикальные штриховые линии показывают фронты канала А, по которым меняется значение счётчика. Эти линии проходят через "график" канала В, уровни которого и задают направление счёта.
Например картинка про х2:
Положительный фронт А при низком уровне В увеличивает счётчик на единицу.
Отрицательный фронт А при высоком уровне В увеличивает счётчик на единицу.
Положительный фронт А при высоком уровне В уменьшает счётчик на единицу.
Отрицательный фронт А при низком уровне В уменьшает счётчик на единицу.
В итоге в левой части катинки счёт идёт от 5 до 9, а в правой от 9 до 5.
Я не Христос, рыбу не раздаю, но могу научить, как сделать удочку...
Ответить

Вернуться в «Фрезерные станки по металлам»