А там не написано каким должен быть этот "разрешающий сигнал", active high или active low?..Rom327 писал(а):Похоже действительно, на EN надо подать напряжение....
USB Motion Card STB4100
- Serg
- Мастер
- Сообщения: 21923
- Зарегистрирован: 17 апр 2012, 14:58
- Репутация: 5183
- Заслуга: c781c134843e0c1a3de9
- Настоящее имя: Сергей
- Откуда: Москва
- Контактная информация:
Re: USB Motion Card STB4100
Я не Христос, рыбу не раздаю, но могу научить, как сделать удочку...
- Rom327
- Почётный участник

- Сообщения: 2989
- Зарегистрирован: 03 апр 2015, 13:23
- Репутация: 437
- Настоящее имя: Роман
- Откуда: Подольск
- Контактная информация:
Re: USB Motion Card STB4100
А кто отменил "метод тыка"?UAVpilot писал(а):А там не написано каким должен быть этот "разрешающий сигнал", active high или active low?..Rom327 писал(а):Похоже действительно, на EN надо подать напряжение....
Это сугубо мое мнение, могу и ошибаться...
https://vk.com/rom327
GRBL настройки: http://blogandbux.blogspot.com/2018/07/ ... revod.html
G коды: http://3d-stanki.ru/spravochnik/program ... stankov-2/
https://vk.com/rom327
GRBL настройки: http://blogandbux.blogspot.com/2018/07/ ... revod.html
G коды: http://3d-stanki.ru/spravochnik/program ... stankov-2/
- slooter
- Мастер
- Сообщения: 212
- Зарегистрирован: 24 авг 2016, 12:23
- Репутация: 16
- Настоящее имя: Виталий К
- Контактная информация:
Re: USB Motion Card STB4100
+100500! И вообще, что ранее предлагал уважаемый Rom327 имхо в точку! ждем аффтора вопроса.Rom327 писал(а): А кто отменил "метод тыка"?
- slooter
- Мастер
- Сообщения: 212
- Зарегистрирован: 24 авг 2016, 12:23
- Репутация: 16
- Настоящее имя: Виталий К
- Контактная информация:
Re: USB Motion Card STB4100
могу на почту скинуть. маякните если чтоmichael-yurov писал(а):Можно скриншот из документации?
Мне что-то вообще не удалось найти документацию от производителя.
- slooter
- Мастер
- Сообщения: 212
- Зарегистрирован: 24 авг 2016, 12:23
- Репутация: 16
- Настоящее имя: Виталий К
- Контактная информация:
Re: USB Motion Card STB4100
active highUAVpilot писал(а):А там не написано каким должен быть этот "разрешающий сигнал", active high или active low?..
- michael-yurov
- Почётный участник

- Сообщения: 11731
- Зарегистрирован: 26 июл 2012, 00:10
- Репутация: 4703
- Настоящее имя: Михаил Львович
- Откуда: Новоуральск
- Контактная информация:
Re: USB Motion Card STB4100
Да, действительно, наврали в документации!
- Rom327
- Почётный участник

- Сообщения: 2989
- Зарегистрирован: 03 апр 2015, 13:23
- Репутация: 437
- Настоящее имя: Роман
- Откуда: Подольск
- Контактная информация:
Re: USB Motion Card STB4100
Позволю себе небольшую оговорку, так сказать лирическое отступление... Если на драйвер общим проводом оптопар заведена земля (GND, минус питания), тогда, чтобы засветился светодиод в оптопаре на него надо подать плюс питания или высокий уровень, он же high. А если на драйвер общим проводом оптопар заведен + питания, тогда, чтобы засветился светодиод в оптопаре на него надо подать минус питания, GND или низкий уровень, он же Low. Вот и получается, что указание на то, какой сигнал будет активным, то есть включающим светодиод в оптопаре, не корректно без конкретной схемы подключения.slooter писал(а):active highUAVpilot писал(а):А там не написано каким должен быть этот "разрешающий сигнал", active high или active low?..
Это сугубо мое мнение, могу и ошибаться...
https://vk.com/rom327
GRBL настройки: http://blogandbux.blogspot.com/2018/07/ ... revod.html
G коды: http://3d-stanki.ru/spravochnik/program ... stankov-2/
https://vk.com/rom327
GRBL настройки: http://blogandbux.blogspot.com/2018/07/ ... revod.html
G коды: http://3d-stanki.ru/spravochnik/program ... stankov-2/
- Serg
- Мастер
- Сообщения: 21923
- Зарегистрирован: 17 апр 2012, 14:58
- Репутация: 5183
- Заслуга: c781c134843e0c1a3de9
- Настоящее имя: Сергей
- Откуда: Москва
- Контактная информация:
Re: USB Motion Card STB4100
Хотел напомнить про разность потенциалов, но решил, что в этой дискуссии это не имеет смысла...Rom327 писал(а):Вот и получается, что указание на то, какой сигнал будет активным, то есть включающим светодиод в оптопаре, не корректно без конкретной схемы подключения.
Есть очень простой тест: отключите все провода от ENA и драйвер будет работать...
Я не Христос, рыбу не раздаю, но могу научить, как сделать удочку...
- Rom327
- Почётный участник

- Сообщения: 2989
- Зарегистрирован: 03 апр 2015, 13:23
- Репутация: 437
- Настоящее имя: Роман
- Откуда: Подольск
- Контактная информация:
Re: USB Motion Card STB4100
Ждем, когда появится sergei___79. Уточним у него, что и как... и запустим!UAVpilot писал(а):Хотел напомнить про разность потенциалов, но решил, что в этой дискуссии это не имеет смысла...Rom327 писал(а):Вот и получается, что указание на то, какой сигнал будет активным, то есть включающим светодиод в оптопаре, не корректно без конкретной схемы подключения.
Есть очень простой тест: отключите все провода от ENA и драйвер будет работать...
Если он подключал по схеме из поста #48, тогда концы EN и так отключены, но у него ничего не заработало... На очереди эксперименты с подключением...
Это сугубо мое мнение, могу и ошибаться...
https://vk.com/rom327
GRBL настройки: http://blogandbux.blogspot.com/2018/07/ ... revod.html
G коды: http://3d-stanki.ru/spravochnik/program ... stankov-2/
https://vk.com/rom327
GRBL настройки: http://blogandbux.blogspot.com/2018/07/ ... revod.html
G коды: http://3d-stanki.ru/spravochnik/program ... stankov-2/
- slooter
- Мастер
- Сообщения: 212
- Зарегистрирован: 24 авг 2016, 12:23
- Репутация: 16
- Настоящее имя: Виталий К
- Контактная информация:
Re: USB Motion Card STB4100
чтоб его провести, нужно его сначало запустить.UAVpilot писал(а):Есть очень простой тест: отключите все провода от ENA и драйвер будет работать...
сказав "А" обычно говорят и "Б" а как вы себя проявляете ... не камильфоUAVpilot писал(а):Хотел напомнить про разность потенциалов, но решил, что в этой дискуссии это не имеет смысла...
- Serg
- Мастер
- Сообщения: 21923
- Зарегистрирован: 17 апр 2012, 14:58
- Репутация: 5183
- Заслуга: c781c134843e0c1a3de9
- Настоящее имя: Сергей
- Откуда: Москва
- Контактная информация:
Re: USB Motion Card STB4100
Я сказал всё, что хотел сказать, со всеми запятыми и буквами...slooter писал(а):сказав "А" обычно говорят и "Б" а как вы себя проявляете ... не камильфо
Я не Христос, рыбу не раздаю, но могу научить, как сделать удочку...
-
sergei___79
- Новичок
- Сообщения: 6
- Зарегистрирован: 13 дек 2016, 09:39
- Репутация: 0
- Настоящее имя: Седов Сергей Владимирович
- Контактная информация:
Re: USB Motion Card STB4100
Спасибо всем за участие и советы! Проделал эти два пункта и все заработало,Rom327 спасибо за настройки.Пробовал подключать ENA+ работает также разницы не заметил,а вот если подключить ENА- загораеться красный на драйвере.Схема будет ниже .slooter писал(а):нужно сделать следующее:
1) проверить схему; 2) проверить настройки мача (имхо снести его нафиг и поставить заново в соответствии с мануалом) попробовать "родные" настройки (по мануалу), если не пойдет, то настройки комрада Rom327;
-
sergei___79
- Новичок
- Сообщения: 6
- Зарегистрирован: 13 дек 2016, 09:39
- Репутация: 0
- Настоящее имя: Седов Сергей Владимирович
- Контактная информация:
-
sergei___79
- Новичок
- Сообщения: 6
- Зарегистрирован: 13 дек 2016, 09:39
- Репутация: 0
- Настоящее имя: Седов Сергей Владимирович
- Контактная информация:
Re: USB Motion Card STB4100
Есть еще несколько вопросов : запитал Card STB4100 на прямую от блока питания компа 12V.Нужно ли подключение через тумблер? Нужен ли отдельный блок питания,и какое напляжение оптимально 12 или 24 ?
- Rom327
- Почётный участник

- Сообщения: 2989
- Зарегистрирован: 03 апр 2015, 13:23
- Репутация: 437
- Настоящее имя: Роман
- Откуда: Подольск
- Контактная информация:
Re: USB Motion Card STB4100
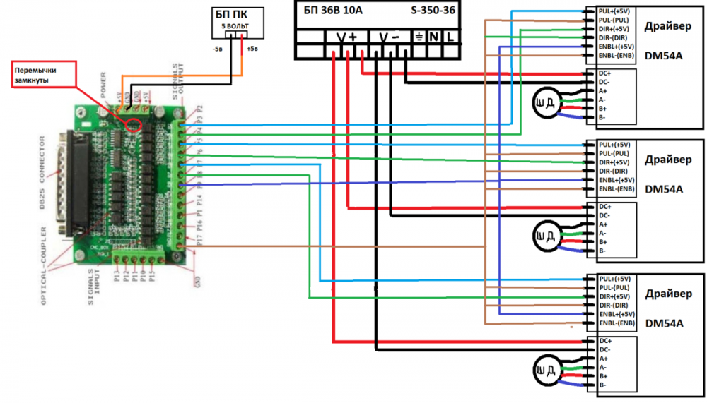
По поводу первой картинки. Плата USB Motion Card STB4100 подключена НЕПРАВИЛЬНО! Нельзя включать в параллель сигнал EN с сигналом Dir! В этом случае моторы при движении в одну сторону будут работать, а при движении в другую будут отключаться! Подключи, как на картинке. Если не будет работать, тогда так: третьего не дано...sergei___79 писал(а):
Последний раз редактировалось Rom327 20 янв 2017, 16:41, всего редактировалось 4 раза.
Это сугубо мое мнение, могу и ошибаться...
https://vk.com/rom327
GRBL настройки: http://blogandbux.blogspot.com/2018/07/ ... revod.html
G коды: http://3d-stanki.ru/spravochnik/program ... stankov-2/
https://vk.com/rom327
GRBL настройки: http://blogandbux.blogspot.com/2018/07/ ... revod.html
G коды: http://3d-stanki.ru/spravochnik/program ... stankov-2/
- slooter
- Мастер
- Сообщения: 212
- Зарегистрирован: 24 авг 2016, 12:23
- Репутация: 16
- Настоящее имя: Виталий К
- Контактная информация:
Re: USB Motion Card STB4100
я так понял, что все работает и без ENA, настройки были не верные.Rom327 писал(а):Если вдруг, один из моторов заработает, подключай остальные, согласно картинки №2.
- Rom327
- Почётный участник

- Сообщения: 2989
- Зарегистрирован: 03 апр 2015, 13:23
- Репутация: 437
- Настоящее имя: Роман
- Откуда: Подольск
- Контактная информация:
Re: USB Motion Card STB4100
Напряжение не ниже +11,5В, если будешь использовать инвертор шпинделя с регулировкой оборотов через эту плату. Если не будешь можно подать и +7В. Плата прекрасно работает и от +24 вольта. С целью повышения помехозащищенности платы, я бы посоветовал использовать отдельный блок питания на +12-24 вольта. Лучше использовать автомат защиты на 1А, он же тумблер.sergei___79 писал(а):Есть еще несколько вопросов : запитал Card STB4100 на прямую от блока питания компа 12V.Нужно ли подключение через тумблер? Нужен ли отдельный блок питания,и какое напляжение оптимально 12 или 24 ?
Это сугубо мое мнение, могу и ошибаться...
https://vk.com/rom327
GRBL настройки: http://blogandbux.blogspot.com/2018/07/ ... revod.html
G коды: http://3d-stanki.ru/spravochnik/program ... stankov-2/
https://vk.com/rom327
GRBL настройки: http://blogandbux.blogspot.com/2018/07/ ... revod.html
G коды: http://3d-stanki.ru/spravochnik/program ... stankov-2/
- Rom327
- Почётный участник

- Сообщения: 2989
- Зарегистрирован: 03 апр 2015, 13:23
- Репутация: 437
- Настоящее имя: Роман
- Откуда: Подольск
- Контактная информация:
Re: USB Motion Card STB4100
Я пропустил пост #72! Пролошарил и погнал дальше развивать мысль... Спасибо, что остановил!slooter писал(а):я так понял, что все работает и без ENA, настройки были не верные.Rom327 писал(а):Если вдруг, один из моторов заработает, подключай остальные, согласно картинки №2.
Это сугубо мое мнение, могу и ошибаться...
https://vk.com/rom327
GRBL настройки: http://blogandbux.blogspot.com/2018/07/ ... revod.html
G коды: http://3d-stanki.ru/spravochnik/program ... stankov-2/
https://vk.com/rom327
GRBL настройки: http://blogandbux.blogspot.com/2018/07/ ... revod.html
G коды: http://3d-stanki.ru/spravochnik/program ... stankov-2/
- Rom327
- Почётный участник

- Сообщения: 2989
- Зарегистрирован: 03 апр 2015, 13:23
- Репутация: 437
- Настоящее имя: Роман
- Откуда: Подольск
- Контактная информация:
Re: USB Motion Card STB4100
Не понял о чем речь. Перефразируй вопрос.sergei___79 писал(а):почему на скрине синяя полоса видна ,а на том компе где подкючен Mach ее не видно
Что такое KHZ?sergei___79 писал(а):Правильно ли стоит галочка в KHZ.
Это сугубо мое мнение, могу и ошибаться...
https://vk.com/rom327
GRBL настройки: http://blogandbux.blogspot.com/2018/07/ ... revod.html
G коды: http://3d-stanki.ru/spravochnik/program ... stankov-2/
https://vk.com/rom327
GRBL настройки: http://blogandbux.blogspot.com/2018/07/ ... revod.html
G коды: http://3d-stanki.ru/spravochnik/program ... stankov-2/
-
sergei___79
- Новичок
- Сообщения: 6
- Зарегистрирован: 13 дек 2016, 09:39
- Репутация: 0
- Настоящее имя: Седов Сергей Владимирович
- Контактная информация:
Re: USB Motion Card STB4100
попробовал так подключить загорелся красный на драйвере движок не крутится ,настройки выставленны такие как в твоих скринах..Без EN все работает.Rom327 писал(а):По поводу первой картинки. Плата USB Motion Card STB4100 подключена НЕПРАВИЛЬНО! Нельзя включать в параллель сигнал EN с сигналом Dir! В этом случае моторы при движении будут работать, а при движении в другую будут отключаться! Подключи, как на картинке.sergei___79 писал(а):