Помогите разобраться с электрикой (теперь с датчиками)
-
popcorn
- Мастер
- Сообщения: 252
- Зарегистрирован: 21 янв 2015, 00:20
- Репутация: 18
- Откуда: Янтарный край
- Контактная информация:
Помогите разобраться с электрикой (теперь с датчиками)
Итак, приехал мой вектроник. http://www.cnc-club.ru/forum/viewtopic. ... 9&p=183885
Из электроники к нему:
плата китайская 4 оси planetcnc, USB6560 4Axis
блок питания 25v 15a
шаговые nema 23 18 кг/см, busheng 23hd76002y-30b
индуктивные датчики lj12a3-2-z/bx
В даташите на двигатели точно провода A+ A- B+ B- не указаны, решение не нагуглил, после прозвона тестером подрубил так:
A+ красный
A- зеленый
B+ жёлтый
B- синий
Вроде угадал, но если кто подскажет, как точно тестером провод определить, буду рад.
К датчикам цвет лапши указан, поключил к разъёму на плате, датчики разбиты на две группы, разъёмы идут так 12v, X-, 12v, X+, 12v, Y-, 12v, Y+, GND и вторая группа 12v, Z-, 12v, Z+ и еще какие то. Если подключать датчик на 12v, сигнал на оси и общий минус на GND, то при сработке одного датчика, на сработку второго станок уже не реагирует и двигатель не останавливает. Может косяк в настройке софта, но я бы предпочёл датчики напрямую с блока запитать, а на плату только сигнал вывести, благо датчики до 36 вольт.
Так вот в чём вопрос, как правильно сделать для всего этого проводку?
Я читал, что надо делать общий минус, и прочее. Может у кого уже есть готовое решение.
Из электроники к нему:
плата китайская 4 оси planetcnc, USB6560 4Axis
блок питания 25v 15a
шаговые nema 23 18 кг/см, busheng 23hd76002y-30b
индуктивные датчики lj12a3-2-z/bx
В даташите на двигатели точно провода A+ A- B+ B- не указаны, решение не нагуглил, после прозвона тестером подрубил так:
A+ красный
A- зеленый
B+ жёлтый
B- синий
Вроде угадал, но если кто подскажет, как точно тестером провод определить, буду рад.
К датчикам цвет лапши указан, поключил к разъёму на плате, датчики разбиты на две группы, разъёмы идут так 12v, X-, 12v, X+, 12v, Y-, 12v, Y+, GND и вторая группа 12v, Z-, 12v, Z+ и еще какие то. Если подключать датчик на 12v, сигнал на оси и общий минус на GND, то при сработке одного датчика, на сработку второго станок уже не реагирует и двигатель не останавливает. Может косяк в настройке софта, но я бы предпочёл датчики напрямую с блока запитать, а на плату только сигнал вывести, благо датчики до 36 вольт.
Так вот в чём вопрос, как правильно сделать для всего этого проводку?
Я читал, что надо делать общий минус, и прочее. Может у кого уже есть готовое решение.
Последний раз редактировалось popcorn 08 май 2015, 20:50, всего редактировалось 1 раз.
- selenur
- Почётный участник

- Сообщения: 4605
- Зарегистрирован: 21 авг 2013, 19:44
- Репутация: 1622
- Настоящее имя: Сергей
- Откуда: Новый Уренгой
- Контактная информация:
Re: Помогите разобраться с электрикой
Покажи настройки датчиков в программе
Мой сайт: http://selenur.ru
Исходники моих программ: https://github.com/selenur
Instagram https://www.instagram.com/zheigurov/
Исходники моих программ: https://github.com/selenur
Instagram https://www.instagram.com/zheigurov/
- michael-yurov
- Почётный участник

- Сообщения: 11730
- Зарегистрирован: 26 июл 2012, 00:10
- Репутация: 4703
- Настоящее имя: Михаил Львович
- Откуда: Новоуральск
- Контактная информация:
Re: Помогите разобраться с электрикой
Скорее всего - перепутал между собой обмотки, что очень опасно!popcorn писал(а): A+ красный
A- зеленый
B+ жёлтый
B- синий
- pankinoa
- Кандидат
- Сообщения: 81
- Зарегистрирован: 05 ноя 2014, 21:42
- Репутация: 11
- Настоящее имя: Олег
- Откуда: Самара
- Контактная информация:
Re: Помогите разобраться с электрикой
Я вот так ШД подключил (см.фото)popcorn писал(а):A+ красный
A- зеленый
B+ жёлтый
B- синий
-
popcorn
- Мастер
- Сообщения: 252
- Зарегистрирован: 21 янв 2015, 00:20
- Репутация: 18
- Откуда: Янтарный край
- Контактная информация:
Re: Помогите разобраться с электрикой
Ну, в даташите может и указан цвет, но на китайском. Пробовал на русском искать или на английском, но безуспешно.michael-yurov писал(а):Скорее всего - перепутал между собой обмотки, что очень опасно!popcorn писал(а): A+ красный
A- зеленый
B+ жёлтый
B- синий
Продавцу написал, но первомай же.
- megagad
- Почётный участник

- Сообщения: 3207
- Зарегистрирован: 05 апр 2014, 18:57
- Репутация: 712
- Откуда: Реуспублика Крым, Бахчисарай.
- Контактная информация:
Re: Помогите разобраться с электрикой
Тоесть, такого прибора как "тестер" у вас нет?? жаль - многих проблем удастся избежать благодаря такому приборчикуpopcorn писал(а):Ну, в даташите может и указан цвет, но на китайском. Пробовал на русском искать или на английском, но безуспешно.
Продавцу написал, но первомай же.
We Do What We Must, Because We Can!
Причинять добро, наносить пользу и подвергать ласке.
Причинять добро, наносить пользу и подвергать ласке.
-
sas_75
- Мастер
- Сообщения: 463
- Зарегистрирован: 10 мар 2015, 11:03
- Репутация: 115
- Настоящее имя: Сергей
- Откуда: Владивосток
- Контактная информация:
Re: Помогите разобраться с электрикой
На крайний случай батарейка с лампочкой тоже рулят, в конце-концов фонарик.
- raddd
- Почётный участник

- Сообщения: 1564
- Зарегистрирован: 10 фев 2015, 08:50
- Репутация: 540
- Настоящее имя: Alexey Rodionov
- Откуда: Беларусь Минский р-н
- Контактная информация:
Re: Помогите разобраться с электрикой
Что может быть проще!? Ворочаешь за вал мотор коротишь провода где туго пощло там и есть одна обмотка.. скажем "А" соответсвенно остальные 2 провода "в" обмотка. где +\- ВСЕРАВНО.. где "а"\"в" ВСЕРАВНО.. если не в ту сторону будет вращатся двиг. Просто на любой из фаз поменять провода местами.... а тестер ооочень необходимая вещь!!
||||||||||||
||||||||||||
||||||||||||
-
popcorn
- Мастер
- Сообщения: 252
- Зарегистрирован: 21 янв 2015, 00:20
- Репутация: 18
- Откуда: Янтарный край
- Контактная информация:
Re: Помогите разобраться с электрикой
Есть у меня тестер, в первом сообщении я писал, что обмотки прозвонил. Но как отличить A+ от А- не понял. Хотя выше пишут, что это значения не имеет.megagad писал(а):Тоесть, такого прибора как "тестер" у вас нет?? жаль - многих проблем удастся избежать благодаря такому приборчикуpopcorn писал(а):Ну, в даташите может и указан цвет, но на китайском. Пробовал на русском искать или на английском, но безуспешно.
Продавцу написал, но первомай же.
Двигатели работают, где-то пришлось инвертировать оси, я, в основном для перестраховки спросил про моторы.
- raddd
- Почётный участник

- Сообщения: 1564
- Зарегистрирован: 10 фев 2015, 08:50
- Репутация: 540
- Настоящее имя: Alexey Rodionov
- Откуда: Беларусь Минский р-н
- Контактная информация:
Re: Помогите разобраться с электрикой
Инвертировать лучше сразу сменой полярности любой фазы. Чтобы потом в софте галочки неставить)))))
||||||||||||
||||||||||||
||||||||||||
- N1X
- Мастер
- Сообщения: 3653
- Зарегистрирован: 16 фев 2015, 21:19
- Репутация: 1646
- Настоящее имя: Владимир
- Откуда: Беларусь, Гомель
- Контактная информация:
Re: Помогите разобраться с электрикой
А к чему приводит на практике?michael-yurov писал(а):Скорее всего - перепутал между собой обмотки, что очень опасно!
- michael-yurov
- Почётный участник

- Сообщения: 11730
- Зарегистрирован: 26 июл 2012, 00:10
- Репутация: 4703
- Настоящее имя: Михаил Львович
- Откуда: Новоуральск
- Контактная информация:
Re: Помогите разобраться с электрикой
К сгоранию драйвера.N1X писал(а):А к чему приводит на практике?michael-yurov писал(а):Скорее всего - перепутал между собой обмотки, что очень опасно!
Вообще, странные цвета.
Я чаще встречал, что красный, синий и белый - одна обмотка, а желтый, зеленый и черный - вторая.
-
popcorn
- Мастер
- Сообщения: 252
- Зарегистрирован: 21 янв 2015, 00:20
- Репутация: 18
- Откуда: Янтарный край
- Контактная информация:
Re: Помогите разобраться с электрикой
У меня биполярные, с цвета я сам в шоке - радуга какая-то европейская.
- Mr. Mass
- Опытный
- Сообщения: 121
- Зарегистрирован: 15 янв 2015, 16:07
- Репутация: 96
- Настоящее имя: Константин
- Откуда: Одесса
- Контактная информация:
Re: Помогите разобраться с электрикой
При запутывании в 4-х проводах у меня драйвер остался живой, сгорел мотор...michael-yurov писал(а):А к чему приводит на практике?
К сгоранию драйвера.
- raddd
- Почётный участник

- Сообщения: 1564
- Зарегистрирован: 10 фев 2015, 08:50
- Репутация: 540
- Настоящее имя: Alexey Rodionov
- Откуда: Беларусь Минский р-н
- Контактная информация:
Re: Помогите разобраться с электрикой
У моих моторчиков радуга еще больше)) я купил восми проводные шаговики. И мне надо собрать в паралель пары обмоток. Сразу проштудировал инет в картинках. Сколько производителей из поднебесной столько и цветов))) вобщем нашел пары. Потом парары меж собой в паралель. И опять же вращал вал смотрел нагрузку если тяжко ворочается менял полярность. Если всеравно тяжко меняю пары. Когда нашел две пары в паралель остальные уже проще. Если туго значит поменять полярность. (Вобщем вышло по цветам как у vexta ) а после чтобы ничего неспалить. Ставлю на драйвере минимальный ток. мотор на стол и включаю в полношаговый режим меряю напругу на той обмотке где она есть. Записал.(2вольта допустим). делаю шаг (тем-же тестером на прозвонке диодов включаю оптрон в драйвере) и меряю на другой обмотке если разница напруги +/- 10% то все гуд. Как то так.popcorn писал(а):У меня биполярные, с цвета я сам в шоке - радуга какая-то европейская.
Но скажу так. Сколько брал на барахолке всяких ШД даже дши без маркировок на концах. Выше описаным способом всегда находил пары.
||||||||||||
||||||||||||
||||||||||||
-
popcorn
- Мастер
- Сообщения: 252
- Зарегистрирован: 21 янв 2015, 00:20
- Репутация: 18
- Откуда: Янтарный край
- Контактная информация:
Re: Помогите разобраться с электрикой
Догадался спросить у Slava Chekhunov http://www.cnc-club.ru/forum/memberlist ... le&u=10223
За что ему огромное спасибо!
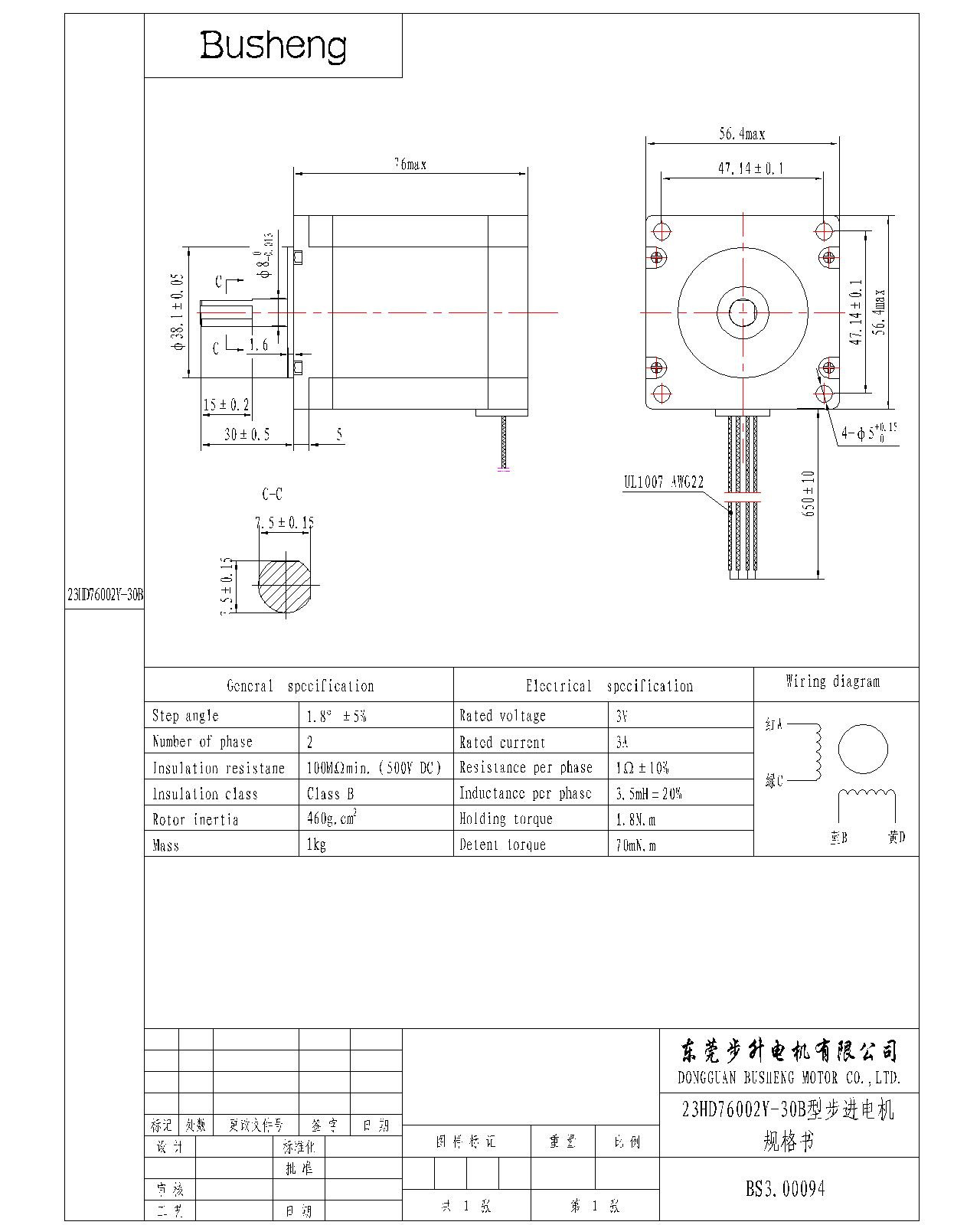
红A - красный А
绿C - зеленый C
蓝B - синий B
黄D - Желтый D
вот такой цвет проводов у busheng 23hd76002y-30b, может кому пригодится.
За что ему огромное спасибо!
红A - красный А
绿C - зеленый C
蓝B - синий B
黄D - Желтый D
вот такой цвет проводов у busheng 23hd76002y-30b, может кому пригодится.
-
popcorn
- Мастер
- Сообщения: 252
- Зарегистрирован: 21 янв 2015, 00:20
- Репутация: 18
- Откуда: Янтарный край
- Контактная информация:
Re: Помогите разобраться с электрикой
Вот скрины, чек-бокс lock other axes убирал через редактирование файла с настройками, почему-то в программе заблокированно.selenur писал(а):Покажи настройки датчиков в программе
Не помогло, всё равно при сработке одного датчика - второй игнорируется.
- selenur
- Почётный участник

- Сообщения: 4605
- Зарегистрирован: 21 авг 2013, 19:44
- Репутация: 1622
- Настоящее имя: Сергей
- Откуда: Новый Уренгой
- Контактная информация:
Re: Помогите разобраться с электрикой (теперь с датчиками)
В меню программы есть пункт, точно не помню как называется, при нажатии которого появляется окно, с серыми, и красными кружочками, это позволяет сразу видеть какие из датчиков сработали, это позволит проверить правильность их настройки. По умолчанию датчики лимитов должны быть серые, если какие либо из них красные, то инвертируется в настройках данный вывод лимита. Попробуй проверить это, а как доберусь до компьютера, посмотрю остальные настройки.
Мой сайт: http://selenur.ru
Исходники моих программ: https://github.com/selenur
Instagram https://www.instagram.com/zheigurov/
Исходники моих программ: https://github.com/selenur
Instagram https://www.instagram.com/zheigurov/
-
popcorn
- Мастер
- Сообщения: 252
- Зарегистрирован: 21 янв 2015, 00:20
- Репутация: 18
- Откуда: Янтарный край
- Контактная информация:
Re: Помогите разобраться с электрикой (теперь с датчиками)
хм. у меня старая версия planet-cnc, из-за китайского клона. Работу датчиков видно на скриншоте, красный -y, малиновый +z. Проблема с датчиками встречается, буду изучать оригинальный форум и даташит на mk1.selenur писал(а):В меню программы есть пункт, точно не помню как называется, при нажатии которого появляется окно, с серыми, и красными кружочками, это позволяет сразу видеть какие из датчиков сработали, это позволит проверить правильность их настройки. По умолчанию датчики лимитов должны быть серые, если какие либо из них красные, то инвертируется в настройках данный вывод лимита. Попробуй проверить это, а как доберусь до компьютера, посмотрю остальные настройки.
Есть подозрение, что мои датчики NPN и подключать из надо не в лоб, а через блок питания и сопротивление.Осталось выяснить, есть ли на моей плате опторазвязка датчиков.
-
popcorn
- Мастер
- Сообщения: 252
- Зарегистрирован: 21 янв 2015, 00:20
- Репутация: 18
- Откуда: Янтарный край
- Контактная информация:
Re: Помогите разобраться с электрикой (теперь с датчиками)
Хотя я нашёл рисунок с подключением без опторазвязки, получается то же самое, только 12v я беру с платы.
