Привод для тяжелых стрелок часов.

Аватара пользователя
rean32
Мастер
Сообщения: 443
Зарегистрирован: 24 апр 2012, 11:13
Репутация: 84
Контактная информация:

Привод для тяжелых стрелок часов.

Сообщение rean32 »

Здравствуйте, появилась необходимость изготовить настенные часы с большими тяжелыми стрелками. Но стрелки не самое главное, в часах еще будет открытый механизм из дерева для красоты, но шестерни должны крутится. Еще будет бутафорский маятник который будет просто качаться для красоты.

Питание должно осуществляться от большой батарейки. То есть напрашивается готовый скрытый кварцевый механизм который крутит стрелки, вращает механизм и качает маятник.
Проблема в том, что готовых механизмов на требуемый крутящий момент я не нашел. Ведь кроме стрелок надо еще вращать шестерни с приличным трением.
Из механизма можно взять разве что, генератор секундных импульсов для дальнейшего усиления и запитки магнита качания маятника и работы двигателя стрелок.
А вот с двигателем как раз вопрос неясен.

Вижу три варианта и все не нравятся

1. Взять шаговик из дисковода и крутить все хозяйство им. Просто и доступно, момента должно хватить. Но шаговик потребляет немалый ток, пускай даже в импульсах. похоже что придется ставить очень большую батарейку. И непонятно как качать маятник.

2. В крайней точке маятника разместить катушку магнит. Которая будет подталкивать маятник раз в секунду. А уже сам маятник через систему шестеренок будет крутить минутную и часовую стрелку. Технически выглядит просто. На практике не совсем понятно как будет согласовываться период импульсов катушки и собственный период маятника. Понятно, что он будет максимально близок к секундному, но идеально то не сделаешь. Теоретически катушка должна принудительно навязывать ему свой период. Потом катушка должна срабатывать в нужный момент, а не когда маятник в противоположной точке траектории. Напрашивается какой то колхоз с датчиком холла или герконом. Вобщем пока не совсем понятно. Было бы очень интересно услышать ваши мысли по поводу этого варианта

3.Механизм классический механический. Батарейка только подтягивает гирю. Ставим обычный маленький движочек, который например 2 раза в сутки подтягивает гирю по герконовым датчикам. Просто, доступно, опыт с механикой часов есть. Но жалко использовать электрику только для силовых целей. Раз уж есть батарейка, то хотелось бы еще и получить кварцевую точность.

Было бы интересно услышать еще какие нибудь интересные предложения и критику вышеперечисленных вариантов.
Аватара пользователя
N1X
Мастер
Сообщения: 3653
Зарегистрирован: 16 фев 2015, 21:19
Репутация: 1646
Настоящее имя: Владимир
Откуда: Беларусь, Гомель
Контактная информация:

Re: Привод для тяжелых стрелок часов.

Сообщение N1X »

rean32 писал(а):Раз уж есть батарейка, то хотелось бы еще и получить кварцевую точность.
А можно пойти дальше и поставить GPS приемник за 15$ =) Будут атомные часы с деревянными шестернями!
rean32 писал(а):Понятно, что он будет максимально близок к секундному, но идеально то не сделаешь.
В определенных пределах перетянуть маятник можно, правда это перерасход энергии, но я думаю если постараться и подобрать частоту маятника хорошо, то будет практически не заметно...
В любом случае батарейное питание с нормальным временем жизни батарейки - задача не всегда простая, но интересная :)
Аватара пользователя
Сергей Саныч
Мастер
Сообщения: 9116
Зарегистрирован: 30 май 2012, 14:20
Репутация: 2858
Откуда: Тюмень
Контактная информация:

Re: Привод для тяжелых стрелок часов.

Сообщение Сергей Саныч »

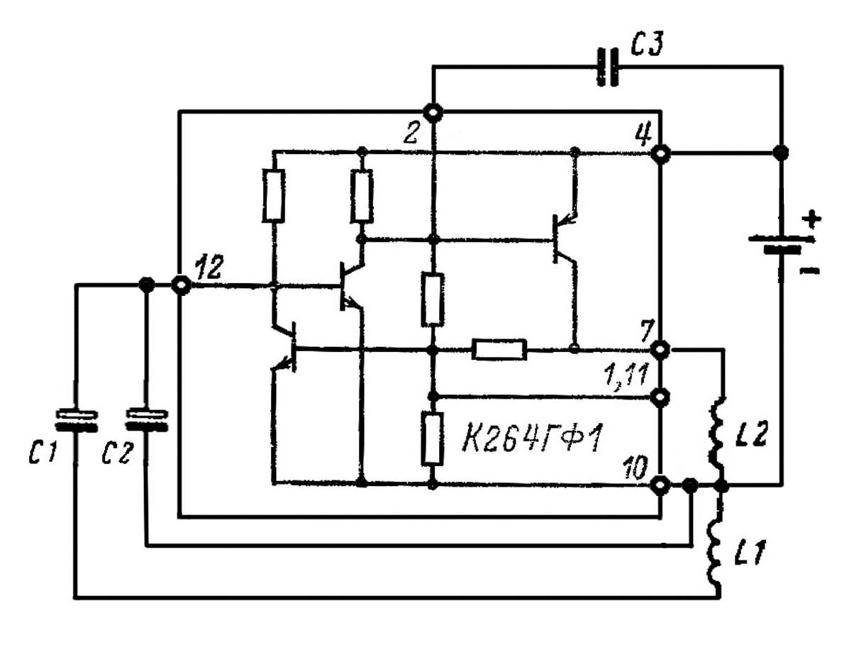
Для качания маятника можно использовать схемы, примененные в электронно-механических часах "Слава".
Часы Слава 1.jpg (4595 просмотров) <a class='original' href='./download/file.php?id=58004&mode=view' target=_blank>Загрузить оригинал (70.1 КБ)</a>
Часы Слава 2.jpg (4595 просмотров) <a class='original' href='./download/file.php?id=58002&mode=view' target=_blank>Загрузить оригинал (89.4 КБ)</a>
Чудес не бывает. Бывают фокусы.
Аватара пользователя
selenur
Почётный участник
Почётный участник
Сообщения: 4605
Зарегистрирован: 21 авг 2013, 19:44
Репутация: 1622
Настоящее имя: Сергей
Откуда: Новый Уренгой
Контактная информация:

Re: Привод для тяжелых стрелок часов.

Сообщение selenur »

Мой сайт: http://selenur.ru
Исходники моих программ: https://github.com/selenur
Instagram https://www.instagram.com/zheigurov/
Аватара пользователя
rean32
Мастер
Сообщения: 443
Зарегистрирован: 24 апр 2012, 11:13
Репутация: 84
Контактная информация:

Re: Привод для тяжелых стрелок часов.

Сообщение rean32 »

N1X писал(а):А можно пойти дальше и поставить GPS приемник за 15$ =) Будут атомные часы с деревянными шестернями!
Я тоже думал над этой идеей)))
Сергей Саныч писал(а):Для качания маятника можно использовать схемы, примененные в электронно-механических часах "Слава".
selenur писал(а):Из январского журнала "Радио":
Принцип понятен, все даже проще чем я думал. Буду экспериментировать.
Аватара пользователя
rean32
Мастер
Сообщения: 443
Зарегистрирован: 24 апр 2012, 11:13
Репутация: 84
Контактная информация:

Re: Привод для тяжелых стрелок часов.

Сообщение rean32 »

Взял кварцевый генератор от китайского механизма, усилил транзистором и запитал катушку от реле. Длительность импульса примерно 0,05 с. Катушку разместил в крайней правой точке траектории. Все работает, только нужна схема синхронизации начального импульса. Чтобы в первый момент времени электромагнит сработал тогда когда маятник будет находится возле него. Иначе магнит может включится когда маятник в середине и противоположном конце траектории. Тогда колебания просто затухнут и маятник остановится.
Конечно хороший вариант разместить катушку в центральной точке, тогда, маятник сам будет постепенно выводится катушкой из равновесия. Но нужно тогда уменьшить длительность импульса и увеличить мощность. Ведь центральную точку маятник будет проходить на большой скорости, и 0,05 с будет много. Может кто подскажет со схемкой как из импульсов 0,05с сделать 0,01 с?
Смысл в том чтобы катушка отдавала энергию тогда когда маятник находится в непосредственной близости от катушки. А это всего около 0,01с Тогда КПД будет максимальный.
Аватара пользователя
N1X
Мастер
Сообщения: 3653
Зарегистрирован: 16 фев 2015, 21:19
Репутация: 1646
Настоящее имя: Владимир
Откуда: Беларусь, Гомель
Контактная информация:

Re: Привод для тяжелых стрелок часов.

Сообщение N1X »

rean32 писал(а):из импульсов 0,05с сделать 0,01 с?
Можно подобрать просто дифференцирующую цепочку (RC)
Аватара пользователя
Serg
Мастер
Сообщения: 21923
Зарегистрирован: 17 апр 2012, 14:58
Репутация: 5183
Заслуга: c781c134843e0c1a3de9
Настоящее имя: Сергей
Откуда: Москва
Контактная информация:

Re: Привод для тяжелых стрелок часов.

Сообщение Serg »

Или МК и фотодатчик - пусть сам подстраивается под маятник... :)
Я не Христос, рыбу не раздаю, но могу научить, как сделать удочку...
Аватара пользователя
selenur
Почётный участник
Почётный участник
Сообщения: 4605
Зарегистрирован: 21 авг 2013, 19:44
Репутация: 1622
Настоящее имя: Сергей
Откуда: Новый Уренгой
Контактная информация:

Re: Привод для тяжелых стрелок часов.

Сообщение selenur »

Тем более сейчас есть куча микро-ардуин, и минимум опыта программирования.
Мой сайт: http://selenur.ru
Исходники моих программ: https://github.com/selenur
Instagram https://www.instagram.com/zheigurov/
Аватара пользователя
rean32
Мастер
Сообщения: 443
Зарегистрирован: 24 апр 2012, 11:13
Репутация: 84
Контактная информация:

Re: Привод для тяжелых стрелок часов.

Сообщение rean32 »

UAVpilot писал(а):Или МК и фотодатчик - пусть сам подстраивается под маятник...
Нее, этого как раз не надо, стабильность частоты маятника на порядки меньше кварца. Нужно чтоб опорным генератором был именно кварц, а маятник подстраивался под него.
N1X писал(а):Можно подобрать просто дифференцирующую цепочку (RC)
Я уже все забыл, чему учили))
У меня щас такая схема, но без конденсатора и резистора. Если подобрать кондер и резистор то импульсы на базе будут короче? Я так понимаю вы что то похожее имели в виду.
selenur писал(а):-ардуин, и минимум опыта программирования.
Ну нет, мне кажется микроконтроллер для такой задачи это из пушки по воробьям. Задача простейшая по сути. Тем более что основная задача снизить энергопотребление, каждый милиампер важен. А адруина жрет немало.
Вложения
схема (4477 просмотров) <a class='original' href='./download/file.php?id=58073&mode=view' target=_blank>Загрузить оригинал (31.48 КБ)</a>
схема
Аватара пользователя
N1X
Мастер
Сообщения: 3653
Зарегистрирован: 16 фев 2015, 21:19
Репутация: 1646
Настоящее имя: Владимир
Откуда: Беларусь, Гомель
Контактная информация:

Re: Привод для тяжелых стрелок часов.

Сообщение N1X »

rean32 писал(а):Я так понимаю вы что то похожее имели в виду
Да, но единственное, что перед ключем возможно нужен будет пороговый элемент, иначе на батарейном питании КПД ниже будет (режим транзистора будетлинейным на спаде импульса), хотя на вскидку точно не сказать... Ну и не забывать, что ключ на схеме инвертирующий...
Аватара пользователя
Сергей Саныч
Мастер
Сообщения: 9116
Зарегистрирован: 30 май 2012, 14:20
Репутация: 2858
Откуда: Тюмень
Контактная информация:

Re: Привод для тяжелых стрелок часов.

Сообщение Сергей Саныч »

Если маятник чисто декоративный, зачем ему точная частота? Схема от "Славы" и будет махать, как надо. Если же от маятника приводить стрелки (скажем, храповым механизмом), тогда да, кварц не помешает.
Чудес не бывает. Бывают фокусы.
Аватара пользователя
N1X
Мастер
Сообщения: 3653
Зарегистрирован: 16 фев 2015, 21:19
Репутация: 1646
Настоящее имя: Владимир
Откуда: Беларусь, Гомель
Контактная информация:

Re: Привод для тяжелых стрелок часов.

Сообщение N1X »

Предлагается, что маятник является ведомым кварцем задающим элементом для остального механизма :)
Аватара пользователя
Сергей Саныч
Мастер
Сообщения: 9116
Зарегистрирован: 30 май 2012, 14:20
Репутация: 2858
Откуда: Тюмень
Контактная информация:

Re: Привод для тяжелых стрелок часов.

Сообщение Сергей Саныч »

N1X писал(а):Предлагается, что маятник является ведомым кварцем задающим элементом для остального механизма :)
rean32 писал(а):Еще будет бутафорский маятник который будет просто качаться для красоты.
Чудес не бывает. Бывают фокусы.
Аватара пользователя
rean32
Мастер
Сообщения: 443
Зарегистрирован: 24 апр 2012, 11:13
Репутация: 84
Контактная информация:

Re: Привод для тяжелых стрелок часов.

Сообщение rean32 »

Сергей Саныч писал(а):Если маятник чисто декоративный, зачем ему точная частота? Схема от "Славы" и будет махать, как надо. Если же от маятника приводить стрелки (скажем, храповым механизмом), тогда да, кварц не помешает.
На данный момент я уже определился, что маятник будет выполнять основную функцию, а уже от маятника через систему шестерен будет передаваться крутящий момент на минутную и часовую стрелку. Так проще и лучше.
Если делать маятник отдельно, то надо еще думать как и чем крутить механизм. Вместо одной проблемы - две. Потом энергии надо больше - и на маятник и на механизм. А так нужно просто заставить маятник двигаться точно и все. Все проблемы решены.
Аватара пользователя
solo
Мастер
Сообщения: 1374
Зарегистрирован: 20 окт 2011, 18:39
Репутация: 272
Настоящее имя: Юрий Соловьев
Откуда: Украина Харьков
Контактная информация:

Re: Привод для тяжелых стрелок часов.

Сообщение solo »

rean32 писал(а):маятник подстраивался под него.
если маятник будет подстраиваться под генератор не получиться резонансной частоты колебаний маятника, и маятник скорее всего перестанет тилипаться либо затраты энергии на колебания маятника возрастут в разы,
Аватара пользователя
rean32
Мастер
Сообщения: 443
Зарегистрирован: 24 апр 2012, 11:13
Репутация: 84
Контактная информация:

Re: Привод для тяжелых стрелок часов.

Сообщение rean32 »

Вот такой макет на данный момент: работает уже около 12 часов. Все четко. Катушка запитана просто от генератора через транзистор. Лампочка просто паралельно катушке. Период 2с. Естественно собственный период маятника максимально близок к 2с.
https://www.youtube.com/watch?v=aWfWvAnsooM
Аватара пользователя
rean32
Мастер
Сообщения: 443
Зарегистрирован: 24 апр 2012, 11:13
Репутация: 84
Контактная информация:

Re: Привод для тяжелых стрелок часов.

Сообщение rean32 »

N1X писал(а):
rean32 писал(а):Я так понимаю вы что то похожее имели в виду
Да, но единственное, что перед ключем возможно нужен будет пороговый элемент, иначе на батарейном питании КПД ниже будет (режим транзистора будетлинейным на спаде импульса), хотя на вскидку точно не сказать... Ну и не забывать, что ключ на схеме инвертирующий...
Спасибо, идея очень хорошая. Буду пробовать. Если удастся получить короткие импульсы то можно будет очень сильно увеличить КПД.
Аватара пользователя
vovan
Кандидат
Сообщения: 49
Зарегистрирован: 06 апр 2015, 15:01
Репутация: -42
Настоящее имя: Valdemar Zabanist

Re: Привод для тяжелых стрелок часов.

Сообщение vovan »

Аватара пользователя
rean32
Мастер
Сообщения: 443
Зарегистрирован: 24 апр 2012, 11:13
Репутация: 84
Контактная информация:

Re: Привод для тяжелых стрелок часов.

Сообщение rean32 »

vovan писал(а):ttps://www.google.ru/search?q=Electrom ... um+circuit
Спасибо за инфу. Я так понял по одной из схем, Одна и таже катушка является и силовым элементом и элементом обратной связи для подачи импульса в нужный момент. Гениально. Жаль только что частота будет определятся только самим маятником а не кварцем. Но в целом вариант очень хороший. В принципе маятник довольно стабильная штука, можно добится очень неплохой точности. может быть кварц и необязателен. Но все таки хотелось бы - настраивать подкручивать ничего не надо. Да и точность все таки выше. Надо подумать.
Ответить

Вернуться в «Оффтоп»