Ударно гравировальная головка

Намоточные, сверлильные, электроэррозионные и другие станки с ЧПУ.
леонардо
Новичок
Сообщения: 6
Зарегистрирован: 10 дек 2014, 22:50
Репутация: 0
Настоящее имя: леонардо рост
Контактная информация:

Ударно гравировальная головка

Сообщение леонардо »

Кто знает откуда эта гравировальная головка

https://www.youtube.com/watch?v=MZzUliElSxA

Очень надо.
За хороший ответ кину денег на счет телефона.
Аватара пользователя
megagad
Почётный участник
Почётный участник
Сообщения: 3208
Зарегистрирован: 05 апр 2014, 18:57
Репутация: 712
Откуда: Реуспублика Крым, Бахчисарай.
Контактная информация:

Re: Ударно гравировальная головка

Сообщение megagad »

леонардо писал(а):Кто знает откуда эта гравировальная головка
Из магазина ;)
И да - маркетинг рулит - показали картинку, сделанную другой головкой и опять камеру на обычного "дятла"(электромагнит с иглой).
We Do What We Must, Because We Can!
Причинять добро, наносить пользу и подвергать ласке.
Аватара пользователя
AndyBig
Мастер
Сообщения: 3971
Зарегистрирован: 07 мар 2014, 04:01
Репутация: 1121
Откуда: юг России
Контактная информация:

Re: Ударно гравировальная головка

Сообщение AndyBig »

А почему картинка сделана другой головкой? По каким признакам?
леонардо
Новичок
Сообщения: 6
Зарегистрирован: 10 дек 2014, 22:50
Репутация: 0
Настоящее имя: леонардо рост
Контактная информация:

Re: Ударно гравировальная головка

Сообщение леонардо »

https://www.youtube.com/watch?v=UYhVi4LvqD4
вот на минуте 2:12 он показывает головку
igmay
Опытный
Сообщения: 102
Зарегистрирован: 23 июл 2014, 11:58
Репутация: 10
Контактная информация:

Re: Ударно гравировальная головка

Сообщение igmay »

megagad писал(а):
леонардо писал(а):Кто знает откуда эта гравировальная головка
Из магазина ;)
И да - маркетинг рулит - показали картинку, сделанную другой головкой и опять камеру на обычного "дятла"(электромагнит с иглой).
А что не так то? Мы в прошлом веке такие картинки на габро молотком набивали дня за два. Чем дятел хуже? И быстро и голова не болит потом.
А головка - самоделка, соленоид только не опознал, а так - все знакомо.
aftaev
Зачётный участник
Зачётный участник
Сообщения: 34042
Зарегистрирован: 04 апр 2010, 19:22
Репутация: 6194
Откуда: Казахстан.
Контактная информация:

Re: Ударно гравировальная головка

Сообщение aftaev »

что за ЧПУ стоит?
Дилетанту сложные вещи кажутся очень простыми, и только профессионал понимает насколько сложна самая простая вещь
Кто хочет - ищет возможности, кто не хочет - ищет оправдание.
Найди работу по душе и тебе не придется работать.
Аватара пользователя
megagad
Почётный участник
Почётный участник
Сообщения: 3208
Зарегистрирован: 05 апр 2014, 18:57
Репутация: 712
Откуда: Реуспублика Крым, Бахчисарай.
Контактная информация:

Re: Ударно гравировальная головка

Сообщение megagad »

AndyBig писал(а):А почему картинка сделана другой головкой? По каким признакам?
Обычным "дятлом" без ШИМ нормальный полутон не получить. Хотя - мож там "особенный" соленоид, и питается через ШИМ с модулятором.
We Do What We Must, Because We Can!
Причинять добро, наносить пользу и подвергать ласке.
Аватара пользователя
Дрюня
Почётный участник
Почётный участник
Сообщения: 2040
Зарегистрирован: 25 ноя 2013, 00:19
Репутация: 1504
Настоящее имя: Андрей
Откуда: Днепр
Контактная информация:

Re: Ударно гравировальная головка

Сообщение Дрюня »

Когда то интересовался иглоударной гравировкой, но сделать руки пока так и не дошли.
Если и соберусь делать, то не из соленоида а из ШД, типа таких:
PIC00009.JPG (15140 просмотров) <a class='original' href='./download/file.php?id=38436&mode=view' target=_blank>Загрузить оригинал (48.17 КБ)</a>
Foto0618.jpg (15140 просмотров) <a class='original' href='./download/file.php?id=38435&mode=view' target=_blank>Загрузить оригинал (35.25 КБ)</a>
udarnik.jpg (15140 просмотров) <a class='original' href='./download/file.php?id=38437&mode=view' target=_blank>Загрузить оригинал (50.47 КБ)</a>
Пробную гравировку делал прямо из Mach3, только в монохромном режиме без градаций.
Даже сохранился конвертер на компе, преобразующий монохромную 1битную картинку в G код.
bmp2tap.rar
(117.45 КБ) 1155 скачиваний
Аватара пользователя
tooshka
Почётный участник
Почётный участник
Сообщения: 1803
Зарегистрирован: 24 окт 2012, 14:26
Репутация: 209
Настоящее имя: Андрей
Откуда: Нижний Новгород
Контактная информация:

Re: Ударно гравировальная головка

Сообщение tooshka »

Дрюня писал(а):Если и соберусь делать, то не из соленоида а из ШД, типа таких:
А как оно работает? Интересно на сколько подшипника в ШД хватит?
Милая, ты услышь меня
под окном стою со своим я ЧПУ! (Протяжно; с надрывом; форте)
Внимание!!! Чрезмерное увлечение ЧПУ приводит к проблемам в семейных отношениях!
Аватара пользователя
Дрюня
Почётный участник
Почётный участник
Сообщения: 2040
Зарегистрирован: 25 ноя 2013, 00:19
Репутация: 1504
Настоящее имя: Андрей
Откуда: Днепр
Контактная информация:

Re: Ударно гравировальная головка

Сообщение Дрюня »

tooshka писал(а): А как оно работает? Интересно на сколько подшипника в ШД хватит?
Я так понимаю, что каждая точка монохромной картинки "сверлится". Я когда тестировал просто алмазную пику в шпиндель вставлял и потихоньку гравировал всей осью Z. А когда коромысло с ударной иглой стоит, ШД поворачивается буквально на один шаг для удара иглой, на сколько помню когда гравируют ШД ускорения в настройках ставят около 40000. Попробуйте отсоединить ШД оси Z, настроить на него высокое ускорение и запустить код созданный конвертером из сообщения выше. Только не забудьте изображение для конвертера подготовить в однобитном формате.
Думаю нагрузка на подшипник экономически оправдана.
Я даже купил себе для этих целей маленький ШД SY42STH47-1684A, но пока так и лежит без дела.
Аватара пользователя
tooshka
Почётный участник
Почётный участник
Сообщения: 1803
Зарегистрирован: 24 окт 2012, 14:26
Репутация: 209
Настоящее имя: Андрей
Откуда: Нижний Новгород
Контактная информация:

Re: Ударно гравировальная головка

Сообщение tooshka »

Дрюня писал(а):Я так понимаю, что каждая точка монохромной картинки "сверлится". Я когда тестировал просто алмазную пику в шпиндель вставлял и потихоньку гравировал всей осью Z. А когда коромысло с ударной иглой стоит, ШД поворачивается буквально на один шаг для удара иглой, на сколько помню когда гравируют ШД ускорения в настройках ставят около 40000. Попробуйте отсоединить ШД оси Z, настроить на него высокое ускорение и запустить код созданный конвертером из сообщения выше. Только не забудьте изображение для конвертера подготовить в однобитном формате.
Чисто теоретически в этом случае ШД превращается в тот же соленоид, только обмотки в другой плоскости.
Милая, ты услышь меня
под окном стою со своим я ЧПУ! (Протяжно; с надрывом; форте)
Внимание!!! Чрезмерное увлечение ЧПУ приводит к проблемам в семейных отношениях!
Аватара пользователя
Дрюня
Почётный участник
Почётный участник
Сообщения: 2040
Зарегистрирован: 25 ноя 2013, 00:19
Репутация: 1504
Настоящее имя: Андрей
Откуда: Днепр
Контактная информация:

Re: Ударно гравировальная головка

Сообщение Дрюня »

tooshka писал(а): Чисто теоретически в этом случае ШД превращается в тот же соленоид, только обмотки в другой плоскости.
Может и так. Только я думаю ШД сможет с большей частотой работать чем крупный соленоид, но это только мои догадки.
Был у меня станок METAZA MPX-90 для гравировки фото и надписей на металле, так там маленький соленоид долбит (на сколько я помню) около 500 уд/мин. Большой вряд ли так сможет.
Вот сохранилось фото ударной головки Rolad Metaza MPX-90 в разобранном виде. (Для понимания масштаба - диаметр иглы с алмазом такой же как и у медицинской иглы)
устройство УГ.jpg (15113 просмотров) <a class='original' href='./download/file.php?id=38443&mode=view' target=_blank>Загрузить оригинал (86.5 КБ)</a>
Вот эта головка в сборе
Общий вид УГ.jpg (15113 просмотров) <a class='original' href='./download/file.php?id=38444&mode=view' target=_blank>Загрузить оригинал (159.55 КБ)</a>
Аватара пользователя
tooshka
Почётный участник
Почётный участник
Сообщения: 1803
Зарегистрирован: 24 окт 2012, 14:26
Репутация: 209
Настоящее имя: Андрей
Откуда: Нижний Новгород
Контактная информация:

Re: Ударно гравировальная головка

Сообщение tooshka »

А если (пофантазируем) соленоид прицепить к дешевому драйверу ШД? Сигнал в принципе такой же.
Милая, ты услышь меня
под окном стою со своим я ЧПУ! (Протяжно; с надрывом; форте)
Внимание!!! Чрезмерное увлечение ЧПУ приводит к проблемам в семейных отношениях!
Аватара пользователя
Дрюня
Почётный участник
Почётный участник
Сообщения: 2040
Зарегистрирован: 25 ноя 2013, 00:19
Репутация: 1504
Настоящее имя: Андрей
Откуда: Днепр
Контактная информация:

Re: Ударно гравировальная головка

Сообщение Дрюня »

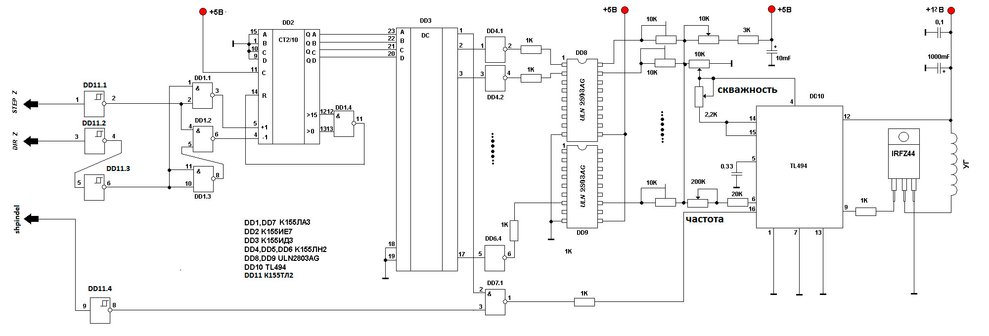
Тут ничего не подскажу, может здесь подскажут этектронщики...
Ещё сохранилась схема под соленоид из какой то похожей темы с других форумов, я схемы не умею читать, может кто разберётся...
схема.jpg (15106 просмотров) <a class='original' href='./download/file.php?id=38446&mode=view' target=_blank>Загрузить оригинал (161.07 КБ)</a>
Аватара пользователя
megagad
Почётный участник
Почётный участник
Сообщения: 3208
Зарегистрирован: 05 апр 2014, 18:57
Репутация: 712
Откуда: Реуспублика Крым, Бахчисарай.
Контактная информация:

Re: Ударно гравировальная головка

Сообщение megagad »

Дрюня писал(а): так там маленький соленоид долбит (на сколько я помню) около 500 уд/мин. Большой вряд ли так сможет.
Всё зависит от того, какая индуктивность соленоида, и сколько ампер вы сможете влить в соленоид ;)
tooshka писал(а):этом случае ШД превращается в тот же соленоид, только обмотки в другой плоскости.
Угу, правильно думаете. А ещё там как минимум пара пружин, для удержания коромысла на примерно одном уровне и возврата оного после "удара".
We Do What We Must, Because We Can!
Причинять добро, наносить пользу и подвергать ласке.
Аватара пользователя
michael-yurov
Почётный участник
Почётный участник
Сообщения: 11731
Зарегистрирован: 26 июл 2012, 00:10
Репутация: 4703
Настоящее имя: Михаил Львович
Откуда: Новоуральск
Контактная информация:

Re: Ударно гравировальная головка

Сообщение michael-yurov »

Вот, что мне нужно для соседа сверху!
Аватара пользователя
tooshka
Почётный участник
Почётный участник
Сообщения: 1803
Зарегистрирован: 24 окт 2012, 14:26
Репутация: 209
Настоящее имя: Андрей
Откуда: Нижний Новгород
Контактная информация:

Re: Ударно гравировальная головка

Сообщение tooshka »

michael-yurov писал(а):Вот, что мне нужно для соседа сверху!
Это тебе не поможет))) подойдет железный тазик и перфоратор.
Милая, ты услышь меня
под окном стою со своим я ЧПУ! (Протяжно; с надрывом; форте)
Внимание!!! Чрезмерное увлечение ЧПУ приводит к проблемам в семейных отношениях!
Аватара пользователя
solanto
Почётный участник
Почётный участник
Сообщения: 963
Зарегистрирован: 02 апр 2014, 09:10
Репутация: 94
Настоящее имя: Александр
Откуда: Карачаево-Черкесская республика, г.Черкесск
Контактная информация:

Re: Ударно гравировальная головка

Сообщение solanto »

tooshka писал(а):подойдет железный тазик и перфоратор.
Плюс ещё методично маленьким молоточком по тазику бить.)))))
Мне пофигу, что думают обо мне люди, пока они не начинают меня бить.

Вектроник А4-12: от заказа до готовности - http://cnc-club.ru/forum/viewtopic.php?f=3&t=5248
Токарник по дереву - http://cnc-club.ru/forum/viewtopic.php?f=3&t=5623

Изображение
Аватара пользователя
michael-yurov
Почётный участник
Почётный участник
Сообщения: 11731
Зарегистрирован: 26 июл 2012, 00:10
Репутация: 4703
Настоящее имя: Михаил Львович
Откуда: Новоуральск
Контактная информация:

Re: Ударно гравировальная головка

Сообщение michael-yurov »

tooshka писал(а):
michael-yurov писал(а):Вот, что мне нужно для соседа сверху!
Это тебе не поможет))) подойдет железный тазик и перфоратор.
Представил себе станок по камню с перфоратором в качестве ударной головки! :headphones: :hehehe:
Аватара пользователя
solanto
Почётный участник
Почётный участник
Сообщения: 963
Зарегистрирован: 02 апр 2014, 09:10
Репутация: 94
Настоящее имя: Александр
Откуда: Карачаево-Черкесская республика, г.Черкесск
Контактная информация:

Re: Ударно гравировальная головка

Сообщение solanto »

michael-yurov писал(а):Представил себе станок по камню с перфоратором в качестве ударной головки!
А если двухголовый станок замутить? :hehehe:
Мне пофигу, что думают обо мне люди, пока они не начинают меня бить.

Вектроник А4-12: от заказа до готовности - http://cnc-club.ru/forum/viewtopic.php?f=3&t=5248
Токарник по дереву - http://cnc-club.ru/forum/viewtopic.php?f=3&t=5623

Изображение
Ответить

Вернуться в «Прочие станки»