схемки нет стабилизатора тока этак на 20А для лазераUAVpilot писал(а):либо через стабилизаторы тока
--Nick
С помощью форумчан запустил лазер:
https://www.youtube.com/watch?v=x17iAbeb3s4

схемки нет стабилизатора тока этак на 20А для лазераUAVpilot писал(а):либо через стабилизаторы тока


у меня тут 2 лазера загарают без БП, а ему домойUAVpilot писал(а):С ШИМ лениво - домой пора.

если бы он ток четко бы держал то не жалко и купитьUAVpilot писал(а):Могу даже готовый предложить: сварочный инвертор называется.


очень похожие БП у меня есть китайские на 24в, 36в, 48вUAVpilot писал(а):Mean Well

относительно чего?UAVpilot писал(а):и на среднем выводе подстроечника меряется напряжение,

ну да на цель на целился БАХ и цели нетNick писал(а):Ты из этого лазера решил целеуказатель делать?

Земли.aftaev писал(а):относительно чего?
Точно так же, как UAVpilot предложил стабилизатор тока на операционнике, только стабилитрон и R1 убираешь, а в точку, куда раньше катод стабилитрона подключался, подаешь ШИМ амплитудой +5 В. Тогда при рабочем цикле, близком к единице, будет номинальная мощность, при меньшем - меньшая.aftaev писал(а):А с ШИМом для управления мощью

Что куды подключать? Подписан только один вывод обратная связь.UAVpilot писал(а):Ну собственно можно любой импульсник с подходящими параметрами слегка переделать.
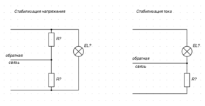
Вот общий принцип: Т.е. надо в цепь нагрузки поставить измерительный шунт и с него снять сигнал обратной связи, ну и подобрать её парметры.
Для этого хорошо подходят импульсники от Mean Well, даже есть модели, с выведенным наружу входом ОС.
Точку соединения токоизмерительного шунта и нагрузки ко входу обратной связи. Как на правом рисунке из поста #10.aftaev писал(а):Что куды подключать? Подписан только один вывод обратная связь.