Серва без тормоза, вопрос?
- Loituma
- Мастер
- Сообщения: 512
- Зарегистрирован: 28 ноя 2011, 21:45
- Репутация: 57
- Контактная информация:
Серва без тормоза, вопрос?
Тут такая ситуация:
С шаговыми я уже наработался, взялся за сервы и нашел интересное отличие:
Шаговик включаешь, он встает и держит сам себя.
А вот серва не такая, она себя не держит, ее можно не легко но провернуть.
В емс задаешь координаты, она в них приходит и можно ее после провернуть...
Вопрос: это так сказывается отсутствие тормоза на серве или где то какой то параметр в сервоусилителе не учтен?
С шаговыми я уже наработался, взялся за сервы и нашел интересное отличие:
Шаговик включаешь, он встает и держит сам себя.
А вот серва не такая, она себя не держит, ее можно не легко но провернуть.
В емс задаешь координаты, она в них приходит и можно ее после провернуть...
Вопрос: это так сказывается отсутствие тормоза на серве или где то какой то параметр в сервоусилителе не учтен?
- Loituma
- Мастер
- Сообщения: 512
- Зарегистрирован: 28 ноя 2011, 21:45
- Репутация: 57
- Контактная информация:
Re: Серва без тормоза, вопрос?
читал, думал..
Наличие тормоза никак не влияет на положение во включеном состоянии, так как тормоз в основном для выключенного состояния...
Какого то параметра не хватает, что бы он удерживал положение в режиме задания скорости по аналогу...
Кто нибуть сталкивался с проблемой такой?
Наличие тормоза никак не влияет на положение во включеном состоянии, так как тормоз в основном для выключенного состояния...
Какого то параметра не хватает, что бы он удерживал положение в режиме задания скорости по аналогу...
Кто нибуть сталкивался с проблемой такой?
-
aftaev
- Зачётный участник

- Сообщения: 34042
- Зарегистрирован: 04 апр 2010, 19:22
- Репутация: 6194
- Откуда: Казахстан.
- Контактная информация:
Re: Серва без тормоза, вопрос?
Шаговик всегда подает ток на обмотки. Серва когда встала в позицию и если ей ничто не мешает она снимает ток. Если прикладываем усилие серва начинает сопротивляться чем дальше от заданной позиции тем больше сопротивляется. Потому у сервы вал словно "резиновый" и сервы умеют "петь"Loituma писал(а):Шаговик включаешь, он встает и держит сам себя.
А вот серва не такая, она себя не держит, ее можно не легко но провернуть.
На сервах тормоз если и есть то НЕнужен он при работе ЧПУ. Тормоз используется в тех случаях когда при снятия напряжения серва отпустит вал и поедит. Например имеем тяжелую консоль на ШВП, при выключении сервы консоль под тяжестью поедит. Вот чтоб этого не происходило есть сервы с тормозом.Loituma писал(а):Вопрос: это так сказывается отсутствие тормоза на серве или где то какой то параметр в сервоусилителе не учтен?
Loituma, о какой серве идет речь?
С сервами с которыми мне приходилось работать есть функции в настройках 0-10 которые настраивают "жескость вала" называется: установка величины жесткости системы (так написано в переведенном мануале).
Да и не нужно забывать что сервы имеют ПОСТОЯННЫЙ момент на всех оборотах и имеют как правило 150% перегруз по моменту. Шаговик наооборот когда стоит имеет максимальный момент, но при повышении скорости его момент приблиижается к нулю. Если взять серву и шаговик 400ваттная серва будет иметь номинальный момент 1.2Нм на всех скоростях от 0-3000 это небольшой момент и его можно провернуть, а шаговик когда стоит не провернуть даже ухватившись плоскогубцами за вал, но разогнав его до 200 об можно уже легко остановить!Loituma писал(а):А вот серва не такая, она себя не держит, ее можно не легко но провернуть.
Дилетанту сложные вещи кажутся очень простыми, и только профессионал понимает насколько сложна самая простая вещь
Кто хочет - ищет возможности, кто не хочет - ищет оправдание.
Найди работу по душе и тебе не придется работать.
Кто хочет - ищет возможности, кто не хочет - ищет оправдание.
Найди работу по душе и тебе не придется работать.
-
aftaev
- Зачётный участник

- Сообщения: 34042
- Зарегистрирован: 04 апр 2010, 19:22
- Репутация: 6194
- Откуда: Казахстан.
- Контактная информация:
Re: Серва без тормоза, вопрос?
По аналогу через PID уже будет держать ЕМС. Сама серва будет медленно "ползти"Loituma писал(а):Какого то параметра не хватает, что бы он удерживал положение в режиме задания скорости по аналогу...
Дилетанту сложные вещи кажутся очень простыми, и только профессионал понимает насколько сложна самая простая вещь
Кто хочет - ищет возможности, кто не хочет - ищет оправдание.
Найди работу по душе и тебе не придется работать.
Кто хочет - ищет возможности, кто не хочет - ищет оправдание.
Найди работу по душе и тебе не придется работать.
- Loituma
- Мастер
- Сообщения: 512
- Зарегистрирован: 28 ноя 2011, 21:45
- Репутация: 57
- Контактная информация:
Re: Серва без тормоза, вопрос?
хм, а удерживать позицию как он будет? У меня есть элемент тяжелый в системе...aftaev писал(а): Шаговик всегда подает ток на обмотки. Серва когда встала в позицию и если ей ничто не мешает она снимает ток. Если прикладываем усилие серва начинает сопротивляться чем дальше от заданной позиции тем больше сопротивляется. Потому у сервы вал словно "резиновый" и сервы умеют "петь"
С тормозом я разробрался, понял что он не для того...aftaev писал(а):На сервах тормоз если и есть то НЕнужен он при работе ЧПУ. Тормоз используется в тех случаях когда при снятия напряжения серва отпустит вал и поедит. Например имеем тяжелую консоль на ШВП, при выключении сервы консоль под тяжестью поедит. Вот чтоб этого не происходило есть сервы с тормозом.
Loituma, о какой серве идет речь?
С сервами с которыми мне приходилось работать есть функции в настройках 0-10 которые настраивают "жескость вала" называется: установка величины жесткости системы (так написано в переведенном мануале).
Серва Estun, мануал сейчас перевожу, но пока при беглом 3х кратном прочтении не наткнулся на параметр жесткости...
Это понятно, но так как я запускаю серву первый раз толком, мне удивительно, что я могу ее рукой провернуть в отличии от шаговика.aftaev писал(а): Да и не нужно забывать что сервы имеют ПОСТОЯННЫЙ момент на всех оборотах и имеют как правило 150% перегруз по моменту. Шаговик наооборот когда стоит имеет максимальный момент, но при повышении скорости его момент приблиижается к нулю. Если взять серву и шаговик 400ваттная серва будет иметь номинальный момент 1.2Нм на всех скоростях от 0-3000 это небольшой момент и его можно провернуть, а шаговик когда стоит не провернуть даже ухватившись плоскогубцами за вал, но разогнав его до 200 об можно уже легко остановить!
Переведи, что ты имел ввиду?aftaev писал(а):По аналогу через PID уже будет держать ЕМС. Сама серва будет медленно "ползти"
Кстати ты управляешь сервой по степ диру если я помню, а энкодер ты как завел в комп?
Есть разница управления? По моим ощущениям если переключить серву в режим положения она жесче держит вал в заданной точке, но при этом не возможно аналогове управления...
- Nick
- Мастер
- Сообщения: 22776
- Зарегистрирован: 23 ноя 2009, 16:45
- Репутация: 1735
- Заслуга: Developer
- Откуда: Gatchina, Saint-Petersburg distr., Russia
- Контактная информация:
Re: Серва без тормоза, вопрос?
Насколько сильно серва уходит от нужного положения?
Где она у тебя установлена? Сила направленна в одном и том же направлении или нет? В параметрах PID можно настроить компенсацию статических моментов, например силы тяжести, и динамических - силы трения и инерции.
Где она у тебя установлена? Сила направленна в одном и том же направлении или нет? В параметрах PID можно настроить компенсацию статических моментов, например силы тяжести, и динамических - силы трения и инерции.
-
aftaev
- Зачётный участник

- Сообщения: 34042
- Зарегистрирован: 04 апр 2010, 19:22
- Репутация: 6194
- Откуда: Казахстан.
- Контактная информация:
Re: Серва без тормоза, вопрос?
Значит всегда будет подавать ток чтоб держать позицию.Loituma писал(а):хм, а удерживать позицию как он будет? У меня есть элемент тяжелый в системе...
картинку хоть покаж сервы чтоб понять что за зверь.Loituma писал(а):Серва Estun, мануал сейчас перевожу,
Сравнивать шаговик и серву малость не корректно. Серва так и будет работать это нормально.Loituma писал(а):Это понятно, но так как я запускаю серву первый раз толком, мне удивительно, что я могу ее рукой провернуть в отличии от шаговика.
Это долго объяснять. Если "на пальцах" то - шаговик это двиг который переключается магнитами. Дали импульс он переключился на шаг. Серва же это синхронный двигатель для простоты примем что этот простой АСИнхронный двигатель. Асинхронники не могут стоять в заданной позиции, но если к ним прицепить энкодер то переключая контроллером вращение то влево то вправо можно удерживать позицию(правда с асинхронными движками это мало вероятно у них магнитное поле не синхронно). От веса нагрузки можно получить "перелет" позиции потому управление пизицией управляют по P или PI или PID алгоритмам.Loituma писал(а):Переведи, что ты имел ввиду?
Потому чтоб серве держать позицию ПОД нагрузкой нужно постоянно дергать вал, от того она и поет
Есть простые сервы у которых энкодер нужно заводить в ЕМС чтоб он держал позицию.Loituma писал(а):Кстати ты управляешь сервой по степ диру если я помню, а энкодер ты как завел в комп?
Мои сервы с "мозгами" в сервоконтроллер заводится энкодер и сервоконтроллер сам держит позицию. Потому я управляю ими по степ/дир
Эт как религию обсуждатьLoituma писал(а):Есть разница управления?
жесткость системы настраивается в параметрах. К ЕМС по аналоговому не подключал, могу предположить что и в настройках ЕМС должно быть настройка жесткости системы.Loituma писал(а):По моим ощущениям если переключить серву в режим положения она жесче держит вал в заданной точке, но при этом не возможно аналогове управления...
вот это задается в настройках жесткости системы.Nick писал(а):Насколько сильно серва уходит от нужного положения?
* пишу про свои сервы
** все хотел снять видео про "резиновый" вал сервы
Дилетанту сложные вещи кажутся очень простыми, и только профессионал понимает насколько сложна самая простая вещь
Кто хочет - ищет возможности, кто не хочет - ищет оправдание.
Найди работу по душе и тебе не придется работать.
Кто хочет - ищет возможности, кто не хочет - ищет оправдание.
Найди работу по душе и тебе не придется работать.
-
aftaev
- Зачётный участник

- Сообщения: 34042
- Зарегистрирован: 04 апр 2010, 19:22
- Репутация: 6194
- Откуда: Казахстан.
- Контактная информация:
Re: Серва без тормоза, вопрос?
функция автоматической жесткости системы настраивает сразу несколько параметров сервы.
Дилетанту сложные вещи кажутся очень простыми, и только профессионал понимает насколько сложна самая простая вещь
Кто хочет - ищет возможности, кто не хочет - ищет оправдание.
Найди работу по душе и тебе не придется работать.
Кто хочет - ищет возможности, кто не хочет - ищет оправдание.
Найди работу по душе и тебе не придется работать.
- Loituma
- Мастер
- Сообщения: 512
- Зарегистрирован: 28 ноя 2011, 21:45
- Репутация: 57
- Контактная информация:
Re: Серва без тормоза, вопрос?
Объясни пожлуйста подробней об принципах управления по этим параметрам, в инглиш мануале слегка не понятно....aftaev писал(а):От веса нагрузки можно получить "перелет" позиции потому управление пизицией управляют по P или PI или PID алгоритмам
-
aftaev
- Зачётный участник

- Сообщения: 34042
- Зарегистрирован: 04 апр 2010, 19:22
- Репутация: 6194
- Откуда: Казахстан.
- Контактная информация:
Re: Серва без тормоза, вопрос?
По ходу твоя серва с мозгами. Думал по проще будет. В PI функции я не вникал. У сервы кроме Pi будут другие проблемы это паразитные частоты. Они зависят от самого станка типа передач и тд. Свои сервы настраивал ручками описывал входы, там разные принципы управления виды сигнала и тд. А вот PID настраивал так= когда серва уже установлена на станке подключаю ее к компу через специальный разъем, далее запускаю сервисную программу к моим сервам это SigmaWin и там есть авто настройка. Программа начинает тискать стол несколько раз, сама высчитывает ускорение торможение настраивает PID и головной боли меньше 
Поищи на свою серву сервисную программу. Там вижу разъем СОМ на серве это скорее всего для компа.
В твоем случае если идет управление через +-10в и подключаешь к ЕМС то и нужно настраивать параметры и PID в ЕМС.
На форуме была тема какой PID использовать сервы или ЕМС вот это как раз то что тебе нужно. Поискай на форуме эту тему.
Поищи на свою серву сервисную программу. Там вижу разъем СОМ на серве это скорее всего для компа.
В твоем случае если идет управление через +-10в и подключаешь к ЕМС то и нужно настраивать параметры и PID в ЕМС.
На форуме была тема какой PID использовать сервы или ЕМС вот это как раз то что тебе нужно. Поискай на форуме эту тему.
Дилетанту сложные вещи кажутся очень простыми, и только профессионал понимает насколько сложна самая простая вещь
Кто хочет - ищет возможности, кто не хочет - ищет оправдание.
Найди работу по душе и тебе не придется работать.
Кто хочет - ищет возможности, кто не хочет - ищет оправдание.
Найди работу по душе и тебе не придется работать.
-
aftaev
- Зачётный участник

- Сообщения: 34042
- Зарегистрирован: 04 апр 2010, 19:22
- Репутация: 6194
- Откуда: Казахстан.
- Контактная информация:
Re: Серва без тормоза, вопрос?
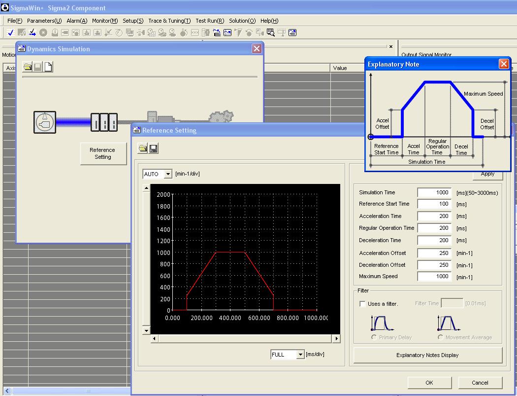
примерно так настраивается сервы
Дилетанту сложные вещи кажутся очень простыми, и только профессионал понимает насколько сложна самая простая вещь
Кто хочет - ищет возможности, кто не хочет - ищет оправдание.
Найди работу по душе и тебе не придется работать.
Кто хочет - ищет возможности, кто не хочет - ищет оправдание.
Найди работу по душе и тебе не придется работать.
- Loituma
- Мастер
- Сообщения: 512
- Зарегистрирован: 28 ноя 2011, 21:45
- Репутация: 57
- Контактная информация:
Re: Серва без тормоза, вопрос?
Че то не видел я прог обеспеения под эту серву...
- wldev
- Мастер
- Сообщения: 1650
- Зарегистрирован: 24 янв 2012, 16:04
- Репутация: 510
- Настоящее имя: Сергей Бочаров
- Откуда: Новосибирск
- Контактная информация:
Re: Серва без тормоза, вопрос?
У меня вроде есть...Loituma писал(а):Че то не видел я прог обеспеения под эту серву...
- Loituma
- Мастер
- Сообщения: 512
- Зарегистрирован: 28 ноя 2011, 21:45
- Репутация: 57
- Контактная информация:
Re: Серва без тормоза, вопрос?
где скачать можно?
- wldev
- Мастер
- Сообщения: 1650
- Зарегистрирован: 24 янв 2012, 16:04
- Репутация: 510
- Настоящее имя: Сергей Бочаров
- Откуда: Новосибирск
- Контактная информация:
Re: Серва без тормоза, вопрос?
http://www.estun.cn/filedown.action?dow ... _V1.03.rarLoituma писал(а):где скачать можно?
- Loituma
- Мастер
- Сообщения: 512
- Зарегистрирован: 28 ноя 2011, 21:45
- Репутация: 57
- Контактная информация:
Re: Серва без тормоза, вопрос?
спасибо, буду разбираться...
Был кстати у вас позавчера в городе проездом, в кемерово себе листогиб прикупил
Был кстати у вас позавчера в городе проездом, в кемерово себе листогиб прикупил
- Loituma
- Мастер
- Сообщения: 512
- Зарегистрирован: 28 ноя 2011, 21:45
- Репутация: 57
- Контактная информация:
Re: Серва без тормоза, вопрос?
мне тотально не везет... не могу по кому прицепиться к двигателю. В общем пробую
Re: Серва без тормоза, вопрос?
У меня тоже вертикальная ось падает под собственным весом, а серву без тормоза взял... Пришлось воткнуть обгонную муфту чтобы при выключении мотора стол не падал вниз.
- Nick
- Мастер
- Сообщения: 22776
- Зарегистрирован: 23 ноя 2009, 16:45
- Репутация: 1735
- Заслуга: Developer
- Откуда: Gatchina, Saint-Petersburg distr., Russia
- Контактная информация:
Re: Серва без тормоза, вопрос?
Не думал поставить какой-нибудь компенсатор или противовес?Milk писал(а):Пришлось воткнуть обгонную муфту чтобы при выключении мотора стол не падал вниз.
