Фрезерный по Цветным сплавам 600х900
- Antigoogle
- Опытный
- Сообщения: 119
- Зарегистрирован: 28 мар 2016, 12:30
- Репутация: 1
- Настоящее имя: Виталий
- Откуда: Р-н-Д
- Контактная информация:
Фрезерный по Цветным сплавам 600х900
Всем доброго времени суток. Долго читал разные ветки форума , что то для себя узнал полезное . теперь , хочу систематизируя имеющиеся знания и опыт спроектировать и собрать
CNC роутер по цветным сплавам.
Начну с ТЗ:
Обрабатываемый материал - Сплавы на основе алюминия
Габариты рабочей зоны (мах.X Y Z) -900x600x250
Номинальный Д инструмента D12 (твердый сплав монолит)
Направляющие RAIL /Y Z рельсовые/ /Х шлифованный вал на опоре/
ШВП Bs /Х Y 2005 / /Z
Шаговые двигателя SD /ток ~4 А ; ~3< Момент
Конструкция :
Портальная балка Y фрезерованная цельнометаллическая ферма Д16Т
Z каретка сборная , Д16Т
Станина (опоры X и база) Многослойная ламинированная фанера или дельта древесина. (слои горизонтально)
Кинематика :
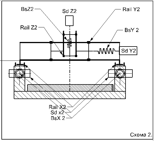
Схема 1 Преимущества :
один привод + швп на каждую ось , станина образует жесткую, замкнутую балкой Y , систему .
Недостатки :
Удвоенные габариты по Х за счет продольного движения стола.
Предельная по Х Y конструкция только для фрезера
Схема 2 Преимущества :
Габариты по Х будут определяться Х раб.ход+Х конструкивный
Больше возможностей для модернизациий (ИМХО)
Недостатки:
Меньшая жесткость по сравнению с первой схемой.
Удвоенное кол-во элементов на Х (2 швп +2 ШД) + вопрос по синхронизации приводов Х
Конструктивная критика и рекомендации приветствуются !!!!
CNC роутер по цветным сплавам.
Начну с ТЗ:
Обрабатываемый материал - Сплавы на основе алюминия
Габариты рабочей зоны (мах.X Y Z) -900x600x250
Номинальный Д инструмента D12 (твердый сплав монолит)
Направляющие RAIL /Y Z рельсовые/ /Х шлифованный вал на опоре/
ШВП Bs /Х Y 2005 / /Z
Шаговые двигателя SD /ток ~4 А ; ~3< Момент
Конструкция :
Портальная балка Y фрезерованная цельнометаллическая ферма Д16Т
Z каретка сборная , Д16Т
Станина (опоры X и база) Многослойная ламинированная фанера или дельта древесина. (слои горизонтально)
Кинематика :
Схема 1 Преимущества :
один привод + швп на каждую ось , станина образует жесткую, замкнутую балкой Y , систему .
Недостатки :
Удвоенные габариты по Х за счет продольного движения стола.
Предельная по Х Y конструкция только для фрезера
Схема 2 Преимущества :
Габариты по Х будут определяться Х раб.ход+Х конструкивный
Больше возможностей для модернизациий (ИМХО)
Недостатки:
Меньшая жесткость по сравнению с первой схемой.
Удвоенное кол-во элементов на Х (2 швп +2 ШД) + вопрос по синхронизации приводов Х
Конструктивная критика и рекомендации приветствуются !!!!
- Antigoogle
- Опытный
- Сообщения: 119
- Зарегистрирован: 28 мар 2016, 12:30
- Репутация: 1
- Настоящее имя: Виталий
- Откуда: Р-н-Д
- Контактная информация:
Re: [Фрезерный] по [Цветным сплавам] [600х900]
Попутно , интересует качество товаров от СлаваCNC (как доставка). заказывать кинематику , ШД и драйверы (Leadshine) думаю у них. Цены уж очень интересные .
В остатке (интерфейсная плата и прочую шляпу у китайцев на али )
В остатке (интерфейсная плата и прочую шляпу у китайцев на али )
- Predator
- Мастер
- Сообщения: 9583
- Зарегистрирован: 18 июл 2013, 18:26
- Репутация: 2531
- Контактная информация:
Re: [Фрезерный] по [Цветным сплавам] [600х900]
Всё хорошо, товар проверен, Слава не обманывает!Antigoogle писал(а):интересует качество товаров от СлаваCNC (как доставка)
Рекомендую StepMaster ver.2 #1 Миши Юрова.Antigoogle писал(а):интерфейсная плата
- Antigoogle
- Опытный
- Сообщения: 119
- Зарегистрирован: 28 мар 2016, 12:30
- Репутация: 1
- Настоящее имя: Виталий
- Откуда: Р-н-Д
- Контактная информация:
Re: [Фрезерный] по [Цветным сплавам] [600х900]
Ну Вот пришло время поднимать тему снова . Дела такие. заказал у китайца механику
https://ru.aliexpress.com/item/20mm-lin ... 0.0.aaJ80F
Компановка следующая - Портал -1200 мм (Ось Х) ходит по двум рельсам 800 мм (Ось У) и приводится в движение соотв. парой моторов и парой ШВП .
Ось Z с ходом 250 мм классическая (рельс закреплен на корпусе (коробке) "У" по которым на каретках движется пластина с закрепленным на ней шпинделем .
Весь этот КОМПОТ будет приводиться в действие вот такой связкой электроники . Вот что мне удалось подобрать по показателям тока индуктивности и напряжения-
57HS10042D8 ток 4.2А, 25 кг*см ,3 mH + TB6600( HY-DIV268N 5A 48V ) ИБП 48 В 10 А 400 Вт + USBcnc 100kHz
Данные комплектующие доступны по деньгам и их легко купить. Ну и конечно же придется повозиться с настройкой..)
Про шпиндель и прочее навесное буду думать позже , когда будет готова основа .(планирую 2.2 кВт - водянку )
Теперь по вопросам - есть такая железяка ЮСБ на 5 осей и 100 Гц...очень интересная приблуда (ИМХО) .
https://ru.aliexpress.com/item/5-Axis-5 ... 331.4rWwB3
Похожие темы :
http://www.cnc-club.ru/forum/viewtopic.php?f=41&t=12983
http://www.cnc-club.ru/forum/viewtopic. ... 68#p353968
Приглашаю к обсуждению.
З.Ы. пока что нахожусь в начале пути . наполнение темы будет , но со временем..)
https://ru.aliexpress.com/item/20mm-lin ... 0.0.aaJ80F
Компановка следующая - Портал -1200 мм (Ось Х) ходит по двум рельсам 800 мм (Ось У) и приводится в движение соотв. парой моторов и парой ШВП .
Ось Z с ходом 250 мм классическая (рельс закреплен на корпусе (коробке) "У" по которым на каретках движется пластина с закрепленным на ней шпинделем .
Весь этот КОМПОТ будет приводиться в действие вот такой связкой электроники . Вот что мне удалось подобрать по показателям тока индуктивности и напряжения-
57HS10042D8 ток 4.2А, 25 кг*см ,3 mH + TB6600( HY-DIV268N 5A 48V ) ИБП 48 В 10 А 400 Вт + USBcnc 100kHz
Данные комплектующие доступны по деньгам и их легко купить. Ну и конечно же придется повозиться с настройкой..)
Про шпиндель и прочее навесное буду думать позже , когда будет готова основа .(планирую 2.2 кВт - водянку )
Теперь по вопросам - есть такая железяка ЮСБ на 5 осей и 100 Гц...очень интересная приблуда (ИМХО) .
https://ru.aliexpress.com/item/5-Axis-5 ... 331.4rWwB3
Похожие темы :
http://www.cnc-club.ru/forum/viewtopic.php?f=41&t=12983
http://www.cnc-club.ru/forum/viewtopic. ... 68#p353968
Приглашаю к обсуждению.
З.Ы. пока что нахожусь в начале пути . наполнение темы будет , но со временем..)
- frezeryga
- Почётный участник

- Сообщения: 13713
- Зарегистрирован: 18 авг 2013, 16:08
- Репутация: 5069
- Откуда: Жуковский
- Контактная информация:
Re: [Фрезерный] по [Цветным сплавам] [600х900]
Начинать надо с проекта а не с шопинга.
email frezeryga@yandex.ru
instagram https://www.instagram.com/frezeryga
telegram https://t.me/md_cnc_frezeryga https://t.me/frezeryga
instagram https://www.instagram.com/frezeryga
telegram https://t.me/md_cnc_frezeryga https://t.me/frezeryga
- Lafayette
- Мастер
- Сообщения: 3514
- Зарегистрирован: 11 фев 2017, 21:25
- Репутация: 445
- Настоящее имя: Михаил
- Контактная информация:
Re: [Фрезерный] по [Цветным сплавам] [600х900]
А в чём выгода "венигрета"
в конструкции?
Зачем фанера?
Зачем фанера?
- Antigoogle
- Опытный
- Сообщения: 119
- Зарегистрирован: 28 мар 2016, 12:30
- Репутация: 1
- Настоящее имя: Виталий
- Откуда: Р-н-Д
- Контактная информация:
Китайцы такие китайцы ))
З.Ы. В общем ржака ! Пока курил АлиЭкспресс часто в отзывах народ писал про то , что приходят шаговики хорошо упакованные но с отломанными ушками креплений !
Вот она - тайная завеса интриги умысла !!! ))))
Вот она - тайная завеса интриги умысла !!! ))))
- Antigoogle
- Опытный
- Сообщения: 119
- Зарегистрирован: 28 мар 2016, 12:30
- Репутация: 1
- Настоящее имя: Виталий
- Откуда: Р-н-Д
- Контактная информация:
Re: [Фрезерный] по [Цветным сплавам] [600х900]
Какая фанера Это все компот и бумажкиLafayette писал(а):А в чём выгода "венигрета"в конструкции?
Зачем фанера?
Если серьезно , то планировал конструкцию делать сначала из ламинированой фанеры 24 мм , а потом уже на рабочей модели обрабатывать остальные детали станка , изготавливая их из металлопроката с накладками из Д16 ..ну это долгий путь
- Antigoogle
- Опытный
- Сообщения: 119
- Зарегистрирован: 28 мар 2016, 12:30
- Репутация: 1
- Настоящее имя: Виталий
- Откуда: Р-н-Д
- Контактная информация:
Компоновка оси Z
Вот набросал компоновку оси Z .
Есть вопрос про базирующие элементы для установки входящих деталей кинематики.
Есть мнение сделать все на пром. оборудовании -т.е. канавки под рельс и каретки по переходной посадке !!
Какие будут мнения ?
Не выполнять их совсем , оставив все сопряжения сборки на винты М5 нет никакого желания .
Есть вопрос про базирующие элементы для установки входящих деталей кинематики.
Есть мнение сделать все на пром. оборудовании -т.е. канавки под рельс и каретки по переходной посадке !!
Какие будут мнения ?
Не выполнять их совсем , оставив все сопряжения сборки на винты М5 нет никакого желания .
- Вложения
-
- 01A-CS-Z-axis.rar
- компоновка в x_t (парасолид)
- (895.3 КБ) 377 скачиваний
- Lafayette
- Мастер
- Сообщения: 3514
- Зарегистрирован: 11 фев 2017, 21:25
- Репутация: 445
- Настоящее имя: Михаил
- Контактная информация:
Re: Компоновка оси Z
Возможность есть, делай, выставлять легче будет.Antigoogle писал(а):Вот набросал компоновку оси Z .
Есть вопрос про базирующие элементы для установки входящих деталей кинематики.
Есть мнение сделать все на пром. оборудовании -т.е. канавки под рельс и каретки по переходной посадке !!
Какие будут мнения ?
Не выполнять их совсем , оставив все сопряжения сборки на винты М5 нет никакого желания .
- Antigoogle
- Опытный
- Сообщения: 119
- Зарегистрирован: 28 мар 2016, 12:30
- Репутация: 1
- Настоящее имя: Виталий
- Откуда: Р-н-Д
- Контактная информация:
Re: Фрезерный по Цветным сплавам 600х900
Подкорректировал ось Z
- Вложения
-
- 03-00 Z axis CS.pdf
- (156.71 КБ) 445 скачиваний
-
- 01A-CS-Z-axis-v 1.2.rar
- (1.66 МБ) 374 скачивания
- Antigoogle
- Опытный
- Сообщения: 119
- Зарегистрирован: 28 мар 2016, 12:30
- Репутация: 1
- Настоящее имя: Виталий
- Откуда: Р-н-Д
- Контактная информация:
Re: Фрезерный по Цветным сплавам 600х900
Подбираю блок питания .
думаю брать пару вот таких для 4хШД 4.2A 2.5 Nm Nema 57H1004A
https://ru.aliexpress.com/store/product ... 78921.html
Моторы
http://999cnc.ru/catalog/shagovye_dviga ... _25_kg_sm/
Драйвера будут вот такие
https://ru.aliexpress.com/item/New-CNC- ... 04674.html
Напругу соответсвенно буду понижать до 40 В.
думаю брать пару вот таких для 4хШД 4.2A 2.5 Nm Nema 57H1004A
https://ru.aliexpress.com/store/product ... 78921.html
Моторы
http://999cnc.ru/catalog/shagovye_dviga ... _25_kg_sm/
Драйвера будут вот такие
https://ru.aliexpress.com/item/New-CNC- ... 04674.html
Напругу соответсвенно буду понижать до 40 В.
- sima8520
- Почётный участник

- Сообщения: 4509
- Зарегистрирован: 24 ноя 2016, 23:35
- Репутация: 1617
- Настоящее имя: Илья
- Откуда: Беларусь, Гомель
- Контактная информация:
Re: Фрезерный по Цветным сплавам 600х900
Если берете этот БП, то драйвера такие не подойду. Для них 48В - это смерть. Берите либо другие драйвера, либо БП на 36В. Если три движка, то Мощность БП должна быть 4,2А * 1,41 * 3=17,6А
- Lafayette
- Мастер
- Сообщения: 3514
- Зарегистрирован: 11 фев 2017, 21:25
- Репутация: 445
- Настоящее имя: Михаил
- Контактная информация:
Re: Фрезерный по Цветным сплавам 600х900
потратьте 20к и купите сервопааки 3 шт.
- Antigoogle
- Опытный
- Сообщения: 119
- Зарегистрирован: 28 мар 2016, 12:30
- Репутация: 1
- Настоящее имя: Виталий
- Откуда: Р-н-Д
- Контактная информация:
Re: Фрезерный по Цветным сплавам 600х900
стою перед выбором драйверов
https://ru.aliexpress.com/item/4PCS-lot ... 49629.html
https://ru.aliexpress.com/item/2-Phase- ... 98027.html
моторы 57H112 и 48 в БП
https://ru.aliexpress.com/item/4PCS-lot ... 49629.html
https://ru.aliexpress.com/item/2-Phase- ... 98027.html
моторы 57H112 и 48 в БП
- frezeryga
- Почётный участник

- Сообщения: 13713
- Зарегистрирован: 18 авг 2013, 16:08
- Репутация: 5069
- Откуда: Жуковский
- Контактная информация:
Re: Фрезерный по Цветным сплавам 600х900
А зачем их выбирать? Деньги карманы жмут? Проекта нет станка нет до покупок еще далеко. Всякого хлама накупить недолго всегда.
email frezeryga@yandex.ru
instagram https://www.instagram.com/frezeryga
telegram https://t.me/md_cnc_frezeryga https://t.me/frezeryga
instagram https://www.instagram.com/frezeryga
telegram https://t.me/md_cnc_frezeryga https://t.me/frezeryga
- Antigoogle
- Опытный
- Сообщения: 119
- Зарегистрирован: 28 мар 2016, 12:30
- Репутация: 1
- Настоящее имя: Виталий
- Откуда: Р-н-Д
- Контактная информация:
Re: Фрезерный по Цветным сплавам 600х900
"всякий хлам" будет ехать месяца 2 . к тому же кинематика уже приехала. проект уточняю. проблема выбрать драйвера и моторы...(((
- frezeryga
- Почётный участник

- Сообщения: 13713
- Зарегистрирован: 18 авг 2013, 16:08
- Репутация: 5069
- Откуда: Жуковский
- Контактная информация:
Re: Фрезерный по Цветным сплавам 600х900
Нормальный проект 2 месяца только рисовать. А потом еще изготавливать не быстро.
email frezeryga@yandex.ru
instagram https://www.instagram.com/frezeryga
telegram https://t.me/md_cnc_frezeryga https://t.me/frezeryga
instagram https://www.instagram.com/frezeryga
telegram https://t.me/md_cnc_frezeryga https://t.me/frezeryga
- Antigoogle
- Опытный
- Сообщения: 119
- Зарегистрирован: 28 мар 2016, 12:30
- Репутация: 1
- Настоящее имя: Виталий
- Откуда: Р-н-Д
- Контактная информация:
Продолжаю разрабатывать проект
Продолжаю в свободное время разрабатывать проект. сейчас необходимо спроектировать сам стол...и тут то почему то ничего в голову не приходит. вот что есть на данный момент . вес всей конструкции дошел до 100 кг. )
если есть идеи стола из проката с последующей мех обработкой - пишите !
если есть идеи стола из проката с последующей мех обработкой - пишите !
- megagad
- Почётный участник

- Сообщения: 3207
- Зарегистрирован: 05 апр 2014, 18:57
- Репутация: 712
- Откуда: Реуспублика Крым, Бахчисарай.
- Контактная информация:
Re: Фрезерный по Цветным сплавам 600х900
ШВП вывернуть "наружу" из зоны обработки.
We Do What We Must, Because We Can!
Причинять добро, наносить пользу и подвергать ласке.
Причинять добро, наносить пользу и подвергать ласке.