35 мм\мин точно ?FAER48 писал(а):Я видел большое спасибо, но я не задумался что на выборку всей лишней меди, нужно будет очень много времени потрать моему чп.
скорость подачи у него 35 мм\мин
Гравировка печатных плат в подробностях
-
Morroc
- Мастер
- Сообщения: 202
- Зарегистрирован: 22 ноя 2015, 03:17
- Репутация: 22
- Настоящее имя: Александр
- Контактная информация:
Re: Гравировка печатных плат в подробностях
-
FAER48
- Новичок
- Сообщения: 27
- Зарегистрирован: 23 сен 2017, 19:15
- Репутация: 0
- Настоящее имя: Денис
- Контактная информация:
Re: Гравировка печатных плат в подробностях
А как это сделать и в какой программе?
- AndyBig
- Мастер
- Сообщения: 3971
- Зарегистрирован: 07 мар 2014, 04:01
- Репутация: 1121
- Откуда: юг России
- Контактная информация:
Re: Гравировка печатных плат в подробностях
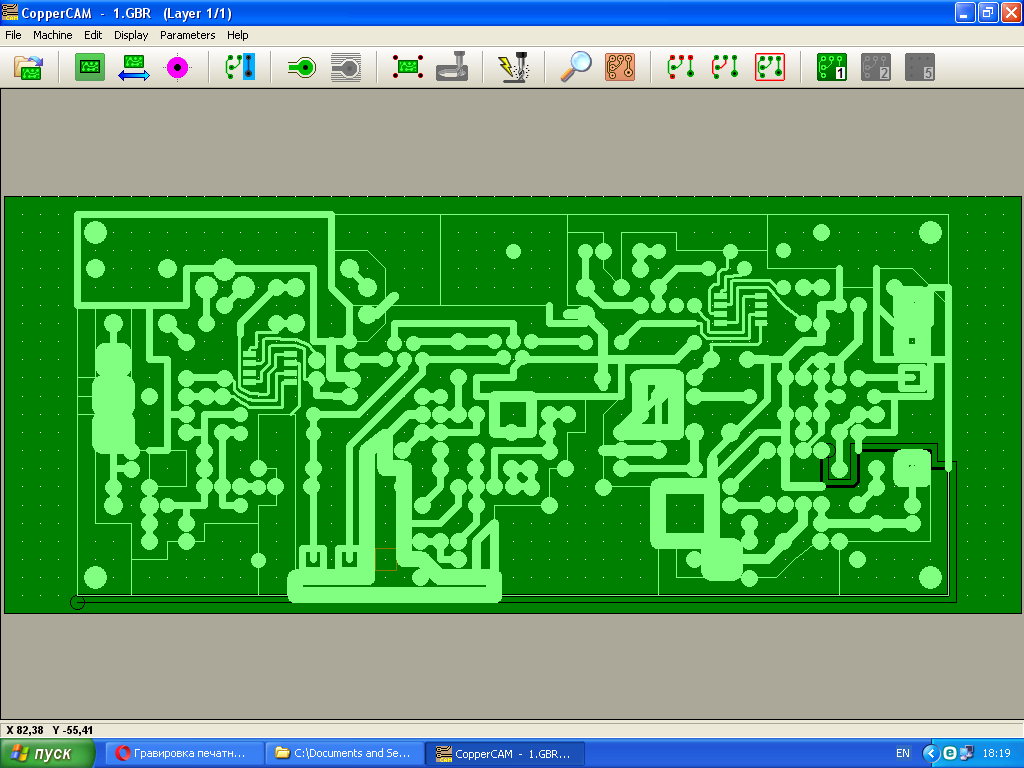
В первом сообщении этой темы все это описано с картинками, точно так же делал и с Вашей платойFAER48 писал(а):Как вы это сделали расскажите, и как сделать выборку меди больше в местах пайки?
-
FAER48
- Новичок
- Сообщения: 27
- Зарегистрирован: 23 сен 2017, 19:15
- Репутация: 0
- Настоящее имя: Денис
- Контактная информация:
Re: Гравировка печатных плат в подробностях
Так там нету ничего про спринтлаут
- AndyBig
- Мастер
- Сообщения: 3971
- Зарегистрирован: 07 мар 2014, 04:01
- Репутация: 1121
- Откуда: юг России
- Контактная информация:
Re: Гравировка печатных плат в подробностях
А при чем тут спринтлэйаут? Копперкаму требуются герберы, откуда они экспортированы - совершенно не важно.
-
FAER48
- Новичок
- Сообщения: 27
- Зарегистрирован: 23 сен 2017, 19:15
- Репутация: 0
- Настоящее имя: Денис
- Контактная информация:
Re: Гравировка печатных плат в подробностях
Вот как у меня получается Гербер делаю в спринлаут. Я не знаю что я не так делаю(((
-
FAER48
- Новичок
- Сообщения: 27
- Зарегистрирован: 23 сен 2017, 19:15
- Репутация: 0
- Настоящее имя: Денис
- Контактная информация:
Re: Гравировка печатных плат в подробностях
Да и смысл этого поста, программа то в демо версии только(((AndyBig писал(а):Вы что, все слои в один гербер запихнули?![]()
- AndyBig
- Мастер
- Сообщения: 3971
- Зарегистрирован: 07 мар 2014, 04:01
- Репутация: 1121
- Откуда: юг России
- Контактная информация:
Re: Гравировка печатных плат в подробностях
Вы, наверное, соглашаетесь когда Копперкам при загрузке гербера спрашивает правильно ли он определил контур платы и подсвечивает границы нагромождения полигонов. А этого делать не надо, потому что контура платы у Вас в гербере вообще нет.FAER48 писал(а):Вот как у меня получается
Мы же с Вами в личке пообщались на эту темуFAER48 писал(а):Да и смысл этого поста, программа то в демо версии только(((
-
FAER48
- Новичок
- Сообщения: 27
- Зарегистрирован: 23 сен 2017, 19:15
- Репутация: 0
- Настоящее имя: Денис
- Контактная информация:
Re: Гравировка печатных плат в подробностях
это не помогло то что вы скинули, скиньте тогда полностью программу, которой вы пользуетесь копперкам
-
FAER48
- Новичок
- Сообщения: 27
- Зарегистрирован: 23 сен 2017, 19:15
- Репутация: 0
- Настоящее имя: Денис
- Контактная информация:
Re: Гравировка печатных плат в подробностях
Ключ туда вводить не нужно? Уже можно работать на ней?
-
FAER48
- Новичок
- Сообщения: 27
- Зарегистрирован: 23 сен 2017, 19:15
- Репутация: 0
- Настоящее имя: Денис
- Контактная информация:
Re: Гравировка печатных плат в подробностях
Ничего у меня не получается(((((((((((
- AndyBig
- Мастер
- Сообщения: 3971
- Зарегистрирован: 07 мар 2014, 04:01
- Репутация: 1121
- Откуда: юг России
- Контактная информация:
Re: Гравировка печатных плат в подробностях
Нужно вводить. Я не знаю что у Вас не получается, вот вообще не вижу никаких путей что-то не получиться после всех объяснений и показов 
-
FAER48
- Новичок
- Сообщения: 27
- Зарегистрирован: 23 сен 2017, 19:15
- Репутация: 0
- Настоящее имя: Денис
- Контактная информация:
Re: Гравировка печатных плат в подробностях
не получается потому, что демо версия, возможно только делать сверловку
- AndyBig
- Мастер
- Сообщения: 3971
- Зарегистрирован: 07 мар 2014, 04:01
- Репутация: 1121
- Откуда: юг России
- Контактная информация:
Re: Гравировка печатных плат в подробностях
Он даже в демоверсии позволяет некоторый объем гравировки: "Limited trial without licence: as long as you do not have received a valid licence, the export of files is limited to 25 drills and 25 isolation contours, plus card cut-out contour and centering holes"
- AndyBig
- Мастер
- Сообщения: 3971
- Зарегистрирован: 07 мар 2014, 04:01
- Репутация: 1121
- Откуда: юг России
- Контактная информация:
Re: Гравировка печатных плат в подробностях
Вот что он выдает при попытке генерации G-кода без лицензии:
после этого он формирует G-код, но частично, вот так:
После ввода той лицензии, ссылку на которую я Вам давал, при выводе G-кода предупреждение не появляется и выведенный G-код выглядит так:
Что и почему у Вас там не получается - даже представить не могу.
-
exe
- Мастер
- Сообщения: 422
- Зарегистрирован: 25 дек 2015, 07:37
- Репутация: 105
- Настоящее имя: -
- Контактная информация:
Re: Гравировка печатных плат в подробностях
так не бывает, хоть что-то же должно получатьсяFAER48 писал(а):Ничего у меня не получается(((((((((((
вот с выборкой областей под микросхемами, остальное проход вдоль вектора
- Вложения
-
- peredelkaatrx83_49_lay.rar
- проект ArtСamPro 2012 sp2
- (1.13 МБ) 262 скачивания
- AndyBig
- Мастер
- Сообщения: 3971
- Зарегистрирован: 07 мар 2014, 04:01
- Репутация: 1121
- Откуда: юг России
- Контактная информация:
Re: Гравировка печатных плат в подробностях
Мне кажется, проблема тут уже не в софте 
- Seriyvolk
- Кандидат
- Сообщения: 57
- Зарегистрирован: 08 окт 2017, 04:13
- Репутация: 22
- Настоящее имя: Сергей
- Контактная информация:
Re: Гравировка печатных плат в подробностях
А драйвер Hands.sys разве не к софту относится? Или это уже железо?AndyBig писал(а):проблема тут уже не в софте
-
Morroc
- Мастер
- Сообщения: 202
- Зарегистрирован: 22 ноя 2015, 03:17
- Репутация: 22
- Настоящее имя: Александр
- Контактная информация:
Re: Гравировка печатных плат в подробностях
Можно в спринте при выгрузке в .plt задать и далее stepcam, а можно в копперкаме - практически в первом же окошке (вычисление контуров), чем больше проходов - тем шире "канавки" и меньше меди остается вокруг падов.FAER48 писал(а):А как это сделать и в какой программе?