ЭЛЕКТРОНИКА ЧПУ ПЛАЗМОРЕЗА ЗА 100000 р.

Контроллеры, драйверы, датчики, управляющие устройства.
olegprom19
Опытный
Сообщения: 117
Зарегистрирован: 05 июн 2017, 18:28
Репутация: 7
Настоящее имя: Олег
Контактная информация:

Re: ЭЛЕКТРОНИКА ЧПУ ПЛАЗМОРЕЗА ЗА 100000 р.

Сообщение olegprom19 »

dinozavr писал(а):нет. Просто в блоке управления ЧПУ используется БП от другого компа.
как тогда при замыкании катушки реле на "другую" землю срабатывает катушка?
видимо где то эти земли соединяются
надо общую схему подключения
dinozavr
Опытный
Сообщения: 108
Зарегистрирован: 23 мар 2016, 11:05
Репутация: 0
Настоящее имя: Андрей
Контактная информация:

Re: ЭЛЕКТРОНИКА ЧПУ ПЛАЗМОРЕЗА ЗА 100000 р.

Сообщение dinozavr »

olegprom19 писал(а):скорее всего вылетел транзистор на схеме в красном кружочке
попробуйте посмотреть изменение напряжение на выводе P17 (т.е. щупом на землю (PCGND) и на Р17) при включении плазмы
должно быть 0В/5В
п.с. на схеме видно что катушка реле связана по питанию с компьютерной землей и +5V
Померял. При выключенном 0 при включении в маче кнопки - 0,04 на мультиметре. Я ещё померил на самом лпт на компе между 17 ножкой и металлической оболочкой лпт - там тоже ничего нет...никаких изменений. И вот ещё какая фигня, реле перестало включаться на другом контроллере ( у меня их два). Тот, который сейчас стоит - работал до этого. И такой момент, раньше, когда комп грузился, релюшка щёлкала, а теперь нет. Думал у компа - лпт глюкнул, собрал другой комп... Может, конечно, он тоже с глюкнутым лпт попался... тогда только леч помереть...
"Первое решение - правильное" - такой девиз лётчиков реактивных истребителей... но для динозавра он не подходит. "Медленно- медленно...как беременная каракатица, по мусингам, по мусингам..."
dinozavr
Опытный
Сообщения: 108
Зарегистрирован: 23 мар 2016, 11:05
Репутация: 0
Настоящее имя: Андрей
Контактная информация:

Re: ЭЛЕКТРОНИКА ЧПУ ПЛАЗМОРЕЗА ЗА 100000 р.

Сообщение dinozavr »

ещё взял питание 5 вольт с платы и подал на 17 выход платы, реле замкнулось, диодик загорелся...
"Первое решение - правильное" - такой девиз лётчиков реактивных истребителей... но для динозавра он не подходит. "Медленно- медленно...как беременная каракатица, по мусингам, по мусингам..."
olegprom19
Опытный
Сообщения: 117
Зарегистрирован: 05 июн 2017, 18:28
Репутация: 7
Настоящее имя: Олег
Контактная информация:

Re: ЭЛЕКТРОНИКА ЧПУ ПЛАЗМОРЕЗА ЗА 100000 р.

Сообщение olegprom19 »

dinozavr писал(а): Я ещё померил на самом лпт на компе между 17 ножкой и металлической оболочкой лпт - там тоже ничего нет...никаких изменений.
надо мерить относительно земли (землянных пинов))) )
в LPT кабеле "оболочка" не соединена с землей
olegprom19
Опытный
Сообщения: 117
Зарегистрирован: 05 июн 2017, 18:28
Репутация: 7
Настоящее имя: Олег
Контактная информация:

Re: ЭЛЕКТРОНИКА ЧПУ ПЛАЗМОРЕЗА ЗА 100000 р.

Сообщение olegprom19 »

перемычка я так полагаю установлена на р17 которая....
ну если при подаче 5вольт на р17 реле срабатывает
а от команды с ЛПТ порта нет
то тут либо вывод порта не выдает (сгорел) либо в маче не правильно пин настроен (как вариант)
либо в кабеле обрыв
либо шинный формирователь в контроллере
olegprom19
Опытный
Сообщения: 117
Зарегистрирован: 05 июн 2017, 18:28
Репутация: 7
Настоящее имя: Олег
Контактная информация:

Re: ЭЛЕКТРОНИКА ЧПУ ПЛАЗМОРЕЗА ЗА 100000 р.

Сообщение olegprom19 »

попробуй вытащить ЛПТ кабель и на компьютере посмотреть есть ли управляющий сигнал на Р17 при включении плазмы (0 или 5В) в зависимости от настройки мача
если есть то подключить кабель и посмотреть тоже самое на кабеле (или просто прозвонить в кабеле 17-й пин)
если и там есть то смотреть на микросхеме шинного формирователя
dinozavr
Опытный
Сообщения: 108
Зарегистрирован: 23 мар 2016, 11:05
Репутация: 0
Настоящее имя: Андрей
Контактная информация:

Re: ЭЛЕКТРОНИКА ЧПУ ПЛАЗМОРЕЗА ЗА 100000 р.

Сообщение dinozavr »

olegprom19 писал(а):попробуй вытащить ЛПТ кабель и на компьютере посмотреть есть ли управляющий сигнал на Р17 при включении плазмы (0 или 5В) в зависимости от настройки мача
если есть то подключить кабель и посмотреть тоже самое на кабеле (или просто прозвонить в кабеле 17-й пин)
если и там есть то смотреть на микросхеме шинного формирователя
нету ни на компе ни на кабеле никаких изменений. кабель целый.
"Первое решение - правильное" - такой девиз лётчиков реактивных истребителей... но для динозавра он не подходит. "Медленно- медленно...как беременная каракатица, по мусингам, по мусингам..."
olegprom19
Опытный
Сообщения: 117
Зарегистрирован: 05 июн 2017, 18:28
Репутация: 7
Настоящее имя: Олег
Контактная информация:

Re: ЭЛЕКТРОНИКА ЧПУ ПЛАЗМОРЕЗА ЗА 100000 р.

Сообщение olegprom19 »

Относительно земляных пинов смотрите ?
В маче настройка пина Р17 лоу актив?
п.с. у данной интерфейсной платы выходные сигналы подтянуты к +5В,
т.е. если ЛПТ кабель не подключен, и подать питание на плату +5В (через USB)
то на всех выходах +5В "лог1" High
реле должно замкнуться
olegprom19
Опытный
Сообщения: 117
Зарегистрирован: 05 июн 2017, 18:28
Репутация: 7
Настоящее имя: Олег
Контактная информация:

Re: ЭЛЕКТРОНИКА ЧПУ ПЛАЗМОРЕЗА ЗА 100000 р.

Сообщение olegprom19 »

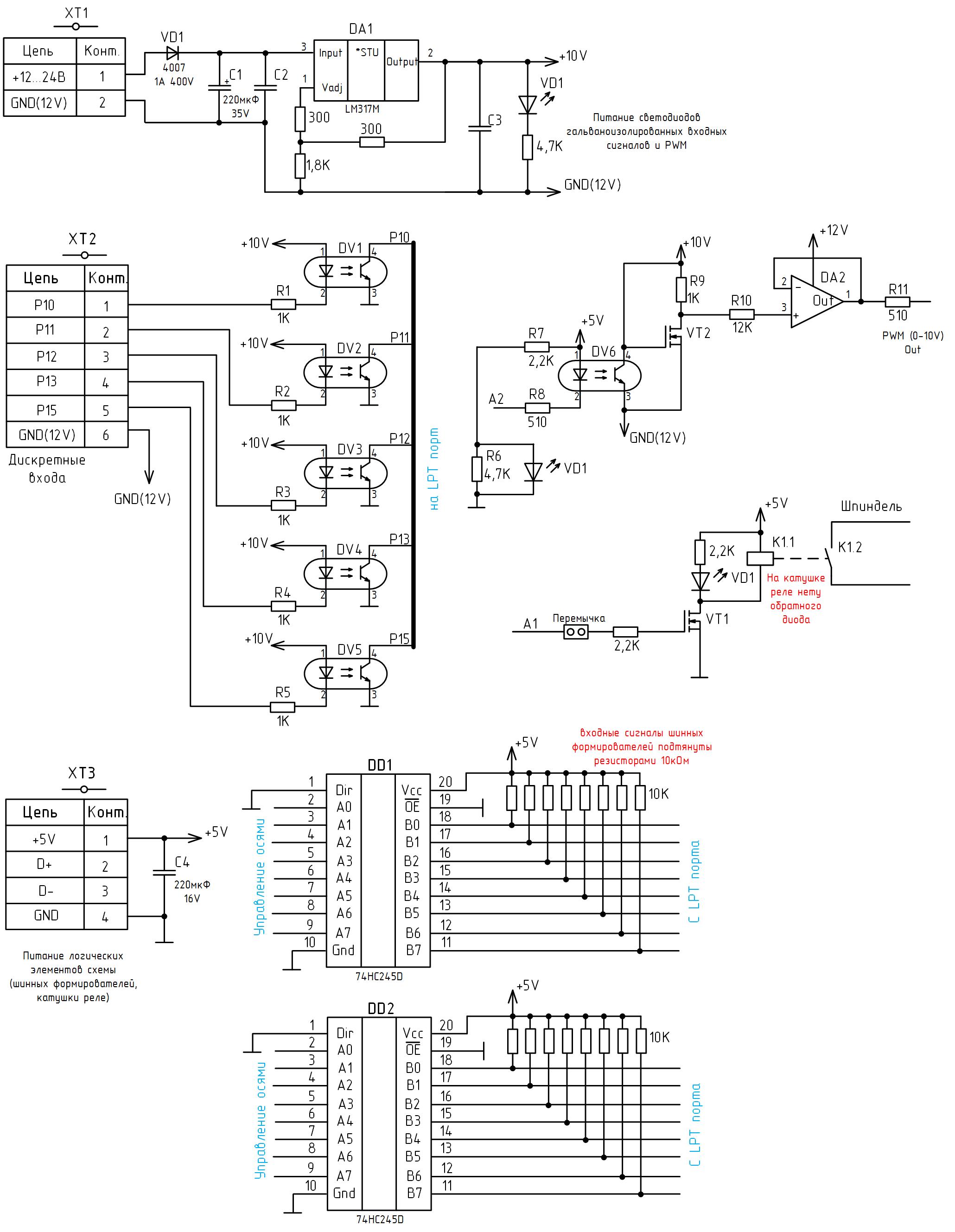
Частично восстановил схему интерфейсной платы 5 axis board Interface
подключение к осям разрисовывать не стал.
интереснее было опторазвязка входных дискретных сигналов и их питание
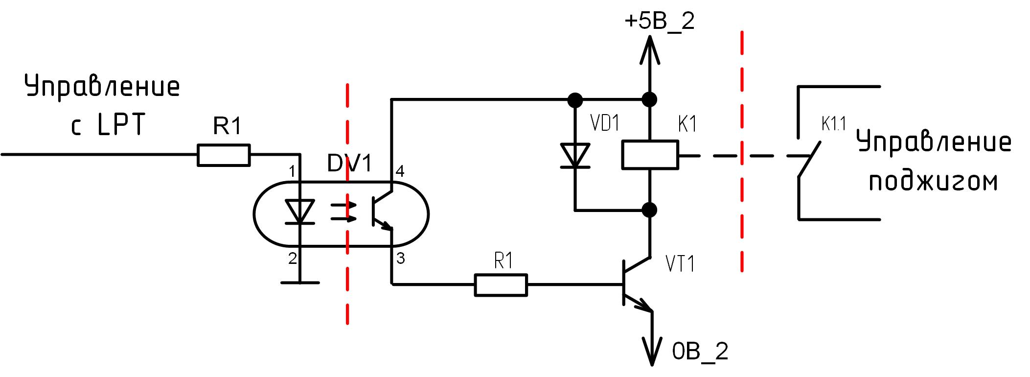
на катушке реле нету обратного диода!
да и управление катушкой можно было б через оптрон
(для шпинделя может и не принципиально а вот для плазмореза...)
может кому будет полезно
Вложения
Интерфейсная плата.jpg (3611 просмотров) <a class='original' href='./download/file.php?id=117083&mode=view' target=_blank>Загрузить оригинал (388.93 КБ)</a>
интерфейс.jpg (3610 просмотров) <a class='original' href='./download/file.php?id=117085&mode=view' target=_blank>Загрузить оригинал (101.17 КБ)</a>
dinozavr
Опытный
Сообщения: 108
Зарегистрирован: 23 мар 2016, 11:05
Репутация: 0
Настоящее имя: Андрей
Контактная информация:

Re: ЭЛЕКТРОНИКА ЧПУ ПЛАЗМОРЕЗА ЗА 100000 р.

Сообщение dinozavr »

olegprom19 писал(а):Относительно земляных пинов смотрите ?
В маче настройка пина Р17 лоу актив?
п.с. у данной интерфейсной платы выходные сигналы подтянуты к +5В,
т.е. если ЛПТ кабель не подключен, и подать питание на плату +5В (через USB)
то на всех выходах +5В "лог1" High
реле должно замкнуться
Да. Смотрел относительно земляных пинов. 17-й как только не настраивал. Вчера раздобыл ещё один винд сп3. Пробовал его грузить, ни в какую. Поменял жёсткий диск, загрузился. Установил мач, настроил, и чудесным образом на 17 пине лпт появился сигнал 0/5в при отключении-включении шпинделя. Но до всех этих манипулов, я перемкнул перемычкой ножки транзистора, который на фотке у тебя кружочком указан. Реле замкнулось, но мача не слушалось... Я отпаял перемычку свою, но реле осталось замкнутым... Дебил я в электросхемах, потому что. Вообщем реле постоянно замкнутое теперь. Контроллер работает, оси двигает, мач программу выполняет, а я кнопку включаю в ручную, чтобы плазму включить- выключить. Думаю контроллер я поиспортил. Отсутствие обратного диода на реле видимо привело к прилёту помехи прямо в виндоус, в котором слетел какой то драйвер, который выдавал 5 вольт на 17-ю ножку лпт порта :shock: Ни хрена не понимаю, каким образом установка другой винды и другого жёсткого диска привела к появлению этих пяти вольт... ??? :thinking:
"Первое решение - правильное" - такой девиз лётчиков реактивных истребителей... но для динозавра он не подходит. "Медленно- медленно...как беременная каракатица, по мусингам, по мусингам..."
olegprom19
Опытный
Сообщения: 117
Зарегистрирован: 05 июн 2017, 18:28
Репутация: 7
Настоящее имя: Олег
Контактная информация:

Re: ЭЛЕКТРОНИКА ЧПУ ПЛАЗМОРЕЗА ЗА 100000 р.

Сообщение olegprom19 »

dinozavr писал(а):Но до всех этих манипулов, я перемкнул перемычкой ножки транзистора, который на фотке у тебя кружочком указан. Реле замкнулось, но мача не слушалось
если перемкнули коллектор-эмиттер транзистора то он и включает катушку,

dinozavr писал(а):Отсутствие обратного диода на реле видимо привело к прилёту помехи прямо в виндоус, в котором слетел какой то драйвер, который выдавал 5 вольт на 17-ю ножку лпт порта :shock: Ни хрена не понимаю, каким образом установка другой винды и другого жёсткого диска привела к появлению этих пяти вольт... ??? :thinking:
там нету отдельного драйвера управляющего 17-й ногой, если б вылетел драйвер у вас и оси бы не ездили вообще
dinozavr писал(а):Реле замкнулось, но мача не слушалось... Я отпаял перемычку свою, но реле осталось замкнутым... Дебил я в электросхемах, потому что. Вообщем реле постоянно замкнутое теперь.
на данной плате по умолчанию на выходах "лог1" высокий уровень 5В т.е. если к плате не подключен LPT кабель то реле будет замкнуто
в настройках мача как настроен 17-й пин? Hi active? Low active?
dinozavr
Опытный
Сообщения: 108
Зарегистрирован: 23 мар 2016, 11:05
Репутация: 0
Настоящее имя: Андрей
Контактная информация:

Re: ЭЛЕКТРОНИКА ЧПУ ПЛАЗМОРЕЗА ЗА 100000 р.

Сообщение dinozavr »

olegprom19 писал(а):
dinozavr писал(а):Но до всех этих манипулов, я перемкнул перемычкой ножки транзистора, который на фотке у тебя кружочком указан. Реле замкнулось, но мача не слушалось
если перемкнули коллектор-эмиттер транзистора то он и включает катушку,

dinozavr писал(а):Отсутствие обратного диода на реле видимо привело к прилёту помехи прямо в виндоус, в котором слетел какой то драйвер, который выдавал 5 вольт на 17-ю ножку лпт порта :shock: Ни хрена не понимаю, каким образом установка другой винды и другого жёсткого диска привела к появлению этих пяти вольт... ??? :thinking:
там нету отдельного драйвера управляющего 17-й ногой, если б вылетел драйвер у вас и оси бы не ездили вообще
dinozavr писал(а):Реле замкнулось, но мача не слушалось... Я отпаял перемычку свою, но реле осталось замкнутым... Дебил я в электросхемах, потому что. Вообщем реле постоянно замкнутое теперь.
на данной плате по умолчанию на выходах "лог1" высокий уровень 5В т.е. если к плате не подключен LPT кабель то реле будет замкнуто
в настройках мача как настроен 17-й пин? Hi active? Low active?
Настраивал и хай и лоу, результата нет. Заказал контроллер новый и опторазвязанное реле дополнительное, как у вас на схеме и блок питания к нему отдельный. Я просто причину не понимаю, почему такие закидоны у меня... Получилось как: пытался резать первые детальки, не хватало воздуха. Нашёл причину - в плазморезе перед электрическим краном стоит сеточка. Откуда в ней какая то дрянь скопилась, хрен её знает... Фильтров на магистрали воздушной 3 штуки :thinking: Вытряхнул эту дрянь. По причине нехватки воздуха резал на максимально высоких настройках плазмореза, добавлял давление воздуха, уменьшал скорость подачи. Воздух починил, плазморез стал резать очень мощно, у меня пару раз срывало плазму на проходах бантиком углов квадратика, мач ошибку выдавал раза три... когда плазму срывает, хлопок, и вообще страх какой то.. пока я всё тут тыкал и убавлял-прибавлял, реле перестало замыкаться... И начались мучения... Вот так. Чёрт его знает, что случилось... Щас кнопкой включаю пока - режет как самолёт реактивный, но реле терь постоянно замкнутое)) Как говорится - вы хотели, чтоб оно замкнулось - пожалуйста :hehehe:
"Первое решение - правильное" - такой девиз лётчиков реактивных истребителей... но для динозавра он не подходит. "Медленно- медленно...как беременная каракатица, по мусингам, по мусингам..."
olegprom19
Опытный
Сообщения: 117
Зарегистрирован: 05 июн 2017, 18:28
Репутация: 7
Настоящее имя: Олег
Контактная информация:

Re: ЭЛЕКТРОНИКА ЧПУ ПЛАЗМОРЕЗА ЗА 100000 р.

Сообщение olegprom19 »

dinozavr писал(а):Заказал контроллер новый и опторазвязанное реле дополнительное, как у вас на схеме и блок питания к нему отдельный.
на китайских реле с али по кривому реализовано подключение
нужно питание транзистора оптрона и катушки запитать от отдельного блока питания (как на картинке)
я взял блок питания 5В от мобильника (благо их целая куча скопилось)
Вложения
333.jpg (3563 просмотра) <a class='original' href='./download/file.php?id=117282&mode=view' target=_blank>Загрузить оригинал (77.7 КБ)</a>
olegprom19
Опытный
Сообщения: 117
Зарегистрирован: 05 июн 2017, 18:28
Репутация: 7
Настоящее имя: Олег
Контактная информация:

Re: ЭЛЕКТРОНИКА ЧПУ ПЛАЗМОРЕЗА ЗА 100000 р.

Сообщение olegprom19 »

фото макета
на реле красный и черный провод питание
а серый управление с ЛПТ порта (причем на этой платке реле светодиод оптрона двунаправленный)
поэтому полярность подключения управления с лпт не важна
Вложения
888.jpg (3562 просмотра) <a class='original' href='./download/file.php?id=117283&mode=view' target=_blank>Загрузить оригинал (1.19 МБ)</a>
dinozavr
Опытный
Сообщения: 108
Зарегистрирован: 23 мар 2016, 11:05
Репутация: 0
Настоящее имя: Андрей
Контактная информация:

Re: ЭЛЕКТРОНИКА ЧПУ ПЛАЗМОРЕЗА ЗА 100000 р.

Сообщение dinozavr »

olegprom19 писал(а):фото макета
на реле красный и черный провод питание
а серый управление с ЛПТ порта (причем на этой платке реле светодиод оптрона двунаправленный)
поэтому полярность подключения управления с лпт не важна
Получается, реле, которое встроено в контроллер, совсем не учавствует во включении плазмы?
"Первое решение - правильное" - такой девиз лётчиков реактивных истребителей... но для динозавра он не подходит. "Медленно- медленно...как беременная каракатица, по мусингам, по мусингам..."
olegprom19
Опытный
Сообщения: 117
Зарегистрирован: 05 июн 2017, 18:28
Репутация: 7
Настоящее имя: Олег
Контактная информация:

Re: ЭЛЕКТРОНИКА ЧПУ ПЛАЗМОРЕЗА ЗА 100000 р.

Сообщение olegprom19 »

Да
dinozavr
Опытный
Сообщения: 108
Зарегистрирован: 23 мар 2016, 11:05
Репутация: 0
Настоящее имя: Андрей
Контактная информация:

Re: ЭЛЕКТРОНИКА ЧПУ ПЛАЗМОРЕЗА ЗА 100000 р.

Сообщение dinozavr »

Вот такие железячки получились при управлении плазмой при помощи кнопки :)
Вложения
IMG_1447.JPG (3529 просмотров) <a class='original' href='./download/file.php?id=117372&mode=view' target=_blank>Загрузить оригинал (456.98 КБ)</a>
IMG_1446.JPG (3529 просмотров) <a class='original' href='./download/file.php?id=117373&mode=view' target=_blank>Загрузить оригинал (388.3 КБ)</a>
"Первое решение - правильное" - такой девиз лётчиков реактивных истребителей... но для динозавра он не подходит. "Медленно- медленно...как беременная каракатица, по мусингам, по мусингам..."
olegprom19
Опытный
Сообщения: 117
Зарегистрирован: 05 июн 2017, 18:28
Репутация: 7
Настоящее имя: Олег
Контактная информация:

Re: ЭЛЕКТРОНИКА ЧПУ ПЛАЗМОРЕЗА ЗА 100000 р.

Сообщение olegprom19 »

вот такой модуль у меня стоит на управление
https://ru.aliexpress.com/store/product ... d281rD5riC
https://ru.aliexpress.com/store/product ... 876bz1ZPRO
dinozavr
Опытный
Сообщения: 108
Зарегистрирован: 23 мар 2016, 11:05
Репутация: 0
Настоящее имя: Андрей
Контактная информация:

Re: ЭЛЕКТРОНИКА ЧПУ ПЛАЗМОРЕЗА ЗА 100000 р.

Сообщение dinozavr »

olegprom19 писал(а):вот такой модуль у меня стоит на управление
https://ru.aliexpress.com/store/product ... d281rD5riC
https://ru.aliexpress.com/store/product ... 876bz1ZPRO
Вроде бы этот такой же, заказал его.
https://world.tmall.com/item/4123143073 ... 1231430731
"Первое решение - правильное" - такой девиз лётчиков реактивных истребителей... но для динозавра он не подходит. "Медленно- медленно...как беременная каракатица, по мусингам, по мусингам..."
olegprom19
Опытный
Сообщения: 117
Зарегистрирован: 05 июн 2017, 18:28
Репутация: 7
Настоящее имя: Олег
Контактная информация:

Re: ЭЛЕКТРОНИКА ЧПУ ПЛАЗМОРЕЗА ЗА 100000 р.

Сообщение olegprom19 »

это тао бао?
там на китайском все
Ответить

Вернуться в «Электроника»