Пуско-наладка, LinuxCNC + MESA 7i76E и другое
- vitzin
 - Мастер
 - Сообщения: 418
 - Зарегистрирован: 27 фев 2020, 14:16
 - Репутация: 56
 - Настоящее имя: viktor vizin
 - Контактная информация:
 
Re: Пуско-наладка, LinuxCNC + MESA 7i76E и другое
может быть с 4068н,где то так,восемь входоф,и один выход,
у меня так все трайбера подключены,если один уходит в ошбку,отключается нагрузка,
можно наверное всё после 4068н выкинуть,и завести сигнал в Мессу.
я просто ни разу не электрик
			
			
									
									
						можно наверное всё после 4068н выкинуть,и завести сигнал в Мессу.
я просто ни разу не электрик
- xenon-alien
 - Почётный участник

 - Сообщения: 4520
 - Зарегистрирован: 01 янв 2013, 13:13
 - Репутация: 925
 - Настоящее имя: Daniel
 - Откуда: Закарпатская обл. Украина
 - Контактная информация:
 
Re: Пуско-наладка, LinuxCNC + MESA 7i76E и другое
Не совсем...
Вот нашел что-то, но я другое припоминаю...
  и то не могу найти. (а может и это было...  
  )
https://www.youtube.com/watch?v=J6oFJ60EwGM
			
			
									
									
						Вот нашел что-то, но я другое припоминаю...
https://www.youtube.com/watch?v=J6oFJ60EwGM
- 
				alex_sar
 - Мастер
 - Сообщения: 1863
 - Зарегистрирован: 28 авг 2018, 17:13
 - Репутация: 315
 - Настоящее имя: Алексей
 - Контактная информация:
 
Re: Пуско-наладка, LinuxCNC + MESA 7i76E и другое
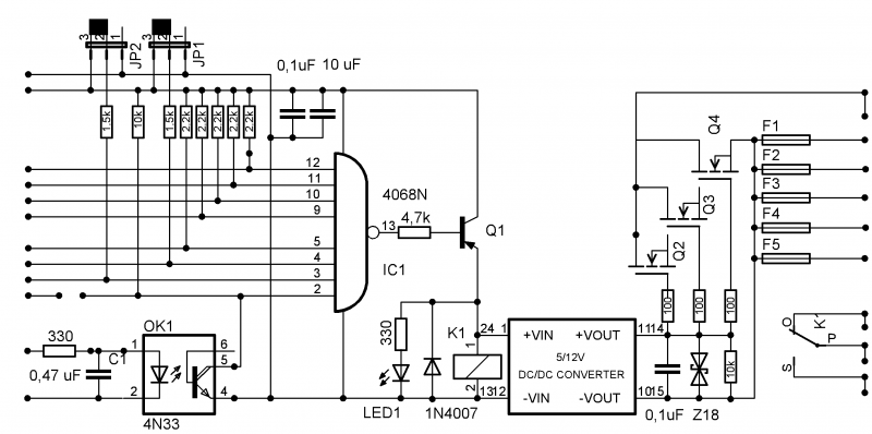
если там открытый коллектор на выходе, то соединяется вот так

картинка (с)
транзистор в этой схеме срабатывает примерно как реле - открывается и начинает пропускать через себя ток.
			
			
									
									
						
картинка (с)
транзистор в этой схеме срабатывает примерно как реле - открывается и начинает пропускать через себя ток.
- xenon-alien
 - Почётный участник

 - Сообщения: 4520
 - Зарегистрирован: 01 янв 2013, 13:13
 - Репутация: 925
 - Настоящее имя: Daniel
 - Откуда: Закарпатская обл. Украина
 - Контактная информация:
 
Re: Пуско-наладка, LinuxCNC + MESA 7i76E и другое
Благодарю! Тоже вариант!
Но там как-то именно последовательно было...
Получается три штуки 2260 (стр. 11) И один китайский HB860D (стр. 5) Да и в некоторых случаях видел что можно менять уровни и по идее можем получить +24в на выходе цепочки и при прерывании отрубается станок.
- 
				alex_sar
 - Мастер
 - Сообщения: 1863
 - Зарегистрирован: 28 авг 2018, 17:13
 - Репутация: 315
 - Настоящее имя: Алексей
 - Контактная информация:
 
Re: Пуско-наладка, LinuxCNC + MESA 7i76E и другое
у вас другие драйвера, не как в видео. оптопары на выходе стоят. 
там по умолчанию (без ошибки) оптопары открыты или нет? ток проводят? и самое главное - у обоих девайсов одинаково?
если так, то действительно нужно последовательно включать.
			
			
									
									
						там по умолчанию (без ошибки) оптопары открыты или нет? ток проводят? и самое главное - у обоих девайсов одинаково?
если так, то действительно нужно последовательно включать.
- xenon-alien
 - Почётный участник

 - Сообщения: 4520
 - Зарегистрирован: 01 янв 2013, 13:13
 - Репутация: 925
 - Настоящее имя: Daniel
 - Откуда: Закарпатская обл. Украина
 - Контактная информация:
 
Re: Пуско-наладка, LinuxCNC + MESA 7i76E и другое
Только задался этим вопросом...
Шкаф в процессе сборки...
К сожалению фото не позволяет форум добавить. (даже уменьшил размер - не прокатило)
Завтра как раз буду проверять. За одно можно ли менять уровни изменять - 0 и 1, что бы при корректной работе был открыт и пропускал 24в.
Если не получится, то буду делать, как выше на твоей схеме с)
На синем драйвере HB860D нет возможности менять, а на 2260 есть параметр 15 Fault polarity output level
Завтра проверю.
- xenon-alien
 - Почётный участник

 - Сообщения: 4520
 - Зарегистрирован: 01 янв 2013, 13:13
 - Репутация: 925
 - Настоящее имя: Daniel
 - Откуда: Закарпатская обл. Украина
 - Контактная информация:
 
Re: Пуско-наладка, LinuxCNC + MESA 7i76E и другое
ТПК-125ВН2 - станок №1 переделан. Осталось на будущее: пневматический цанговый зажим организовать.
Для одного и того же процесса.
_____________ До моего прибытия ____________________________ После моего прибытия__________
Но запихнули электронику под станину и окончательный вид не сфотографировал в спешке, а доставать от туда неудобно...
Как достанем - будет дополнительное фото.
			
			
									
									
						Для одного и того же процесса.
_____________ До моего прибытия ____________________________ После моего прибытия__________
Механику ребята собирали, электронику-настройку - я.
Но запихнули электронику под станину и окончательный вид не сфотографировал в спешке, а доставать от туда неудобно...
Как достанем - будет дополнительное фото.
- xenon-alien
 - Почётный участник

 - Сообщения: 4520
 - Зарегистрирован: 01 янв 2013, 13:13
 - Репутация: 925
 - Настоящее имя: Daniel
 - Откуда: Закарпатская обл. Украина
 - Контактная информация:
 
Re: Пуско-наладка, LinuxCNC + MESA 7i76E и другое
Давно тут ничего не постил.
За одно задам парочку вопросов.
Запустили УСП фрезер. (уже есть на нем кабельканалы - фото старое)
Сегодня пытался поработать на нём.
В роди бы всё гуд, но заметил нечто неприятное.
LinuxCNC 2.7.15 (которая с "диска" 64 бит) + MESA 7i76E.
Попытался работать в g56 системе координат (чтобы используемые не "сбивать") и при первых модификациях всё обнуляется. Повторно по идее тоже обнуляется но значение на дисплее не меняется. Что это может быть? (перезапуск программы всё показывает по нулям, если вернуться в ту точку где обнулял и всё корректно запомнило, но отображало не то)
Второй момент.
На скорую руку написал УП (прошу сильно не пинать), что бы заготовки ровнять. В тисках была зажата заготовка на ребро. Одна сторона получилась хорошо. Повернул на 180°, а там уехало начало программы на 24мм вместо 16 (в УП 60 менял на 16, а может и 15, точно не помню).
С чем может быть связано такое поведение? Косяк в УП? Косяк в ЛЦНЦ? Косяк, что повторно не выбрал g56? (тогда бы должен был не доехать, потому что в g54 у0 в теперешнем -9)
Хотя он был в нулях, по ХУ, только углубления добавил.
- sima8520
 - Почётный участник

 - Сообщения: 4509
 - Зарегистрирован: 24 ноя 2016, 23:35
 - Репутация: 1617
 - Настоящее имя: Илья
 - Откуда: Беларусь, Гомель
 - Контактная информация:
 
Re: Пуско-наладка, LinuxCNC + MESA 7i76E и другое
Может в таблице инструмента какая то бяка, типа смещения
			
			
									
									
						- 
				AlekseySP
 - Опытный
 - Сообщения: 128
 - Зарегистрирован: 28 дек 2016, 03:25
 - Репутация: 32
 - Настоящее имя: Алексей
 - Контактная информация:
 
Re: Пуско-наладка, LinuxCNC + MESA 7i76E и другое
Я бы добавл G56 в начало программыxenon-alien писал(а): ↑ С чем может быть связано такое поведение? Косяк в УП? Косяк в ЛЦНЦ? Косяк, что повторно не выбрал g56?
- Serg
 - Мастер
 - Сообщения: 21923
 - Зарегистрирован: 17 апр 2012, 14:58
 - Репутация: 5183
 - Заслуга: c781c134843e0c1a3de9
 - Настоящее имя: Сергей
 - Откуда: Москва
 - Контактная информация:
 
Re: Пуско-наладка, LinuxCNC + MESA 7i76E и другое
Зачем? Чтоб если понадобится запустить УП в другой системе координат станок вел себя более загадочно?..
Я не Христос, рыбу не раздаю, но могу научить, как сделать удочку...
						- xenon-alien
 - Почётный участник

 - Сообщения: 4520
 - Зарегистрирован: 01 янв 2013, 13:13
 - Репутация: 925
 - Настоящее имя: Daniel
 - Откуда: Закарпатская обл. Украина
 - Контактная информация:
 
Re: Пуско-наладка, LinuxCNC + MESA 7i76E и другое
Ну что я могу сказать...
Сегодня понаблюдал за работой станка, нужно было пару деталек сделать.
Вчера не верно написал G56. G55 глючит.
Сегодня перешел в G56, что бы вчерашние не трогать. Всё обнуляется и верно отображается.
После окончания УП, созданной в арткаме, ЛЦНЦ автоматически переключается в G54 и отображает на мониторе G54.
Если в MDI переключится то отображает G54. Но если дать команду G56, то всюду верно отображает.
После обед пришлось опять поработать в G55 и картина, как вчера. После окончания УП (что в файле) отображает G55, но в MDI видно активированный G54. Короче, не понятно в чем дело...
После меня ещё захотел человек поработать в G54, который он себе ещё давно выставил, но увы и ах не переключается обратно в G54 и отображает G55, хотя в MDI G54 активен и работает не понятно в каких координатах.
Пришлось перезапустить программу ЛЦНЦ, отправить в дома и только тогда заработало.
Я так понимаю, что это у всех так? Или только мне так "повезло"? Или я чего-то недонастроил? (хотя что-то подобное на каком-то форуме встречал, только фиг найдешь, когда надо)
Вспомнил ещё кое-что, УП (который в файле) отрубал стопом, из-за лишних проходов.
Нужно будет почитать про переменные, а то насколько я понял, то использовал глобальные, что не всегда хорошо...
- 
				alex_sar
 - Мастер
 - Сообщения: 1863
 - Зарегистрирован: 28 авг 2018, 17:13
 - Репутация: 315
 - Настоящее имя: Алексей
 - Контактная информация:
 
Re: Пуско-наладка, LinuxCNC + MESA 7i76E и другое
Наталкивался на похожий глюк. Не помню точно в чём дело было. То ли не отображались координаты, то ли ещё что-то наподобие.
Есть такая особенность, что если после загрузки программы поменять привязку (обнулится в другом месте например), то программа всё-равно поедет по старому. Поэтому перед запуском на автомате нажимаю Reload программы. На всякий случай. Возможно у вас что-то похожее. Попробуйте программу перезапускать перед стартом.
Самое простое - приехать в 0,0 и посмотреть абсолютные координаты.
Потом в любой момент можно по G53 приехать в эти же координаты и обнулиться.
			
			
									
									
						Есть такая особенность, что если после загрузки программы поменять привязку (обнулится в другом месте например), то программа всё-равно поедет по старому. Поэтому перед запуском на автомате нажимаю Reload программы. На всякий случай. Возможно у вас что-то похожее. Попробуйте программу перезапускать перед стартом.
Смещения системы координат можно записать (или сфоткать), тогда вернутся не проблема.Сегодня перешел в G56, что бы вчерашние не трогать.
Самое простое - приехать в 0,0 и посмотреть абсолютные координаты.
Потом в любой момент можно по G53 приехать в эти же координаты и обнулиться.
- xenon-alien
 - Почётный участник

 - Сообщения: 4520
 - Зарегистрирован: 01 янв 2013, 13:13
 - Репутация: 925
 - Настоящее имя: Daniel
 - Откуда: Закарпатская обл. Украина
 - Контактная информация:
 
Re: Пуско-наладка, LinuxCNC + MESA 7i76E и другое
Это в любом случае делается, так как программу меняю. Я потом только Z меняю и всё равно едет непонятно куда.
Логично, но если они все нужны в одной УП? (несколько заготовок по разным СК)
- Serg
 - Мастер
 - Сообщения: 21923
 - Зарегистрирован: 17 апр 2012, 14:58
 - Репутация: 5183
 - Заслуга: c781c134843e0c1a3de9
 - Настоящее имя: Сергей
 - Откуда: Москва
 - Контактная информация:
 
Re: Пуско-наладка, LinuxCNC + MESA 7i76E и другое
Очень часто использую нескольно систем координат, например когда нужно сделать несколько деталей с несколькими установками. Так-же использую несколько систем координат, когда датчиком нужно сделать несколько измерений - в моих циклах ноль в системе координат и текущая позиция инструмента используются для ввода параметров этих циклов. С подобным не сталкивался. 
А вообще из описания проблемы непонятно что отображается и где... В LinuxCNC есть несколько мест и способов для отображения координат, про какой-из них идёт речь непонятно.
			
			
									
									А вообще из описания проблемы непонятно что отображается и где... В LinuxCNC есть несколько мест и способов для отображения координат, про какой-из них идёт речь непонятно.
Я не Христос, рыбу не раздаю, но могу научить, как сделать удочку...
						- xenon-alien
 - Почётный участник

 - Сообщения: 4520
 - Зарегистрирован: 01 янв 2013, 13:13
 - Репутация: 925
 - Настоящее имя: Daniel
 - Откуда: Закарпатская обл. Украина
 - Контактная информация:
 
Re: Пуско-наладка, LinuxCNC + MESA 7i76E и другое
Я использую axis.
Там где превю кода там отображает g55, но во вкладке MDI есть поле, где показываются активние g-коды. Вот там g54, когда закончит прлграмму. А на главном остается g55. На второй вкадке, где просто координаты, там тоже g55
Это версия 2.7.15.
			
			
									
									
						Там где превю кода там отображает g55, но во вкладке MDI есть поле, где показываются активние g-коды. Вот там g54, когда закончит прлграмму. А на главном остается g55. На второй вкадке, где просто координаты, там тоже g55
Это версия 2.7.15.
- 
				AlekseySP
 - Опытный
 - Сообщения: 128
 - Зарегистрирован: 28 дек 2016, 03:25
 - Репутация: 32
 - Настоящее имя: Алексей
 - Контактная информация:
 
Re: Пуско-наладка, LinuxCNC + MESA 7i76E и другое
Не понял, в чём загадочность? Работает в G56, в программу добавить G56. И никаких загадок. Элементарная предосторожность, если пользуешься разными системами координат так укажи в программе какой именно. Особенно если станок как проходной двор. Ну если голова как компьютер и в принципе ничего не забывается, то дело хозяйское.
- xenon-alien
 - Почётный участник

 - Сообщения: 4520
 - Зарегистрирован: 01 янв 2013, 13:13
 - Репутация: 925
 - Настоящее имя: Daniel
 - Откуда: Закарпатская обл. Украина
 - Контактная информация:
 
Re: Пуско-наладка, LinuxCNC + MESA 7i76E и другое
Вот как раз в g56 проблем нет.
Что в ручную, что через УП всё чётко работает.
А вот в g55 танцы с бубном...
- Nick
 - Мастер
 - Сообщения: 22776
 - Зарегистрирован: 23 ноя 2009, 16:45
 - Репутация: 1735
 - Заслуга: Developer
 - Откуда: Gatchina, Saint-Petersburg distr., Russia
 - Контактная информация:
 
Re: Пуско-наладка, LinuxCNC + MESA 7i76E и другое
Про конец программы был как-то разговор. И что-то было про M2 и M30...
Хотя в доках вроде как они работают почти одинаково...
			
			
									
									
						Хотя в доках вроде как они работают почти одинаково...
Я так понял, что основная проблема, в том, что в ручном режиме система координат не поменялась?M2, M30 Program End
M2 - end the program. Pressing Cycle Start ("R" in the Axis GUI) will restart the program at the beginning of the file.
M30 - exchange pallet shuttles and end the program. Pressing Cycle Start will start the program at the beginning of the file.
Both of these commands have the following effects:
- Change from Auto mode to MDI mode.
 - Origin offsets are set to the default (like G54).
 - Selected plane is set to XY plane (like G17).
 - Distance mode is set to absolute mode (like G90).
 - Feed rate mode is set to units per minute (like G94).
 - Feed and speed overrides are set to ON (like M48).
 - Cutter compensation is turned off (like G40).
 - The spindle is stopped (like M5).
 - The current motion mode is set to feed (like G1).
 - Coolant is turned off (like M9).
 
- xenon-alien
 - Почётный участник

 - Сообщения: 4520
 - Зарегистрирован: 01 янв 2013, 13:13
 - Репутация: 925
 - Настоящее имя: Daniel
 - Откуда: Закарпатская обл. Украина
 - Контактная информация:
 
Re: Пуско-наладка, LinuxCNC + MESA 7i76E и другое
Что самое интересное, что это только с G55.
После окончания программы должно переключится в G54. На вкладке MDI видно, что активна G54, но на "главном" дисплее остается G55.
Это фото после ручного стопа УП.
