CNC1310 фрезер по металлу (126x88x38)
-
drykov
- Кандидат
- Сообщения: 58
- Зарегистрирован: 03 мар 2019, 01:59
- Репутация: 13
- Настоящее имя: Дмитрий
- Откуда: Тверь
- Контактная информация:
Re: CNC1310 фрезер по металлу (126x88x38)
Недавно заказывал на пробу и сегодня получил обсуждавшиеся пару страниц назад зажимы м6. Пришли не каленые и не шлифованные.
-
sinkacnc
- Мастер
- Сообщения: 488
- Зарегистрирован: 11 июл 2023, 10:35
- Репутация: 38
- Настоящее имя: Alexey
- Контактная информация:
Re: CNC1310 фрезер по металлу (126x88x38)
Да:) так и есть. Для этого станочка достаточны
-
igor_kovchegin
- Мастер
- Сообщения: 250
- Зарегистрирован: 19 дек 2019, 14:28
- Репутация: 9
- Настоящее имя: Игорь
- Контактная информация:
-
sinkacnc
- Мастер
- Сообщения: 488
- Зарегистрирован: 11 июл 2023, 10:35
- Репутация: 38
- Настоящее имя: Alexey
- Контактная информация:
Re: CNC1310 фрезер по металлу (126x88x38)
меня разочаровало что трущиеся поверхности были не шлифованные, но, как оказалось, на работу это не сильно влияет. свою функцию они выполняют на ураigor_kovchegin писал(а): ↑ Зачем им быть шлифованными?
-
13Dmitriy
- Мастер
- Сообщения: 258
- Зарегистрирован: 16 авг 2020, 14:13
- Репутация: 13
- Контактная информация:
Re: CNC1310 фрезер по металлу (126x88x38)
Курдль, встречный вопрос. У тебя шпиндель winward с родным контроллером и ты даже по шим им управлял. А развязку на него ты какую ни будь делал от платы управления OrangePI? Шпиндель c контроллером представляет из себя вообще другое устройство со своим БП, которое может быть воткнуто и в другую розетку, вот на него уже как-то просится какая ни будь развязка. Я пока обороты отвёрткой регулирую, но мне может в любой момент это надоесть ), вот и думаю туда что-то схимичить. Сейчас простой пуск шпинделя on-off у меня реализован через релюшку, что и является развязкой, а с шим такое уже не прокатит ).
- Курдль
- Мастер
- Сообщения: 2174
- Зарегистрирован: 20 мар 2018, 16:55
- Репутация: 282
- Настоящее имя: Курдль Энтеропийский
- Откуда: Msk
- Контактная информация:
Re: CNC1310 фрезер по металлу (126x88x38)
Просится, ибо это большая, страшная и шумная железяка, которая может и покалечить
Однако если рассмотреть его мануал...
Мой сайт: https://cnc-hobby.ru
-
13Dmitriy
- Мастер
- Сообщения: 258
- Зарегистрирован: 16 авг 2020, 14:13
- Репутация: 13
- Контактная информация:
Re: CNC1310 фрезер по металлу (126x88x38)
Она не столько большая и шумная, сколько дорогая, поэтому если и покалечит, то мою психику )).
Мануал интересный ), получается, что управление железякой простым логическим уровнем не возможно, поскольку приведёт к выходу её из строя. Подача на вход логического уровня 5в без токоограничивающего резистора 220 Ом, должно привести к выходу из строя оптрона, хотя реально этого не происходит, я проверял )). Я почему-то успел привыкнуть, что в устройствах входное сопротивление принято делать большим, а выходное маленьким, что бы не пришлось их согласовывать, а тут у меня разрыв шаблона произошёл )))
- Курдль
- Мастер
- Сообщения: 2174
- Зарегистрирован: 20 мар 2018, 16:55
- Репутация: 282
- Настоящее имя: Курдль Энтеропийский
- Откуда: Msk
- Контактная информация:
Re: CNC1310 фрезер по металлу (126x88x38)
Да вроде как есть там токоограничивающие резисторы. Я когда подключал этот канал, даже разбирал контроллер.
Справа оптроны и обвязка.
Мой сайт: https://cnc-hobby.ru
- Курдль
- Мастер
- Сообщения: 2174
- Зарегистрирован: 20 мар 2018, 16:55
- Репутация: 282
- Настоящее имя: Курдль Энтеропийский
- Откуда: Msk
- Контактная информация:
Re: CNC1310 фрезер по металлу (126x88x38)
Мне вот эта фраза покоя не дает. Почему ты обороты отверткой регулируешь, а не хотя бы крутилкой
Мой сайт: https://cnc-hobby.ru
-
13Dmitriy
- Мастер
- Сообщения: 258
- Зарегистрирован: 16 авг 2020, 14:13
- Репутация: 13
- Контактная информация:
Re: CNC1310 фрезер по металлу (126x88x38)
Я крайне редко меняю обороты, в 99% случаев они на максимуме, потому что фрезерую в основном из Д16Т тонкой (3,17мм) однопёрой фрезой. Всё что мягче дюрали, обычно 3Д принтер делает. Крутилка это ещё одна сопля на проводочках будет висеть, надёжности не добавляет ). Потом по шим сделаю.
- Курдль
- Мастер
- Сообщения: 2174
- Зарегистрирован: 20 мар 2018, 16:55
- Репутация: 282
- Настоящее имя: Курдль Энтеропийский
- Откуда: Msk
- Контактная информация:
Re: CNC1310 фрезер по металлу (126x88x38)
Т.е. пока что ты регулируешь обороты юстировочным потенциометром рядом с индикатором?
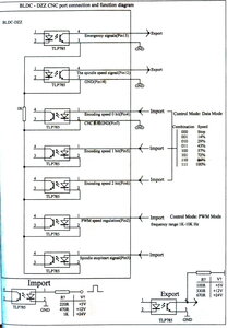
Я снова разобрал контроллер и замерил сопротивление между контактом "PWM" разъема "CNC" и входом оптрона.
Оно равняется 2.2 КОм!
Я ведь вставлял дополнительный шунтирующий резистор, чтобы обеспечить нормальное включение от сигнала 5В.
Но забыл, что там установлено. Я не понимаю, каким напряжением вообще должен управляться этот контроллер.
На входе стоят оптроны TLP785GB. Рекомендуемый входной ток = 16 - 25 mA. У оптрона, конечно, ключевой параметр CTR (коэфф. передачи по току), который у этого оптрона = 100 - 600.
Но я припаяю еще один резистор в цепь "PWM" наряду со "START".
Мой сайт: https://cnc-hobby.ru
-
13Dmitriy
- Мастер
- Сообщения: 258
- Зарегистрирован: 16 авг 2020, 14:13
- Репутация: 13
- Контактная информация:
Re: CNC1310 фрезер по металлу (126x88x38)
Да
Я свой пока не разбирал, возможно придётся. Странно, судя по схеме там 220 Ом должно быть для пяти вольт.
Я его только включаю внешним сигналом. +5В подаю на соответствующий вход под винт на клеммнике и шпиндель запускается. Никаких резисторов не добавлял.
Я 220 Ом всё же поставлю, это максимум 23 мА в худшем случае. Ну а если 2.2кОм там уже есть, то плюс 10% хуже не сделают.
- Курдль
- Мастер
- Сообщения: 2174
- Зарегистрирован: 20 мар 2018, 16:55
- Репутация: 282
- Настоящее имя: Курдль Энтеропийский
- Откуда: Msk
- Контактная информация:
Re: CNC1310 фрезер по металлу (126x88x38)
Его же 5В или внешние?
Если внешние, то это неправильно! Скорее всего на этих клеммах нет развязки собственного источника контроллера от внешнего.
И если снаружи будет какой бросок - беды не миновать.
К контроллеру же прилагался кабель к разъему CNC. Вот им и управляй.
Мой сайт: https://cnc-hobby.ru
-
13Dmitriy
- Мастер
- Сообщения: 258
- Зарегистрирован: 16 авг 2020, 14:13
- Репутация: 13
- Контактная информация:
Re: CNC1310 фрезер по металлу (126x88x38)
Его же. Внешние включают релюху, а она уже подаёт его же 5в, а может и на землю управляющий контакт замыкает, точно не помню, давно делал, но то что внешняя напруга туда не попадает, это точно. Так у меня развязка реализована, я же не знал, что там оптроны стоят.
У меня его нет, мне без кабеля прислали.
Последний раз редактировалось 13Dmitriy 03 фев 2025, 10:25, всего редактировалось 1 раз.
- Курдль
- Мастер
- Сообщения: 2174
- Зарегистрирован: 20 мар 2018, 16:55
- Репутация: 282
- Настоящее имя: Курдль Энтеропийский
- Откуда: Msk
- Контактная информация:
Re: CNC1310 фрезер по металлу (126x88x38)
Если ты пользуешься контактами клеммной рейки (на картинке справа) то я не знаю, есть ли там развязка. Может быть и нет. Схема, которую я ранее публиковал, относится к контактам разъема "CNC".
Купи здесь (14 пин).13Dmitriy писал(а): У меня его нет, мне без кабеля прислали.
НО! Если ты не используешь этот разъем, то снимается мой недоумённый вопрос: "Почему тебе удается управлять сигналом 5В, а мне - нет?".
Так используешь, или нет?
Мой сайт: https://cnc-hobby.ru
- Курдль
- Мастер
- Сообщения: 2174
- Зарегистрирован: 20 мар 2018, 16:55
- Репутация: 282
- Настоящее имя: Курдль Энтеропийский
- Откуда: Msk
- Контактная информация:
Re: CNC1310 фрезер по металлу (126x88x38)
Нет у оптрона минимума входного тока. Есть CTR (коэфф. передачи по току). Если выходной ток предполагается очень низким, то и входной тем более.
Ага. Понятно. Тогда предупреждаю, что этот контроллер пятью вольтами не управляется! Я вспомнил свои мытарства: мне пришлось закоротить ограничивающие резисторы в самодельной плате управления, но это все равно не принесло результата. Пришлось лезть в контроллер.
Мой сайт: https://cnc-hobby.ru
