"Чтобы не создавать отдельную тему ради одного вопроса"

Общие вопросы станкостроения и организиции труда.
Аватара пользователя
Q-starь
Мастер
Сообщения: 918
Зарегистрирован: 04 апр 2011, 16:50
Репутация: 604
Настоящее имя: Гэн
Откуда: Казахстан
Контактная информация:

Re: "Чтобы не создавать отдельную тему ради одного вопроса"

Сообщение Q-starь »

Rom327 писал(а):Стабилизирует логические уровни на входе драйвера.
Спасибо, допёрло... Т.е. всё кроме драйвера будет работать от 5 В. Забыл сказать что драйвер у меня МХ1508.
Контроллер этот: http://www.cnc-club.ru/forum/viewtopic.php?f=41&t=20190
Винтовка, жена и ложка - оружие строго индивидуальное!
Изображение
Аватара пользователя
Сергей Саныч
Мастер
Сообщения: 9116
Зарегистрирован: 30 май 2012, 14:20
Репутация: 2858
Откуда: Тюмень
Контактная информация:

Re: "Чтобы не создавать отдельную тему ради одного вопроса"

Сообщение Сергей Саныч »

Стабилитрон на 4-5В между точкой соединения резистора 1к с диодом оптрона и общим проводом контроллера с высокой вероятностью снимет проблему. Ибо
Mamont писал(а):Если In1 (слева) подается на вход микроконтроллера, имеющий встроенные защитные диоды , то через них ток пойдет на +5в питания микроконтроллера, немного приоткрывая оптрон.
Чудес не бывает. Бывают фокусы.
Аватара пользователя
Mamont
Мастер
Сообщения: 2005
Зарегистрирован: 10 дек 2015, 12:21
Репутация: 391
Настоящее имя: Виталий
Откуда: РБ Минск
Контактная информация:

Re: "Чтобы не создавать отдельную тему ради одного вопроса"

Сообщение Mamont »

И/или резистор параллельно диоду оптрона. Он придавит слабые токи через оптрон, а в роли "стабилитрона" выступит светодиод.
Аватара пользователя
Q-starь
Мастер
Сообщения: 918
Зарегистрирован: 04 апр 2011, 16:50
Репутация: 604
Настоящее имя: Гэн
Откуда: Казахстан
Контактная информация:

Re: "Чтобы не создавать отдельную тему ради одного вопроса"

Сообщение Q-starь »

Сергей Саныч писал(а):Стабилитрон на 4-5В между точкой соединения резистора 1к с диодом оптрона и общим проводом контроллера с высокой вероятностью снимет проблему
Самый понятный и простой вариант, попробую.
Винтовка, жена и ложка - оружие строго индивидуальное!
Изображение
Аватара пользователя
Q-starь
Мастер
Сообщения: 918
Зарегистрирован: 04 апр 2011, 16:50
Репутация: 604
Настоящее имя: Гэн
Откуда: Казахстан
Контактная информация:

Re: "Чтобы не создавать отдельную тему ради одного вопроса"

Сообщение Q-starь »

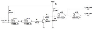
Замена блока реле с задержкой.jpg (9217 просмотров) <a class='original' href='./download/file.php?id=178776&mode=view' target=_blank>Загрузить оригинал (70.73 КБ)</a>
Вот такая задержка у меня реализована.
Винтовка, жена и ложка - оружие строго индивидуальное!
Изображение
Аватара пользователя
Сергей Саныч
Мастер
Сообщения: 9116
Зарегистрирован: 30 май 2012, 14:20
Репутация: 2858
Откуда: Тюмень
Контактная информация:

Re: "Чтобы не создавать отдельную тему ради одного вопроса"

Сообщение Сергей Саныч »

я вот такой вариант имел в виду.
Замена блока реле - 1.jpg (9205 просмотров) <a class='original' href='./download/file.php?id=178777&mode=view' target=_blank>Загрузить оригинал (74.96 КБ)</a>
Напряжение стабилизации стабилитрона не должно превышать напряжение питания МК более чем на 0,5В
Чудес не бывает. Бывают фокусы.
Аватара пользователя
Q-starь
Мастер
Сообщения: 918
Зарегистрирован: 04 апр 2011, 16:50
Репутация: 604
Настоящее имя: Гэн
Откуда: Казахстан
Контактная информация:

Re: "Чтобы не создавать отдельную тему ради одного вопроса"

Сообщение Q-starь »

Сергей Саныч, понятно, в Чип-Дип придётся пихрячить. Что нить типа 1N4732A или 1N4733A пойдет?
Ещё такой момент может это важно: У меня питание "колхоза" и "контроллера" разные. Контроллер питается от БП 12 В через L78S05 ( 5 В ), а "колхоз" от того же БП только через регулируемый LM2596S.
Последний раз редактировалось Q-starь 23 мар 2020, 13:26, всего редактировалось 1 раз.
Винтовка, жена и ложка - оружие строго индивидуальное!
Изображение
Аватара пользователя
Сергей Саныч
Мастер
Сообщения: 9116
Зарегистрирован: 30 май 2012, 14:20
Репутация: 2858
Откуда: Тюмень
Контактная информация:

Re: "Чтобы не создавать отдельную тему ради одного вопроса"

Сообщение Сергей Саныч »

Q-starь писал(а):Что нить типа 1N4732A или 1N4733A пойдет?
Пойдет.
Чудес не бывает. Бывают фокусы.
Feo
Кандидат
Сообщения: 40
Зарегистрирован: 07 мар 2016, 10:50
Репутация: 0
Настоящее имя: Федор
Контактная информация:

Re: "Чтобы не создавать отдельную тему ради одного вопроса"

Сообщение Feo »

Господа, подскажите по китайским УЦИ в применении к ЧПУ.
Продают линейки, обычно 5мкм или 1 мкм, и блок ДРО к ним вместе все работает отл. А в применении к чпу? Есть сервоусилители которые принимают обратную связь с оптических линеек.
Вопрос:
по какому протоколу работают китайские DRO?
получалось подключить их к сервопакам в качестве обратной связи?
Если получалось, как работает сервоусилитель он слушает линейку или энкодер серводвигателя или и то и другое?
Аватара пользователя
uralpt
Мастер
Сообщения: 651
Зарегистрирован: 23 ноя 2015, 14:31
Репутация: 104
Настоящее имя: евгений
Откуда: Миасс
Контактная информация:

Re: "Чтобы не создавать отдельную тему ради одного вопроса"

Сообщение uralpt »

Feo писал(а):по какому протоколу работают китайские DRO?
ABZ.
Feo писал(а):получалось подключить их к сервопакам в качестве обратной связи?
современные драйверы позволяют это сделать, есть отдельный вход, но лично я не подключал
Feo писал(а):Если получалось, как работает сервоусилитель он слушает линейку или энкодер серводвигателя или и то и другое?
линейка - для абсолютного позиционирования, энкодер - для внутрисхемных процессов управления (задание скорости-ускорения)
Аватара пользователя
uralpt
Мастер
Сообщения: 651
Зарегистрирован: 23 ноя 2015, 14:31
Репутация: 104
Настоящее имя: евгений
Откуда: Миасс
Контактная информация:

Re: "Чтобы не создавать отдельную тему ради одного вопроса"

Сообщение uralpt »

Вопрос у меня. 2 часа уже смотрю на мигающий Аларм...
Запускаю в режиме "open-loop"
20200326_165708.jpg (9034 просмотра) <a class='original' href='./download/file.php?id=178995&mode=view' target=_blank>Загрузить оригинал (3.39 МБ)</a>
Пытаюсь подключить, схема следующая -
питание от БП 16А, пробовал 12, 24, 30В - ни на каком не поехало. БП в защиту не уходит.
U, V, W - на обмотках, их сопротивление примерно одинаково, ничего горелого не наблюдается
Сигналы BRK, EN - на COM.
SW1, 2, 3 - все OFF.

RV крутилка не помогает.
P-sv выставлял на половину тока, на минимум и максимум, бесполезно.
Двигатель при любых манипуляциях даже не страгивается.

кажецца, что китайцы нашкодили... или я на лабутенах...
ps. не отвечу сразу - считайте коммунистом отвечу завтра :))

Допишу. Попытка к каждой обмотке добавить по последовательному сопротивлению в 51 Ом к успеху также не привела. Предположения сводились к тому, что BLDC двигатель на 42В развивает мощность 1820Вт. И драйвер, рассчитанный на 750Вт измеряет пусковой ток и уходит в ошибку. Но даже при включении последовательного сопротивления не происходит попытки страгивания. Не там ищу...
Последний раз редактировалось uralpt 26 мар 2020, 16:46, всего редактировалось 1 раз.
Feo
Кандидат
Сообщения: 40
Зарегистрирован: 07 мар 2016, 10:50
Репутация: 0
Настоящее имя: Федор
Контактная информация:

Re: "Чтобы не создавать отдельную тему ради одного вопроса"

Сообщение Feo »

uralpt писал(а):Feo писал(а):
по какому протоколу работают китайские DRO?

ABZ.
Что-то в моем разделе возможностей обратной связи таких нет (((
Вложения
обр связь.jpg (9011 просмотров) <a class='original' href='./download/file.php?id=178999&mode=view' target=_blank>Загрузить оригинал (175.94 КБ)</a>
Аватара пользователя
uralpt
Мастер
Сообщения: 651
Зарегистрирован: 23 ноя 2015, 14:31
Репутация: 104
Настоящее имя: евгений
Откуда: Миасс
Контактная информация:

Re: "Чтобы не создавать отдельную тему ради одного вопроса"

Сообщение uralpt »

Feo писал(а):Что-то в моем разделе возможностей обратной связи таких нет (((
подключайте напрямую сигнал с линеек прямо в DRO. 99% линеек работают именно так. Исключения есть, но вряд ли они Вам попадутся. Это выдающие синусный сигнал или какой-нить код, понятный только работающему с ними специфичному контроллеру.
Как такового протокола передачи ABZ не существует. Первое попавшееcя объяснение ABZ - https://darxton.ru/blog/ob-enkoderakh/
Аватара пользователя
Serg
Мастер
Сообщения: 21923
Зарегистрирован: 17 апр 2012, 14:58
Репутация: 5183
Заслуга: c781c134843e0c1a3de9
Настоящее имя: Сергей
Откуда: Москва
Контактная информация:

Re: "Чтобы не создавать отдельную тему ради одного вопроса"

Сообщение Serg »

скорее всего это ROD.
Я не Христос, рыбу не раздаю, но могу научить, как сделать удочку...
Аватара пользователя
uralpt
Мастер
Сообщения: 651
Зарегистрирован: 23 ноя 2015, 14:31
Репутация: 104
Настоящее имя: евгений
Откуда: Миасс
Контактная информация:

Re: "Чтобы не создавать отдельную тему ради одного вопроса"

Сообщение uralpt »

UAVpilot писал(а):скорее всего это ROD.
на странице мануала у него так и сказано.
Feo
Кандидат
Сообщения: 40
Зарегистрирован: 07 мар 2016, 10:50
Репутация: 0
Настоящее имя: Федор
Контактная информация:

Re: "Чтобы не создавать отдельную тему ради одного вопроса"

Сообщение Feo »

Похоже на то, что надо?
Вложения
обр связь2.jpg (8975 просмотров) <a class='original' href='./download/file.php?id=179020&mode=view' target=_blank>Загрузить оригинал (176.48 КБ)</a>
Аватара пользователя
uralpt
Мастер
Сообщения: 651
Зарегистрирован: 23 ноя 2015, 14:31
Репутация: 104
Настоящее имя: евгений
Откуда: Миасс
Контактная информация:

Re: "Чтобы не создавать отдельную тему ради одного вопроса"

Сообщение uralpt »

Feo писал(а):Похоже на то, что надо?
да. А и В нарисованы дифференциальными парами. Такое подключение востребовано для помехоустойчивости. Если у Вас на линейке они будут представлены только одиночными сигналами, не расстраивайтесь, это нормально.
ЧПУчайник
Новичок
Сообщения: 1
Зарегистрирован: 31 мар 2020, 14:37
Репутация: 0
Настоящее имя: Михаил Дмитриевич
Контактная информация:

Re: "Чтобы не создавать отдельную тему ради одного вопроса"

Сообщение ЧПУчайник »

Уважаемые граждане и не граждане, в общем люди добрые! Вопрос следующий: "С каким модулем выбрать зубчатые рейки и шестерни для портального плазмореза?"
Аватара пользователя
Argon-11
Мастер
Сообщения: 2068
Зарегистрирован: 07 июн 2017, 17:48
Репутация: 461
Контактная информация:

Re: "Чтобы не создавать отдельную тему ради одного вопроса"

Сообщение Argon-11 »

Хотел было со своим вопросом залезть в чужую тему, но в итоге посчитал, что это будет невежливо и неактуально.... Собирался уже создать отдельную тему, но вспомнил, что есть вот эта, как раз для таких случаев!
И поэтому, чтобы не создавать отдельную тему ради одного вопроса, решил таки воспользоваться отличной возможностью.

Вопрос: если шпиндель с водяным охлаждением 800 Вт работает в прерывистом режиме 15 секунд работа, 5 сек пауза, при этом нагрузка вряд ли будет превышать треть его "номинала" (по сути будет т.н. "вентиляторная" нагрузка), нельзя ли обойтись без водяного охлаждения вообще?
Уточнения: шпиндель находится в составе оборудования, претендующего быть недешевым и надежным, но при этом есть ограничения по габаритам - почти нет возможности (и желания) поставить расширительный бак и насос (хорошие и надежные насосы тоже немаленькие). Шпиндель почти целиком будет зажат в алюминиевый кожух.
Аватара пользователя
niksooon
Мастер
Сообщения: 2144
Зарегистрирован: 23 июн 2014, 23:18
Репутация: 1207
Откуда: Кашира
Контактная информация:

Re: "Чтобы не создавать отдельную тему ради одного вопроса"

Сообщение niksooon »

Ну а что мешает самостоятельно цикл испытаний провести с контролем температуры? Если нагрузка меньше номинальной, то в настройках частотника можно рабочее напряжение несколько занизить,что тоже будет способствовать снижению температуры шпинделя
Сделанное правильно — красиво. Если сделанное тебе не нравится — то и работать оно будет хреново. Перевари, пересверли, выпили заново — ну, или хотя бы покрась.
Ответить

Вернуться в «Общие вопросы»