ЧПУ станок 2500х1500х250.

Фрезерные и гравировальные станки для обработки мягких материалов (дерево, пластики, мягкие металлы).
Аватара пользователя
Hanter
Мастер
Сообщения: 5414
Зарегистрирован: 27 янв 2012, 14:52
Репутация: 4338
Настоящее имя: Алексей
Откуда: Питер
Контактная информация:

Re: ЧПУ станок 2500х1500х250.

Сообщение Hanter »

а вот мне нихрена не нравица... :oops:
смотрите че получается... у вас плита на которой висит шпиндель установлена на две пары кареток.. все замечательно... но! хомут для шпинделя установлен на "консоли" которая висит в воздухе.. то есть "за" пределами кареток.. соответственно вы на этом теряете жесткость.. далее - шпиндель закреплен за "задницу" - зачем ?? я понимаю что вы пытаетесь выкроить габарит по Z... но вы этим самым сделал длинющую консоль, которая ни на что не опирается.. в результате она будет банально сопливой..

с моей колокольни - перевернуть рельсы. каретками к балке оси У... а рельсами К плите на которой шпиндель.. это добавит ей хоть немного жесткости.. ну и шпиндель таки за "морду" зажать.. а лучше и там и там..
Опыт - это когда на смену вопросам: "Что? Где? Когда? Как? Почему?" Приходит единственный вопрос: "Нахрена?"
==========================================
фрезерная и токарная обработка на станках с чпу.
Резка, гибка, сварка и порошковая окраса.
Аватара пользователя
Romanych
Мастер
Сообщения: 463
Зарегистрирован: 26 авг 2014, 17:34
Репутация: 270
Настоящее имя: Роман
Откуда: Симферополь
Контактная информация:

Re: ЧПУ станок 2500х1500х250.

Сообщение Romanych »

Predator писал(а):
Romanych писал(а):К разработке этого узла не дошел еще. но думаю тоже с редукторами
На рейку обязательно через редуктора подпружиненные, иначе подшипники убьёшь в моторах.
Передаточного 1:3 достаточно будет, как думаешь!?
Все, что мы видим вокруг, создано людьми не умнее нас самих. Мы способны изменять вещи, влиять на них и создавать новое.
Steven Paul Jobs
Аватара пользователя
Predator
Мастер
Сообщения: 9583
Зарегистрирован: 18 июл 2013, 18:26
Репутация: 2531
Контактная информация:

Re: ЧПУ станок 2500х1500х250.

Сообщение Predator »

Romanych писал(а):Передаточного 1:3 достаточно будет, как думаешь!?
Думаю да, точней считать сейчас лень, настрой сегодня не для расчетов :)
Кунструкция под балкой Y тоже мне как-то не очень нравится, хлипковато выглядит. Ты пытаешь выйграть высоту рабочего поля чтоли? Там задрал, тут задрал, не хорошо это...
Лучше уж тогда вариант с подъемным столом продумать Изображение
Аватара пользователя
Romanych
Мастер
Сообщения: 463
Зарегистрирован: 26 авг 2014, 17:34
Репутация: 270
Настоящее имя: Роман
Откуда: Симферополь
Контактная информация:

Re: ЧПУ станок 2500х1500х250.

Сообщение Romanych »

Hanter писал(а):а вот мне нихрена не нравица... :oops:
смотрите че получается... у вас плита на которой висит шпиндель установлена на две пары кареток.. все замечательно... но! хомут для шпинделя установлен на "консоли" которая висит в воздухе.. то есть "за" пределами кареток.. соответственно вы на этом теряете жесткость.. далее - шпиндель закреплен за "задницу" - зачем ?? я понимаю что вы пытаетесь выкроить габарит по Z... но вы этим самым сделал длинющую консоль, которая ни на что не опирается.. в результате она будет банально сопливой..

с моей колокольни - перевернуть рельсы. каретками к балке оси У... а рельсами К плите на которой шпиндель.. это добавит ей хоть немного жесткости.. ну и шпиндель таки за "морду" зажать.. а лучше и там и там..
Доброй ночи! Шпиндель зажимал за "хвост" чтобы не разгонять длину подвижной плиты. Но в любом случае, если я зажму шпиндель даже по середине, в величине нагрузки ничего не изменится, будет больше плечо. За хлипкость я меньше всего переживаю, плита толщиной 20мм. Дайте немного времени и я скажу какую величину изгибающего момента она выдержит.
Все, что мы видим вокруг, создано людьми не умнее нас самих. Мы способны изменять вещи, влиять на них и создавать новое.
Steven Paul Jobs
Аватара пользователя
Hanter
Мастер
Сообщения: 5414
Зарегистрирован: 27 янв 2012, 14:52
Репутация: 4338
Настоящее имя: Алексей
Откуда: Питер
Контактная информация:

Re: ЧПУ станок 2500х1500х250.

Сообщение Hanter »

дык я ж говорю - ваши мотивы я прекрасно понимаю.. :) но поверьте - лучше так не делать. на мой взгляд лучше потерять 5 см в высоте обработки, но получить заведомо более жесткую конструкцию, которая в результате даст выигрыш в скоростях обработки.. чем иметь афигенный габарит по Z, но еле еле елозить.. хотя конечно вам решать. я всего лишь высказал свое мнение.

и кстати - изгибающий момент - это только одна из бед.. помимо изгибающего жесткость еще на вибрации влияет.. а вот их вы вряд ли просчитаете по "моменту".. по этому я бы делал все максимально жестким.. поверьте - лишним не будет.
Опыт - это когда на смену вопросам: "Что? Где? Когда? Как? Почему?" Приходит единственный вопрос: "Нахрена?"
==========================================
фрезерная и токарная обработка на станках с чпу.
Резка, гибка, сварка и порошковая окраса.
Аватара пользователя
Predator
Мастер
Сообщения: 9583
Зарегистрирован: 18 июл 2013, 18:26
Репутация: 2531
Контактная информация:

Re: ЧПУ станок 2500х1500х250.

Сообщение Predator »

Romanych, А ты слушай, чего тебе говорят и на ус мотай! ;)
Аватара пользователя
Romanych
Мастер
Сообщения: 463
Зарегистрирован: 26 авг 2014, 17:34
Репутация: 270
Настоящее имя: Роман
Откуда: Симферополь
Контактная информация:

Re: ЧПУ станок 2500х1500х250.

Сообщение Romanych »

:-) Да я ж не огрызаюсь! ))) Я просто дискутирую. Мне вот честно говоря тоже больше нравится, когда рельсы на подвижной части... Поэтому я не отрицаю что так переделаю.
По имеющейся на данный момент конструкции чтобы плита на конце прогнулась на 1мм необходимо приложить усилие в 3180 кг.
В плане увеличения плиты по длине положительное в том, что меньше мусора будет лететь на ШВП.
Все, что мы видим вокруг, создано людьми не умнее нас самих. Мы способны изменять вещи, влиять на них и создавать новое.
Steven Paul Jobs
Askov
Мастер
Сообщения: 1103
Зарегистрирован: 13 май 2014, 12:35
Репутация: 732
Настоящее имя: Андрей
Откуда: Москва
Контактная информация:

Re: ЧПУ станок 2500х1500х250.

Сообщение Askov »

Romanych писал(а):
Predator писал(а):
Romanych писал(а):К разработке этого узла не дошел еще. но думаю тоже с редукторами
На рейку обязательно через редуктора подпружиненные, иначе подшипники убьёшь в моторах.
Передаточного 1:3 достаточно будет, как думаешь!?
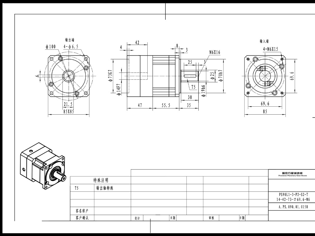
Romanych, где ты раньше был? Неделю назад заказал редуктора 1:3, могли скооперироваться.
Вложения
image.jpg (4016 просмотров) <a class='original' href='./download/file.php?id=33216&mode=view' target=_blank>Загрузить оригинал (120.93 КБ)</a>
Аватара пользователя
Romanych
Мастер
Сообщения: 463
Зарегистрирован: 26 авг 2014, 17:34
Репутация: 270
Настоящее имя: Роман
Откуда: Симферополь
Контактная информация:

Re: ЧПУ станок 2500х1500х250.

Сообщение Romanych »

Predator писал(а):
Romanych писал(а):Передаточного 1:3 достаточно будет, как думаешь!?
Думаю да, точней считать сейчас лень, настрой сегодня не для расчетов :)
Кунструкция под балкой Y тоже мне как-то не очень нравится, хлипковато выглядит. Ты пытаешь выйграть высоту рабочего поля чтоли? Там задрал, тут задрал, не хорошо это...
Лучше уж тогда вариант с подъемным столом продумать Изображение
Я сейчас по Z еле-еле в 250 влажу. На данный момент у меня над балкой оси Y до верхней части каретки Z без учета двигателя 250мм. А сзади на этой же каретке будет стоять двиг на рейку. так что я там по высоте особо и не уменьшу. а "ноги" балки пока только нарисованы абстрактно. будет рама станка - высота определится точнее
Все, что мы видим вокруг, создано людьми не умнее нас самих. Мы способны изменять вещи, влиять на них и создавать новое.
Steven Paul Jobs
Аватара пользователя
Romanych
Мастер
Сообщения: 463
Зарегистрирован: 26 авг 2014, 17:34
Репутация: 270
Настоящее имя: Роман
Откуда: Симферополь
Контактная информация:

Re: ЧПУ станок 2500х1500х250.

Сообщение Romanych »

Askov писал(а): Romanych, где ты раньше был? Неделю назад заказал редуктора 1:3, могли скооперироваться.
:-( Ну вот да. я только неделю назад начал проектировать! :-) Редуктора планетарные!? Сколько вышло?!
Все, что мы видим вокруг, создано людьми не умнее нас самих. Мы способны изменять вещи, влиять на них и создавать новое.
Steven Paul Jobs
Askov
Мастер
Сообщения: 1103
Зарегистрирован: 13 май 2014, 12:35
Репутация: 732
Настоящее имя: Андрей
Откуда: Москва
Контактная информация:

Re: ЧПУ станок 2500х1500х250.

Сообщение Askov »

Серия PL= 140$, PS = 170$, я взял PS. Цена без доставки. EMS берет 205$, ищу другие варианты. Попробую карго или с ручной кладью.
Аватара пользователя
ukr-sasha
Мастер
Сообщения: 3401
Зарегистрирован: 21 мар 2011, 07:47
Репутация: 2181
Настоящее имя: Украинец Александр Григорьевич
Откуда: Киев, Украина
Контактная информация:

Re: ЧПУ станок 2500х1500х250.

Сообщение ukr-sasha »

Можно чуть улучшить ситуацию, добавив ребра жесткости.
RB1.003.jpg (4012 просмотров) <a class='original' href='./download/file.php?id=33217&mode=view' target=_blank>Загрузить оригинал (90.86 КБ)</a>
Аватара пользователя
Romanych
Мастер
Сообщения: 463
Зарегистрирован: 26 авг 2014, 17:34
Репутация: 270
Настоящее имя: Роман
Откуда: Симферополь
Контактная информация:

Re: ЧПУ станок 2500х1500х250.

Сообщение Romanych »

Askov писал(а):Серия PL= 140$, PS = 170$, я взял PS. Цена без доставки. EMS берет 205$, ищу другие варианты. Попробую карго или с ручной кладью.
Рассмотрите еще варианты доставки фирмами DHL или FEDEX. Если проживаете на территории России, то можно отправить Pony Express!
Все, что мы видим вокруг, создано людьми не умнее нас самих. Мы способны изменять вещи, влиять на них и создавать новое.
Steven Paul Jobs
Askov
Мастер
Сообщения: 1103
Зарегистрирован: 13 май 2014, 12:35
Репутация: 732
Настоящее имя: Андрей
Откуда: Москва
Контактная информация:

Re: ЧПУ станок 2500х1500х250.

Сообщение Askov »

А модули Z у нас похожие :D
Вложения
image.jpg (4010 просмотров) <a class='original' href='./download/file.php?id=33218&mode=view' target=_blank>Загрузить оригинал (184.86 КБ)</a>
Аватара пользователя
Romanych
Мастер
Сообщения: 463
Зарегистрирован: 26 авг 2014, 17:34
Репутация: 270
Настоящее имя: Роман
Откуда: Симферополь
Контактная информация:

Re: ЧПУ станок 2500х1500х250.

Сообщение Romanych »

А какие двиги будете использовать, и каково рабочее поле!?
Все, что мы видим вокруг, создано людьми не умнее нас самих. Мы способны изменять вещи, влиять на них и создавать новое.
Steven Paul Jobs
Askov
Мастер
Сообщения: 1103
Зарегистрирован: 13 май 2014, 12:35
Репутация: 732
Настоящее имя: Андрей
Откуда: Москва
Контактная информация:

Re: ЧПУ станок 2500х1500х250.

Сообщение Askov »

X,Y- Nema 34, Z- Nema23 , рабочее поле получилось 850/1450мм.
Если интересно-
http://www.cnc-club.ru/forum/viewtopic. ... 89#p137289
Аватара пользователя
Hanter
Мастер
Сообщения: 5414
Зарегистрирован: 27 янв 2012, 14:52
Репутация: 4338
Настоящее имя: Алексей
Откуда: Питер
Контактная информация:

Re: ЧПУ станок 2500х1500х250.

Сообщение Hanter »

хм... афтар - вопрос в лоб - а вам реально нужны эти 250мм ?? не ну если нужны - тоды ой.. я просто не видел еще чтобы на портале обрабатывали что-нибудь толще 70-80мм.... даже если дверь готовую кинуть и рельеф на ней резать.. не я понимаю что в идеале все хотят габарит по Z такой же как по Х.... :hehehe: но в результате потом работают и пользуют максимум 100-150мм.. а все остальное тока мешает.. по этому я бы прежде чем проектировать - реально оценил свои потребности. трезво и без фанатизма. ну и насчет "положительного момента" - от того что вы поставите плиту так как на схеме, ШВП конечно будет чуть меньше засрана, но это будет настолько меньше что поверьте - вам на эту разницу будет пофигу, ибо она всеравно будет засрана :)
Опыт - это когда на смену вопросам: "Что? Где? Когда? Как? Почему?" Приходит единственный вопрос: "Нахрена?"
==========================================
фрезерная и токарная обработка на станках с чпу.
Резка, гибка, сварка и порошковая окраса.
Аватара пользователя
Romanych
Мастер
Сообщения: 463
Зарегистрирован: 26 авг 2014, 17:34
Репутация: 270
Настоящее имя: Роман
Откуда: Симферополь
Контактная информация:

Re: ЧПУ станок 2500х1500х250.

Сообщение Romanych »

Hanter писал(а):хм... афтар - вопрос в лоб - а вам реально нужны эти 250мм ?? не ну если нужны - тоды ой.. я просто не видел еще чтобы на портале обрабатывали что-нибудь толще 70-80мм.... даже если дверь готовую кинуть и рельеф на ней резать.. не я понимаю что в идеале все хотят габарит по Z такой же как по Х.... :hehehe: но в результате потом работают и пользуют максимум 100-150мм.. а все остальное тока мешает.. по этому я бы прежде чем проектировать - реально оценил свои потребности. трезво и без фанатизма. ну и насчет "положительного момента" - от того что вы поставите плиту так как на схеме, ШВП конечно будет чуть меньше засрана, но это будет настолько меньше что поверьте - вам на эту разницу будет пофигу, ибо она всеравно будет засрана :)
Что касается обработки дерева то 250мм - это да - многовато. А для резьбы гибсовых моделей иногда и 250мм очень мало. Так же для обработки нектотрых аллюминиевых форм под литье или под пресса.
Все, что мы видим вокруг, создано людьми не умнее нас самих. Мы способны изменять вещи, влиять на них и создавать новое.
Steven Paul Jobs
Askov
Мастер
Сообщения: 1103
Зарегистрирован: 13 май 2014, 12:35
Репутация: 732
Настоящее имя: Андрей
Откуда: Москва
Контактная информация:

Re: ЧПУ станок 2500х1500х250.

Сообщение Askov »

Hanter писал(а):хм... афтар - вопрос в лоб - а вам реально нужны эти 250мм ?? не ну если нужны - тоды ой.. я просто не видел еще чтобы на портале обрабатывали что-нибудь толще 70-80мм.... даже если дверь готовую кинуть и рельеф на ней резать.. не я понимаю что в идеале все хотят габарит по Z такой же как по Х.... :hehehe: но в результате потом работают и пользуют максимум 100-150мм.. а все остальное тока мешает
Чуть, чуть с вами не соглашусь. Да в большинстве толщина деталей не превышает 100 мм. - это примерно 80% от объема заказав, а вот оставшиеся 20%, у кого на станках ход Z больше 250 мм получают хорошие " жирные" заказы, которые с лихвой могут перекрыть 80%. На сколько , я помню автор хочет установить поворачивающуюся ось, поэтому высота лишней не будет.
Аватара пользователя
Hanter
Мастер
Сообщения: 5414
Зарегистрирован: 27 янв 2012, 14:52
Репутация: 4338
Настоящее имя: Алексей
Откуда: Питер
Контактная информация:

Re: ЧПУ станок 2500х1500х250.

Сообщение Hanter »

да я согласный что габарит лишним не будет. но методы используемые для его достижения мне не нравятся :) согласитесь - вы не будете гипсовую лепнину обрабатывать фрезой диаметром 3мм со съемом в 1.5мм.. да и балясину на поворотке тоже.. захочется и 6 и 8 и 10мм.. и коническую миллимтров так 60 длиной рабочей части воткнуть.. что будет при работе таким инструментом с данной конструкцией ? вот при всем желании не поверю что вертикальная плита, висящая консолью и шпиндель схваченный за жопу не будут "дрожать и петь".. вот просто неверю :) так нафига самому себе проблемы создавать. ? а про обработку люминевых пресформ при такой конструкции - забудьте....
Опыт - это когда на смену вопросам: "Что? Где? Когда? Как? Почему?" Приходит единственный вопрос: "Нахрена?"
==========================================
фрезерная и токарная обработка на станках с чпу.
Резка, гибка, сварка и порошковая окраса.
Ответить

Вернуться в «Фрезерные станки по дереву и пластикам, гравировальные станки, роутеры»