Не было у бабы печали, купила баба порося.

Фрезерные и гравировальные станки для обработки мягких материалов (дерево, пластики, мягкие металлы).
Аватара пользователя
michael-yurov
Почётный участник
Почётный участник
Сообщения: 11731
Зарегистрирован: 26 июл 2012, 00:10
Репутация: 4703
Настоящее имя: Михаил Львович
Откуда: Новоуральск
Контактная информация:

Re: Не было у бабы печали, купила баба порося.

Сообщение michael-yurov »

vektor_z писал(а):я написал что работает и без этого всего..
Я о том и говорю.
Никто не сомневается, что оно будет работать.
Почти у всех работает.
Почти...
У кого-то проблема проявляется довольно удачно - сигналом авария на драйвере. У кого-то, менее удачно - сгоревшими драйверами, или блоком питания.
У кого-то просто происходят сбои в работе непонятно от чего.

В данном случае важным было то, что у конкретного блока питания есть на выходе.
Если там емкость в 100 мкФ - то из за выброса энергии напряжение может подскочить в разы.
Опять же этот выброс будет зависеть от кинетической энергии запасенной в движущихся частях станка, от того - будут ли все оси станка замедляться одновременно, от того, с каким ускорением они будут замедляться. Вот эти цифры имеют значение!

Т.е. тут бесполезно рассуждать в стиле "Ничо не слепит. Я проверял!""
Аватара пользователя
michael-yurov
Почётный участник
Почётный участник
Сообщения: 11731
Зарегистрирован: 26 июл 2012, 00:10
Репутация: 4703
Настоящее имя: Михаил Львович
Откуда: Новоуральск
Контактная информация:

Re: Не было у бабы печали, купила баба порося.

Сообщение michael-yurov »

vektor_z писал(а):Но ведь защиты уже интегрированы в ИБП и драйвера
В дешевые? Не видел ни разу.
vektor_z писал(а):Это как у тебя есть страховка на автомобиль, на свое здорове, на несчастные случаи, а ты перед тем как сесть в автомобиль еще надел шлем, наколенники, налокотники, перчатки, да еще и противогаз на всякий случай..
Нет, это как купить автомобиль с АБС, хотя, казалось бы, и без этого автомобиль "отлично ездит"!
vektor_z
Мастер
Сообщения: 405
Зарегистрирован: 30 ноя 2014, 16:45
Репутация: 387
Настоящее имя: Василий
Откуда: Украина. Закарпатская обл.
Контактная информация:

Re: Не было у бабы печали, купила баба порося.

Сообщение vektor_z »

Подведем итог. Так как мы своими доводами совсем запутали человека.
Для подстраховки электроники станка можно поставить после ИБП демфер и конденсатор, диодов не надо.
Но можно и не ставить (я проверял :hehehe: ) и так будет работать.
Аватара пользователя
michael-yurov
Почётный участник
Почётный участник
Сообщения: 11731
Зарегистрирован: 26 июл 2012, 00:10
Репутация: 4703
Настоящее имя: Михаил Львович
Откуда: Новоуральск
Контактная информация:

Re: Не было у бабы печали, купила баба порося.

Сообщение michael-yurov »

vektor_z писал(а):Для подстраховки электроники станка можно поставить после ИБП демфер и конденсатор, диодов не надо.
Не «ИБП» а «БП».
ИБП - это источник бесперебойного питания.

Не «демпфер», а «дампер». Это разные устройства с разным принципом работы.
vektor_z писал(а):диодов не надо.
Вот уж диоды - я бы точно поставил. Особенно, учитывая, что блоки питания разные.
Правда не по 140 руб, а что-то подешевле.
Аватара пользователя
igorvpetrov
Мастер
Сообщения: 317
Зарегистрирован: 27 май 2015, 13:33
Репутация: 64
Настоящее имя: Игорь
Контактная информация:

Re: Не было у бабы печали, купила баба порося.

Сообщение igorvpetrov »

Как тут весело-то :lol:
vektor_z писал(а):Подведем итог. Так как мы своими доводами совсем запутали человека.
Для подстраховки электроники станка можно поставить после ИБП демфер и конденсатор, диодов не надо.
Но можно и не ставить (я проверял :hehehe: ) и так будет работать.

Мне казалось, что именно диоды необходимы. Причём, именно на случай отключения или несинхронного включения источников питания :geek:
vektor_z
Мастер
Сообщения: 405
Зарегистрирован: 30 ноя 2014, 16:45
Репутация: 387
Настоящее имя: Василий
Откуда: Украина. Закарпатская обл.
Контактная информация:

Re: Не было у бабы печали, купила баба порося.

Сообщение vektor_z »

michael-yurov писал(а):ИБП - это источник бесперебойного питания.
ИБП я имел ввиду импульсный блок питания, так как есть и трансформатрный где диоды и конденсатор обязательны, а то что эта аббревиатура уже занята другим устройством я не сразу вспомнил.
michael-yurov писал(а):Не «демпфер», а «дампер».
Опечатался :silent: но суть мысли была понятна.
vektor_z
Мастер
Сообщения: 405
Зарегистрирован: 30 ноя 2014, 16:45
Репутация: 387
Настоящее имя: Василий
Откуда: Украина. Закарпатская обл.
Контактная информация:

Re: Не было у бабы печали, купила баба порося.

Сообщение vektor_z »

michael-yurov писал(а):Вот уж диоды - я бы точно поставил. Особенно, учитывая, что блоки питания разные.
Правда не по 140 руб, а что-то подешевле.
Чисто поинтересоваться, зачем еще один диод? Ведь в любом БП даже дешовом, стоят на выходе диоды или диодные мосты и конденсаторы, если посмотреть по схеме то при отключении одного БП, ток все одно пройдет по цепи выпрямителя выключеннго БП..
Аватара пользователя
Serg
Мастер
Сообщения: 21923
Зарегистрирован: 17 апр 2012, 14:58
Репутация: 5183
Заслуга: c781c134843e0c1a3de9
Настоящее имя: Сергей
Откуда: Москва
Контактная информация:

Re: Не было у бабы печали, купила баба порося.

Сообщение Serg »

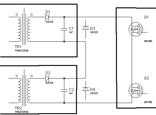
michael-yurov писал(а):Вот уж диоды - я бы точно поставил. Особенно, учитывая, что блоки питания разные.
Что именно будут защищать эти диоды (D3 и D4)?
s.png
s.png (1.76 КБ) 2745 просмотров
Я не Христос, рыбу не раздаю, но могу научить, как сделать удочку...
Аватара пользователя
michael-yurov
Почётный участник
Почётный участник
Сообщения: 11731
Зарегистрирован: 26 июл 2012, 00:10
Репутация: 4703
Настоящее имя: Михаил Львович
Откуда: Новоуральск
Контактная информация:

Re: Не было у бабы печали, купила баба порося.

Сообщение michael-yurov »

UAVpilot писал(а):Что именно будут защищать эти диоды (D3 и D4)?
Что они будут защищать - я не знаю.
Понимаю, что сопротивление вторичной обмотки здесь не высокое.
Понимаю, что Диод в блоке питания, скорее всего лучше того, что я поставлю.
Однако в документации к импульсным блокам питания видел, что рекомендуется установка таких диодов. Зачем - не знаю. Может быть бывают какие-то другие схемы выходных каскадов.
Аватара пользователя
igorvpetrov
Мастер
Сообщения: 317
Зарегистрирован: 27 май 2015, 13:33
Репутация: 64
Настоящее имя: Игорь
Контактная информация:

Re: Не было у бабы печали, купила баба порося.

Сообщение igorvpetrov »

Господа, это опять я с вопросом "что я опять делаю не так":

Мучаю потихоньку поворотную ось. Определил точные координаты центра патрона и теперь маюсь со смещением координат :thinking:
Как мне кажется, наиболее удобный вариант - это сделать "ref all home", замерить высоту инструмента на столе, а потом уже в УП, зная смещения, переезжать к поворотке и создавать стружку.
Делаю что-то вроде
G10 l2 p2 x50 y 300 z55
G55

[Дальше код]

G54 x0 y0 z0
M9
M30

Mach3 орет насчёт "soft limit warning on X min", выполняет программу (пока это судорожные дерганья осями) и возвращается в нули.
Вот как бы убедить mach3, что все нормально? Привык я его предупреждениям доверять... :shock:
Аватара пользователя
igorvpetrov
Мастер
Сообщения: 317
Зарегистрирован: 27 май 2015, 13:33
Репутация: 64
Настоящее имя: Игорь
Контактная информация:

Re: Не было у бабы печали, купила баба порося.

Сообщение igorvpetrov »

Шалом бояре!
Это опять я, обращаюсь к коллективному разуму, поскольку свои мысли кончились :wik:
Затеял небольшую модернизацию станка:
Заменил драйверы на am882, запитал их через импульсный блок питания 48V 10A. Не стал огород из двух БП городить.
Поставил "белый" stepmaster. Сделал через него управление стартом шпинделя и регулировку скорости.
Заменил муфты на разрезные с эластичной вставкой.
Настроил подачу питания на инвертор и БП шаговиков только при наличии сигнала charge pump. Развязку со Stepmaster'ом сделал через твердотельное реле на 25A - без него реле на плате залипало.
Поигрался в motor tuning, получил устойчивые 5-6 тысяч мм/мин при ускорениях 1500.
Все оттестировал. Холостые прогоны идеальные, все тютелька в тютельку сходится. Ни срывов, ни резонансов.
В общем доволен собой - я крут, я все сделал. Сам!
А потом я попробовал деревяшку погрызть...
image.jpeg (2378 просмотров) <a class='original' href='./download/file.php?id=76132&mode=view' target=_blank>Загрузить оригинал (995.05 КБ)</a>
По задумке это должно было быть эпохальным панно. Начало черновой выборки под углом 45 градусов, как мне кажется, должно по другому выглядеть :freak:
Сдуру начал на механику грешить. Перебрал и заново отрегулировал оси, все смазал. Катается пальцем без заеданий от начала и до конца. Люфтов нет.
Проверил электрику. Земля везде, где была, там и есть. Все, что менял вокруг платы, разобрал и собрал заново.
Без изменений. На холостых прогонах на весь ход оси X, возврат обратно в 0 при 30 повторениях. При таком же прогоне с включённым шпинделем - увеличение на 3-4 мм на одном проходе.
С электрикой инвертора почти ничего не делал. Только снял управление по rs485 и подключил аналоговое управление через stepmaster. Кстати, пробовал вернуть его назад - только хуже стало. Включил шпиндель и ось Y поехала сама. Без моего участия.
Дайте направление дальнейших раскопок. Понимаю, что на готовый рецепт расчитывать не приходится. Но у многих членов клуба опыта сильно больше моего :D
Не откажите в участии, а то жена уже волком смотрит - я станку больше времени уделяю, чем ей.
Она, конечно философ, расстановку "работа, машина, я" принимает, но мириться с переходом на четвёртую позицию в рейтинге не готова.
Аватара пользователя
michael-yurov
Почётный участник
Почётный участник
Сообщения: 11731
Зарегистрирован: 26 июл 2012, 00:10
Репутация: 4703
Настоящее имя: Михаил Львович
Откуда: Новоуральск
Контактная информация:

Re: Не было у бабы печали, купила баба порося.

Сообщение michael-yurov »

Тут вопрос, вероятно, ко мне.
Лучше меня сразу носом тыкай в такие вопросы, а то могу и проглядеть. Когда есть возможность - отвечу.
Можно в скайп написать (логин: michael-yurov)

Ускорения уменьши до 500.
Понять бы что куда подключено. В идеале - увидеть.
Плата от чего питается?
Каким кабелем подключена? феррит на проводе есть?
Что за шпиндель?
Попробуй временно выдернуть разъемы из платы то, что включает реле, управляет оборотами и т.п.
Хорошо бы корпус шпинделя подключить к клемме заземления в инверторе. Возможно, стоит экранировать провод к шпинделю.
Смещение происходит только по одной оси? Можно попробовать использовать другую ось вместо проблемной на плате.
В каком положении переключатель входного частотного фильтра. Должен быть на 280 кГц. Проверь в разных положениях.
upd: Что-то как я не стараюсь сделать максимально надежную плату, все равно закон подлости не дает сделать так, чтобы у всех заработало все сразу и без нареканий.
Аватара пользователя
igorvpetrov
Мастер
Сообщения: 317
Зарегистрирован: 27 май 2015, 13:33
Репутация: 64
Настоящее имя: Игорь
Контактная информация:

Re: Не было у бабы печали, купила баба порося.

Сообщение igorvpetrov »

michael-yurov писал(а):Тут вопрос, вероятно, ко мне.
Лучше меня сразу носом тыкай в такие вопросы, а то могу и проглядеть. Когда есть возможность - отвечу.
Можно в скайп написать (логин: michael-yurov)
Ну, абсолютной уверенности у меня нет :)
Ускорения уменьши до 500.
Это я пробовал. Изменений нет. Да и холостые прогоны претензий не вызывают.
Понять бы что куда подключено. В идеале - увидеть.
Фото, мне кажется, делать смысла нет - пук проводов, да еще и не очень опрятный - я ж там лазил
А схему, выберу время - нарисую.
Плата от чего питается?
Отдельный блок питания, к которому больше ничего не подключено. Как предыдущий stepmaster запитан был, так и этот. Здесь ничего не менял.
Каким кабелем подключена? феррит на проводе есть?
Кабель от предыдущего stepmaster (лень менять было). Феррит есть. Ближе к компьютеру.
Что за шпиндель?
http://ru.aliexpress.com/item/ER11-Spin ... 95913.html
Попробуй временно выдернуть разъемы из платы то, что включает реле, управляет оборотами и т.п.
В смысле переключить инвертор на ручное управление?
Хорошо бы корпус шпинделя подключить к клемме заземления в инверторе. Возможно, стоит экранировать провод к шпинделю.
Заземление сделано. Эта часть вообще не трогалась.
Смещение происходит только по одной оси? Можно попробовать использовать другую ось вместо проблемной на плате.
Смещение проходит как минимум по осям X и Y. Насчет Z - не измерял, визуально не видно.
В каком положении переключатель входного частотного фильтра. Должен быть на 280 кГц. Проверь в разных положениях.
Так и стоит. Переключать пробовал.
upd: Что-то как я не стараюсь сделать максимально надежную плату, все равно закон подлости не дает сделать так, чтобы у всех заработало все сразу и без нареканий.
:thinking:
Аватара пользователя
igorvpetrov
Мастер
Сообщения: 317
Зарегистрирован: 27 май 2015, 13:33
Репутация: 64
Настоящее имя: Игорь
Контактная информация:

Re: Не было у бабы печали, купила баба порося.

Сообщение igorvpetrov »

Как сумел, набросал схему.
Строго не судите - впервые в жизни схему рисовал
https://easyeda.com/editor#id=8qICUcuoGX
Аватара пользователя
michael-yurov
Почётный участник
Почётный участник
Сообщения: 11731
Зарегистрирован: 26 июл 2012, 00:10
Репутация: 4703
Настоящее имя: Михаил Львович
Откуда: Новоуральск
Контактная информация:

Re: Не было у бабы печали, купила баба порося.

Сообщение michael-yurov »

Может разъем касается корпуса металлической частью.
Могу прислать другую плату на замену. Возможно. поможет.

Для поиска проблемы стоило бы попробовать инвертор отключить от платы. Возможно, токи текут через плату к инвертору.
Аватара пользователя
igorvpetrov
Мастер
Сообщения: 317
Зарегистрирован: 27 май 2015, 13:33
Репутация: 64
Настоящее имя: Игорь
Контактная информация:

Re: Не было у бабы печали, купила баба порося.

Сообщение igorvpetrov »

michael-yurov писал(а):Может разъем касается корпуса металлической частью.
Могу прислать другую плату на замену. Возможно. поможет.

Для поиска проблемы стоило бы попробовать инвертор отключить от платы. Возможно, токи текут через плату к инвертору.
Значит так, докладываю: сегодняшние эксперименты закончились неудачей :(
Поменял lpt кабель - ползут координаты
Поставил на него два феррита, с обоих концов - неудачно
Отключил инвертор от платы. Включаю шпиндель, в процессе раскрутки Mach выдаёт external e-stop requested.
Меняю кабель, снимаю лишние ферриты. Шпиндель стартует (вручную), двигаю ось - ползут координаты :freak:
В общем программа у меня теперь богатая - все вернуть назад, к работоспособному состоянию, а потом потихонечку, по шажочку, двигаться к запланированному светлому будущему :cheesy:
Аватара пользователя
michael-yurov
Почётный участник
Почётный участник
Сообщения: 11731
Зарегистрирован: 26 июл 2012, 00:10
Репутация: 4703
Настоящее имя: Михаил Львович
Откуда: Новоуральск
Контактная информация:

Re: Не было у бабы печали, купила баба порося.

Сообщение michael-yurov »

Еще вопрос - на плате - два DC-DC преобразователя, или один?
Что со связью корпуса компьютера, массы станка и корпуса электроники (если он есть)?
Давай отправлю черную плату, там входной блок сделан аналогично зеленой, но слегка улучшен. Функционал аналогичен белой.Либо, могу сделать возврат, если есть желание.
Аватара пользователя
igorvpetrov
Мастер
Сообщения: 317
Зарегистрирован: 27 май 2015, 13:33
Репутация: 64
Настоящее имя: Игорь
Контактная информация:

Re: Не было у бабы печали, купила баба порося.

Сообщение igorvpetrov »

michael-yurov писал(а):Еще вопрос - на плате - два DC-DC преобразователя, или один?
Что со связью корпуса компьютера, массы станка и корпуса электроники (если он есть)?
Давай отправлю черную плату, там входной блок сделан аналогично зеленой, но слегка улучшен. Функционал аналогичен белой.Либо, могу сделать возврат, если есть желание.
Dc-dc преобразователь один.
Корпусов компьютера и электроники станка не существует. Все собрано в отдельном отсеке бокса станка. Источники питания, кроме сервисного (свет, помпа, включение вентиляторов) и питающего stepmaster заземлены. У этих двух блоков выхода GND нету. Станок тоже заземлён (рама, портал, ось Z). Шпиндель заземлён в инверторе. Инвертор тоже заземлён. Все заземление сделано отдельными проводами сечением 0,5 кв. мм. и сведено в общую точку. Петель, я надеюсь, нет. Эпопея поиска земли описана в начале темы :hehehe:

Если автор платы рекомендует замену, то отказываться не разумно.
Высылай, а я тебе белую отправлю. В ней я ничего не спалил :lol:
Аватара пользователя
michael-yurov
Почётный участник
Почётный участник
Сообщения: 11731
Зарегистрирован: 26 июл 2012, 00:10
Репутация: 4703
Настоящее имя: Михаил Львович
Откуда: Новоуральск
Контактная информация:

Re: Не было у бабы печали, купила баба порося.

Сообщение michael-yurov »

igorvpetrov писал(а):Dc-dc преобразователь один.
Тут моя вина. Сэкономил. Если бы я поставил второй, вероятно, проблемы бы не было. Потом стал ставить на все платы.

Можно попробовать соединить минус питания степмастера и корпус компьютера, и провод провести параллельно LPT.

Если кабель к шпинделю не экранирован - тоже стоит это сделать при возможности. Хуже не будет.
Можно попробовать феррит нацепить на провод к шпинделю.

Эпопею про заземление перечитывать нет возможности.
Но замечу, что важно, где именно проходят провода заземления, т.е. по каким путям протекают токи наведенные помехами от кабеля к шпинделю.
Замену отправлю. Но либо придется подождать дня три пока съезжу за деталями и соберу новые платы,
или есть одна слегка подгоревшая при пайке (белые надписи потемнели). Ее мог бы отправить завтра.
Аватара пользователя
igorvpetrov
Мастер
Сообщения: 317
Зарегистрирован: 27 май 2015, 13:33
Репутация: 64
Настоящее имя: Игорь
Контактная информация:

Re: Не было у бабы печали, купила баба порося.

Сообщение igorvpetrov »

michael-yurov писал(а):
igorvpetrov писал(а):Dc-dc преобразователь один.
Можно попробовать соединить минус питания степмастера и корпус компьютера, и провод провести параллельно LPT.
В смысле прицепить к корпусу компьютерного БП? Корпусов же нет.
Если кабель к шпинделю не экранирован - тоже стоит это сделать при возможности. Хуже не будет.
Можно попробовать феррит нацепить на провод к шпинделю.

Эпопею про заземление перечитывать нет возможности.
Но замечу, что важно, где именно проходят провода заземления, т.е. по каким путям протекают токи наведенные помехами от кабеля к шпинделю.
С заземления подозрения надо снять. Оно не менялось и в предыдущем варианте работало.
Замену отправлю. Но либо придется подождать дня три пока съезжу за деталями и соберу новые платы,
или есть одна слегка подгоревшая при пайке (белые надписи потемнели). Ее мог бы отправить завтра.
Нет уж. :hehehe: Мне новую сделай!
Ответить

Вернуться в «Фрезерные станки по дереву и пластикам, гравировальные станки, роутеры»