Путь от фанерного к Вектронику А2.
- Serg
- Мастер
- Сообщения: 21923
- Зарегистрирован: 17 апр 2012, 14:58
- Репутация: 5183
- Заслуга: c781c134843e0c1a3de9
- Настоящее имя: Сергей
- Откуда: Москва
- Контактная информация:
Re: Строим фанерный станок
свёрла.
Я не Христос, рыбу не раздаю, но могу научить, как сделать удочку...
-
colosimo
- Мастер
- Сообщения: 250
- Зарегистрирован: 07 окт 2014, 18:40
- Репутация: 77
- Настоящее имя: владимир
- Откуда: Ульяновск
- Контактная информация:
Re: Строим фанерный станок
в следующий раз заказывайте из китая, выйдет дешевле... да и точно будут фрезы.Силвер писал(а):Самый большой это 2мм.
я думаю большая за фрезу пойдет. и только...
и не могу понять что там за обрубок сверху слева лежит)
Путь от фанерного станка к Вектронику А2 http://www.cnc-club.ru/forum/viewtopic.php?f=3&t=6323
- Coffeein
- Почётный участник

- Сообщения: 2144
- Зарегистрирован: 31 янв 2015, 15:24
- Репутация: 291
- Контактная информация:
Re: Строим фанерный станок
Это тот же самый, терпения не было пока соберу фрезер. Поломал.
Уже поздно возвращаться назад, чтобы правильно все начать с начала, но еще не поздно, все начатое правильно закончить...
Наш канал на ютуб - 24TECHO...
все про своими руками и не только.
Наш канал на ютуб - 24TECHO...
все про своими руками и не только.
- Coffeein
- Почётный участник

- Сообщения: 2144
- Зарегистрирован: 31 янв 2015, 15:24
- Репутация: 291
- Контактная информация:
Re: Строим фанерный станок
Можно ссылку на надежного китайского поставщика?
Уже поздно возвращаться назад, чтобы правильно все начать с начала, но еще не поздно, все начатое правильно закончить...
Наш канал на ютуб - 24TECHO...
все про своими руками и не только.
Наш канал на ютуб - 24TECHO...
все про своими руками и не только.
-
colosimo
- Мастер
- Сообщения: 250
- Зарегистрирован: 07 окт 2014, 18:40
- Репутация: 77
- Настоящее имя: владимир
- Откуда: Ульяновск
- Контактная информация:
Re: Строим фанерный станок
Покупайте у любого с хорошим рейтингом и оценками, не промахнетесь =)Силвер писал(а):Можно ссылку на надежного китайского поставщика?
Путь от фанерного станка к Вектронику А2 http://www.cnc-club.ru/forum/viewtopic.php?f=3&t=6323
-
colosimo
- Мастер
- Сообщения: 250
- Зарегистрирован: 07 окт 2014, 18:40
- Репутация: 77
- Настоящее имя: владимир
- Откуда: Ульяновск
- Контактная информация:
Re: Строим фанерный станок
Давно не было новостей. Пилим, режим, но редко. Исключительно по выходным. Результат получается через раз...
После последней работы решил, что надо заняться переделкой. Слишком много накопилось минусов. Некоторые можно устранить самостоятельно... некоторые- издержки дешевизны.
Собственно вот из-за чего решил заняться "модернизацией". Запланированную работу, считаю, назвать таким словом уже можно. Минусы, которые хочу устранить:
1. Избавление от мебельных направляющих по Х
2. Избавление от резиновых шлангов-муфт.
3. Люфт в соединениях и не жесткость, возникшая из-за "криворукости" при первой подобной постройки.
Что касается мебельных направляющих - не дружат они со стружкой. Смесь их смазки со стружкой- это убийство. Разбирал и промывал их уже два раза. По факту это единственно что не нравится. Для моих целей, и при том закреплении что у меня, их люфт для меня не критичен. Даже скажу так, я его не наблюдаю.
Резиновый шланг в виде муфту- это плохо. Именно из-за него и вечные пропуски. Шланг просто прокручивается. Подтяжки хомутов хватает не надолго.
Для устранения всего этого планируются следующие работы:
1.Установка цилиндрических направляющих по Х.
Вследствие чего уменьшится рабочее поле, и габариты станка. Планируются что данное уменьшение будет не значительным, но это позволит сократить длину строительной шпильки по Х чуть ли не в два раза. Что уменьшит ее биение на скорости.
2.Установка купленных муфт ранее.
Правда по сей день есть боязнь не увязать шпильку с муфтой. Цель работы- убрать пропуски возникающие из-за прокручивание шлангов.
Помимо главных работ, планируются второстепенные, не менее важные.
1. Вся электрика перекачует в системный блок. Да том месте, где она сейчас, на плате и БП образуется очень много стружки.
2. Станок будет проклеен, покрашен.
3. Установка подсветки рабочей зоны (диодная лента).
4. Огромное желание установить защиту всех направляющих из самодельной гармошки. В сети встречал как это делается.
5. Для увеличения жесткости в конструкцию планируется добавить алюминиевый профиль.
6. Хотелось бы установить е-стоп и концевики, но думаю этот пункт под сомнением больше всех остальных.
7. Ну очень хочу шпиндель...а не гравер
Это натуральная жужалка...
Пока вроде все =)
Выслушаю Ваши советы и предложения.
После последней работы решил, что надо заняться переделкой. Слишком много накопилось минусов. Некоторые можно устранить самостоятельно... некоторые- издержки дешевизны.
Собственно вот из-за чего решил заняться "модернизацией". Запланированную работу, считаю, назвать таким словом уже можно. Минусы, которые хочу устранить:
1. Избавление от мебельных направляющих по Х
2. Избавление от резиновых шлангов-муфт.
3. Люфт в соединениях и не жесткость, возникшая из-за "криворукости" при первой подобной постройки.
Что касается мебельных направляющих - не дружат они со стружкой. Смесь их смазки со стружкой- это убийство. Разбирал и промывал их уже два раза. По факту это единственно что не нравится. Для моих целей, и при том закреплении что у меня, их люфт для меня не критичен. Даже скажу так, я его не наблюдаю.
Резиновый шланг в виде муфту- это плохо. Именно из-за него и вечные пропуски. Шланг просто прокручивается. Подтяжки хомутов хватает не надолго.
Для устранения всего этого планируются следующие работы:
1.Установка цилиндрических направляющих по Х.
Вследствие чего уменьшится рабочее поле, и габариты станка. Планируются что данное уменьшение будет не значительным, но это позволит сократить длину строительной шпильки по Х чуть ли не в два раза. Что уменьшит ее биение на скорости.
2.Установка купленных муфт ранее.
Правда по сей день есть боязнь не увязать шпильку с муфтой. Цель работы- убрать пропуски возникающие из-за прокручивание шлангов.
Помимо главных работ, планируются второстепенные, не менее важные.
1. Вся электрика перекачует в системный блок. Да том месте, где она сейчас, на плате и БП образуется очень много стружки.
2. Станок будет проклеен, покрашен.
3. Установка подсветки рабочей зоны (диодная лента).
4. Огромное желание установить защиту всех направляющих из самодельной гармошки. В сети встречал как это делается.
5. Для увеличения жесткости в конструкцию планируется добавить алюминиевый профиль.
6. Хотелось бы установить е-стоп и концевики, но думаю этот пункт под сомнением больше всех остальных.
7. Ну очень хочу шпиндель...а не гравер
Пока вроде все =)
Выслушаю Ваши советы и предложения.
Путь от фанерного станка к Вектронику А2 http://www.cnc-club.ru/forum/viewtopic.php?f=3&t=6323
- rean32
- Мастер
- Сообщения: 443
- Зарегистрирован: 24 апр 2012, 11:13
- Репутация: 84
- Контактная информация:
Re: Строим фанерный станок
Муфты - хорошо, но на самом деле и шланг может работать вполне неплохо. Нужно только затягивать до последнего. У меня на оси Z такой - за год работы проблем не было. У меня и муфта лежит даже, но чето переделывать неохота.colosimo писал(а):
Правда по сей день есть боязнь не увязать шпильку с муфтой. Цель работы- убрать пропуски возникающие из-за прокручивание шлангов.
Установка подсветки рабочей зоны (диодная лента).
Огромное желание установить защиту всех направляющих из самодельной гармошки. В сети встречал как это делается.
Хотелось бы установить е-стоп и концевики, но думаю этот пункт под сомнением больше всех остальных.
А в чем прикол светодиодной ленты. Стоит дорого и все равно нормального света от нее не будет. Мне кажется лучше всего обычную лампу на 220 В над станком повесить и все.
Защита направляющих - очень дешевый и простой вариант - плотная ткань, например вот моя (ездит по натянутой леске) : ЕСТОП должна быть обязательно, без нее нельзя включать станок вообще.
- Тенгель
- Почётный участник

- Сообщения: 1814
- Зарегистрирован: 01 май 2012, 13:41
- Репутация: 619
- Откуда: Чита
- Контактная информация:
Re: Строим фанерный станок
не нашёл, какие резиновые шланги ты используешь, но надо использовать кордированыый шланг (дюрит), он очень жёсткий на скручивание, потому что у него нитки внутри. При минимальном расстоянии двигатель-вал пропуски шагов исключены.colosimo писал(а): Минусы, которые хочу устранить:
...
2. Избавление от резиновых шлангов-муфт.
...
Есть китайские шпиндели 300 и 400 ватт 12000 об/мин 48 вольт коллекторные с патроном ER11, практически бесшумные, купи на алиэспрессе или пиши мне в личкуcolosimo писал(а): 7. Ну очень хочу шпиндель...а не граверЭто натуральная жужалка...
Выслушаю Ваши советы и предложения.
Подпись отключена за неуплату.
-
colosimo
- Мастер
- Сообщения: 250
- Зарегистрирован: 07 окт 2014, 18:40
- Репутация: 77
- Настоящее имя: владимир
- Откуда: Ульяновск
- Контактная информация:
Re: Строим фанерный станок
По Y и Z меня шланг тоже устраивает. А вот по Х постоянно из-за него проблемы. Да так я только его не тянул... разные хомуты перепробовал. Правда проблему вижу еще и в маломощном шпинделегравере... движки крутятся, гравер за ними не успевает обрабатывать... пару таких критичных моментов и шланг опять разболтался. А скорость меньше ставить...и так не большая.rean32 писал(а):
Муфты - хорошо, но на самом деле и шланг может работать вполне неплохо. Нужно только затягивать до последнего. У меня на оси Z такой - за год работы проблем не было. У меня и муфта лежит даже, но чето переделывать неохота.
А в чем прикол светодиодной ленты. Стоит дорого и все равно нормального света от нее не будет. Мне кажется лучше всего обычную лампу на 220 В над станком повесить и все.
Защита направляющих - очень дешевый и простой вариант - плотная ткань, например вот моя (ездит по натянутой леске) : ЕСТОП должна быть обязательно, без нее нельзя включать станок вообще.
По поводу ленты, боловство просто
А защита сейчас по Х также как у Вас организована. Выше пост. Просто хотел немного по эстетичнее оформить, чтобы в гармошку складывалась.
Про ЕСТОП согласен... но что-то там для подключения много проводков слишком. Хотя пока не вникал.
Путь от фанерного станка к Вектронику А2 http://www.cnc-club.ru/forum/viewtopic.php?f=3&t=6323
-
colosimo
- Мастер
- Сообщения: 250
- Зарегистрирован: 07 окт 2014, 18:40
- Репутация: 77
- Настоящее имя: владимир
- Откуда: Ульяновск
- Контактная информация:
Re: Строим фанерный станок
Не знаю такой у меня или нет, но с нитками. Я его вроде как от топливной магистрали жигулей брал =) Постоянно прокручивается в соединении с движком...Тенгель писал(а): не нашёл, какие резиновые шланги ты используешь, но надо использовать кордированыый шланг (дюрит), он очень жёсткий на скручивание, потому что у него нитки внутри. При минимальном расстоянии двигатель-вал пропуски шагов исключены.
...
Когда оттуда заказывал электронику, подумал что обойдусь гравером... а сейчас с новым курсом рука не подымается.Тенгель писал(а): Есть китайские шпиндели 300 и 400 ватт 12000 об/мин 48 вольт коллекторные с патроном ER11, практически бесшумные, купи на алиэспрессе или пиши мне в личку
После переборки думаю к вам обращусь)
Путь от фанерного станка к Вектронику А2 http://www.cnc-club.ru/forum/viewtopic.php?f=3&t=6323
- Тенгель
- Почётный участник

- Сообщения: 1814
- Зарегистрирован: 01 май 2012, 13:41
- Репутация: 619
- Откуда: Чита
- Контактная информация:
Re: Строим фанерный станок
Скручивается, или прокручивается на валу, совершенно разные вещи, соответственно пути решения проблемы разные.colosimo писал(а): Не знаю такой у меня или нет, но с нитками. Я его вроде как от топливной магистрали жигулей брал =) Постоянно прокручивается в соединении с движком...
Подпись отключена за неуплату.
-
colosimo
- Мастер
- Сообщения: 250
- Зарегистрирован: 07 окт 2014, 18:40
- Репутация: 77
- Настоящее имя: владимир
- Откуда: Ульяновск
- Контактная информация:
Re: Строим фанерный станок
Тихими темпами дело пошло.
Начал с самого простого. В системный блок переехала платка и блок питания. Завтра пойду добывать 4-рех жильный провод и какие-нибудь быстро съемные соединения.
Я очень очень молодой электрик
Начал с самого простого. В системный блок переехала платка и блок питания. Завтра пойду добывать 4-рех жильный провод и какие-нибудь быстро съемные соединения.
Я очень очень молодой электрик
Путь от фанерного станка к Вектронику А2 http://www.cnc-club.ru/forum/viewtopic.php?f=3&t=6323
- rean32
- Мастер
- Сообщения: 443
- Зарегистрирован: 24 апр 2012, 11:13
- Репутация: 84
- Контактная информация:
Re: Строим фанерный станок
А 220 В для фрезера коммутируются через релюшку на плате?
-
colosimo
- Мастер
- Сообщения: 250
- Зарегистрирован: 07 окт 2014, 18:40
- Репутация: 77
- Настоящее имя: владимир
- Откуда: Ульяновск
- Контактная информация:
Re: Строим фанерный станок
Это для меня пока сложно =)rean32 писал(а):А 220 В для фрезера коммутируются через релюшку на плате?
Просто подключается к сетевому фильтру...
Фрезер никак не увязан с системой. Решение временно, надеюсь, пока на шпиндель не созрею.
Путь от фанерного станка к Вектронику А2 http://www.cnc-club.ru/forum/viewtopic.php?f=3&t=6323
-
colosimo
- Мастер
- Сообщения: 250
- Зарегистрирован: 07 окт 2014, 18:40
- Репутация: 77
- Настоящее имя: владимир
- Откуда: Ульяновск
- Контактная информация:
Re: Строим фанерный станок
Преобрел вот такую вот кнопочку...
Повертел ей и совсем не понял как ее привязать к плате. Прошу помощи.
Повертел ей и совсем не понял как ее привязать к плате. Прошу помощи.
Путь от фанерного станка к Вектронику А2 http://www.cnc-club.ru/forum/viewtopic.php?f=3&t=6323
- frezeryga
- Почётный участник

- Сообщения: 13713
- Зарегистрирован: 18 авг 2013, 16:08
- Репутация: 5069
- Откуда: Жуковский
- Контактная информация:
Re: Строим фанерный станок
Естоп через плату это не естоп. Должна вырубать силовую часть нафиг а плате только сообщать об этом факте.
email frezeryga@yandex.ru
instagram https://www.instagram.com/frezeryga
telegram https://t.me/md_cnc_frezeryga https://t.me/frezeryga
instagram https://www.instagram.com/frezeryga
telegram https://t.me/md_cnc_frezeryga https://t.me/frezeryga
-
colosimo
- Мастер
- Сообщения: 250
- Зарегистрирован: 07 окт 2014, 18:40
- Репутация: 77
- Настоящее имя: владимир
- Откуда: Ульяновск
- Контактная информация:
Re: Строим фанерный станок
и каким образом это организовать? ... у меня есть вон выключатель, все вырубит) притом он и плату вырубит)frezeryga писал(а):Естоп через плату это не естоп. Должна вырубать силовую часть нафиг а плате только сообщать об этом факте.
Путь от фанерного станка к Вектронику А2 http://www.cnc-club.ru/forum/viewtopic.php?f=3&t=6323
- frezeryga
- Почётный участник

- Сообщения: 13713
- Зарегистрирован: 18 авг 2013, 16:08
- Репутация: 5069
- Откуда: Жуковский
- Контактная информация:
Re: Строим фанерный станок
Поставить магнитный контактор на силовую часть. Выключатель недело на общее питание нужен нормальный рубильник.
email frezeryga@yandex.ru
instagram https://www.instagram.com/frezeryga
telegram https://t.me/md_cnc_frezeryga https://t.me/frezeryga
instagram https://www.instagram.com/frezeryga
telegram https://t.me/md_cnc_frezeryga https://t.me/frezeryga
- frezeryga
- Почётный участник

- Сообщения: 13713
- Зарегистрирован: 18 авг 2013, 16:08
- Репутация: 5069
- Откуда: Жуковский
- Контактная информация:
Re: Строим фанерный станок
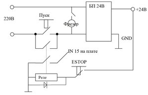
Либо использовать такую кнопку. В ней внутри контактор стоит.
email frezeryga@yandex.ru
instagram https://www.instagram.com/frezeryga
telegram https://t.me/md_cnc_frezeryga https://t.me/frezeryga
instagram https://www.instagram.com/frezeryga
telegram https://t.me/md_cnc_frezeryga https://t.me/frezeryga
- rean32
- Мастер
- Сообщения: 443
- Зарегистрирован: 24 апр 2012, 11:13
- Репутация: 84
- Контактная информация:
Re: Строим фанерный станок
Можно через релюшку сделать. Нажимаем кнопку ПУСК - подается питание на реле, оно удерживает контакты после отпускания кнопки ПУСК. При нажатии ЕСТОП - размыкается цепь реле, реле отключает общее питание. Вторая контактная группа реле связана с платой, чтоб сказать компу о том, что кнопка нажата. Если реле с одной контактной группой, то плату можно через оптрончик привязать.