Возможно еще выпрямитель сдох.Piligrym писал(а):Тоже самое, а 41 только при включении без L3. В остальных случаях ошибка A.F1 (проблема с фазой)чтото мне подсказывает что нужно доставать паяльник...ага вот тут пишут что пусковой резистор капут, полезу внутрь
Про сервы Yaskawa
- mhael
- Мастер
- Сообщения: 2443
- Зарегистрирован: 09 мар 2013, 11:22
- Репутация: 769
- Настоящее имя: Ильдар
- Контактная информация:
Re: Про сервы Yaskawa
-
Piligrym
- Почётный участник

- Сообщения: 180
- Зарегистрирован: 03 дек 2012, 10:05
- Репутация: 22
- Откуда: Московская обл. Можайск
- Контактная информация:
Re: Про сервы Yaskawa
Кажется разобрался...
Я походу балбес...
Серва проверяет напряжение перед выпрямителем и за выпрямителем судя по схеме во вложении...
Я сначала поставил перемычку между +1 и +2...
Потом появилась ошибка а.30... почитал буржуйский мануал(интернет был только в телефоне), и подумал что по цепи рекуперации пробежал пушной зверек- Regenerative transistor or regenerative resistor is faulty.
Убрал ее и о чудо - А.41, ну думаю все вернулось к истокам...
Ща почитал мануал на русском, а оказывается: внешний резистор не подключен... понял!!!!! Надо было поставить еще одну между в2 и в3... Тогда судя по схеме будет все ок! Жаль что 3 фаз дома нет... завтра даст Бог, все поедет, и это будет последний шрих до пуска вм131вф1 остался, но это сюжет для второй медальки.
Я походу балбес...
Серва проверяет напряжение перед выпрямителем и за выпрямителем судя по схеме во вложении...
Я сначала поставил перемычку между +1 и +2...
Потом появилась ошибка а.30... почитал буржуйский мануал(интернет был только в телефоне), и подумал что по цепи рекуперации пробежал пушной зверек- Regenerative transistor or regenerative resistor is faulty.
Убрал ее и о чудо - А.41, ну думаю все вернулось к истокам...
Ща почитал мануал на русском, а оказывается: внешний резистор не подключен... понял!!!!! Надо было поставить еще одну между в2 и в3... Тогда судя по схеме будет все ок! Жаль что 3 фаз дома нет... завтра даст Бог, все поедет, и это будет последний шрих до пуска вм131вф1 остался, но это сюжет для второй медальки.
-
Александр_
- Мастер
- Сообщения: 1743
- Зарегистрирован: 24 дек 2013, 17:47
- Репутация: 122
- Контактная информация:
Re: Про сервы Yaskawa
первый раз сегодня пробовал крутить мотор с тормозом. как раз по причине того, что он с тормозом раньше вал я не крутил вручную. при вращении есть какой-то неприятный шкрябающий звук. как будто какая-то металлическая пластина отвинтилась и дребезжит. никак не пойму откуда - вроде звку из тормоза. сам движок внешне в прекрасном состоянии, крутится тоже вроде корректно. снял крышку энкодера - посмотрел. там тоже нормально, ничего не болтается. разве что при вращении энкодер чуть покачивается вроде как при несоосном монтаже. но вроде бы это штатно - он для этого на гибкой металлической пластине закреплен. что можно проверить? ведь к тормозу не добраться - нужно энкодер снимать. может, тормоз не до конца отщелкивается?
Заходите в гости: www.pandicon.net www.graver36.ru
- mhael
- Мастер
- Сообщения: 2443
- Зарегистрирован: 09 мар 2013, 11:22
- Репутация: 769
- Настоящее имя: Ильдар
- Контактная информация:
Re: Про сервы Yaskawa
Именно так. Мотор все-таки б/у.Александр_ писал(а):может, тормоз не до конца отщелкивается?
-
Александр_
- Мастер
- Сообщения: 1743
- Зарегистрирован: 24 дек 2013, 17:47
- Репутация: 122
- Контактная информация:
Re: Про сервы Yaskawa
я так подозреваю это от того, что тормоз хз сколько времени был защелкнут. приработается или разбирать и как-то смазывать?
Заходите в гости: www.pandicon.net www.graver36.ru
- alexg-nn
- Мастер
- Сообщения: 793
- Зарегистрирован: 08 фев 2015, 12:45
- Репутация: 127
- Настоящее имя: Алексей
- Откуда: Нижний Новгород
- Контактная информация:
Re: Про сервы Yaskawa
Товарищи, а нет ни у кого опыта общения с какими нибудь представителями саппорта яскавы? Куда хоть вопросы то слать можно, скажем, про сигму 2-ю.
- PKM
- Почётный участник

- Сообщения: 4263
- Зарегистрирован: 31 мар 2011, 18:11
- Репутация: 705
- Настоящее имя: Андрей
- Откуда: Украина
- Контактная информация:
Re: Про сервы Yaskawa
Я какие-то вопросы слал на английском скорее всего через сайт для США, точно не помню. Ответа не получил.
- mhael
- Мастер
- Сообщения: 2443
- Зарегистрирован: 09 мар 2013, 11:22
- Репутация: 769
- Настоящее имя: Ильдар
- Контактная информация:
Re: Про сервы Yaskawa
Опыт есть. Ответ по вопросам в отношении Сигмы 1,2,3 могу предугадать на 99,99% - купите у нас новую, и мы ответим на все Ваши вопросы.alexg-nn писал(а):Товарищи, а нет ни у кого опыта общения с какими нибудь представителями саппорта яскавы? Куда хоть вопросы то слать можно, скажем, про сигму 2-ю.
-
Александр_
- Мастер
- Сообщения: 1743
- Зарегистрирован: 24 дек 2013, 17:47
- Репутация: 122
- Контактная информация:
Re: Про сервы Yaskawa
так можно как-то смазать тормоз мотора не снимая энкодер или только полный разбор?
Заходите в гости: www.pandicon.net www.graver36.ru
- mhael
- Мастер
- Сообщения: 2443
- Зарегистрирован: 09 мар 2013, 11:22
- Репутация: 769
- Настоящее имя: Ильдар
- Контактная информация:
Re: Про сервы Yaskawa
Вообще не вижу проблемы со снятием энкодера. На место ставится на раз-два. Снятие и установка описывалась кстати Афтаевым. Снять, проверить тормоз. Попытаться исправить, если не получается и не устраивает шум - выбросить нафиг тормоз. По поводу смазывания - вы хотите смазать там, где должно быть трение? А в чем глубинный смысл?Александр_ писал(а):так можно как-то смазать тормоз мотора не снимая энкодер или только полный разбор?
P.S. Снимите энкодер, доберитесь до тормоза и в открытом виде посмотрите, почему не отщелкивается до конца.
-
Александр_
- Мастер
- Сообщения: 1743
- Зарегистрирован: 24 дек 2013, 17:47
- Репутация: 122
- Контактная информация:
Re: Про сервы Yaskawa
вот, снял видео. качество почему-то вышло гадкое. но тут главное - звук.
так и не пойму - механический звук или все же шум тока. может, так может звучать сильно не настроенная серва?
энкодер просто отвинчивается и потом привинчивается обратно7 никакой калибровки не нужно? тормоз выбрасывать не хотелось бы - этот мотор (на ось z) докупал отдельно втридорого именно из-за тормоза
https://www.youtube.com/watch?v=atrDbQC ... e=youtu.be
так и не пойму - механический звук или все же шум тока. может, так может звучать сильно не настроенная серва?
энкодер просто отвинчивается и потом привинчивается обратно7 никакой калибровки не нужно? тормоз выбрасывать не хотелось бы - этот мотор (на ось z) докупал отдельно втридорого именно из-за тормоза
https://www.youtube.com/watch?v=atrDbQC ... e=youtu.be
Заходите в гости: www.pandicon.net www.graver36.ru
- N1X
- Мастер
- Сообщения: 3653
- Зарегистрирован: 16 фев 2015, 21:19
- Репутация: 1646
- Настоящее имя: Владимир
- Откуда: Беларусь, Гомель
- Контактная информация:
Re: Про сервы Yaskawa
А растормозить (запитать тормоз) и ручками покрутить? Шархает?
-
Александр_
- Мастер
- Сообщения: 1743
- Зарегистрирован: 24 дек 2013, 17:47
- Репутация: 122
- Контактная информация:
Re: Про сервы Yaskawa
попробую запитать тормоз отдельно и покрутить
Заходите в гости: www.pandicon.net www.graver36.ru
-
Александр_
- Мастер
- Сообщения: 1743
- Зарегистрирован: 24 дек 2013, 17:47
- Репутация: 122
- Контактная информация:
Re: Про сервы Yaskawa
покрутил мотор в отключенном состоянии подав отдельно питание на тормоз да, проблема в нем.
неравномерное вращение, в какой-то момент как будто в ямку колесом попадаешь - с усилием
небольшим крутится дальше. да и дребезг при вращении.
придется разбирать. блок питания выдает 85 вольт - должно хватать.
как разобрать мотор чтобы не испортить? энкодер просто открутить и снять? никаких меток,
ориентации на валу? потом просто закрепить обратно на вал и все?
неравномерное вращение, в какой-то момент как будто в ямку колесом попадаешь - с усилием
небольшим крутится дальше. да и дребезг при вращении.
придется разбирать. блок питания выдает 85 вольт - должно хватать.
как разобрать мотор чтобы не испортить? энкодер просто открутить и снять? никаких меток,
ориентации на валу? потом просто закрепить обратно на вал и все?
Заходите в гости: www.pandicon.net www.graver36.ru
- mhael
- Мастер
- Сообщения: 2443
- Зарегистрирован: 09 мар 2013, 11:22
- Репутация: 769
- Настоящее имя: Ильдар
- Контактная информация:
Re: Про сервы Yaskawa
Поищите на форуме. Афтаев подробно и в картинка описывал.Александр_ писал(а):как разобрать мотор чтобы не испортить? энкодер просто открутить и снять? никаких меток, ориентации на валу? потом просто закрепить обратно на вал и все?
-
aftaev
- Зачётный участник

- Сообщения: 34042
- Зарегистрирован: 04 апр 2010, 19:22
- Репутация: 6194
- Откуда: Казахстан.
- Контактная информация:
Re: Про сервы Yaskawa
Там не Яскава серваV_a_d_o_s писал(а):Помогите. Вопрос вот здесь http://www.cnc-club.ru/forum/viewtopic. ... 94#p230994
Дилетанту сложные вещи кажутся очень простыми, и только профессионал понимает насколько сложна самая простая вещь
Кто хочет - ищет возможности, кто не хочет - ищет оправдание.
Найди работу по душе и тебе не придется работать.
Кто хочет - ищет возможности, кто не хочет - ищет оправдание.
Найди работу по душе и тебе не придется работать.
- mhael
- Мастер
- Сообщения: 2443
- Зарегистрирован: 09 мар 2013, 11:22
- Репутация: 769
- Настоящее имя: Ильдар
- Контактная информация:
Re: Про сервы Yaskawa
aftaev, потри пост, что не смущал народ. Накидают ато ссылок. Как-будто от этого желание помочь шибко активируется.
-
aftaev
- Зачётный участник

- Сообщения: 34042
- Зарегистрирован: 04 апр 2010, 19:22
- Репутация: 6194
- Откуда: Казахстан.
- Контактная информация:
Re: Про сервы Yaskawa
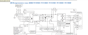
Как подключать сеть к сервам
Чтобы подключить серву к сети нужно запитать "силовую часть" и "мозги" сервы.На фото показано. Белый кабель подключен к сети и имеет два провода (красный и белый).
Дилетанту сложные вещи кажутся очень простыми, и только профессионал понимает насколько сложна самая простая вещь
Кто хочет - ищет возможности, кто не хочет - ищет оправдание.
Найди работу по душе и тебе не придется работать.
Кто хочет - ищет возможности, кто не хочет - ищет оправдание.
Найди работу по душе и тебе не придется работать.
- mhael
- Мастер
- Сообщения: 2443
- Зарегистрирован: 09 мар 2013, 11:22
- Репутация: 769
- Настоящее имя: Ильдар
- Контактная информация:
Re: Про сервы Yaskawa
aftaev, чего так крупно пишешь? Вопросами достали? 
-
aftaev
- Зачётный участник

- Сообщения: 34042
- Зарегистрирован: 04 апр 2010, 19:22
- Репутация: 6194
- Откуда: Казахстан.
- Контактная информация:
Re: Про сервы Yaskawa
Нет, просто выделил как заголовок тегом h1mhael писал(а):aftaev, чего так крупно пишешь? Вопросами достали?
Дилетанту сложные вещи кажутся очень простыми, и только профессионал понимает насколько сложна самая простая вещь
Кто хочет - ищет возможности, кто не хочет - ищет оправдание.
Найди работу по душе и тебе не придется работать.
Кто хочет - ищет возможности, кто не хочет - ищет оправдание.
Найди работу по душе и тебе не придется работать.