tb6560 разбор полетов

Контроллеры, драйверы, датчики, управляющие устройства.
Аватара пользователя
Calambuuur
Опытный
Сообщения: 124
Зарегистрирован: 18 май 2012, 23:38
Репутация: 2
Откуда: Я родом из детства : "Кто на Харькив"

Re: tb6560 разбор полетов

Сообщение Calambuuur »

fsmoke писал(а):К сожалению я ленив, и в этот раз стал сразу разводить плату без рисования схемы - в принципе она уже нарисована в даташите - у меня плата один в один по ней - тока конденсаторы 100mkf там где 47 - все остально тоже самое.

fsmoke
Новичок

Сообщения: 15
Зарегистрирован: 08 авг 2013, 10:04
Репутация: 8

Вернуться к началу
Вот это классный пример как нужно преподносить свое умение и общаться с форумом т.е. с его участниками. Спасибо за мастер класс! Если будут вопросы, в л.с. можно обращаться?
Один ум хорошо а два и более лучше. "Я так мысленно думаю" и моя "Домососедка", которая пользуется "обезбеливателем" - и радуется, "пусть c cnc, чем без обезбеливателя".(Каламбууур).
fsmoke
Новичок
Сообщения: 33
Зарегистрирован: 08 авг 2013, 10:04
Репутация: 9
Контактная информация:

Re: tb6560 разбор полетов

Сообщение fsmoke »

tooshka писал(а):Хорошая работа! А побыстрее раскрутить двигатель можно? Будет ли резонировать?
Я не пробывал, программку написал за 15 минут :) - и то погеммороился из-за дохлости пика, аж до ассемблерных вставок дело дошло, к тому же я даже кварц не ставил - сваял на коленке макетке . Конечно лучше всего ARMы взять, они и 32битные и частоту до 70 мхз держат, и стоят они дешевле пиков - я думаю скоро пики будут помирать если на арм архитектуру не переедут, вон атмел уже перехал.
Calambuuur писал(а): Спасибо за мастер класс! Если будут вопросы, в л.с. можно обращаться?
Спасибо за теплые слова! Да, конечно обращайтесь, помогу чем смогу, исходя из моего небольшого опыта ;) .

Кстати вот обещенный код, на котором я тестил - прошу не винить за кривизну, я не использовал никакие прерывания и таймеры - это чисто для теста:

Код: Выделить всё

#define _LEGACY_HEADERS
#include <htc.h>

/*   PIC Configuration Bit:
**   INTIO     - Using Internal RC No Clock
**   WDTDIS    - Wacthdog Timer Disable
**   PWRTEN    - Power Up Timer Enable
**   PWRTDIS   - Power up timer disabled
**   MCLREN    - Master Clear Enable
**   MCLRDIS   - Master Clear reset function disabled
**   UNPROTECT - Code Un-Protect
**   UNPROTECT - Data EEPROM Read Un-Protect
**   BORDIS    - Borwn Out Detect Disable
**   IESODIS   - Internal External Switch Over Mode Disable
**   FCMDIS    - Monitor Clock Fail Safe Disable
*/

__CONFIG(INTIO & MCLRDIS & UNPROTECT & WDTDIS & PWRTDIS);

#ifndef _XTAL_FREQ
 // Unless already defined assume 4MHz system frequency
 // This definition is required to calibrate __delay_us() and __delay_ms()
 #define _XTAL_FREQ 4000000
#endif

//#define BUT GPIO3

#define STEP GPIO0
#define M1 GPIO1
#define M2 GPIO5

#define CW_CCW GPIO2
#define ENABLED GPIO4

#define GPIO_MASK 0b00001000

void delay_s(unsigned char cnt)
{
	unsigned char i;
	do 
	{
		i = 10;
		do
		{
			__delay_ms(100);
			CLRWDT();
		} while(--i);
	} while(--cnt);
}


void set_step_mode( char step_mode )
{
	switch (step_mode)
	{
		//half
		case 1:
			M1 = 1;
			M2 = 0;
			break;
		//1/8
		case 2:
			M1 = 1;
			M2 = 1;
			break;
		//1/16
		case 3:
			M1 = 0;
			M2 = 1;
			break;
		default:
		//full
			M1 = 0;
			M2 = 0;
			break;
	}
}

//for 4mhz
#define DelayDivisor 4
#define WaitFor1Us asm("nop")
#define Jumpback asm("goto $ - 2")

unsigned char delayus_variable;

#define non_const_delay_10us(x) { \
			delayus_variable=(unsigned char)(x/DelayDivisor); \
			WaitFor1Us; WaitFor1Us; WaitFor1Us; WaitFor1Us; WaitFor1Us;\
			WaitFor1Us; WaitFor1Us; WaitFor1Us; WaitFor1Us; WaitFor1Us;\
			} \
			asm("decfsz _delayus_variable,f"); \
			Jumpback;

void main( void )
{
	TRISIO = GPIO_MASK;
	INTCON = 0x00;
	CMCON = 0x07;
	GPIO = 0x00;
	STEP = 0;
	set_step_mode(0);

	__delay_ms(1000);
	
	CW_CCW = 1;

	__delay_ms(1000);
	
	ENABLED = 0;
	unsigned short i = 0;
	for (char j = 0; j < 4; j++)
	{
		//here we must set RESET to 0 but our little mcu has no more free pins :(
		
		set_step_mode(j);
		ENABLED = 1;
		CW_CCW = 1;
		i = 0;
		unsigned short steps_num = 200 << (j + j / 2);
		while (i < steps_num)
		{
			STEP = 1;
			__delay_us(100);
			STEP = 0;
			__delay_us(1000);
			i++;
		}
		__delay_us(500);
		CW_CCW = 0;
		i = 0;
		while (i < steps_num)
		{
			STEP = 1;
			__delay_us(100);
			STEP = 0;
			__delay_us(1000);
			i++;
		}
		ENABLED = 0;
		delay_s(2);
	}

	ENABLED = 1;
 
	CW_CCW = 1;
	//main cycle
	while(1)
	{
		unsigned char speed = 200;
		unsigned char change_speed = 50;
		while (speed > 5)
		{
			STEP = 1;
			__delay_us(30);
			STEP = 0;
			non_const_delay_10us(speed);
			if (change_speed == 0)
			{
				speed -= 1;
				change_speed = 200;	
			}
			change_speed--;
		}

		change_speed = 50;
		while (speed < 200)
		{
			STEP = 1;
			__delay_us(30);
			STEP = 0;
			non_const_delay_10us(speed);
			if (change_speed == 0)
			{
				speed += 1;
				change_speed = 200;	
			}
			change_speed--;
		}
	}
}
Компилятор Hi-tech C, pic12f629, без кварца(4mhz)

PS
Конечно плохо, что подсветки синтаксиса для си на сайте нету.
Аватара пользователя
Сергей Саныч
Мастер
Сообщения: 9116
Зарегистрирован: 30 май 2012, 14:20
Репутация: 2858
Откуда: Тюмень
Контактная информация:

Re: tb6560 разбор полетов

Сообщение Сергей Саныч »

А на близких к максимальным режимах пробовали гонять?
На 0,5 ампера, наверно, и "зеленая плата" будет нормально работать.
Чудес не бывает. Бывают фокусы.
fsmoke
Новичок
Сообщения: 33
Зарегистрирован: 08 авг 2013, 10:04
Репутация: 9
Контактная информация:

Re: tb6560 разбор полетов

Сообщение fsmoke »

Serg-tmn писал(а):А на близких к максимальным режимах пробовали гонять?
На максимальных режимах, всмысле по моменту или по скорости? Если по скорости, то я уже ответил, что нет - как бы лично для меня скорость не так критична. В любом случае - детальки механики еще в пути. Возможно тема будет развиваться, когда я соберу механику хотя бы на одну ось, сейчас, я боюсь, я уже не буду больше ничего тестить, ибо бестолку. Здесь палка о двух концах - все я надеюсь знают, что при увеличении оборотов падает момент - даже на видике я показал, что при ускорении движка ток падает - это оно и есть. Так, что сильно увеличивать скорость на шаговиках нельзя, иначе, подозреваю, начнется глотание шагов. Вот, говорят, с сервоприводами там получше с моментом.
Serg-tmn писал(а): На 0,5 ампера, наверно, и "зеленая плата" будет нормально работать.
Комментировать не могу, у меня её нет и заказывать я ради тестов это гамно не буду :), для меня, имхо, пустая трата, хоть и небольших, но денег. В первом и последующих постах я уже описал все, что думаю о китайских поделках. Но на самом деле мне просто интересно поковырятся самому :D, купить готовое это ж неинтересно :) . У меня вот платка не "зеленая" у меня Black эдишен :) - шутка :)
Аватара пользователя
Сергей Саныч
Мастер
Сообщения: 9116
Зарегистрирован: 30 май 2012, 14:20
Репутация: 2858
Откуда: Тюмень
Контактная информация:

Re: tb6560 разбор полетов

Сообщение Сергей Саныч »

На максимальных режимах - это по току и напряжению. Но для этого нужен другой двигатель, помощнее и с меньшей индуктивностью обмоток.
fsmoke писал(а):при увеличении оборотов падает момент - даже на видике я показал, что при ускорении движка ток падает - это оно и есть. Так, что сильно увеличивать скорость на шаговиках нельзя, иначе, подозреваю, начнется глотание шагов.
fsmoke писал(а):у меня её нет
Момент падает, да. Это частично лечится увеличением напряжения питания. Задача драйвера - стабилизировать ток.
Пропуск шагов на больших оборотах проявляется в срыве движения, а не в "глотании". То есть двигатель останавливается и дальше пищит, но не вращается. Рекомендую еще поэкспериментировать со своим генератором, чтобы "прочувствовать" все режимы, просто для наработки опыта.
Последний раз редактировалось Сергей Саныч 10 дек 2013, 11:52, всего редактировалось 1 раз.
Чудес не бывает. Бывают фокусы.
fsmoke
Новичок
Сообщения: 33
Зарегистрирован: 08 авг 2013, 10:04
Репутация: 9
Контактная информация:

Re: tb6560 разбор полетов

Сообщение fsmoke »

Serg-tmn писал(а):На максимальных режимах - это по току и напряжению.
Нет, т.к. у меня нет биполярников с таким номиналом.

Ток, я выставлял до 1 Ампера, но как Вы понимаете - это ни к чему не привело т.к. движок как ел полампера, так и ест - т.е. ограничения по току я убирал. Напряжение не поднимал выше 14в. Если достану другие движки - потестирую - выложу здесь результаты.
fsmoke
Новичок
Сообщения: 33
Зарегистрирован: 08 авг 2013, 10:04
Репутация: 9
Контактная информация:

Re: tb6560 разбор полетов

Сообщение fsmoke »

Serg-tmn писал(а): Рекомендую еще поэкспериментировать со своим генератором, чтобы "прочувствовать" все режимы, просто для наработки опыта.
Спасибо за советы, обязательно поэксеприментирую.
umpelev69
Новичок
Сообщения: 14
Зарегистрирован: 25 янв 2014, 19:49
Репутация: 1
Контактная информация:

Re: tb6560 разбор полетов

Сообщение umpelev69 »

Текстовый документ.txt
описание
(2.39 КБ) 1252 скачивания
сама плата которая обсуждалась (4209 просмотров) <a class='original' href='./download/file.php?id=24325&sid=4d2843672b455c71bad48c32e5ca3739&mode=view' target=_blank>Загрузить оригинал (186.46 КБ)</a>
сама плата которая обсуждалась
ну и схема к ней (4207 просмотров) <a class='original' href='./download/file.php?id=24327&sid=4d2843672b455c71bad48c32e5ca3739&mode=view' target=_blank>Загрузить оригинал (15.9 КБ)</a>
ну и схема к ней
сама плата которая обсуждалась (4209 просмотров) <a class='original' href='./download/file.php?id=24325&sid=4d2843672b455c71bad48c32e5ca3739&mode=view' target=_blank>Загрузить оригинал (186.46 КБ)</a>
сама плата которая обсуждалась
схема которая к ней пилагается (4209 просмотров) <a class='original' href='./download/file.php?id=24323&sid=4d2843672b455c71bad48c32e5ca3739&mode=view' target=_blank>Загрузить оригинал (99.95 КБ)</a>
схема которая к ней пилагается
внешний вид самой платы которую предлагают за 10 УЁ (4209 просмотров) <a class='original' href='./download/file.php?id=24322&sid=4d2843672b455c71bad48c32e5ca3739&mode=view' target=_blank>Загрузить оригинал (183.14 КБ)</a>
внешний вид самой платы которую предлагают за 10 УЁ
сверху но повернута (4209 просмотров) <a class='original' href='./download/file.php?id=24320&sid=4d2843672b455c71bad48c32e5ca3739&mode=view' target=_blank>Загрузить оригинал (76.8 КБ)</a>
сверху но повернута
еще одинвид (4209 просмотров) <a class='original' href='./download/file.php?id=24321&sid=4d2843672b455c71bad48c32e5ca3739&mode=view' target=_blank>Загрузить оригинал (71.06 КБ)</a>
еще одинвид
вид сверху (4209 просмотров) <a class='original' href='./download/file.php?id=24319&sid=4d2843672b455c71bad48c32e5ca3739&mode=view' target=_blank>Загрузить оригинал (90.01 КБ)</a>
вид сверху
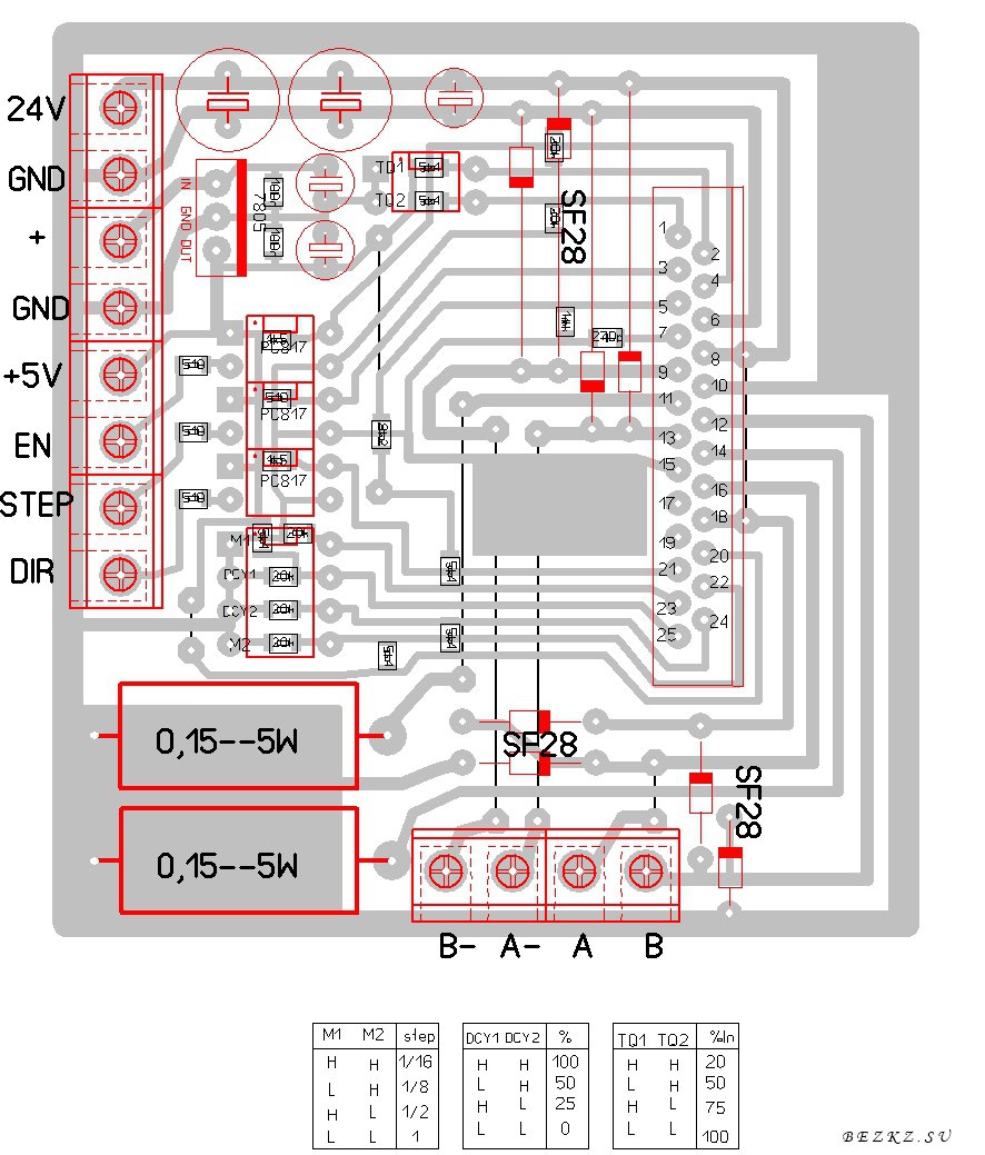
А вот вам вариант друзей с востока
взято с сайта http://bezkz.su/forum/topic/665-kontrol ... tb6560ahq/
автор Nikolai4 выставлено с его разрешения
это тот сайт откуда взяли данную плату
а это ссылка на сайт исходник http://bezkz.su/publ/shemy/shagovye-dvi ... b6560.html
ну и само описание с сайта
не нравятся superfast диоды у которых Максимальное время обратного восстановления,мкс 0.035
Максимальное импульсное обратное напряжение,В 720
Максимально допустимый прямой импульсный ток,А 75 и цена 3 рубля поставь SB560, DIODE, SCHOTTKY, 5A, 60V по цене 7 рублей и не надо лепить радиатор как в даташите
Вложения
TB6560.rar
а это наш ответ (нарисовано непосредственно с платы)
(26.93 КБ) 575 скачиваний
bobych
Новичок
Сообщения: 1
Зарегистрирован: 12 апр 2012, 06:26
Репутация: 0
Контактная информация:

Re: tb6560 разбор полетов

Сообщение bobych »

Рэле - задержка подачи силы,после подачи +5.
А что произойдет при случайном пропадании +5 ?
Выдержит ли TB6560 время отпускания рэле ?
Предохранитель всегда горит последний - это знают все :thinking:
vilkoks
Новичок
Сообщения: 2
Зарегистрирован: 16 апр 2014, 13:48
Репутация: 0
Контактная информация:

Re: tb6560 разбор полетов

Сообщение vilkoks »

Всем доброго времени суток.
Хочу обратиться к автору этой платы и ко всем кто нормально знаком с tb6560. Я решил повторить эту плату, травление и пайка прошли нормально, а вот с конечным результатом пока не срослось. Так как я плохо знаком к английски языком то за помощью к мануалам я обратиться не могу, остаётся одна надежда на вас.
Теперь к делу:
была собрана эта плата и к ней подключен ШД M49SP-2K (биполярный шаговый двигатель с какого то лазерного принтера), на данный момент ни платы LPT ни другого генератора сигнала "step" у меня нет, поэтому для наладки этот сигнал (также dir и enable)я делал от блока питания 5В через тумблер (скорее всего есть дребезг контакта). При подаче питания вал двигателя делал один шаг (возможно полушаг), и замирал на месте при этом он тихонько гудел. И если снять напряжение с сигнала enable гул двигателя прекращается.
Я замерил напряжение на обмотках оно составило 0,4В ток 0.02 А (одновременно на двух). Напряжение на выводе Protect составило 4.6В, так как я не могу разобраться с мануалом, то точно не знаю сработала защита или это нормальное состояние вывода, но нутром чую, что она таки сработала.
А теперь вопросы:
от чего могла сработать защита?
если защита не сработала то почему двигатель не реагировал на включение тумблера на сигнале step?
можно ли проверить целостность микросхемы tb6560?

ну и если можно советы как довести до ума этот девайс.
С уважением и спасибо за внимание.
Аватара пользователя
michael-yurov
Почётный участник
Почётный участник
Сообщения: 11731
Зарегистрирован: 26 июл 2012, 00:10
Репутация: 4703
Настоящее имя: Михаил Львович
Откуда: Новоуральск
Контактная информация:

Re: tb6560 разбор полетов

Сообщение michael-yurov »

vilkoks писал(а):Я замерил напряжение на обмотках оно составило 0,4В ток 0.02 А (одновременно на двух).
А как ток узнал?
vilkoks
Новичок
Сообщения: 2
Зарегистрирован: 16 апр 2014, 13:48
Репутация: 0
Контактная информация:

Re: tb6560 разбор полетов

Сообщение vilkoks »

ток мерил следующим образом:
отключил питание, вытянул из клемы один провод который идёт на обмотку ШД, вставил в клему щуп от мультика, второй щуп подключил к проводу который вытянул из клемы, включил питание, снял показание мультиметра. Тоже самое проделал с другой обмоткой ШД.
Аватара пользователя
michael-yurov
Почётный участник
Почётный участник
Сообщения: 11731
Зарегистрирован: 26 июл 2012, 00:10
Репутация: 4703
Настоящее имя: Михаил Львович
Откуда: Новоуральск
Контактная информация:

Re: tb6560 разбор полетов

Сообщение michael-yurov »

vilkoks писал(а):ток мерил следующим образом:
отключил питание, вытянул из клемы один провод который идёт на обмотку ШД, вставил в клему щуп от мультика, второй щуп подключил к проводу который вытянул из клемы, включил питание, снял показание мультиметра. Тоже самое проделал с другой обмоткой ШД.
Опасно так... да и ток ведь должен изменяться по синусу/косинусу в зависимости от фазы. Хотя тут странно, ток почти отсутствует в обеих обмотках.
mig84
Новичок
Сообщения: 3
Зарегистрирован: 02 ноя 2015, 21:10
Репутация: 0
Настоящее имя: Игорь
Контактная информация:

Ай нид хэлп!!!

Сообщение mig84 »

Здравствуйте уважаемые форумчане. Я начинающий проектировщик CNC. Прошу помощи у бывалых и опытных. Повторил данную схему и вот что вышло, при подаче питания двигатель стал на удержание, а при подаче ступеньки че то там зашагало, завертелось закрутилось, но не так как хотелось бы. В общем, после мало-мальских шаманских ритуалов заработало все примерно так, на всем доступном диапазоне частот, (от 0 до 12000 в зависимости от микрошага) двигатель крутиться. НО одно огромное НО! с частотой примерно в 1 Гц двигатель пропускает шаги, методично и ритмично, 1 раз в секу происходит тыц. Пропуск шагов не зависит ни от частоты STEP, ни от частоты ШИМ(емкости у седьмой ноги) ни от режима дробления шага ни от скорости спадания тока, ни от двигателя, висящего на выходе, ни от источника питания. Емкости С1 и С3 заменил на пленочные кондеры 1,5 мкФ, вместо диодной сборки припаял диоды SF28, емкость кондера, отвечающего за ШИМ 270 пФ, драйвер настроен на ток примерно 2,8 А(сопротивления по 0,18 Ом). Источник ступеньки - lpt порт(напрямую через резистор 4,7 кОм) и прога с сайта vri-cnc. Источник питания - с вышеуказанным двигателем(nema 23x76 2.8A 200 шагов на оборот) транс+мост+кондер, на этом же источнике запускал движок http://www.nmbtc.com/content/pdfs/PM42M-048.pdf от принтера, предварительно настроив рабочий ток, на 0,56 А , и этот же движок питал его родным импульсным блоком питания от то же принтера в конечном итоге - каждый подопытный показывал один результат, описанный выше. Может кто то сталкивался с подобным поведение драйвера? Какие будут мысли?
Аватара пользователя
Сергей Саныч
Мастер
Сообщения: 9116
Зарегистрирован: 30 май 2012, 14:20
Репутация: 2858
Откуда: Тюмень
Контактная информация:

Re: tb6560 разбор полетов

Сообщение Сергей Саныч »

Проблема в компьютере и ОС. Драйвер мучить бесполезно.
Чудес не бывает. Бывают фокусы.
mig84
Новичок
Сообщения: 3
Зарегистрирован: 02 ноя 2015, 21:10
Репутация: 0
Настоящее имя: Игорь
Контактная информация:

Re: tb6560 разбор полетов

Сообщение mig84 »

Сергей Саныч писал(а):Проблема в компьютере и ОС. Драйвер мучить бесполезно.
А можно поподробней, что происходит с портом, дело в железе или в ПО? И куда смотреть в первую очередь?
Ответить

Вернуться в «Электроника»