Связка PLCM-E3p+PLC4x-G2+Leadshine EM705
- igor44
- Почётный участник

- Сообщения: 380
- Зарегистрирован: 23 июл 2013, 10:10
- Репутация: 257
- Откуда: Костромская обл.
- Контактная информация:
Связка PLCM-E3p+PLC4x-G2+Leadshine EM705
Столкнулся с такой проблемой.
Решил обновить электронику на станке.
первым идёт контролёр от ПЛ PLCM-E3p после него стоит устройство коммутации драйверов PLC4x тоже от ПЛ.
К нему подключаю драйверы Leadshine EM705.
В общем собрал пока тестовый стэнд. И столкнулся с проблемой пропуска шагов!
На двигателе сделал метки.....прогоняю УП с частым изменением направления движения, после возвращаю ось в ноль G0Z0 и метки не совпадают.
Если из связки исключить PLCM-E3p, а подключить всё к LTP, то ни каких проблем не возникает, метки сходятся.
Так же проблемыа исчезает, если исключить драйвера от Leadshine (проверял на драйверах ПЛ)
Написал в ПЛ, там откликнулись, даже сделали новую тестовую прошивку для контролёра PLCM-E3p, написали статью про эту проблему
http://wiki.purelogic.ru/index.php?titl ... D0%B2_PLCM
Но мою проблему это так и не решило............(((
Уже несколько дней ушло только на пробы и тесты, менял в МАСН Active Low для сигнала Step, менял направление в самом драйвере, результат неутешительный. На Leadshine менял ток, дробление шга.
Ещё один момент, у моего знакомого практически такая же связка, немного другие драйвера Leadshine, симптомы аналогичные.
Спасибо.
Может у кого нибудь есть мысли по решению этой проблемы, возможно кто нибудь сталкивался с такой проблемой.
Спасибо
Решил обновить электронику на станке.
первым идёт контролёр от ПЛ PLCM-E3p после него стоит устройство коммутации драйверов PLC4x тоже от ПЛ.
К нему подключаю драйверы Leadshine EM705.
В общем собрал пока тестовый стэнд. И столкнулся с проблемой пропуска шагов!
На двигателе сделал метки.....прогоняю УП с частым изменением направления движения, после возвращаю ось в ноль G0Z0 и метки не совпадают.
Если из связки исключить PLCM-E3p, а подключить всё к LTP, то ни каких проблем не возникает, метки сходятся.
Так же проблемыа исчезает, если исключить драйвера от Leadshine (проверял на драйверах ПЛ)
Написал в ПЛ, там откликнулись, даже сделали новую тестовую прошивку для контролёра PLCM-E3p, написали статью про эту проблему
http://wiki.purelogic.ru/index.php?titl ... D0%B2_PLCM
Но мою проблему это так и не решило............(((
Уже несколько дней ушло только на пробы и тесты, менял в МАСН Active Low для сигнала Step, менял направление в самом драйвере, результат неутешительный. На Leadshine менял ток, дробление шга.
Ещё один момент, у моего знакомого практически такая же связка, немного другие драйвера Leadshine, симптомы аналогичные.
Спасибо.
Может у кого нибудь есть мысли по решению этой проблемы, возможно кто нибудь сталкивался с такой проблемой.
Спасибо
- Nick
- Мастер
- Сообщения: 22776
- Зарегистрирован: 23 ноя 2009, 16:45
- Репутация: 1735
- Заслуга: Developer
- Откуда: Gatchina, Saint-Petersburg distr., Russia
- Контактная информация:
Re: Связка PLCM-E3p+PLC4x-G2+Leadshine EM705
Может блок упралвения выдает слишком короткие импульсы на драйвер, или например параметр dir setup или dir hold не выдерживаются... тогда при смене направления можно получить пропуски.
- Nick
- Мастер
- Сообщения: 22776
- Зарегистрирован: 23 ноя 2009, 16:45
- Репутация: 1735
- Заслуга: Developer
- Откуда: Gatchina, Saint-Petersburg distr., Russia
- Контактная информация:
Re: Связка PLCM-E3p+PLC4x-G2+Leadshine EM705
А, ну да, именно это в PL и написали
А если крутить только в одну сторону, то шаги не теряются?Для корректной работы в условиях неверной конфигурации изменение сигнала DIR производится не одновременно с неактивным фронтом STEP, а чуть позже. В версиях прошивок до 2.1.1090 эта задержка составляла 10 микросекунд и ее было достаточно для большинства современных драйверов. Однако драйверы Leadshine серии EM при неверной полярности сигнала STEP не успевают отработать шаг за упомянутые выше 10 микросекунд до смены сигнала DIR, хотя в их инструкции заявлено минимальное время 5мкс. Поэтому начиная с версии 2.1.1091 контроллеры PLCM формируют задержку 25мкс, что позволяет стабильно работать с драйверами Leadshine.
- michael-yurov
- Почётный участник

- Сообщения: 11731
- Зарегистрирован: 26 июл 2012, 00:10
- Репутация: 4703
- Настоящее имя: Михаил Львович
- Откуда: Новоуральск
- Контактная информация:
Re: Связка PLCM-E3p+PLC4x-G2+Leadshine EM705
Судя по всему так и происходит. Я уже ответил в личке.Nick писал(а):Может блок упралвения выдает слишком короткие импульсы на драйвер, или например параметр dir setup или dir hold не выдерживаются... тогда при смене направления можно получить пропуски.
Скопирую сюда ответ, вдруг, кому пригодится:
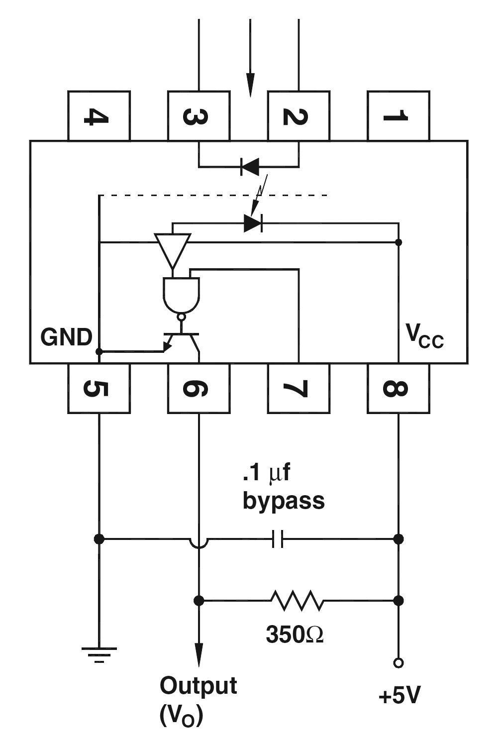
Про увеличение быстродействия входных оптопар драйверов Leadshine.
Как недавно выяснилось - существует проблема совместимости драйверов Leadshine и контроллеров PLCM.
Причина в недостаточном интервале между моментом смены направления (изменения сигнала Dir) и активным фронтом импульсов Step. В драйверах Leadshine активным может быть, как нарастающий фронт, так и спадающий, в зависимости от настроек.
Возможно, проблема в недостаточном интервале после импульса шага и перед изменением направления, а может быть и наоборот - слишком мало время после изменения направления и до ближайшего импульса шага.
В случае с LPT проблем не возникает, т.к. там и частоты ниже, и логика смены направления другая, и интервал настраивается довольно гибко.
Я разобрал свои драйверы AM882, чтобы посмотреть, как организована опторазвязка. На входе Step и Dir стоят одинаковые быстродействующие оптопары 6N137, это хорошо. Резисторы на входе я измерил (между входом Step+ и 2 ножкой микросхемы оптопары), оказалось 270 Ом.
Это значит, что входящий ток будет около 13 мА. Как бы нормально, т.к. допустимо от 5 до 15 мА.
Если поставить дополнительные резисторы на 300 Ом, то получится входящий ток 6,3 мА. Можно это сделать, а можно оставить как есть.
Станет чуть лучше, но не значительно.
Момент второй - для правильной работы оптопары ей нужны нагрузочные резисторы от 350 Ом до 4 кОм.
Рекомендуемый - 1 кОм.
В драйвере почему-то стоят резисторы на 3,6 кОм (отметил на фото).
Проблема в том (см. 8 график в документации), что в случае с нагрузочным резистором в 4 кОм время реакции оптопары будет в 4 раза выше, чем в случае с резистором в 1 кОм.
А в случае с резистором в 350 Ом - время реакции будет еще в 2 раза меньше, чем в случае с 1 кОм.
Т.е. китайцы поставили резисторы слишком высокого сопротивления.
Зачем это сделано - неизвестно. Возможно - это такая маркетинговая хитрость. Т.к. за дополнительную плату можно заказать модификацию этих драйверов с максимальной входной частотой 500 кГц.
Я себе поверх этих резисторов припаял еще резисторы на 1 кОм, получилось итоговое сопротивление 780 Ом Теперь быстродействие входных оптопар будет в несколько раз выше.
Очень советую сделать то же самое. Резисторы можно припаять прямо к к ножкам микросхем (между 6 и 8 ножкой).
И еще! нехороший момент - китайцы зачем то припаяли конденсаторы на выход оптопар (отмечены "?!").
Зачем это они сделали - загадка. Возможно - это ошибка проектировщика, а может быть - такой способ подавления высокочастотных помех.
Дело в том, что в документации в типовой схеме подключения эти конденсаторы нарисованы! Но они обозначают паразитную емкость нагрузки!
И в характеристиках написано, какая паразитная емкость допустима.
Т.е. это емкость, которая вредна, но от нее никуда не деться, она все равно будет. И чем она будет больше - тем тяжелее будет работать оптопаре.
Трогать я ее на всякий случай не стал. Вдруг - и правда зачем то нужна.
Вдруг это такой странный способ подавления помех.
В любом случае, если уменьшить сопротивление нагрузочного резистора, то оптопара будет работать в разы быстрее,
и этот конденсатор тоже будет быстрее заряжаться через меньшее сопротивление.
Я выпаял и измерил емкость этих конденсаторов - оказалось - 35 пФ. Это немного, и емкость почти не будет мешать работе оптопары, так что я на всякий случай вернул конденсатор на место.
В общем - советую тестером измерить сопротивление между 6 и 8 ножками микросхем оптопар, и если там сопротивление более 1 кОм - припаять дополнительные нагрузочные резисторы.
P.P.S. Сейчас попробовал, увеличивать частоту Step.
Если до этого мне приходилось уменьшать длительность импульсов, то сейчас и со стандартной длительность импульсов драйверы корректно воспринимают частоты более 500 кГц!!! (речь не про PLCM, а про KFlop)
А до этого без шаманства с длительностью и скважностью драйверы переставали воспринимать входящий сигнал уже на частоте 150 кГц.
Так что "результат на лицо"!
P.P.P.S. Все эти действия с паяльником стоит производить на полностью отключенном (физически выдернуть все разъемы) драйвере, иначе можно статикой что-нибудь угробить.[/spoiler]
Для начала стоит настроить в драйвере базовые параметры - ток, микрошаг, автонастройку под конкретный мотор произвести.
Последний раз редактировалось michael-yurov 25 июл 2013, 00:40, всего редактировалось 6 раз.
- igor44
- Почётный участник

- Сообщения: 380
- Зарегистрирован: 23 июл 2013, 10:10
- Репутация: 257
- Откуда: Костромская обл.
- Контактная информация:
Re: Связка PLCM-E3p+PLC4x-G2+Leadshine EM705
Так похоже именно в этом и проблема, только как её решать.......???Nick писал(а):Может блок упралвения выдает слишком короткие импульсы на драйвер, или например параметр dir setup или dir hold не выдерживаются... тогда при смене направления можно получить пропуски.
Я до этого момента, вообще сильно не вникал, как всё это происходит, сейчас немного стал понимать суть проблемы, но собственными силами я её не решу. По идее надо всё это проверять на осцилографе или ещё как то.
В общем пока тупик. Хотелось быстро собрать грамотно всю электронику, блоки питания, пускатель, частотник, сделать правильное зазамление, запустить и заниматься любимым делом, а приходится часами проводить в эксперементах.
Сейчас не знаю даже что делать.
Михаил Юров предложил вариант с подключением резисторов на вход Leadshine, видимо придётся заниматься и этими тестами.
А если крутить только в одну сторону, то шаги не теряются?
Завтра попробую, но думаю, что именно в смене направления проблема.
- michael-yurov
- Почётный участник

- Сообщения: 11731
- Зарегистрирован: 26 июл 2012, 00:10
- Репутация: 4703
- Настоящее имя: Михаил Львович
- Откуда: Новоуральск
- Контактная информация:
Re: Связка PLCM-E3p+PLC4x-G2+Leadshine EM705
Я же уже написал, что можно с резисторами на входе ничего не трогать, там они в пределах допустимого.igor44 писал(а):Михаил Юров предложил вариант с подключением резисторов на вход Leadshine, видимо придётся заниматься и этими тестами.
А вот нагрузочные резисторы у оптопар нужно уменьшить в первую очередь.
Даже если бы данной проблемы не было - все равно не повредит.
Сначала стоит сделать это, а потом уже разными экспериментами заниматься.
А то так можно долго ходить вокруг да около, а результата так и не будет.
- igor44
- Почётный участник

- Сообщения: 380
- Зарегистрирован: 23 июл 2013, 10:10
- Репутация: 257
- Откуда: Костромская обл.
- Контактная информация:
Re: Связка PLCM-E3p+PLC4x-G2+Leadshine EM705
Сейчас ещё раз произвёл эти действия......запустил тест. Но уже потерял надежду на положительный результат(((michael-yurov писал(а): Для начала стоит настроить в драйвере базовые параметры - ток, микрошаг, автонастройку под конкретный мотор произвести.
- Nick
- Мастер
- Сообщения: 22776
- Зарегистрирован: 23 ноя 2009, 16:45
- Репутация: 1735
- Заслуга: Developer
- Откуда: Gatchina, Saint-Petersburg distr., Russia
- Контактная информация:
Re: Связка PLCM-E3p+PLC4x-G2+Leadshine EM705
Ого, это полноценная сатья! И чего ты ее в споилер спрятал?!?michael-yurov писал(а):Скопирую сюда ответ, вдруг, кому пригодится
ЗЫ + медалька
- igor44
- Почётный участник

- Сообщения: 380
- Зарегистрирован: 23 июл 2013, 10:10
- Репутация: 257
- Откуда: Костромская обл.
- Контактная информация:
Re: Связка PLCM-E3p+PLC4x-G2+Leadshine EM705
Я как раз сегодня купил десяток резисторов 1кОм, только вот такую тонкую пайку, я наверное не смогу сделать.michael-yurov писал(а):Я себе поверх этих резисторов припаял еще резисторы на 1 кОм, получилось итоговое сопротивление 780 Ом Теперь быстродействие входных оптопар будет в несколько раз выше.Очень советую сделать то же самое. Резисторы можно припаять прямо к к ножкам микросхем (между 6 и 8 ножкой).
Как лучше паять.......может с обратной сторны печатной платы?
- michael-yurov
- Почётный участник

- Сообщения: 11731
- Зарегистрирован: 26 июл 2012, 00:10
- Репутация: 4703
- Настоящее имя: Михаил Львович
- Откуда: Новоуральск
- Контактная информация:
Re: Связка PLCM-E3p+PLC4x-G2+Leadshine EM705
Ну я уже отправлял Игорю это, поэтому не стал тут во втором же сообщении пол страницы занимать.
Да и не совсем научно там все написано.
Хотел отказаться от медальки, а сейчас смотрю - так красиво висит... жалко отдавать.
Тогда я статьейку подкорректирую, пока не поздно и из спойлера вытащу.
У меня возникала подобная проблема с килофлопом, когда я пытался высокие частоты на драйвер подавать. Оптопара просто не справлялась, хотя, казалось бы она должна стабильно работать на частотах до 1 МГц.
Я уменьшил скважность импульсов до 15% и тогда удалось значительно поднять максимальную частоту, но все же это как-то неправильно.
Я грешил на отсутствие нормальной интерфейсной платы и токоусиливающих элементов (у килофлопа выход с открытым коллектором, т.е. ток нарастает быстро, а спадает медленно).
Да и не совсем научно там все написано.
Хотел отказаться от медальки, а сейчас смотрю - так красиво висит... жалко отдавать.
Тогда я статьейку подкорректирую, пока не поздно и из спойлера вытащу.
У меня возникала подобная проблема с килофлопом, когда я пытался высокие частоты на драйвер подавать. Оптопара просто не справлялась, хотя, казалось бы она должна стабильно работать на частотах до 1 МГц.
Я уменьшил скважность импульсов до 15% и тогда удалось значительно поднять максимальную частоту, но все же это как-то неправильно.
Я грешил на отсутствие нормальной интерфейсной платы и токоусиливающих элементов (у килофлопа выход с открытым коллектором, т.е. ток нарастает быстро, а спадает медленно).
- Nick
- Мастер
- Сообщения: 22776
- Зарегистрирован: 23 ноя 2009, 16:45
- Репутация: 1735
- Заслуга: Developer
- Откуда: Gatchina, Saint-Petersburg distr., Russia
- Контактная информация:
Re: Связка PLCM-E3p+PLC4x-G2+Leadshine EM705
Главное доступно написано, что даже я понялmichael-yurov писал(а):Да и не совсем научно там все написано.
Мне как-то тоже не понравилась скважность в 50%... (на месе можно устанавливать длинну импульса, если драйвер ловит шаги от 5мкс, то зачем делать их сильно длиннее?)michael-yurov писал(а):У меня возникала подобная проблема с килофлопом, когда я пытался высокие частоты на драйвер подавать. Оптопара просто не справлялась, хотя, казалось бы она должна стабильно работать на частотах до 1 МГц.
Я уменьшил скважность импульсов до 15% и тогда удалось значительно поднять максимальную частоту, но все же это как-то неправильно.
- michael-yurov
- Почётный участник

- Сообщения: 11731
- Зарегистрирован: 26 июл 2012, 00:10
- Репутация: 4703
- Настоящее имя: Михаил Львович
- Откуда: Новоуральск
- Контактная информация:
Re: Связка PLCM-E3p+PLC4x-G2+Leadshine EM705
Я с данной проблемой столкнулся, когда свой фильтр проверял. Драйвер быстро скис при скважности 50%. Я поэтому добавил возможность переключения на скважность 25%/75%.Nick писал(а):Мне как-то тоже не понравилась скважность в 50%... (на месе можно устанавливать длинну импульса, если драйвер ловит шаги от 5мкс, то зачем делать их сильно длиннее?)
Вот тут внизу на картинке видно.
- michael-yurov
- Почётный участник

- Сообщения: 11731
- Зарегистрирован: 26 июл 2012, 00:10
- Репутация: 4703
- Настоящее имя: Михаил Львович
- Откуда: Новоуральск
- Контактная информация:
Re: Связка PLCM-E3p+PLC4x-G2+Leadshine EM705
Так, если у тебя резисторы с выводами, то припаяй их прямо к ножкам микросхем. К 8 и 6 ножкам.igor44 писал(а):Я как раз сегодня купил десяток резисторов 1кОм, только вот такую тонкую пайку, я наверное не смогу сделать.
Как лучше паять.......может с обратной сторны печатной платы
Измерь сначала сопротивление между ними, если там действительно много, то однозначно нужно припаять.
Никаких негативных последствий в случае, если все правильно и аккуратно припаяно - не будет.
- igor44
- Почётный участник

- Сообщения: 380
- Зарегистрирован: 23 июл 2013, 10:10
- Репутация: 257
- Откуда: Костромская обл.
- Контактная информация:
Re: Связка PLCM-E3p+PLC4x-G2+Leadshine EM705
Спасибо Михаил.michael-yurov писал(а):Так, если у тебя резисторы с выводами, то припаяй их прямо к ножкам микросхем. К 8 и 6 ножкам.
Измерь сначала сопротивление между ними, если там действительно много, то однозначно нужно припаять.
Никаких негативных последствий в случае, если все правильно и аккуратно припаяно - не будет.
Буду пробовать.
Сейчас после настроек переключателем на двигатель.......геометрические ступеньки отработал нормально, сейчас рельеф заканчивает тестить. Если будет ошибка, начну разбирать драйвер)))
- michael-yurov
- Почётный участник

- Сообщения: 11731
- Зарегистрирован: 26 июл 2012, 00:10
- Репутация: 4703
- Настоящее имя: Михаил Львович
- Откуда: Новоуральск
- Контактная информация:
Re: Связка PLCM-E3p+PLC4x-G2+Leadshine EM705
Получил сейчас посылочку с драйверами Leadshine DM442.
Разобрал, посмотрел. Входной каскад выполнен точно так же - микросхемы 6N137, и нагрузочные резисторы на 3 кОм.
Т.е. ситуация точно такая же.
P.S. Качество изготовления леадшайновских драйверов радует.
На фото почти не видно, но разница с безымянными (такими, как WantMotor и LongsMotors) китайскими драйверами огромная.
Разобрал, посмотрел. Входной каскад выполнен точно так же - микросхемы 6N137, и нагрузочные резисторы на 3 кОм.
Т.е. ситуация точно такая же.
P.S. Качество изготовления леадшайновских драйверов радует.
На фото почти не видно, но разница с безымянными (такими, как WantMotor и LongsMotors) китайскими драйверами огромная.
- igor44
- Почётный участник

- Сообщения: 380
- Зарегистрирован: 23 июл 2013, 10:10
- Репутация: 257
- Откуда: Костромская обл.
- Контактная информация:
Re: Связка PLCM-E3p+PLC4x-G2+Leadshine EM705
Я тоже разобрал один драйвер ЕМ_705. (на фото)
Оптопара у меня А 6N137. буква А, что нибудь значит?
И самое интересное........между ножками 6 и 8 у меня сопративление 1 кОм.......!
Мерял правда китайским цифровым прибором.
Может производитель обнаружил проблему о которой писал Михаил.........
Но тогда в чём у меня проблема?
Оптопара у меня А 6N137. буква А, что нибудь значит?
И самое интересное........между ножками 6 и 8 у меня сопративление 1 кОм.......!
Мерял правда китайским цифровым прибором.
Может производитель обнаружил проблему о которой писал Михаил.........
Но тогда в чём у меня проблема?
- michael-yurov
- Почётный участник

- Сообщения: 11731
- Зарегистрирован: 26 июл 2012, 00:10
- Репутация: 4703
- Настоящее имя: Михаил Львович
- Откуда: Новоуральск
- Контактная информация:
Re: Связка PLCM-E3p+PLC4x-G2+Leadshine EM705
Буква А роли не играет.
Может между неправильными ножками измерил?
Проверь в обратном направлении тоже.
Проверь тестер на резисторе. Может штекеры тестера не туда воткнул?
У тебя стоят резисторы по 3 кОм - [302] P.S. Интересную штуку обнаружил - судя по всему в драйверах на входе стоит мультиплексор/демультиплексор (аналоговый почему-то) LV4052A.
Как я понял - это микросхемка разделяет импульсы Step на CW и CCW. И, получается, что микроконтроллеру уж не придется делать лишнюю работу контролируя состояние входа Dir.
А раз микроконтроллер способен воспринимать входящие частоты до 500 кГц, то после этой простейшей доработки (я про нагрузочные резисторы) можно смело использовать драйвер на высоких частотах и не опасаться за потерю импульсов при смене направления.
Возьму ка я себе на заметку такое интересное решение.
Может между неправильными ножками измерил?
Проверь в обратном направлении тоже.
Проверь тестер на резисторе. Может штекеры тестера не туда воткнул?
У тебя стоят резисторы по 3 кОм - [302] P.S. Интересную штуку обнаружил - судя по всему в драйверах на входе стоит мультиплексор/демультиплексор (аналоговый почему-то) LV4052A.
Как я понял - это микросхемка разделяет импульсы Step на CW и CCW. И, получается, что микроконтроллеру уж не придется делать лишнюю работу контролируя состояние входа Dir.
А раз микроконтроллер способен воспринимать входящие частоты до 500 кГц, то после этой простейшей доработки (я про нагрузочные резисторы) можно смело использовать драйвер на высоких частотах и не опасаться за потерю импульсов при смене направления.
Возьму ка я себе на заметку такое интересное решение.
Последний раз редактировалось michael-yurov 26 июл 2013, 04:07, всего редактировалось 1 раз.
- Сергей Саныч
- Мастер
- Сообщения: 9116
- Зарегистрирован: 30 май 2012, 14:20
- Репутация: 2858
- Откуда: Тюмень
- Контактная информация:
Re: Связка PLCM-E3p+PLC4x-G2+Leadshine EM705
В КМОП-схемах это (аналоговый ключ вместо цифрового) очень распространенный подход.michael-yurov писал(а):аналоговый почему-то
Чудес не бывает. Бывают фокусы.
- Serg
- Мастер
- Сообщения: 21923
- Зарегистрирован: 17 апр 2012, 14:58
- Репутация: 5183
- Заслуга: c781c134843e0c1a3de9
- Настоящее имя: Сергей
- Откуда: Москва
- Контактная информация:
Re: Связка PLCM-E3p+PLC4x-G2+Leadshine EM705
Странное решение. например применение для этого 7400 было-бы и дешевле и компактнее.
Я не Христос, рыбу не раздаю, но могу научить, как сделать удочку...
- michael-yurov
- Почётный участник

- Сообщения: 11731
- Зарегистрирован: 26 июл 2012, 00:10
- Репутация: 4703
- Настоящее имя: Михаил Львович
- Откуда: Новоуральск
- Контактная информация:
Re: Связка PLCM-E3p+PLC4x-G2+Leadshine EM705
Вот и я тоже подумал.UAVpilot писал(а):Странное решение. например применение для этого 7400 было-бы и дешевле и компактнее.
А еще я боюсь, что при таком способе могут быть проблемы с моментом переключения сигнала Dir, т.к. тогда может появиться паразитный шаг в момент смены направления, если источник генерирует шаги не совсем правильно, или неправильно настроен активный фронт/уровень импульсов Step.
Хотя, с конкретной реализацией в этих драйверах я не разбирался.
Но если проблема потери координат останется даже после уменьшения нагрузочных резисторов, то причина в некорректной смене направления пурелоджиковским контроллером.
Хотя, если уж проблема проявилась и со SmoothStepper, то скорее всего дело в недостаточном быстродействии входного каскада драйверов.
