Блин, это настолько гениально, что мне стыдно как я до этого не додумался
Портальный фрезер по металлу 600х400х170 по смешанной технологии (Граф+Frezeruga) открытый проект
- niksooon
- Мастер
- Сообщения: 2144
- Зарегистрирован: 23 июн 2014, 23:18
- Репутация: 1207
- Откуда: Кашира
- Контактная информация:
Re: Портальный фрезер по металлу 600х400х170 по смешанной технологии (Граф+Frezeruga) открытый проект
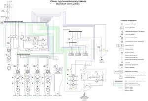
Любопытства ради- а что за рисовалка использовалась с такой базой электроустановочных изделий?
Сделанное правильно — красиво. Если сделанное тебе не нравится — то и работать оно будет хреново. Перевари, пересверли, выпили заново — ну, или хотя бы покрась.
-
Jonsonsh
- Кандидат
- Сообщения: 97
- Зарегистрирован: 25 ноя 2020, 20:30
- Репутация: 9
- Настоящее имя: Евгений
- Контактная информация:
Re: Портальный фрезер по металлу 600х400х170 по смешанной технологии (Граф+Frezeruga) открытый проект
Да это от безысходности, ибо найти где фрезернуть станину такого размера я не нашел за вменяемые деньги, поэтому задумка такая появилась, в идеале должно получиться (летом надеюсь увидим результат, тут либо ишак сдохнет либо император
Последний раз редактировалось Jonsonsh 10 фев 2024, 02:32, всего редактировалось 2 раза.
-
Jonsonsh
- Кандидат
- Сообщения: 97
- Зарегистрирован: 25 ноя 2020, 20:30
- Репутация: 9
- Настоящее имя: Евгений
- Контактная информация:
Re: Портальный фрезер по металлу 600х400х170 по смешанной технологии (Граф+Frezeruga) открытый проект
Это обычный автокад (если речь про установку оборудования в шкафу), сейчас очень многие фирмы производители дают либо черетжи в DWG либо в STEP (эти я отрываю в solidworks, а потом через чертеж делаю проекции нужных видов и сохраняю в DWG), но некоторых нет, приходиться вычерчивать вручную, например контактор Systeme electrica, я перечертил с оригинала который купил. Что касается деталей используемых в проекте, то часть я сам вычерчивал по чертежам, где-то снимал размеры ручную.
3D базу я не обновлял с того года (надо обновить), а схему однолинейную и чертеж установки оборудования в шкафу выкладываю в папку обмена на mail.ru (ссылка указана в первом посте).
-
Jonsonsh
- Кандидат
- Сообщения: 97
- Зарегистрирован: 25 ноя 2020, 20:30
- Репутация: 9
- Настоящее имя: Евгений
- Контактная информация:
Re: Портальный фрезер по металлу 600х400х170 по смешанной технологии (Граф+Frezeruga) открытый проект
Считается что эпоксидка дает усадку и может размегчаться, но народ пользует, причем даже много, вот интересный пример: https://www.youtube.com/watch?v=aw0pM_uV1kw
https://www.youtube.com/watch?v=sYhDtuq ... N_3iJr7uam
У кого что и как получилось, по большей части можно узнать только на личном опыте.
https://www.youtube.com/watch?v=sYhDtuq ... N_3iJr7uam
У кого что и как получилось, по большей части можно узнать только на личном опыте.
-
nevkon
- Почётный участник

- Сообщения: 2477
- Зарегистрирован: 17 июл 2015, 10:25
- Репутация: 310
- Настоящее имя: Константин
- Откуда: Балаково (Саратовская обл.)
- Контактная информация:
Re: Портальный фрезер по металлу 600х400х170 по смешанной технологии (Граф+Frezeruga) открытый проект
Одно только выставление рельс по угольнику чего стоит. Мега точный метод. Хотя как-то оно точно будет работать.
-
Argentum47
- Мастер
- Сообщения: 911
- Зарегистрирован: 05 июн 2015, 10:00
- Репутация: 110
- Откуда: Саратов
- Контактная информация:
-
Jonsonsh
- Кандидат
- Сообщения: 97
- Зарегистрирован: 25 ноя 2020, 20:30
- Репутация: 9
- Настоящее имя: Евгений
- Контактная информация:
Re: Портальный фрезер по металлу 600х400х170 по смешанной технологии (Граф+Frezeruga) открытый проект
кто его знает, в этом видео интересен сам подход к заливке смолой ну и конструкция любопытная.Argentum47 писал(а): ↑19 фев 2024, 11:39 это ладно, вот что он пытался вымерять индикатором, прокатывая его по той же рельсе, на которой индикатор стоит?
В общем пришел я для себя к согласию и разрисовал я схему установки оборудования в шкафу (франкенштейн из двух шкафов) и сделал однолинейную монтажную схему (не все по правилам, я слаботочник, но старался приблизить к правильному отображению):
1. Схема размещения оборудования в шкафу - в малом шкафу силовая часть основная, в большом серводрайверы, частотник и контроллер с коммутацией), охлаждение сбоку слева вдув, сбоку справа сверху выдув, дополнительный вентилятор снизу в большом отсеке предусмотрен, будет выпилено отверстие, но туда можно будет всегда заглушку аккуратную сделать (общий принцип - кол-во вдуваемого воздуха должно быть больше выдуваемого, чтобы создать избыточное давление внутри шкафа), на всех вентиляционных отверстиях решетка 150х150 с фильтром. 2. Схема однолинейная монтажная - схема линий 220В, слаботочка будет рисоваться отдельно. Принцип - вводной автомат С32А, контактор с разбросом на 3 группы потребителей (нужен чтобы организовать включение кнопкой ПУСК-СТОП), 1 группа - чатстотник, шпиндель, 2 группа - сервоприводы, 3 группа - БП, розетки помпы и компрессора. Индикация и кнопки на дверце шкафа (подключение через клеммные колодки, так правильней) - индикация питания 220В на частотник (контроль после автомата), сервоприводы (контроль подачи питания после EMI фильтров), вентиляторов (контроль после автомата), помпы (контроль после схемы управления), компрессора (контроль после автомата). Дополнительно предусматривается переключение управления помпой с автоматического на ручное (принудительное) через 2-х полюсный переключатель. Автоматы поставил не дешевые (в некотором смысле понты для себя любимого) - IEK ARMAT (по тестам не хуже ABB). В челом конечно на шкафу и управление можно было сильно сэкономить (как говориться кто-то собирает еще, а кто-то работает) и обойтись намного дешевле (самый дешевый шкаф, один автомат, без индикации и т.п.), но поскольку собираю для себя и хочу сделать некий идеал (для собственного самоудовлетворения), то стараюсь сделать красиво, надежно, и удобно. Обновил все файлы в папке обмена на mail.ru (ссылка в 1-м посте), а также обновил файл затрат (слезы катяться их глаз при его просмотре
-
Duhas
- Мастер
- Сообщения: 1961
- Зарегистрирован: 10 окт 2015, 23:25
- Репутация: 285
- Настоящее имя: Андрей
- Откуда: Красноярск
- Контактная информация:
Re: Портальный фрезер по металлу 600х400х170 по смешанной технологии (Граф+Frezeruga) открытый проект
прямолинейность ее установки, если рельс куда то уходит показание будет меняться, т.к. каретка отстает от щупа индикатора, на сколько удобный метод не скажу, но рабочийArgentum47 писал(а): ↑19 фев 2024, 11:39 это ладно, вот что он пытался вымерять индикатором, прокатывая его по той же рельсе, на которой индикатор стоит?
-
Jonsonsh
- Кандидат
- Сообщения: 97
- Зарегистрирован: 25 ноя 2020, 20:30
- Репутация: 9
- Настоящее имя: Евгений
- Контактная информация:
Re: Портальный фрезер по металлу 600х400х170 по смешанной технологии (Граф+Frezeruga) открытый проект
Решился наконец обновить форум, на сегодняшний день ситуация такова:
Общий вид станка такой сейчас В 1-м посте обновил ссылку (содержимое) на сборку в solidworks и и сами файлы в каталоге (там в расшаренной папке еще обновленные данные по установке оборудования в шкафу, схемам коммутации и спецификации закупок)
1. Начнем с изменений в проекте (в целом их не много, но есть):
1.1 Всё-таки решил добавить опоры а колесики сдвинуть - паспортная нагрузка на колесо 280 кг, на 4 шт рекомендованная 500 кг, да и то что в них есть определенных люфт мне не нравиться, поэтому решил все-таки поставить полноценные опоры (900 кг на опору), а колеса сохранить для перекатывания. Вес станка целиком порядка 480 выходит по данным Solidworks (сейчас модель весит 388 кг, но еще свои 90 наберет как с куста, если не более выйдет - это полный вес со сварной столешницей под станок), так что колесики по идее будут работать на пределе указанного веса и и даже можно сказать за гранью, поэтому кататься на них аккуратно и потом по месту сразу на опоры загонять. 1.2 Для смазки кареток и гайки ШВП по оси Х решил дополнительно сделать окна в листах боковой защиты на Х, это обеспечит беспрепятственный прямой доступ к тавотницам с каждой стороны оси Х, если по какой-то причине не получиться вывести шланги смазки через опоры портала Y (на картинке отверстия планируемые для вывода трубок выделены красным), в любом случае окна лишними не будут, это позволит оценивать обстановку внутри без снятия ленточной защиты Х. 1.3 Для смазки кареток оси Y и гайки ШВП на портале также пересмотрел подход, первоначально планировалось откидывать ленту для доступа к тавотницам, ибо из-за ленточной защиты Z, трубки через основание Z прокидывать скажем не возможно, максимум 1-2 трубки и то есть свои сложности, поэтому поступил следующим образом - переделал прижимы ленты защиты (сразу скажу, что самый эффективный способ прижима ленты это прижимать не саму ленту, а держатель который ленту зажимает, только в этом случае лента не топорщиться и это еще и намного удобней), поставил уголок в качестве основного элемента и сверху на него жестко крепиться прижимная пластина которая зажимает ленту, к Z лента крепиться через уголок. Концы и уголка и ленты имеют скосы (верхнюю пластину нужно фрезеровать), это для того чтобы выполнить два условия, 1-е - зажать ленту и вывести ее край вровень с нижним основанием уголка, чтобы она плотно прилегала к пластинам защиты (верхней и нижней), 2-е - по толщине нужно уписаться в общую толщину с зажатой лентой в 8 мм максимум, поскольку вырез в боковине портала шириной 10 мм (думаю придется его чуть расширить, хотя бы +1мм наружу, в идеале +2мм, но это чуть уменьшит жесткость передней опорной колонны в ноге боковины портала). С защитой вообще все не так просто, там вымеряться нужно в пределах 0,5 мм, в том числе и по выставлению роликов, это так к сведению. 1.4 На Z еще не делал вывод под смазку, но думаю скорее всего пойду по пути X и сделаю окна в боковинах защиты для доступа к тавотницам, это просто самое простое решение будет я полагаю.
1.5 По оси Z переработки не большие - для установки опоры ШВП изначально был карман под опору, теперь полная площадка (выделенное красным срезалось вровень с высотой установки опоры), это потребовалось для того, чтобы подлезть туда шабером при необходимости, поскольку в карман который был раньше вообще не подлезть было никак. Также о обратной стороны основной пластины Z сделал выборку 0,3 мм чтобы оставить выше только поверхности прижимающиеся к переходной пластине на Y, это для того чтобы потом пришабрить только их, а не мумукаться с выводом всей поверхности пластины (сильно облегчил себе жизнь при юстировке станка). 1.6 Увеличил диаметры отверстий под головку винтов на 1 мм и на 0,5 мм внутренние диаметры отверстий на боковинах портала Y и боковинах балок Х - это сделано потому, что это в Solidworks все сходиться по размерам, а в жизни начинают еще добавляться свои особенности, в частности, нарезка резьбы может быть с наклоном и чуть смещена, сами профили имели винт и когда их выровняли, по факту получилось что профиль ровный, а отверстия сместились, из за чего боковины на место встают, но они выбирают изначальные люфты по отверстиям и встают с упором в болты, т.е. создается ситуация когда юстировать их становиться невозможно, тем более что нужно выставить не только геометрию правильно на боковинах, но еще в них ставятся фланцевые опоры ШВП, а тут нужно иметь тоже запас для юстировки, соответсвенно пришлось по новой переделывать отверстия (на фрезере выставили заготовки и по новой расточили карманы для головок болтов), в общем имейте этот момент ввиду. Еще когда собирал портал Y видать как-то сместил неточно основания для установки рельс, короче говоря каретки в отверстия в боковинах портала проходили по верху прям вообще впритык, а снизу был зазор в 2 мм, короче их тоже расточили на 2мм вверх. 1.7 На Z еще столкнулся с такими моментами - заказывал себе на Z ШВП C5 TBI с одинарной гайкой, она так и пришла, только гайка пришла хоть и одинарная, но увеличенной длинны (есть такие гайки оказывается, она по длине чуть меньше чем двойная, 85 мм), это конечно здорово, но я как-то не придал этому значения пока не фрезернул основную плиту Z и увидел что мне теперь нужно что-то переделывать в компоновке плиты подвижной части Z поскольку вылезли 2 момента: 1-й - из-за длины гайки она обеспечивала меньший ход по ШВП (лишние 45 мм куда-то нужно девать теперь и ШВП пришло той длинны которую заказывал, а заказывал по размерам из расчета на стандартную гайку), 2-й у меня потерялись 45 мм хода по оси Z что не позволяет поднимать шпиндель на ту высоту которую планировал изначально при первой компоновке. В итоге, максимально поджав все хода гайки к опорам, смог сделать приемлемые для себя 200мм хода. Вот и думай радоваться или плакать, с одной стороны дорогая ШВП точностью C5 да еще с увеличенной гайкой (она жестче и люфты поменьше), но другой стороны потерял часть хода, но тут другая хохма еще вылезла, о ней ниже.
Еще изменил форму пластины под серву и удлинил за счет этого рельсы, они конечно там не используются, но зато позволяют сохранить рельсы подлиннее на всякий случай.
1.8 Хохма - имеющийся шпиндель оказался маловат по длине и поэтому пришлось его выдвигать по самое не хочу, чтобы улучшить ситуацию, нужен шпиндель типа GDK 80, он значительно длиннее и зажмётся лучше, но я пока довольствуюсь тем что есть, тут как бы даже имеющийся шпиндель по факту поднимется чуть повыше, по это уже после того как он закончить обрабатывать основную столешницу и Т слот, но до этого момента ему придется висеть так жестко низко с креплением почти за верхний край. Шпиндель планирую поменять, но это пока только планы. Подвижную пластину ниже не сделать, красными линиями показано расстояние до ее опускания в крайнем положении и верхней точкой защиты балки Х, т.е. если ее удлинить, то сразу потеряешь минимум 100 мм поля по Y. Да шпиндель так низко обычно не ставят, если работают с тисками например, но у меня планируется обработка листовых материалов как основного вида, поэтому нужно шпиндель выдвигать вниз до предела. Пока так в общем, если появиться шпиндель с АТС когда-нибудь то там будет проще, так как он высоко поднимается и оправки там есть классные для работы с большим выносом инструмента вниз, но это пока мечты. 1.9 После того как в прошлый раз у меня выгнуло профиля столешницы Х в месте крепления болтов к балкам Х, я понял что надо менять компоновку, в результате на стол из профилей кинул 20мм листы Д16Т (3 части вышло) с креплением основных профилей столешницы и к этим пластинам и к профилям одновременно, т.е. отверстия чередуются 2 к профилю, 2 к столешнице и так по кругу через один, единственно что я сделал их расположение линейное, а более правильно было бы сделать наверно шахматкой, но уже облом, пластины фрезернули. В последствии, есть задумка эти пластины использовать для изготовления терки под шкурку для выравнивания под пластины основания из профилей, так как я притер только на столешнице места под балки, в общем что из этого получиться, надеюсь увидим с конце сентября (делаю второй заход в отпуск)
2. Что удалось сделать руками: 3. Касательно смазки - для сведения, на каретках HIWIN 20 и 25 тавотницы М6х0,75, а на гайках ШВП М6х1. В общем гайки ШВП самые сложные для размещения тавотниц, нужны тавотницы или фитинги самые маленькие, я купил несколько видов фитингов, самые крутые и маленькие оказались фитинги PL-М6 (первые на картинке), вторые латунные потребовали еще заказа трубочек для вставки в шланг и они же единственные которые я нашел с резьбой М6х0,75, последние на картинке пластиковые фитинги тоже классные, но они довольно большие по размеру, их далеко не везде вставишь.
Общий вид станка такой сейчас В 1-м посте обновил ссылку (содержимое) на сборку в solidworks и и сами файлы в каталоге (там в расшаренной папке еще обновленные данные по установке оборудования в шкафу, схемам коммутации и спецификации закупок)
1. Начнем с изменений в проекте (в целом их не много, но есть):
1.1 Всё-таки решил добавить опоры а колесики сдвинуть - паспортная нагрузка на колесо 280 кг, на 4 шт рекомендованная 500 кг, да и то что в них есть определенных люфт мне не нравиться, поэтому решил все-таки поставить полноценные опоры (900 кг на опору), а колеса сохранить для перекатывания. Вес станка целиком порядка 480 выходит по данным Solidworks (сейчас модель весит 388 кг, но еще свои 90 наберет как с куста, если не более выйдет - это полный вес со сварной столешницей под станок), так что колесики по идее будут работать на пределе указанного веса и и даже можно сказать за гранью, поэтому кататься на них аккуратно и потом по месту сразу на опоры загонять. 1.2 Для смазки кареток и гайки ШВП по оси Х решил дополнительно сделать окна в листах боковой защиты на Х, это обеспечит беспрепятственный прямой доступ к тавотницам с каждой стороны оси Х, если по какой-то причине не получиться вывести шланги смазки через опоры портала Y (на картинке отверстия планируемые для вывода трубок выделены красным), в любом случае окна лишними не будут, это позволит оценивать обстановку внутри без снятия ленточной защиты Х. 1.3 Для смазки кареток оси Y и гайки ШВП на портале также пересмотрел подход, первоначально планировалось откидывать ленту для доступа к тавотницам, ибо из-за ленточной защиты Z, трубки через основание Z прокидывать скажем не возможно, максимум 1-2 трубки и то есть свои сложности, поэтому поступил следующим образом - переделал прижимы ленты защиты (сразу скажу, что самый эффективный способ прижима ленты это прижимать не саму ленту, а держатель который ленту зажимает, только в этом случае лента не топорщиться и это еще и намного удобней), поставил уголок в качестве основного элемента и сверху на него жестко крепиться прижимная пластина которая зажимает ленту, к Z лента крепиться через уголок. Концы и уголка и ленты имеют скосы (верхнюю пластину нужно фрезеровать), это для того чтобы выполнить два условия, 1-е - зажать ленту и вывести ее край вровень с нижним основанием уголка, чтобы она плотно прилегала к пластинам защиты (верхней и нижней), 2-е - по толщине нужно уписаться в общую толщину с зажатой лентой в 8 мм максимум, поскольку вырез в боковине портала шириной 10 мм (думаю придется его чуть расширить, хотя бы +1мм наружу, в идеале +2мм, но это чуть уменьшит жесткость передней опорной колонны в ноге боковины портала). С защитой вообще все не так просто, там вымеряться нужно в пределах 0,5 мм, в том числе и по выставлению роликов, это так к сведению. 1.4 На Z еще не делал вывод под смазку, но думаю скорее всего пойду по пути X и сделаю окна в боковинах защиты для доступа к тавотницам, это просто самое простое решение будет я полагаю.
1.5 По оси Z переработки не большие - для установки опоры ШВП изначально был карман под опору, теперь полная площадка (выделенное красным срезалось вровень с высотой установки опоры), это потребовалось для того, чтобы подлезть туда шабером при необходимости, поскольку в карман который был раньше вообще не подлезть было никак. Также о обратной стороны основной пластины Z сделал выборку 0,3 мм чтобы оставить выше только поверхности прижимающиеся к переходной пластине на Y, это для того чтобы потом пришабрить только их, а не мумукаться с выводом всей поверхности пластины (сильно облегчил себе жизнь при юстировке станка). 1.6 Увеличил диаметры отверстий под головку винтов на 1 мм и на 0,5 мм внутренние диаметры отверстий на боковинах портала Y и боковинах балок Х - это сделано потому, что это в Solidworks все сходиться по размерам, а в жизни начинают еще добавляться свои особенности, в частности, нарезка резьбы может быть с наклоном и чуть смещена, сами профили имели винт и когда их выровняли, по факту получилось что профиль ровный, а отверстия сместились, из за чего боковины на место встают, но они выбирают изначальные люфты по отверстиям и встают с упором в болты, т.е. создается ситуация когда юстировать их становиться невозможно, тем более что нужно выставить не только геометрию правильно на боковинах, но еще в них ставятся фланцевые опоры ШВП, а тут нужно иметь тоже запас для юстировки, соответсвенно пришлось по новой переделывать отверстия (на фрезере выставили заготовки и по новой расточили карманы для головок болтов), в общем имейте этот момент ввиду. Еще когда собирал портал Y видать как-то сместил неточно основания для установки рельс, короче говоря каретки в отверстия в боковинах портала проходили по верху прям вообще впритык, а снизу был зазор в 2 мм, короче их тоже расточили на 2мм вверх. 1.7 На Z еще столкнулся с такими моментами - заказывал себе на Z ШВП C5 TBI с одинарной гайкой, она так и пришла, только гайка пришла хоть и одинарная, но увеличенной длинны (есть такие гайки оказывается, она по длине чуть меньше чем двойная, 85 мм), это конечно здорово, но я как-то не придал этому значения пока не фрезернул основную плиту Z и увидел что мне теперь нужно что-то переделывать в компоновке плиты подвижной части Z поскольку вылезли 2 момента: 1-й - из-за длины гайки она обеспечивала меньший ход по ШВП (лишние 45 мм куда-то нужно девать теперь и ШВП пришло той длинны которую заказывал, а заказывал по размерам из расчета на стандартную гайку), 2-й у меня потерялись 45 мм хода по оси Z что не позволяет поднимать шпиндель на ту высоту которую планировал изначально при первой компоновке. В итоге, максимально поджав все хода гайки к опорам, смог сделать приемлемые для себя 200мм хода. Вот и думай радоваться или плакать, с одной стороны дорогая ШВП точностью C5 да еще с увеличенной гайкой (она жестче и люфты поменьше), но другой стороны потерял часть хода, но тут другая хохма еще вылезла, о ней ниже.
Еще изменил форму пластины под серву и удлинил за счет этого рельсы, они конечно там не используются, но зато позволяют сохранить рельсы подлиннее на всякий случай.
1.8 Хохма - имеющийся шпиндель оказался маловат по длине и поэтому пришлось его выдвигать по самое не хочу, чтобы улучшить ситуацию, нужен шпиндель типа GDK 80, он значительно длиннее и зажмётся лучше, но я пока довольствуюсь тем что есть, тут как бы даже имеющийся шпиндель по факту поднимется чуть повыше, по это уже после того как он закончить обрабатывать основную столешницу и Т слот, но до этого момента ему придется висеть так жестко низко с креплением почти за верхний край. Шпиндель планирую поменять, но это пока только планы. Подвижную пластину ниже не сделать, красными линиями показано расстояние до ее опускания в крайнем положении и верхней точкой защиты балки Х, т.е. если ее удлинить, то сразу потеряешь минимум 100 мм поля по Y. Да шпиндель так низко обычно не ставят, если работают с тисками например, но у меня планируется обработка листовых материалов как основного вида, поэтому нужно шпиндель выдвигать вниз до предела. Пока так в общем, если появиться шпиндель с АТС когда-нибудь то там будет проще, так как он высоко поднимается и оправки там есть классные для работы с большим выносом инструмента вниз, но это пока мечты. 1.9 После того как в прошлый раз у меня выгнуло профиля столешницы Х в месте крепления болтов к балкам Х, я понял что надо менять компоновку, в результате на стол из профилей кинул 20мм листы Д16Т (3 части вышло) с креплением основных профилей столешницы и к этим пластинам и к профилям одновременно, т.е. отверстия чередуются 2 к профилю, 2 к столешнице и так по кругу через один, единственно что я сделал их расположение линейное, а более правильно было бы сделать наверно шахматкой, но уже облом, пластины фрезернули. В последствии, есть задумка эти пластины использовать для изготовления терки под шкурку для выравнивания под пластины основания из профилей, так как я притер только на столешнице места под балки, в общем что из этого получиться, надеюсь увидим с конце сентября (делаю второй заход в отпуск)
2. Что удалось сделать руками: 3. Касательно смазки - для сведения, на каретках HIWIN 20 и 25 тавотницы М6х0,75, а на гайках ШВП М6х1. В общем гайки ШВП самые сложные для размещения тавотниц, нужны тавотницы или фитинги самые маленькие, я купил несколько видов фитингов, самые крутые и маленькие оказались фитинги PL-М6 (первые на картинке), вторые латунные потребовали еще заказа трубочек для вставки в шланг и они же единственные которые я нашел с резьбой М6х0,75, последние на картинке пластиковые фитинги тоже классные, но они довольно большие по размеру, их далеко не везде вставишь.
- sima8520
- Почётный участник

- Сообщения: 4510
- Зарегистрирован: 24 ноя 2016, 23:35
- Репутация: 1617
- Настоящее имя: Илья
- Откуда: Беларусь, Гомель
- Контактная информация:
Re: Портальный фрезер по металлу 600х400х170 по смешанной технологии (Граф+Frezeruga) открытый проект
шпиндель так нельзя зажимать
- frezeryga
- Почётный участник

- Сообщения: 13713
- Зарегистрирован: 18 авг 2013, 16:08
- Репутация: 5069
- Откуда: Жуковский
- Контактная информация:
Re: Портальный фрезер по металлу 600х400х170 по смешанной технологии (Граф+Frezeruga) открытый проект
теоретически нельзя а практически можно.
email frezeryga@yandex.ru
instagram https://www.instagram.com/frezeryga
telegram https://t.me/md_cnc_frezeryga https://t.me/frezeryga
instagram https://www.instagram.com/frezeryga
telegram https://t.me/md_cnc_frezeryga https://t.me/frezeryga
-
Jonsonsh
- Кандидат
- Сообщения: 97
- Зарегистрирован: 25 ноя 2020, 20:30
- Репутация: 9
- Настоящее имя: Евгений
- Контактная информация:
Re: Портальный фрезер по металлу 600х400х170 по смешанной технологии (Граф+Frezeruga) открытый проект
Знаю что нельзя, но этот шпиндель по другому не зажать пока, он короткий, если разживусь типа gdk-80, то там будет нормально, он длиннее сильно, в идеале автосмена, там оправками достанет. Ещё как вариант для плоского раскроя сделать стол типа вакуумного, тогда шпиндель встанет идеально, а для работы с тисками стол можно будет скидывать.
-
Jonsonsh
- Кандидат
- Сообщения: 97
- Зарегистрирован: 25 ноя 2020, 20:30
- Репутация: 9
- Настоящее имя: Евгений
- Контактная информация:
Re: Портальный фрезер по металлу 600х400х170 по смешанной технологии (Граф+Frezeruga) открытый проект
Либо усиленный ложемент делать чтобы компенсировать вылет шпинделя вниз. Сейчас от низа портала до стола без т-слотов порядка 200 мм
- sima8520
- Почётный участник

- Сообщения: 4510
- Зарегистрирован: 24 ноя 2016, 23:35
- Репутация: 1617
- Настоящее имя: Илья
- Откуда: Беларусь, Гомель
- Контактная информация:
Re: Портальный фрезер по металлу 600х400х170 по смешанной технологии (Граф+Frezeruga) открытый проект
а зачем так низко ось Z опускать. будет жертвенный стол какой то. это минимум +20-30мм. итого глядишь - можно шпин поднять в хомуте
-
evilruff
- Новичок
- Сообщения: 25
- Зарегистрирован: 28 мар 2018, 21:14
- Репутация: 1
- Настоящее имя: Юрий
- Контактная информация:
Re: Портальный фрезер по металлу 600х400х170 по смешанной технологии (Граф+Frezeruga) открытый проект
А можно вот по этому пункту уточниться, то есть в два отверстия снизу через профиль и 20мм лист вкручивается винт в сухарь в профиле X а следующая пара вкручивается сверху через рассверленное в профиле X отверстие, но на какую плоскость в профели опирается шляпка винта в этом случае?Jonsonsh писал(а): ↑11 июл 2024, 18:04 После того как в прошлый раз у меня выгнуло профиля столешницы Х в месте крепления болтов к балкам Х, я понял что надо менять компоновку, в результате на стол из профилей кинул 20мм листы Д16Т (3 части вышло) с креплением основных профилей столешницы и к этим пластинам и к профилям одновременно, т.е. отверстия чередуются 2 к профилю, 2 к столешнице и так по кругу через один
-
Jonsonsh
- Кандидат
- Сообщения: 97
- Зарегистрирован: 25 ноя 2020, 20:30
- Репутация: 9
- Настоящее имя: Евгений
- Контактная информация:
Re: Портальный фрезер по металлу 600х400х170 по смешанной технологии (Граф+Frezeruga) открытый проект
Нет, не так. Грубо говоря у меня 24 прямоугольных профиля стола, с каждой стороны в каждом профиле по 4 отверстия, при этом 2 из них сквозные диаметром 7 мм, а следующая пара с резьбой М6, т.е. первые 2 болта вкручиваются снизу в сухари в профиле, а следующая пара вкручивается тоже снизу, но она вкручивается только в пластину 20мм в те самые М6. Это обусловлено следующим - если нет на профилях пластины 20 мм, то винты тянут верх прямоугольных профилей к балкам профиля 100х100, но сухарь в этих профилях не доходит до самого низа паза в балках и получается эффект всасывания одеяла в щель - низ утягивает вверх в свободное пространстьво, а поскольку нижние прямоугольные профиля из достаточно мягкого алюминия, их начинает вытягивать, эффект на фото выше был показат (нидно как паз от балки отпечатался на нижних профилях стола. Если ставить промежуточную пластину 20 мм, то нижние профиля прилегают своей верхней плоскостью к плоскости пластины 20мм и вытягиваться не могут из за толщины (пластину Д16Т в щель уже не засосать). Это вынужденная мера, ну конечно если больты сильно не затягивать (я хорошо протягиваю), то можно обойтись без верхней пластины 20 мм, т.е. тянуть так, чтобы балки притягивались иудерживались на эффекте терния, но при этом не получить эффект всасывания в щель паза 10 мм балок.
-
Jonsonsh
- Кандидат
- Сообщения: 97
- Зарегистрирован: 25 ноя 2020, 20:30
- Репутация: 9
- Настоящее имя: Евгений
- Контактная информация:
Re: Портальный фрезер по металлу 600х400х170 по смешанной технологии (Граф+Frezeruga) открытый проект
А если в принцыпе сделать переоценку проекта, то он получается сильно дороже чем купить чугунную станину, станина с полем 400х500 стоит всего 160 тыс, но так это 3 оси готовые и в чугуне, а тут пришлось извести кучу профилей, Д16Т, еще это все изготовить на станке ЧПУ, при этом мне еще бесплатно сделали, а еще нужен профиль на балки основные и на портал, вот и выходит дороже, даже так, а если фрезеровку делать еще и за деньги, то это по деньгам вообще минимум в 2 раза дороже выйдет.
-
Jonsonsh
- Кандидат
- Сообщения: 97
- Зарегистрирован: 25 ноя 2020, 20:30
- Репутация: 9
- Настоящее имя: Евгений
- Контактная информация:
Re: Портальный фрезер по металлу 600х400х170 по смешанной технологии (Граф+Frezeruga) открытый проект
Не хотел выкладывать еще новые фото, но ладно, раз на форум защел покажу мои страдания.
1. Ушел как планировал на дополнительные ноги для столешницы, колеса рулят для передвижения и сейчас (они остались, только сместились), но из-за качки на них из-за люфтом, такие колеса как основные опоры не вариант, но колеса нужны, так можно катать 400 кг по полу. Еще под ножки станка улавливатели думал долго как сделать, фирменные для ОВ-70 стоят по 600 рублей за 1 шт, да и прикрутить их к столешнице с момей конструкцией не удобно, в общем сделал кольца из трубы, прихватил их сваркой по месту, получилось даже лучше. .
2. Профили столешницы я изначально пытался выровнять только сбоку, но после того как появилась идея поставить еще пластину 20мм сверху, так как нижние профили вытягивало при затяжке, то сейчас пришлось уже шкурить всю столешницу, первоначально сделал импрофизированную терку из своего куска гранитной линейки (мне повезло и удалось купить у Георгия кусок 900 мм)
Кадр из видео, видео по ссылке ниже - https://rutube.ru/video/5f88382d885c2c2 ... 20/?r=plwd (youtube умер, выложил на rutube, не знаю как тут предпросмотр включить)
вот так получилось, в общем очень даже неплохо далее, чтобы более равномерно выровнять поверхность, я решил сделать ЦАРЬ ШКУРКУ - на металлический каркас из труб 1400 мм, прикручены выставленные по линейке те самые куски фрезерованных пластин для укладки на столешницу, но поскольку трубы кривые как ни крути, пришлось дополнительно пролить их эпаоксидкой с наполнителем и уложив сверху плиты выставленные заранее по установчным болтам ждать пока застынет, после чего плиты оторвались и уже прикручивась к этим выровненным поверхностям болтами и проверялиьс вновь по линейке, ну и на них потом натягивалась шкурка, короче получилось ЭТО (тяжелая пиз...): В одного это шоркать реально сил надо немерянно, а поскольку я один (не кому помочь
) приходилось бегать из стороны в сторону:
Кадр из видео, видео по ссылке ниже Пока так вот получилось. Пластины 20мм неа стол легли хорошо по началу, при стуке по ним звук был глухой, а когда их притянул, звук стал более звонким, стачит пластины притянулись и нахотятся в напряжении (сами пластины хоть и фрезерованные, но не супер ровно, перепады в 5-7 соток, также думаю есть некоторое скручивание). Профиля балок 100х100 увез увез в Питер, в Омске их фрезернуть не получилось.
https://rutube.ru/video/797fedba78effc2 ... bb/?r=plwd (youtube умер, выложил на rutube, не знаю как тут предпросмотр включить)
3. Попутно получилось еще сделать детали некоторые - подвижная часть Z и крепление сервы на Z (фото не сделал к сожалению).
4. За лето в свободное время собрал шкаф для станка, к сожалению только силовую часть получилось закончить, ну и все отверстия сделать - под разъемы, вентиляторы и лампы. Сверлить ступенчатым сверлом хороший шкаф (шкафы ДКС ил нормального металла) это удовольствие ниже среднего, при диаметрах отверстий 22 мм, их крутит только перфоратор, все просверлил что нужно (порядка 35 отверстий), перформатор при этом чуть не умер.
1. Ушел как планировал на дополнительные ноги для столешницы, колеса рулят для передвижения и сейчас (они остались, только сместились), но из-за качки на них из-за люфтом, такие колеса как основные опоры не вариант, но колеса нужны, так можно катать 400 кг по полу. Еще под ножки станка улавливатели думал долго как сделать, фирменные для ОВ-70 стоят по 600 рублей за 1 шт, да и прикрутить их к столешнице с момей конструкцией не удобно, в общем сделал кольца из трубы, прихватил их сваркой по месту, получилось даже лучше. .
2. Профили столешницы я изначально пытался выровнять только сбоку, но после того как появилась идея поставить еще пластину 20мм сверху, так как нижние профили вытягивало при затяжке, то сейчас пришлось уже шкурить всю столешницу, первоначально сделал импрофизированную терку из своего куска гранитной линейки (мне повезло и удалось купить у Георгия кусок 900 мм)
Кадр из видео, видео по ссылке ниже - https://rutube.ru/video/5f88382d885c2c2 ... 20/?r=plwd (youtube умер, выложил на rutube, не знаю как тут предпросмотр включить)
вот так получилось, в общем очень даже неплохо далее, чтобы более равномерно выровнять поверхность, я решил сделать ЦАРЬ ШКУРКУ - на металлический каркас из труб 1400 мм, прикручены выставленные по линейке те самые куски фрезерованных пластин для укладки на столешницу, но поскольку трубы кривые как ни крути, пришлось дополнительно пролить их эпаоксидкой с наполнителем и уложив сверху плиты выставленные заранее по установчным болтам ждать пока застынет, после чего плиты оторвались и уже прикручивась к этим выровненным поверхностям болтами и проверялиьс вновь по линейке, ну и на них потом натягивалась шкурка, короче получилось ЭТО (тяжелая пиз...): В одного это шоркать реально сил надо немерянно, а поскольку я один (не кому помочь
Кадр из видео, видео по ссылке ниже Пока так вот получилось. Пластины 20мм неа стол легли хорошо по началу, при стуке по ним звук был глухой, а когда их притянул, звук стал более звонким, стачит пластины притянулись и нахотятся в напряжении (сами пластины хоть и фрезерованные, но не супер ровно, перепады в 5-7 соток, также думаю есть некоторое скручивание). Профиля балок 100х100 увез увез в Питер, в Омске их фрезернуть не получилось.
https://rutube.ru/video/797fedba78effc2 ... bb/?r=plwd (youtube умер, выложил на rutube, не знаю как тут предпросмотр включить)
3. Попутно получилось еще сделать детали некоторые - подвижная часть Z и крепление сервы на Z (фото не сделал к сожалению).
4. За лето в свободное время собрал шкаф для станка, к сожалению только силовую часть получилось закончить, ну и все отверстия сделать - под разъемы, вентиляторы и лампы. Сверлить ступенчатым сверлом хороший шкаф (шкафы ДКС ил нормального металла) это удовольствие ниже среднего, при диаметрах отверстий 22 мм, их крутит только перфоратор, все просверлил что нужно (порядка 35 отверстий), перформатор при этом чуть не умер.