Проектирую станок с полем 3000x1500. Посоветуйте материал на раму.

Конструкции станков, линейные перемещения, направляющие, передачи.
Jur2001
Новичок
Сообщения: 20
Зарегистрирован: 02 апр 2020, 15:41
Репутация: 3
Контактная информация:

Проектирую станок с полем 3000x1500. Посоветуйте материал на раму.

Сообщение Jur2001 »

Добрый день!
Проектирую любительский станок (т.е. вполне устроит скорость 5 м/мин ) с полем 3000x1500. В качестве несущей конструкции рамы заложил стальную профильную трубу (квадрат) 80х80x4. По калькулятору прогиба его вроде быть почти что не должно быть на длине 3000 даже на двух опорах, но опор-то точно будет больше... Но вот стали терзать сомнения, хватит ли прочности конструкции для такого поля. Не пойдут ли какие-нибудь резонансы и т.п.? Или стоит заложить профиль большего размера? Если есть у кого-нибудь опыт создания станков подобных размеров, поделитесь пожалуйста своим опытом в части создания рамы.
Аватара пользователя
Bioraptor
Мастер
Сообщения: 532
Зарегистрирован: 05 ноя 2018, 22:17
Репутация: 68
Настоящее имя: Дима
Контактная информация:

Re: Проектирую станок с полем 3000x1500. Посоветуйте материал на раму.

Сообщение Bioraptor »

Так фото 3Д чертежа покажи, там уже и понятно будет.
Аватара пользователя
Argon-11
Мастер
Сообщения: 2068
Зарегистрирован: 07 июн 2017, 17:48
Репутация: 461
Контактная информация:

Re: Проектирую станок с полем 3000x1500. Посоветуйте материал на раму.

Сообщение Argon-11 »

Для "любительского" станка сойдет и труба 80x80x4, но надо бы ферму изобразить.
При расчете прогиба следует учитывать вес портала. А он при такой ширине может достигать 200кг (а то и более).
Аватара пользователя
xvovanx
Мастер
Сообщения: 3776
Зарегистрирован: 25 фев 2016, 12:27
Репутация: 920
Настоящее имя: Владимир
Откуда: Latvia
Контактная информация:

Re: Проектирую станок с полем 3000x1500. Посоветуйте материал на раму.

Сообщение xvovanx »

Jur2001 писал(а): Проектирую любительский станок (т.е. вполне устроит скорость 5 м/мин ) с полем 3000x1500
Главное не указали, что обрабатывать то планируете пенопласт, фанеру, алюминий?
Jur2001
Новичок
Сообщения: 20
Зарегистрирован: 02 апр 2020, 15:41
Репутация: 3
Контактная информация:

Re: Проектирую станок с полем 3000x1500. Посоветуйте материал на раму.

Сообщение Jur2001 »

надо бы ферму изобразить.
Это само собой..
Так фото 3Д чертежа покажи, там уже и понятно будет.
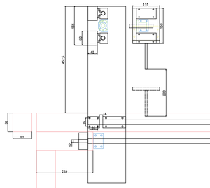
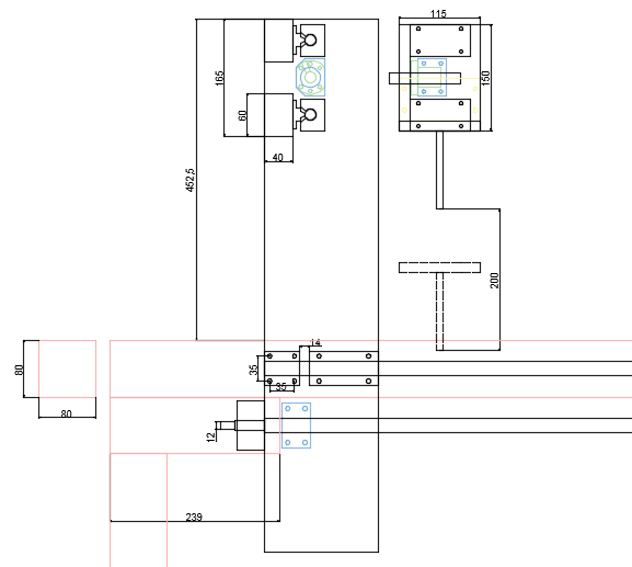
3D пока в планах на изучение, но собираюсь воплотить что-то по образу и подобию вот этого девайса с промежуточными опорами ШВП.
https://www.youtube.com/watch?v=6-SHK6a ... jSLc7o9DkU
В 2d есть пока только эскиз
for_cnc.PNG (6075 просмотров) <a class='original' href='./download/file.php?id=190962&mode=view' target=_blank>Загрузить оригинал (18.77 КБ)</a>
По оси Y предполагается профиль 60x40 тоже ферма. Портал - листовая сталь 4 с усилением уголками 30x30 или 40x40.
ШВП X - d20, рельсы d20
ШВП Y - d16, рельсы d16
Перемещение по Z выписано в сборе у китайских товарищей.
Главное не указали, что обрабатывать то планируете пенопласт, фанеру, алюминий?
В основном, предел мечтаний - мебельный щит. В т.ч. твердых пород. Фанеру - да, иногда. Алюминий... Ну может быть, но редко.
Аватара пользователя
Argon-11
Мастер
Сообщения: 2068
Зарегистрирован: 07 июн 2017, 17:48
Репутация: 461
Контактная информация:

Re: Проектирую станок с полем 3000x1500. Посоветуйте материал на раму.

Сообщение Argon-11 »

Можете ознакомиться с моей темой
viewtopic.php?t=16575
габариты и назначение похожие.
Но повторять лучше не надо - я там излишне заморочился, можно было проще.
Lir
Новичок
Сообщения: 9
Зарегистрирован: 07 авг 2020, 19:25
Репутация: 3
Контактная информация:

Re: Проектирую станок с полем 3000x1500. Посоветуйте материал на раму.

Сообщение Lir »

Jur2001 писал(а): В основном, предел мечтаний - мебельный щит. В т.ч. твердых пород. Фанеру - да, иногда. Алюминий... Ну может быть, но редко.
Чем дело то закончилось? Проект реализован? Какие решения выполнены при постройке?
Ответить

Вернуться в «Механика»