StepMaster ver 2.5

Контроллеры, драйверы, датчики, управляющие устройства.
lkbyysq
Мастер
Сообщения: 2284
Зарегистрирован: 14 май 2016, 09:40
Репутация: 346
Настоящее имя: Станислав Ерофеев
Откуда: Санкт-Петербург

Re: StepMaster ver 2.5

Сообщение lkbyysq »

manyakNT писал(а): работает, но некорректно в обратную сторону не вращается.
Да как как скажете. Пусть у Вас работает не корректно.
Главное -что у меня работает корректно. И мне хорошо.
manyakNT писал(а): Со степмастера он по умолчанию подаётся единственным способом возможным. И этот способ не применим к диф. входу.
Ну и как знаете, не применим так не применим.
Главное - что у меня применим и работает. И мне хорошо.
Аватара пользователя
michael-yurov
Почётный участник
Почётный участник
Сообщения: 11731
Зарегистрирован: 26 июл 2012, 00:10
Репутация: 4703
Настоящее имя: Михаил Львович
Откуда: Новоуральск
Контактная информация:

Re: StepMaster ver 2.5

Сообщение michael-yurov »

manyakNT писал(а): Со степмастера он по умолчанию подаётся единственным способом возможным. И этот способ не применим к диф. входу.
Ну, есть как минимум два варианта. Либо с общим плюсом подключить, либо с общим минусом.
У степмастера не открытый коллектор, а обычный 5 В логический выход.

Как получается, что при 24 В работает, а без резистора на 1,5 кОм - нет?
lkbyysq
Мастер
Сообщения: 2284
Зарегистрирован: 14 май 2016, 09:40
Репутация: 346
Настоящее имя: Станислав Ерофеев
Откуда: Санкт-Петербург

Re: StepMaster ver 2.5

Сообщение lkbyysq »

manyakNT писал(а): У степмастера диференциальный выход?
Да плевать, когда умеешь.
Когда не умеешь - тогда да, трудно. Можно с друзьями по несчастью перетереть и поподдакивать.
manyakNT писал(а): Также пройди по ссылке выше и почитай на англ форуме - там тоже самое один в один.
И чо?
lkbyysq
Мастер
Сообщения: 2284
Зарегистрирован: 14 май 2016, 09:40
Репутация: 346
Настоящее имя: Станислав Ерофеев
Откуда: Санкт-Петербург

Re: StepMaster ver 2.5

Сообщение lkbyysq »

Еще раз.
Если СТЕП работает, значит и ДИР тоже будет работать.
Потому что и у СТЕП, и у ДИР абсолютно одинаковые схемы.
Если же ДИР не работает - ищите ошибку у себя.


PS. Для справки: "Работает" - значит переключается.
lkbyysq
Мастер
Сообщения: 2284
Зарегистрирован: 14 май 2016, 09:40
Репутация: 346
Настоящее имя: Станислав Ерофеев
Откуда: Санкт-Петербург

Re: StepMaster ver 2.5

Сообщение lkbyysq »

manyakNT писал(а): Конечно же сожгли,
Сжечь можно как вход, так и выход. Тестер-то есть?
manyakNT
Новичок
Сообщения: 36
Зарегистрирован: 16 фев 2019, 08:47
Репутация: 4
Настоящее имя: Иван
Контактная информация:

Re: StepMaster ver 2.5

Сообщение manyakNT »

michael-yurov писал(а): 21 окт 2023, 20:04
manyakNT писал(а): Со степмастера он по умолчанию подаётся единственным способом возможным. И этот способ не применим к диф. входу.
Ну, есть как минимум два варианта. Либо с общим плюсом подключить, либо с общим минусом.
У степмастера не открытый коллектор, а обычный 5 В логический выход.

Как получается, что при 24 В работает, а без резистора на 1,5 кОм - нет?
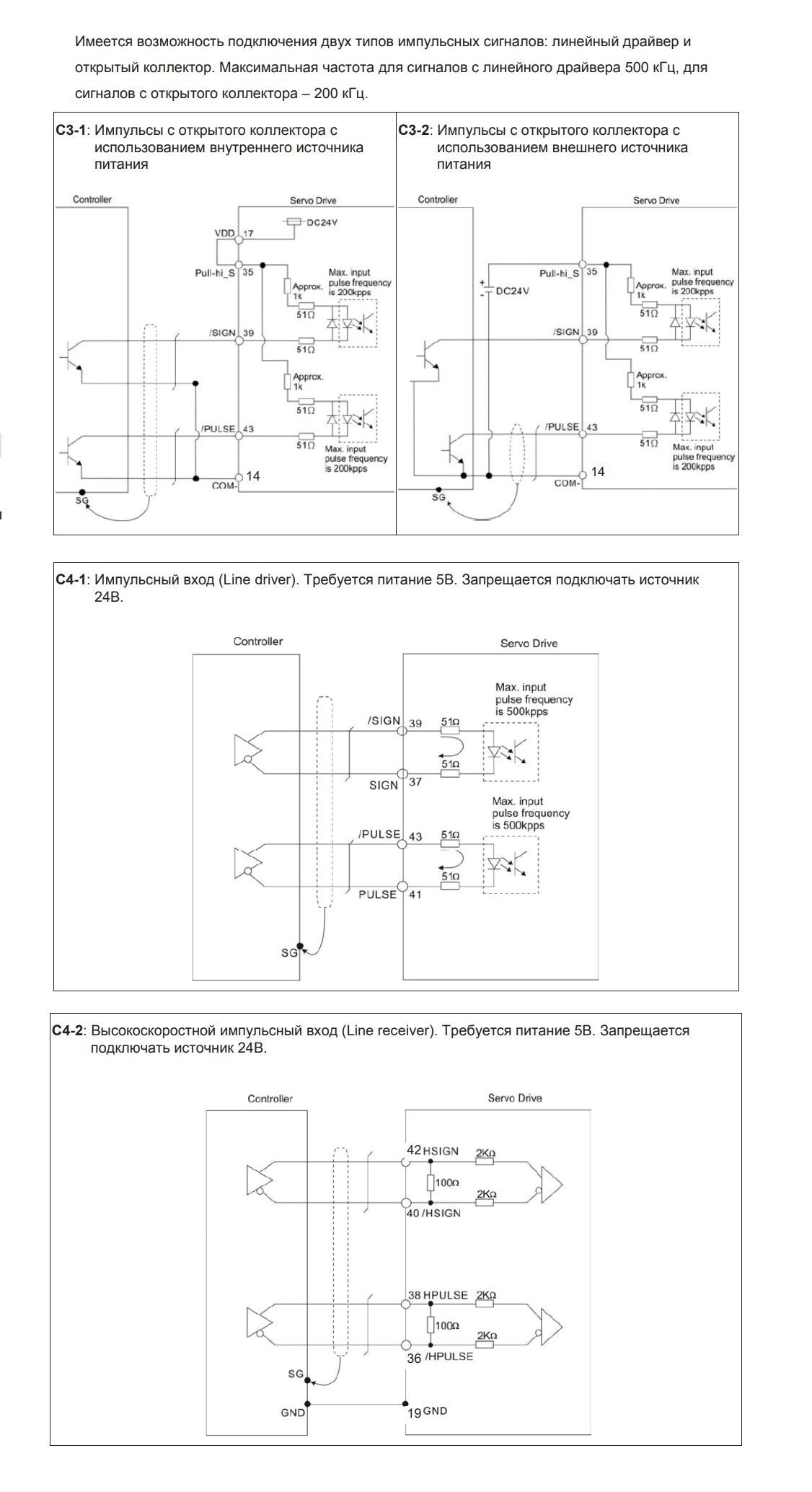
Хороший вопрос. Вот ответы - нашёл тему, где все мои предположения полностью подтверждаютсяи сказано и подтверждено всеми там людьми в той теме просто на практике - https://www.machsupport.com/forum/index ... ic=42503.0, что для низковольтного входа линейного драйвера серв дельта b2 и b3 нужен именно ДИФФЕРЕНЦИАЛЬНЫЙ сигнал степ дир и там пытаются с mach3 через плату опторазвязки подать сигнал и ничего не выходит - работает не корректно , что и требовалось доказать и в качестве решения называют именно подключение к входу 24 вольта(например через костыли в виде транзистора 2N7000), который на 200 килогерц и только так. Пишу я всё это для того что бы кто в будущем будет такие сервы брать и подключать учёл такие моменты и понимал что если у него нет платы опторазвязки и источника сигнала с диф выходом, то придётся подключать к входe степ дир 24 вольта и решать возникающие из этого проблемы.
manyakNT
Новичок
Сообщения: 36
Зарегистрирован: 16 фев 2019, 08:47
Репутация: 4
Настоящее имя: Иван
Контактная информация:

Re: StepMaster ver 2.5

Сообщение manyakNT »

lkbyysq писал(а): 21 окт 2023, 20:21
manyakNT писал(а): Конечно же сожгли,
Сжечь можно как вход, так и выход. Тестер-то есть?
Ознакомитесь, пожалуйста, с этой вот ссылкой https://www.machsupport.com/forum/index ... ic=42503.0 - чтобы понимать в чём состоят нюансы подключения контролеров ЧПУ и плат опторазвязок с выходом степ дир с уровнем сигнала 5 вольткприводам данной серии(B2/B3) - Никто ничего не сжёг - просто нужен дифференциальный сигнал чтобы был на низковольтном входе тогда будет работать корректно как я уже и сказал выше( на первый же совет Михаила подключить степмастер к диф. входу 5 вольт) - как пишут ВСЕ(и как и указано в МАНУАЛЕ официальном) кто сталкивался с такими сервами. Поэтому нужно подключать к входу 24 вольта сигналы с уровнем 5 вольт- о чём я в принципе и спросил - как это лучше сделать - может у кого есть опыт нормального красивого проверенного решения - которое будет полезно всем.
lkbyysq
Мастер
Сообщения: 2284
Зарегистрирован: 14 май 2016, 09:40
Репутация: 346
Настоящее имя: Станислав Ерофеев
Откуда: Санкт-Петербург

Re: StepMaster ver 2.5

Сообщение lkbyysq »

manyakNT писал(а): Ознакомитесь, пожалуйста, с этой вот ссылкой
Хорошая ссылка

мастер joeaverage писал(а):I think you may have miswired it. The output of the BoB (pin 2 or 3) is 5V, correct? You hooked that to the photodiode input (pin 39 or 43) without a series resistor,
and the other side of the photodiode (pins 37 or 41) to 0V. Thus the photodiode has to withstand the full 5V output of your BoB, you may have damaged it already.
Я думаю, что вы, возможно, неправильно подключили его. Выход BoB (контакт 2 или 3) составляет 5 В, верно? Вы подключили его к входу фотодиода (контакт 39 или 43) без последовательного резистора,
а другую сторону фотодиода (контакты 37 или 41) - к 0 В. Таким образом, фотодиод должен выдерживать полное выходное напряжение 5 В вашего BoB, возможно, вы уже его повредили.


студент natefoerg писал(а):Well.. looks like you are right. I wired it up sans transistors and was not able to get any response from the drive. Jog still works, but it looks like I may have cooked the optos.
Ну... похоже, ты прав. Я подключил его без транзисторов и не смог получить никакого ответа от привода. Джог еще работает, но похоже я оптос сварил.


мастер joeaverage писал(а):In short you should be able to buy a NEW driver for around $200 plus shipping. I wouldn't be messing around with second hand at that price.
вы сможете купить НОВЫЙ драйвер примерно за 200 долларов плюс доставка. Я бы не стал возиться с б/у по такой цене.
Последний раз редактировалось lkbyysq 22 окт 2023, 08:27, всего редактировалось 1 раз.
lkbyysq
Мастер
Сообщения: 2284
Зарегистрирован: 14 май 2016, 09:40
Репутация: 346
Настоящее имя: Станислав Ерофеев
Откуда: Санкт-Петербург

Re: StepMaster ver 2.5

Сообщение lkbyysq »

manyakNT писал(а): нужно подключать к входу 24 вольта сигналы с уровнем 5 вольт- о чём я в принципе и спросил - как это лучше сделать - может у кого есть опыт нормального красивого проверенного решения - которое будет полезно всем
Понятно. Тестера, стало быть, нет... Печалька.

Проверенное красивое решение Вам уже озвучил Михаил. У него оно работает. У меня оно тоже работает. Оно полезно всем.

Красивого решения для "подключения к входу 24 вольта" нет. Проверенное есть, но оне не красивое, а относительно сложное и требует квалификации при сборке.
lkbyysq
Мастер
Сообщения: 2284
Зарегистрирован: 14 май 2016, 09:40
Репутация: 346
Настоящее имя: Станислав Ерофеев
Откуда: Санкт-Петербург

Re: StepMaster ver 2.5

Сообщение lkbyysq »

Еще решение как подключить к дифференциальным оптоизолированным входам пятивольтоый логический выход.

+5 на плюсовой дифференциальный вход.
А выход степмастера на отрицательный дифференциальный вход через ДВА ДИОДА.
Каждый диод сожрет по 1 вольту - вот и будет сигнал "от 2.8 до 3.6", как мануале на драйвер и написано.

В принципе это вариация того, как советовал Михаил.
Аватара пользователя
michael-yurov
Почётный участник
Почётный участник
Сообщения: 11731
Зарегистрирован: 26 июл 2012, 00:10
Репутация: 4703
Настоящее имя: Михаил Львович
Откуда: Новоуральск
Контактная информация:

Re: StepMaster ver 2.5

Сообщение michael-yurov »

manyakNT писал(а): Вот ответы - нашёл тему, где все мои предположения полностью подтверждаютсяи сказано и подтверждено всеми там людьми в той теме просто на практике - https://www.machsupport.com/forum/index ... ic=42503.0
Ну, ты бы еще на весь интернет дал ссылку... Можно конкретно, что там выяснили то? Почему не работает? В чем несоответствие инструкции и реальности?
manyakNT писал(а): нужен именно ДИФФЕРЕНЦИАЛЬНЫЙ сигнал степ дир
Почему? Есть какие-то факты, подтверждающие это?
manyakNT писал(а): и там пытаются с mach3 через плату опторазвязки подать сигнал и ничего не выходит - работает не корректно , что и требовалось доказать
Если у вас нет яблока, это не значит, что яблок не существует.
manyakNT
Новичок
Сообщения: 36
Зарегистрирован: 16 фев 2019, 08:47
Репутация: 4
Настоящее имя: Иван
Контактная информация:

Re: StepMaster ver 2.5

Сообщение manyakNT »

michael-yurov писал(а): 22 окт 2023, 13:47
manyakNT писал(а): Вот ответы - нашёл тему, где все мои предположения полностью подтверждаютсяи сказано и подтверждено всеми там людьми в той теме просто на практике - https://www.machsupport.com/forum/index ... ic=42503.0
Ну, ты бы еще на весь интернет дал ссылку... Можно конкретно, что там выяснили то? Почему не работает? В чем несоответствие инструкции и реальности?
manyakNT писал(а): нужен именно ДИФФЕРЕНЦИАЛЬНЫЙ сигнал степ дир
Почему? Есть какие-то факты, подтверждающие это?
manyakNT писал(а): и там пытаются с mach3 через плату опторазвязки подать сигнал и ничего не выходит - работает не корректно , что и требовалось доказать
Если у вас нет яблока, это не значит, что яблок не существует.
Там по ссылкам какие я нашёл - а их всего-то 2-3 на весь интернет где пытаются дельты подклчить к mach3(и одну где пытаются к плате axbb-e), ничего у людей не выходит и тут же находиться ещё пару человек которые эту процедуру сделали - и их решение либо подавать ДИФФЕРНЦИАЛЬНЫЙ СИГНАЛ на низковольтный вход, либо ЧЕРЕЗ транзисторы повышать уровень сигнала с 5 вольт до 24 вольта - и тоже всё работатет. Мы пошли другим путём. Ещё более простым. Вскрыли серводрайвер - эта дельта разбирается очень просто - 3 защёлки. Нашли оптопары, какие резисторы за что там отвечают, осцилографом и мультом проверели всю схему.В мультисиме набросали схему. Стоит оптопара там tlp2366. Там четыре резистора по 1,5K. Менять надо два - с обоих сторон платы по одному. Поменяли на 100 ом. Всё теперь работает через высоквольтный вход от ЛЮБОЙ платы опторазвязки пятивольтовой. Схему и фото какие резисторы поменяли прилагаю. Поменяли 1,5k c обоих сторон платы на 100 ом
Вложения
изображение_viber_2023-10-22_13-45-12-533.jpg (1540 просмотров) <a class='original' href='./download/file.php?id=209578&mode=view' target=_blank>Загрузить оригинал (230.67 КБ)</a>
изображение_viber_2023-10-22_13-45-11-682.jpg (1540 просмотров) <a class='original' href='./download/file.php?id=209579&mode=view' target=_blank>Загрузить оригинал (247.52 КБ)</a>
Screenshot_12.png (1538 просмотров) <a class='original' href='./download/file.php?id=209584&mode=view' target=_blank>Загрузить оригинал (99.45 КБ)</a>
manyakNT
Новичок
Сообщения: 36
Зарегистрирован: 16 фев 2019, 08:47
Репутация: 4
Настоящее имя: Иван
Контактная информация:

Re: StepMaster ver 2.5

Сообщение manyakNT »

michael-yurov писал(а): 22 окт 2023, 13:47
manyakNT писал(а): Вот ответы - нашёл тему, где все мои предположения полностью подтверждаютсяи сказано и подтверждено всеми там людьми в той теме просто на практике - https://www.machsupport.com/forum/index ... ic=42503.0
Ну, ты бы еще на весь интернет дал ссылку... Можно конкретно, что там выяснили то? Почему не работает? В чем несоответствие инструкции и реальности?
manyakNT писал(а): нужен именно ДИФФЕРЕНЦИАЛЬНЫЙ сигнал степ дир
Почему? Есть какие-то факты, подтверждающие это?
manyakNT писал(а): и там пытаются с mach3 через плату опторазвязки подать сигнал и ничего не выходит - работает не корректно , что и требовалось доказать
Если у вас нет яблока, это не значит, что яблок не существует.
Там по ссылкам какие я нашёл - а их всего-то 2-3 на весь интернет где пытаются дельты подклчить к mach3(и одну где пытаются к плате axbb-e), ничего у людей не выходит и тут же находиться ещё пару человек которые эту процедуру сделали - и их решение либо подавать ДИФФЕРНЦИАЛЬНЫЙ СИГНАЛ на низковольтный вход, либо ЧЕРЕЗ транзисторы повышать уровень сигнала с 5 вольт до 24 вольта и цеплять на высоковольтный вход по схеме открытый колектор с общим плюсом или минусом(как у степмастера и других подобных плат подключается) - и тоже всё работает. Мы пошли другим путём. Ещё более простым. Вскрыли серводрайвер - эта дельта разбирается очень просто - 3 защёлки. Нашли оптопары, какие резисторы за что там отвечают, осцилографом и мультом проверели всю схему.В мультисиме набросали схему. Стоит оптопара там tlp2366. Там четыре резистора по 1,5K. Менять надо два - с обоих сторон платы по одному. Поменяли на 100 ом. Всё теперь работает через высоквольтный вход от ЛЮБОЙ платы опторазвязки пятивольтовой. Схему и фото какие резисторы поменяли прилагаю. Поменяли 1,5k c обоих сторон платы на 100 ом
manyakNT
Новичок
Сообщения: 36
Зарегистрирован: 16 фев 2019, 08:47
Репутация: 4
Настоящее имя: Иван
Контактная информация:

Re: StepMaster ver 2.5

Сообщение manyakNT »

lkbyysq писал(а): 22 окт 2023, 08:13
manyakNT писал(а): Ознакомитесь, пожалуйста, с этой вот ссылкой
Хорошая ссылка

мастер joeaverage писал(а):I think you may have miswired it. The output of the BoB (pin 2 or 3) is 5V, correct? You hooked that to the photodiode input (pin 39 or 43) without a series resistor,
and the other side of the photodiode (pins 37 or 41) to 0V. Thus the photodiode has to withstand the full 5V output of your BoB, you may have damaged it already.
Я думаю, что вы, возможно, неправильно подключили его. Выход BoB (контакт 2 или 3) составляет 5 В, верно? Вы подключили его к входу фотодиода (контакт 39 или 43) без последовательного резистора,
а другую сторону фотодиода (контакты 37 или 41) - к 0 В. Таким образом, фотодиод должен выдерживать полное выходное напряжение 5 В вашего BoB, возможно, вы уже его повредили.


студент natefoerg писал(а):Well.. looks like you are right. I wired it up sans transistors and was not able to get any response from the drive. Jog still works, but it looks like I may have cooked the optos.
Ну... похоже, ты прав. Я подключил его без транзисторов и не смог получить никакого ответа от привода. Джог еще работает, но похоже я оптос сварил.


мастер joeaverage писал(а):In short you should be able to buy a NEW driver for around $200 plus shipping. I wouldn't be messing around with second hand at that price.
вы сможете купить НОВЫЙ драйвер примерно за 200 долларов плюс доставка. Я бы не стал возиться с б/у по такой цене.
Это хорошая сслылка, да - там также как и ты, спецы, считающие других криворукими, которые сразу всё палят, решили сразу зайти с козырей и пытаться доказать, один в один как и ты, что кто-то что-то спалили и давить на это и никаких других вариантов не предлагать - по итогу, если прочитать до конца, как сделал я, а не выбрать первое что вписывается в понравившуюся картину мира, никто ничего не спалил(это кстати будет понятно если прочитать до конца тему - но "чукча не читатель", это понятно, а "гуру" подозревающий всех - в том что все криворукие пальщики электроники, я понял), если прочитаешь дальше - всё норм у человека, а не работает, как и показала практика и как я уже показал и доказал на практике,и как видно изо всех ссылок которые я приложил и как видно изо всех решений что применили люди по этим ссылкам, а их(этих решений) три - диф сигнал на низковольтный вход, второе - транзисторы которые повысят уровень сигнала 5 вольт на 24 вольта и третий перепаивание входных резисторов на входе 24 вольта, что было нами и сделано. Всё остальное домыслы и размышления не подкреплённые ничем кроме своих хотелок. Вот и получается что по итогу ты ни одной дельной мысли так не высказал(всё упирая зачем-то на криворукость) которая кому-то бы пригодилась(а ведь для этого форум и существует), а я сделал и показал на практике со схемой и готовым решением то что пригодиться кому-то.
Аватара пользователя
michael-yurov
Почётный участник
Почётный участник
Сообщения: 11731
Зарегистрирован: 26 июл 2012, 00:10
Репутация: 4703
Настоящее имя: Михаил Львович
Откуда: Новоуральск
Контактная информация:

Re: StepMaster ver 2.5

Сообщение michael-yurov »

manyakNT писал(а): и показал на практике со схемой
Схему я так и не понял.
И так и не смог понять, почему не работало то?
lkbyysq
Мастер
Сообщения: 2284
Зарегистрирован: 14 май 2016, 09:40
Репутация: 346
Настоящее имя: Станислав Ерофеев
Откуда: Санкт-Петербург

Re: StepMaster ver 2.5

Сообщение lkbyysq »

manyakNT писал(а): 22 окт 2023, 21:46 Это хорошая сслылка, да - там также как и ты, спецы, считающие других криворукими, которые сразу всё палят, решили сразу зайти с козырей и пытаться доказать, один в один как и ты, что кто-то что-то спалили и давить на это и никаких других вариантов не предлагать - по итогу, если прочитать до конца, как сделал я, а не выбрать первое что вписывается в понравившуюся картину мира, никто ничего не спалил(это кстати будет понятно если прочитать до конца тему - но "чукча не читатель", это понятно, а "гуру" подозревающий всех - в том что все криворукие пальщики электроники, я понял), если прочитаешь дальше - всё норм у человека, а не работает, как и показала практика и как я уже показал и доказал на практике,и как видно изо всех ссылок которые я приложил и как видно изо всех решений что применили люди по этим ссылкам, а их(этих решений) три - диф сигнал на низковольтный вход, второе - транзисторы которые повысят уровень сигнала 5 вольт на 24 вольта и третий перепаивание входных резисторов на входе 24 вольта, что было нами и сделано. Всё остальное домыслы и размышления не подкреплённые ничем кроме своих хотелок. Вот и получается что по итогу ты ни одной дельной мысли так не высказал(всё упирая зачем-то на криворукость) которая кому-то бы пригодилась(а ведь для этого форум и существует), а я сделал и показал на практике со схемой
и готовым решением то что пригодиться кому-то.
Сколько слов!!!!
А можно спешил для тупых на картинке стрелочками токи нарисовать и напряжения проставить?
И дифференциальную оптопару дорисовать.
lkbyysq
Мастер
Сообщения: 2284
Зарегистрирован: 14 май 2016, 09:40
Репутация: 346
Настоящее имя: Станислав Ерофеев
Откуда: Санкт-Петербург

Re: StepMaster ver 2.5

Сообщение lkbyysq »

michael-yurov писал(а): 22 окт 2023, 21:56 И так и не смог понять, почему не работало то?
Михаил, посмотрел я на русский мануал подобного драйвера delta asd-b2 (обсуждаемый с индексом b3).
Есть вопросы к выводам sign+ и sign-. И как оптопара прорисована. Для дифф сигнала конечно по барабану, а вот для однополярного может и неувязочка выйти. Ключница, видать, мануал писала.
https://energorotor.ru/assets/templates ... al-rus.pdf страница 3-24
b2.png (1479 просмотров) <a class='original' href='./download/file.php?id=209589&mode=view' target=_blank>Загрузить оригинал (359.38 КБ)</a>
Так что допускаю, что не заработал у автора один канал согласно приведённой схемы из-за косяка дельты в описании. Подробно разбираться не с руки. Вопрос "почему" открыт.
Ну а реверс-инжинирингу в целом незачот. Не помог.
Аватара пользователя
Avenger86
Опытный
Сообщения: 126
Зарегистрирован: 15 фев 2015, 16:09
Репутация: 4
Настоящее имя: Илья
Контактная информация:

Re: StepMaster ver 2.5

Сообщение Avenger86 »

Dimka писал(а): 20 окт 2023, 14:27
Avenger86 писал(а): Проблема решилась покупкой хорошего инверторного стабилизатора с чистым синусом.
Это какой и как чистота оценивается?
Штиль купили, чистота наверное оценивается осцилографом.
Crysnik
Новичок
Сообщения: 3
Зарегистрирован: 14 май 2023, 19:35
Репутация: 1
Настоящее имя: Громов Иван Николаевич
Контактная информация:

Re: StepMaster ver 2.5

Сообщение Crysnik »

Здравствуйте, наконец то собрал щит управления. Единственное, теперь боюсь что рано или поздно отломлю LPT разъем на плате.
Приходится подключать и отключать каждый раз когда собираюсь работать. Подскажите, хочу вывести разъем на корпус щита как на фото, можно ли так делать, то есть не создаст это сильных помех?
0-02-05-3099bb0a859a3accac9aa10118933d76729763ff42a5e9df203337711aa6c56b_c0b029a91bef21f4.jpg (1244 просмотра) <a class='original' href='./download/file.php?id=209781&mode=view' target=_blank>Загрузить оригинал (219.92 КБ)</a>
27720639.jpg (1244 просмотра) <a class='original' href='./download/file.php?id=209783&mode=view' target=_blank>Загрузить оригинал (42.6 КБ)</a>
lkbyysq
Мастер
Сообщения: 2284
Зарегистрирован: 14 май 2016, 09:40
Репутация: 346
Настоящее имя: Станислав Ерофеев
Откуда: Санкт-Петербург

Re: StepMaster ver 2.5

Сообщение lkbyysq »

Не создаст.
Ответить

Вернуться в «Электроника»