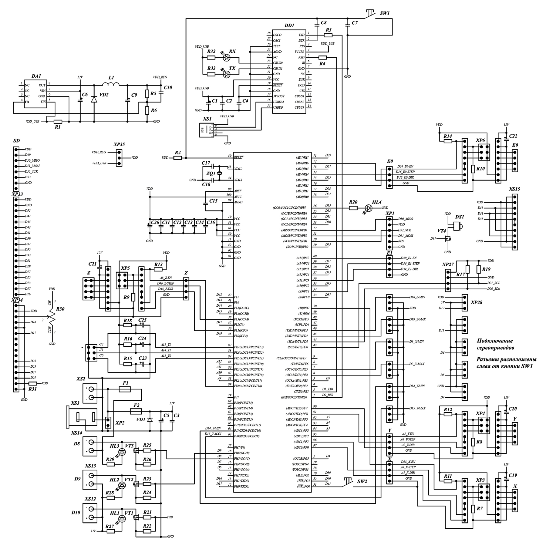
Распиновка RAMPS 1.6 со стороны ардуино
-
Andreichsb
- Новичок
- Сообщения: 21
- Зарегистрирован: 15 мар 2022, 14:29
- Репутация: 0
- Настоящее имя: Андрей
- Контактная информация:
Распиновка RAMPS 1.6 со стороны ардуино
Ткните носом плз - какие пины arduino mega чему назначены на рампсе 1.6. Найти не могу.
- Rom327
- Почётный участник

- Сообщения: 2989
- Зарегистрирован: 03 апр 2015, 13:23
- Репутация: 437
- Настоящее имя: Роман
- Откуда: Подольск
- Контактная информация:
Re: Распиновка RAMPS 1.6 со стороны ардуино
https://github.com/bigtreetech/ramps-1. ... iagram.pdf
https://github.com/bigtreetech/ramps-1. ... screen.pdf
https://github.com/bigtreetech/ramps-1. ... 49~QCUG2KA)E%7B%7B77VMKYV.jpg
https://github.com/bigtreetech/ramps-1. ... screen.pdf
https://github.com/bigtreetech/ramps-1. ... 49~QCUG2KA)E%7B%7B77VMKYV.jpg
Это сугубо мое мнение, могу и ошибаться...
https://vk.com/rom327
GRBL настройки: http://blogandbux.blogspot.com/2018/07/ ... revod.html
G коды: http://3d-stanki.ru/spravochnik/program ... stankov-2/
https://vk.com/rom327
GRBL настройки: http://blogandbux.blogspot.com/2018/07/ ... revod.html
G коды: http://3d-stanki.ru/spravochnik/program ... stankov-2/
-
Andreichsb
- Новичок
- Сообщения: 21
- Зарегистрирован: 15 мар 2022, 14:29
- Репутация: 0
- Настоящее имя: Андрей
- Контактная информация:
Re: Распиновка RAMPS 1.6 со стороны ардуино
Может я конечно мало в этом понимаю (что скорее всего так и есть), тогда прошу разъяснить - где на этих картинках указано, к примеру, на каких пинах меги висит драйвер, предположим оси Z? Потому что я их вдоль и поперек раз сто уже до этого пересмотрел но так и не нашел.Rom327 писал(а): ↑23 апр 2022, 18:48 https://github.com/bigtreetech/ramps-1. ... iagram.pdf
https://github.com/bigtreetech/ramps-1. ... screen.pdf
https://github.com/bigtreetech/ramps-1. ... 49~QCUG2KA)E%7B%7B77VMKYV.jpg
ЗЫ третья ссылка не открывается
-
svm
- Мастер
- Сообщения: 367
- Зарегистрирован: 23 ноя 2017, 12:56
- Репутация: 75
- Настоящее имя: Владимир Сергеев
- Откуда: Бузулук
- Контактная информация:
Re: Распиновка RAMPS 1.6 со стороны ардуино
Так лучше? Вроде все ясно. Правда, я просто бегло в гугле поискал и особо не вникал в Ваши проблемы.Andreichsb писал(а): ↑23 апр 2022, 20:36Может я конечно мало в этом понимаю (что скорее всего так и есть), тогда прошу разъяснить - где на этих картинках указано, к примеру, на каких пинах меги висит драйвер, предположим оси Z? Потому что я их вдоль и поперек раз сто уже до этого пересмотрел но так и не нашел.Rom327 писал(а): ↑23 апр 2022, 18:48 https://github.com/bigtreetech/ramps-1. ... iagram.pdf
https://github.com/bigtreetech/ramps-1. ... screen.pdf
https://github.com/bigtreetech/ramps-1. ... 49~QCUG2KA)E%7B%7B77VMKYV.jpg
ЗЫ третья ссылка не открывается