Как?[TARAN писал(а):> post_id=628869 user_id=8936]
Советую проверить перпендикулярность фланца к самой втулке.
CNC1310 фрезер по металлу (126x88x38)
- Курдль
- Мастер
- Сообщения: 2174
- Зарегистрирован: 20 мар 2018, 16:55
- Репутация: 282
- Настоящее имя: Курдль Энтеропийский
- Откуда: Msk
- Контактная информация:
Re: CNC1310 фрезер по металлу (126x88x38)
Мой сайт: https://cnc-hobby.ru
- [TARAN]>
- Мастер
- Сообщения: 663
- Зарегистрирован: 13 янв 2014, 03:58
- Репутация: 58
- Контактная информация:
Re: CNC1310 фрезер по металлу (126x88x38)
Ну можно очень просто, отпустить винты крепления и посмотреть прилегание в углах фланца, потом ее повернуть на 90-180 градусов и опять посмотреть. Так и поверхность можно проверить и втулку.
- [TARAN]>
- Мастер
- Сообщения: 663
- Зарегистрирован: 13 янв 2014, 03:58
- Репутация: 58
- Контактная информация:
Re: CNC1310 фрезер по металлу (126x88x38)
С ослабленными винтами еще должно легко перемещаться, когда затягиваешь, то ходит туже. Самый главный признак того, что где то смещение идет)
-
VeterMir
- Мастер
- Сообщения: 203
- Зарегистрирован: 10 окт 2021, 00:51
- Репутация: 4
- Настоящее имя: Владимир
- Контактная информация:
Re: CNC1310 фрезер по металлу (126x88x38)
Я тут нарыл такое устройство, на наш станок подходит
https://profrezi.ru/mekhanicheskoe-ustr ... er-mpu02g/
как думаете, есть смысл пробовать?
Пятаки чистить от маски. Подпружиненный держатель фрезы.
https://profrezi.ru/mekhanicheskoe-ustr ... er-mpu02g/
как думаете, есть смысл пробовать?
Пятаки чистить от маски. Подпружиненный держатель фрезы.
- Курдль
- Мастер
- Сообщения: 2174
- Зарегистрирован: 20 мар 2018, 16:55
- Репутация: 282
- Настоящее имя: Курдль Энтеропийский
- Откуда: Msk
- Контактная информация:
Re: CNC1310 фрезер по металлу (126x88x38)
Кто ж знает, как он в реальности гравирует? Чтобы гравер легко двигался внутри этого устройства и при этом не люфтил - нужна прецизионная обработка. Надеюсь, что цена как раз обусловлена ею.
А для обдирки маски скорее всего придется подбирать пружинку послабее.
Мой сайт: https://cnc-hobby.ru
- Курдль
- Мастер
- Сообщения: 2174
- Зарегистрирован: 20 мар 2018, 16:55
- Репутация: 282
- Настоящее имя: Курдль Энтеропийский
- Откуда: Msk
- Контактная информация:
Re: CNC1310 фрезер по металлу (126x88x38)
Поинтересовался ценой. Самая затратная статья - доставка[TARAN писал(а):> post_id=628869 user_id=8936]
На даркстоне вроде как твердые валы есть, типа подшипников. Сам не брал, но на сайте видел.
Мой сайт: https://cnc-hobby.ru
- ddovod
- Кандидат
- Сообщения: 99
- Зарегистрирован: 12 июл 2021, 13:33
- Репутация: 45
- Настоящее имя: Давид
- Откуда: Москва
- Контактная информация:
Re: CNC1310 фрезер по металлу (126x88x38)
А токарная обработка - это резьба в торцах?
-
igor_kovchegin
- Мастер
- Сообщения: 250
- Зарегистрирован: 19 дек 2019, 14:28
- Репутация: 9
- Настоящее имя: Игорь
- Контактная информация:
Re: CNC1310 фрезер по металлу (126x88x38)
Нашел такую штуку для пылеудаления. Но мне кажется в наш микростанок такое не влезет
( но как вариант для вдохновения и дальнейшей адаптации - очень может быть...
https://a.aliexpress.com/_A9nzLS
https://a.aliexpress.com/_A9nzLS
- Курдль
- Мастер
- Сообщения: 2174
- Зарегистрирован: 20 мар 2018, 16:55
- Репутация: 282
- Настоящее имя: Курдль Энтеропийский
- Откуда: Msk
- Контактная информация:
Re: CNC1310 фрезер по металлу (126x88x38)
Да. Ну и просто ровный отрез по заданным размерам, фаска.
Обычно валы как попало режут, предполагая, что они будут держаться в хомутах, а не за торцы.
На сайте "ЧПУ-Технологии" вообще написано: "Резка направляющих производится в размер с точностью +/- 5 мм. Угол реза может отличаться от 90 градусов. Концы направляющих могут иметь цвета побежалости."
Мой сайт: https://cnc-hobby.ru
-
igor_kovchegin
- Мастер
- Сообщения: 250
- Зарегистрирован: 19 дек 2019, 14:28
- Репутация: 9
- Настоящее имя: Игорь
- Контактная информация:
Re: CNC1310 фрезер по металлу (126x88x38)
Сделал тест. Шпиндель 250W на 28В раскручивается до 18.000. Если повысить больше 28 (пробовал до 36В) то раскручивается до 19-20к, но обороты начинают скакать 16-20 волнообразно, в общем нестабильно работает
-
sas_75
- Мастер
- Сообщения: 463
- Зарегистрирован: 10 мар 2015, 11:03
- Репутация: 115
- Настоящее имя: Сергей
- Откуда: Владивосток
- Контактная информация:
Re: CNC1310 фрезер по металлу (126x88x38)
Что за шпиндель? Можно ссылочку?
-
VeterMir
- Мастер
- Сообщения: 203
- Зарегистрирован: 10 окт 2021, 00:51
- Репутация: 4
- Настоящее имя: Владимир
- Контактная информация:
Re: CNC1310 фрезер по металлу (126x88x38)
Так на наш станок только 2 шпинделя существует, если не брать в расчёт коллекторные и переделку станка под другой диаметр двигателя =)
https://aliexpress.ru/item/400135072644 ... 1612616061
- Курдль
- Мастер
- Сообщения: 2174
- Зарегистрирован: 20 мар 2018, 16:55
- Репутация: 282
- Настоящее имя: Курдль Энтеропийский
- Откуда: Msk
- Контактная информация:
Re: CNC1310 фрезер по металлу (126x88x38)
Если под коллекторными иметь в виду 775... Других коллекторных такого диаметра я не видел.
Однако Windward имеет аж 3 модификации диаметром 42 мм.
Но это для особого рода извращенцев
Мой сайт: https://cnc-hobby.ru
- Курдль
- Мастер
- Сообщения: 2174
- Зарегистрирован: 20 мар 2018, 16:55
- Репутация: 282
- Настоящее имя: Курдль Энтеропийский
- Откуда: Msk
- Контактная информация:
Re: CNC1310 фрезер по металлу (126x88x38)
Вот уже кое-что собрал на том шасси. Работа движется, но до конца "проекта" еще далеко...
PS: Кстати, в производстве таких устройств, как шасси для РЭА, сильно помогают т.н. заклепочные гайки.
Но в контекстном поиске на Aliexpress найти их непросто. Так что если кому надо: https://aliexpress.ru/item/1005003385875915.html
Мой сайт: https://cnc-hobby.ru
- ddovod
- Кандидат
- Сообщения: 99
- Зарегистрирован: 12 июл 2021, 13:33
- Репутация: 45
- Настоящее имя: Давид
- Откуда: Москва
- Контактная информация:
Re: CNC1310 фрезер по металлу (126x88x38)
В общем, итог по шпинделю - алиэкспресс мурыжил меня 2 недели, в итоге вернули половину стоимости. Так что имейте в виду, если кто будет брать такой же
-
kfmut
- Мастер
- Сообщения: 1249
- Зарегистрирован: 30 янв 2021, 21:34
- Репутация: 147
- Настоящее имя: Максим
- Откуда: г.Тверь
- Контактная информация:
Re: CNC1310 фрезер по металлу (126x88x38)
На полных оборотах случаем не получилось погонять?
Если шлифовать конус надумаете, то несколько тем на форуме было
viewtopic.php?p=618783#p618783
viewtopic.php?p=600136#p600136
viewtopic.php?p=340070#p340070
viewtopic.php?p=225830#p225830
- Курдль
- Мастер
- Сообщения: 2174
- Зарегистрирован: 20 мар 2018, 16:55
- Репутация: 282
- Настоящее имя: Курдль Энтеропийский
- Откуда: Msk
- Контактная информация:
Re: CNC1310 фрезер по металлу (126x88x38)
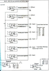
Чо делать? 
Не могу запустить автоматическое управление шпинделем.
Собрал все, как на схеме, но не заработало.
Шпиндель включается через раз, скорость не регулируется ШИМом.
Открыл BLDC-контроллер, проверил цепи осциллографом и мультиметром.
Симптомы: фототранзисторы оптопары открываются не полностью.
(выход оптопары - транзистор с ОЭ. На его коллекторе вместо нуля не менее +1.5В при внутреннем Vcc = 5В)
Эпикриз: светодиодам не хватает тока для нормального срабатывания фототранзистора.
Замер тока в цепи управления показал 0.7мА при паспортном значении для TLP785 = 10мА
Скриншот из официального мануала приложен ниже (см. нижний левый угол).
На нем для моего случая (управление 5V) предусмотрен гасящий резистор 220 Ом.
Без резистора положение чуть лучше - включение шпинделя происходит почти всегда, но управление ШИМ так и не работает.
Прозвонил входную цепь оптораты от входа до анода светодиода - обнаружил сопротивление 2.2 КОм. Уверенности, что кроме резистора в цепи нет каких-то активных элементов, нет. Но в пользу этого говорит то, что в обеих полярностях одно и то же значение 2.2 КОм.
Т.е. фактическая схема входного каскада "слегонца" отличается от паспортной. Похоже, что она заточена под 12В а то и 24В управления
Чо делать?
Не могу запустить автоматическое управление шпинделем.
Собрал все, как на схеме, но не заработало.
Шпиндель включается через раз, скорость не регулируется ШИМом.
Открыл BLDC-контроллер, проверил цепи осциллографом и мультиметром.
Симптомы: фототранзисторы оптопары открываются не полностью.
(выход оптопары - транзистор с ОЭ. На его коллекторе вместо нуля не менее +1.5В при внутреннем Vcc = 5В)
Эпикриз: светодиодам не хватает тока для нормального срабатывания фототранзистора.
Замер тока в цепи управления показал 0.7мА при паспортном значении для TLP785 = 10мА
Скриншот из официального мануала приложен ниже (см. нижний левый угол).
На нем для моего случая (управление 5V) предусмотрен гасящий резистор 220 Ом.
Без резистора положение чуть лучше - включение шпинделя происходит почти всегда, но управление ШИМ так и не работает.
Прозвонил входную цепь оптораты от входа до анода светодиода - обнаружил сопротивление 2.2 КОм. Уверенности, что кроме резистора в цепи нет каких-то активных элементов, нет. Но в пользу этого говорит то, что в обеих полярностях одно и то же значение 2.2 КОм.
Т.е. фактическая схема входного каскада "слегонца" отличается от паспортной. Похоже, что она заточена под 12В а то и 24В управления
Чо делать?
Мой сайт: https://cnc-hobby.ru