От этого зависит качество поверхности и жевучесть фрез. Особенно мелких и острых граверов. Даже на дереве.igor_kovchegin писал(а): ↑ Я если честно на этом вообще никогда не заморачивался.
CNC1310 фрезер по металлу (126x88x38)
-
calabr
- Мастер
- Сообщения: 937
- Зарегистрирован: 04 янв 2019, 15:19
- Репутация: 146
- Настоящее имя: Calabr
- Откуда: Киев
- Контактная информация:
Re: CNC1310 фрезер по металлу (126x88x38)
-
nevkon
- Почётный участник

- Сообщения: 2477
- Зарегистрирован: 17 июл 2015, 10:25
- Репутация: 310
- Настоящее имя: Константин
- Откуда: Балаково (Саратовская обл.)
- Контактная информация:
Re: CNC1310 фрезер по металлу (126x88x38)
Пользую AutoCAD или любой который умеет dxf, а затем обрабатываю его dxf2gcode - https://sourceforge.net/projects/dxf2gcode/. Он и примерную траекторию отрисовывает.
-
VeterMir
- Мастер
- Сообщения: 203
- Зарегистрирован: 10 окт 2021, 00:51
- Репутация: 4
- Настоящее имя: Владимир
- Контактная информация:
Re: CNC1310 фрезер по металлу (126x88x38)
Я тут набрёл на облатдателя станка 1419, он весьма подробно рассказывает в целом цикле видео о станке и доработках этого станка, а так же о режимах и софте. Он использует SolidWorks, тоже, как понимаю, софт и модельки строит, и dwg понимает, и управляющую программу пишет. Притом мне понравился интерфейс его и возможность посмотреть, как конкретно будет ходить фреза, и поменять эти векторы вручную.
Ну это так, лирическое отступление =)
- Курдль
- Мастер
- Сообщения: 2174
- Зарегистрирован: 20 мар 2018, 16:55
- Репутация: 282
- Настоящее имя: Курдль Энтеропийский
- Откуда: Msk
- Контактная информация:
Re: CNC1310 фрезер по металлу (126x88x38)
Я сам использую SolidWorks, при этом другим рекомендую Fusion 360.
Дело в том, что с SolidWorks я работал задолго до покупки станка и очень привык к нему. Тем не менее, для разработки УП я применял Fusion 360, благо, что она понимает множество чужих форматов моделей. Это более молодая и дерзкая программа старого заслуженного производителя Autodesk, превосходящая по юзабилити все испытанные мной программы. А у SolidWorks другие преимущества: это серьезнейший инженерный комплекс, позволяющий не только проектировать устройства, но и оценивать их прочностные, теплодинамические, гидродинамические и многие другие характеристики. Для разработки УП она имеет расширение SolidCAM с запатентованным модулем IMashining, который пока не превзошли конкуренты. Он позволяет оптимизировать УП для увеличения производительности станка и уменьшения износа инструмента и т.п. Но! Это всё про промышленные обрабатывающие центры, а не про трясущийся настольный станочек из алюминиевых профилей
А вот зачем dwg я не понял
А для Вашей задачи по гравировке может пригодиться программа GrblGru, которая не только отлично управляет нашим станком, но вроде как умеет сама строить УП для гравировки
https://youtu.be/HyPJQPxtwXk
Мой сайт: https://cnc-hobby.ru
-
calabr
- Мастер
- Сообщения: 937
- Зарегистрирован: 04 янв 2019, 15:19
- Репутация: 146
- Настоящее имя: Calabr
- Откуда: Киев
- Контактная информация:
Re: CNC1310 фрезер по металлу (126x88x38)
Для гравировки это сильно избыточно.
Я пользую Vectric Aspire. Очень интутитвно-понятный интерфейс. Больше подходит для творческих работ ( гравировка, 3D, раскрой для простых материалов и т.д.) Рисует вектора, может делать из них 2.5D модели, понимает кучу векторных форматов. Векторизует изображения.
Визуализирует обработку.
По стратегиям обработки не особо продвинутый, но для своих задач и материалов в принципе все, что нада есть.
В отличии от ArtCam имеет значительно меньший порог вхождения.
Станок чуть побольше, но в том-же классе.
-
VeterMir
- Мастер
- Сообщения: 203
- Зарегистрирован: 10 окт 2021, 00:51
- Репутация: 4
- Настоящее имя: Владимир
- Контактная информация:
Re: CNC1310 фрезер по металлу (126x88x38)
Ну гравировать с винды я не буду, это отдельная тема. Я, пока, разбираюсь в возможностях самого станка и методах обработки заготовок, потому и интересуюсь таким софтом. Тем более, что гравером станок будет служить только 2 раза в месяц, остальное время он будет вполне себе обычным настольным фрезерным станком для мелочей. Тем более у меня сейчас немало проектов, в которых надо то то выточить, то это прорезать, то там плату сделать тестовую. А платы я проектирую и развожу в EasyEDA, которая вполне себе отдаёт вектор. И порог вхождения там уровня школоты (мой сын в 8 лет нарисовал радиоприёмник и развёл плату, щас протравим и спаяем =), а до этого он только радиоконструкторы собирал).
Хотя и в арткаме порог вхождения, как по мне чуть выше школоты, разобраться за полчаса можно по-быстрому, а почесать репу - так пары дней хватит.
- Курдль
- Мастер
- Сообщения: 2174
- Зарегистрирован: 20 мар 2018, 16:55
- Репутация: 282
- Настоящее имя: Курдль Энтеропийский
- Откуда: Msk
- Контактная информация:
Re: CNC1310 фрезер по металлу (126x88x38)
Я смотрел и на Artcam, но совсем не понял, зачем бы он мне понадобился, с моим отсутствием чувства прекрасного
Как я понял, он умеет преобразовывать двухмерные картинки в трехмерные (типа барельефов), также хорош для выкроек и т.п. и делает для всего этого УП. Я до сих пор не понимаю феномена его популярности у владельцев хобби-станков. :/
Однако Fusion360 выпущен тем же производителем Autodesk, но преследует другие цели - максимально автоматизировать производство деталей и устройств, а не предметов искусства
Кстати, еще один продукт от Autidesk я с удовольствием использую для проектирования радиоэлектронных схем: Eagle PCB
Мой сайт: https://cnc-hobby.ru
-
VeterMir
- Мастер
- Сообщения: 203
- Зарегистрирован: 10 окт 2021, 00:51
- Репутация: 4
- Настоящее имя: Владимир
- Контактная информация:
Re: CNC1310 фрезер по металлу (126x88x38)
Большой плюс EDA - она браузерная, соотвтетсвенно я могу ковыряться в платах с телефона, сидя дома, в отсутствии компа. И вообще, комп становится не нужным. Вот бы ещё такой софт для проектирования деталюшек на станок, чтоб сделал, скачал управляющий файл, отправил со смартфона на станок и пущай себе выполняет.
- Курдль
- Мастер
- Сообщения: 2174
- Зарегистрирован: 20 мар 2018, 16:55
- Репутация: 282
- Настоящее имя: Курдль Энтеропийский
- Откуда: Msk
- Контактная информация:
Re: CNC1310 фрезер по металлу (126x88x38)
Эту тему лучше не поднимать, во избежание холивара
Моя работа неотрывно связана с ПК и серверами. Я смутно могу представить себе, зачем отказываться от ПК. И я не могу себе представить, что можно напроектировать на экранчике смартфона, но также не могу себе представить, зачем люди снимают вертикальное видео. А они ведь его снимают! Видимо я отстал от жизни...
А я считаю, что гораздо лучше такой софт: наболтал ему голосом, что тебе нужно, пока с собакой гулял, а как вернулся - оно уже готовое лежит
Мой сайт: https://cnc-hobby.ru
-
VeterMir
- Мастер
- Сообщения: 203
- Зарегистрирован: 10 окт 2021, 00:51
- Репутация: 4
- Настоящее имя: Владимир
- Контактная информация:
Re: CNC1310 фрезер по металлу (126x88x38)
Моя, к сожалению, тоже. Особенно с серверами, но это суть другой темы.
Не вижу смысла дома держать большую гудящую коробку и тратить деньги на ноутбук, если современный смартфон может всё то-же самое дома.
Здесь смартфоны чуть ушли вперёд. Есть система DEX от самсунга, это ПО смартфона + докстанция. При установке смарта в докстанцию последний запускает десктопную версию андроида, где тебе и паннель задач, и нормальный рабочий стол, и меню пуск, и полноценная работа с клавомышью, и так далее. Всё это подключается через море разъёмов на докстанции к монику, юсб, сети и, по сути, получаем обычный ПК, но который всегда можно выдернуть из докстанции и положить в карман. А т.к. смартфон всё равно менять раз в 3-4 года, то и пк заодно обновишь =)
У меня у всей семьи самсунги, потому очень удобно. Принтер стоит где-то, печатается всё на него через вифи, моник у сына свой с dex, он там онлайн учится в этом, как его, зуме, чтоль, у меня dex стоит у телека, мышеклавы беспроводные, роутер подрабатывает NAS хранилищем и DNLA сервером с торрентокачалками. Но это снова тема отдельная.
Было бы очень недурственно прикрутить к этому и станочек, благо программирование и прошивку МК я уже прикрутил.
А рабочая станция стоит в офисе. Используется для фильтрации воздуха от пыли, в основном, в последнее время.
ЗЗЫ сендер G-кода уже есть для андроида. И работает, кстати. И даже всякие гравировки умеет делать. Но в 3д не умеет.
-
VeterMir
- Мастер
- Сообщения: 203
- Зарегистрирован: 10 окт 2021, 00:51
- Репутация: 4
- Настоящее имя: Владимир
- Контактная информация:
Re: CNC1310 фрезер по металлу (126x88x38)
Здесь каждому своё. Холивар не уместен, сегодня мы со смартфона шьём МК и управляем серверами, завтра будем спокойно фрезеровать детали, а послезавтра... Да фиг его знает, что там будет. Будущее - оно такое. Кто-то хочет оставаться в прошлом - я не против.
Да, подскажите, bluetooth модуль на вышеозвученную плату нашего станка какой подойдёт? https://aliexpress.ru/item/100500300788 ... 36f95c6oV0 взлетит?
- Курдль
- Мастер
- Сообщения: 2174
- Зарегистрирован: 20 мар 2018, 16:55
- Репутация: 282
- Настоящее имя: Курдль Энтеропийский
- Откуда: Msk
- Контактная информация:
Re: CNC1310 фрезер по металлу (126x88x38)
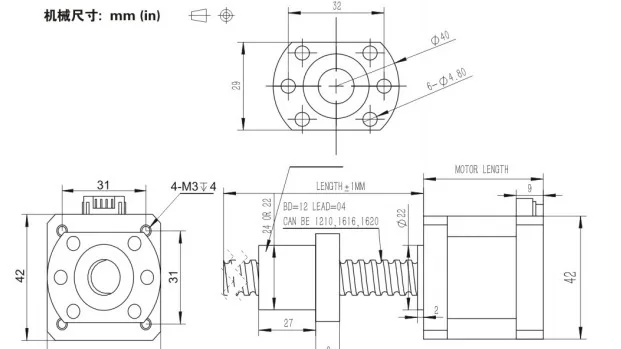
Не подскажете, каким образом не изменяя конструкции стола, вставить в него гайку ШВП, со всеми её размерами?
Я имею в виду гайку от широко распространенного привода 12 мм:

Мой сайт: https://cnc-hobby.ru
-
VeterMir
- Мастер
- Сообщения: 203
- Зарегистрирован: 10 окт 2021, 00:51
- Репутация: 4
- Настоящее имя: Владимир
- Контактная информация:
Re: CNC1310 фрезер по металлу (126x88x38)
Не сильно. Расстояние от центра винта до нижней плоскости стола немногим больше 11мм, юбка гайки швп встаёт в паз профиля стола, остаётся изготовить переходную пластину с креплением к гайке швп и профилю (либо к месту крепления бронзовой гайки винтовой) - встанет со свистом.
- Курдль
- Мастер
- Сообщения: 2174
- Зарегистрирован: 20 мар 2018, 16:55
- Репутация: 282
- Настоящее имя: Курдль Энтеропийский
- Откуда: Msk
- Контактная информация:
Re: CNC1310 фрезер по металлу (126x88x38)
На чертеже выше диаметр тела гайки обозначен "24 OR 22". Так 24, или 22?
Мой сайт: https://cnc-hobby.ru
-
VeterMir
- Мастер
- Сообщения: 203
- Зарегистрирован: 10 окт 2021, 00:51
- Репутация: 4
- Настоящее имя: Владимир
- Контактная информация:
Re: CNC1310 фрезер по металлу (126x88x38)
Позвольте, на али достаточно много гаек с валами в продаже, у которых прописаны диаметры валов и самих гаек
, и там есть как 22мм, так и 24, и 36 и так далее. Выбрать нужную ведь можно? =)Насчёт bluetooth помогите лучше, pls, какой модуль для платы взять лучше, чтоб не отваливался в неподходящий момент.
-
VeterMir
- Мастер
- Сообщения: 203
- Зарегистрирован: 10 окт 2021, 00:51
- Репутация: 4
- Настоящее имя: Владимир
- Контактная информация:
Re: CNC1310 фрезер по металлу (126x88x38)
ЗЗЫ я запутался. Как лучше здесь общаться на "вы" или на "ты"? На ты, конечно, как-то удобнее и привычнее, благо форумчане, как правило - братья и друзья, все мы друг другу помогаем. Но, бывают личности, требующие исключительно на "вы" даже в виртуальной среде =)
-
VeterMir
- Мастер
- Сообщения: 203
- Зарегистрирован: 10 окт 2021, 00:51
- Репутация: 4
- Настоящее имя: Владимир
- Контактная информация:
Re: CNC1310 фрезер по металлу (126x88x38)
А, да, возможно топикстартер Курдль смог бы поправить первое сообщение темы, где указал бы ссылки на ключевые посты этого топика по доделке станочка и стоимостям, чтоб заходящим в тему было удобнее ориентироваться во всём этом топике, по образу 4пда, где в первом сообщении собирается вся база знаний, выясненная по ходу общения?
-
MegaBlackJoe
- Кандидат
- Сообщения: 40
- Зарегистрирован: 23 май 2018, 16:16
- Репутация: 0
- Настоящее имя: Tim
- Контактная информация:
Re: CNC1310 фрезер по металлу (126x88x38)
Реальность такова, что лучше скачать пиратский продукт, чем использовать поделку под названием Fusion 360.
1. Он больше небесплатный - 60USD за подписку на софт в месяц.
2. Образовательная лицензия бесплатна только на 1 год.
3. Так как софт работает только в режиме онлайн, вы чаще будете проклинать Автокад за то, что их серверы лежат. За последний год они чаще лежали, чем работали причем именно в те редкие моменты, когда мне надо было использовать Fusion.
4. CAM стратегии не оптимальны, впрочем это беда всех таких софтов подобного уровня и тут нет идеальных. Особенно бомбит от pocketing
5. Забагованный продукт - достачтоно переключить язык на русский на экране ввода пароля и можно перезагружать компьютер.
Я пробовал много разных CAM программ, но ничего лучше Mecsoft не нашел. В нем есть automatic feature detection - которая тоже работает не идеально, с багами, но облегчает жизнь, если надо делать простые формы.
1. Он больше небесплатный - 60USD за подписку на софт в месяц.
2. Образовательная лицензия бесплатна только на 1 год.
3. Так как софт работает только в режиме онлайн, вы чаще будете проклинать Автокад за то, что их серверы лежат. За последний год они чаще лежали, чем работали причем именно в те редкие моменты, когда мне надо было использовать Fusion.
4. CAM стратегии не оптимальны, впрочем это беда всех таких софтов подобного уровня и тут нет идеальных. Особенно бомбит от pocketing
5. Забагованный продукт - достачтоно переключить язык на русский на экране ввода пароля и можно перезагружать компьютер.
Я пробовал много разных CAM программ, но ничего лучше Mecsoft не нашел. В нем есть automatic feature detection - которая тоже работает не идеально, с багами, но облегчает жизнь, если надо делать простые формы.
-
kfmut
- Мастер
- Сообщения: 1249
- Зарегистрирован: 30 янв 2021, 21:34
- Репутация: 147
- Настоящее имя: Максим
- Откуда: г.Тверь
- Контактная информация:
Re: CNC1310 фрезер по металлу (126x88x38)
Фьюжн-срачи ещё актуальны? Ужос! 