"Чтобы не создавать отдельную тему ради одного вопроса"

Общие вопросы станкостроения и организиции труда.
Аватара пользователя
MX_Master
Мастер
Сообщения: 7490
Зарегистрирован: 27 июн 2015, 19:45
Репутация: 3113
Настоящее имя: Михаил
Откуда: Алматы
Контактная информация:

Re: "Чтобы не создавать отдельную тему ради одного вопроса"

Сообщение MX_Master »

Нет, это работать не будет.
foforum
Мастер
Сообщения: 227
Зарегистрирован: 02 июл 2012, 06:43
Репутация: 5
Контактная информация:

Re: "Чтобы не создавать отдельную тему ради одного вопроса"

Сообщение foforum »

В интерфейсе GPIO можно настроить каждую ногу или надо перепаять ЛПТ кабель, если паять есть диаграмма, или дешевое готовое решение?
Аватара пользователя
MX_Master
Мастер
Сообщения: 7490
Зарегистрирован: 27 июн 2015, 19:45
Репутация: 3113
Настоящее имя: Михаил
Откуда: Алматы
Контактная информация:

Re: "Чтобы не создавать отдельную тему ради одного вопроса"

Сообщение MX_Master »

Я имел ввиду, что кабель USB-LPT работать не будет. Насчёт gpio у Raspberry я не в курсе ;)
Kupfershcmidt
Мастер
Сообщения: 2295
Зарегистрирован: 04 авг 2019, 15:54
Репутация: 323
Настоящее имя: Сергей
Контактная информация:

Re: "Чтобы не создавать отдельную тему ради одного вопроса"

Сообщение Kupfershcmidt »

Кто-нибудь может сказать за мелкие быстрые (60000 об\мин) шпинделя с алика? Думал в качестве фрезерного на токарнике мелком приладить...

Типа такого....
foforum
Мастер
Сообщения: 227
Зарегистрирован: 02 июл 2012, 06:43
Репутация: 5
Контактная информация:

Re: "Чтобы не создавать отдельную тему ради одного вопроса"

Сообщение foforum »

Помогите найти аналог платы расширения для Рпай как в видео

https://www.youtube.com/watch?v=a7UodK7 ... yanBallard
Anklin
Кандидат
Сообщения: 63
Зарегистрирован: 07 ноя 2020, 14:43
Репутация: 0
Контактная информация:

Re: "Чтобы не создавать отдельную тему ради одного вопроса"

Сообщение Anklin »

Здравствуйте. Мужики, второй день снова ломаю голову.Ранее уже создавал ветку по этому вопросу. Но тогда проблема как то решилась.
Сейчас приобрел два индуктивных датчика NPN NO, подключил ,все заработало на удивление с первого раза, домашнюю позицию ищет. Но проблема при включении шпинделя. Комп переходит в BSOD, Из ранее предложенных вариантов перепробовал все. Отключил интерфесную плату от шпинделя и драйверов, замыканием реле вручную шпиндель включаеться и набирает обороты. Подскажите куда дальше копать.
Kupfershcmidt
Мастер
Сообщения: 2295
Зарегистрирован: 04 авг 2019, 15:54
Репутация: 323
Настоящее имя: Сергей
Контактная информация:

Re: "Чтобы не создавать отдельную тему ради одного вопроса"

Сообщение Kupfershcmidt »

Anklin писал(а): куда дальше копать.
В сторону более подробного рассказа, полагаю.
Anklin
Кандидат
Сообщения: 63
Зарегистрирован: 07 ноя 2020, 14:43
Репутация: 0
Контактная информация:

Re: "Чтобы не создавать отдельную тему ради одного вопроса"

Сообщение Anklin »

У меня вот такая интерфесная плата, Под номером один это реле шпиндела. 2- это минус всех датчиков. IN1-4 сответсвенно сигнальные кабеля. Красным цветом обозначены драйвера.
Два последних, индуктивных датчика я запитал от платы +5В, с порта СОМ , Мач увидел датчики, распознал под 11 и 12 портами. Станок начал исакать домашнюю позицию. Но при включении шпинделя, комп переходит в аварийный режим.
Вложения
photo_2021-01-28_10-54-39.jpg (1454 просмотра) <a class='original' href='./download/file.php?id=191656&mode=view' target=_blank>Загрузить оригинал (325.69 КБ)</a>
Anklin
Кандидат
Сообщения: 63
Зарегистрирован: 07 ноя 2020, 14:43
Репутация: 0
Контактная информация:

Re: "Чтобы не создавать отдельную тему ради одного вопроса"

Сообщение Anklin »

Эта проблема началась при подключении первого датчика на автоноль, тогда разобрался ,переподключил драйвера по схеме с форума и добавил заземление. Все тогда заработало. Проблема я так понимаю в потенциале который приходит в компютер
Anklin
Кандидат
Сообщения: 63
Зарегистрирован: 07 ноя 2020, 14:43
Репутация: 0
Контактная информация:

Re: "Чтобы не создавать отдельную тему ради одного вопроса"

Сообщение Anklin »

Сейчас просто отключил все датчики от платы, оставил только реле шпинделя и драйвера, так все работает, шпиндель набирает обороты
Anklin
Кандидат
Сообщения: 63
Зарегистрирован: 07 ноя 2020, 14:43
Репутация: 0
Контактная информация:

Re: "Чтобы не создавать отдельную тему ради одного вопроса"

Сообщение Anklin »

Подключил станок к другому компютеру, все датчики ,шпиндель работают, в аварийный режим не переходит.
Аватара пользователя
daemon78
Мастер
Сообщения: 1693
Зарегистрирован: 02 окт 2018, 15:02
Репутация: 103
Настоящее имя: Владимир
Откуда: Москва
Контактная информация:

Re: "Чтобы не создавать отдельную тему ради одного вопроса"

Сообщение daemon78 »

Всем привет.
Подскажите пожалуйста STL вьюер, желательно чтобы можно было размеры модели видеть.
Nixon
Мастер
Сообщения: 348
Зарегистрирован: 07 ноя 2016, 15:45
Репутация: 28
Настоящее имя: Алексей
Контактная информация:

Re: "Чтобы не создавать отдельную тему ради одного вопроса"

Сообщение Nixon »

daemon78 писал(а): Подскажите пожалуйста STL вьюер
ABViewer. А вот можно ли размер видеть не помню. Я для конвертации в DXF пользовал
MutCNC
Кандидат
Сообщения: 59
Зарегистрирован: 23 фев 2018, 02:09
Репутация: 0
Настоящее имя: Ruslan
Контактная информация:

Re: "Чтобы не создавать отдельную тему ради одного вопроса"

Сообщение MutCNC »

Здравствуйте. Как и каким инструментом можно проконтролировать извернутость (пропеллер) плоскости в процессе шабрения?
При условии что плоскость вертикальная, т.е. уровень не положишь.
Снимок экрана_2021-01-31_22-27-24.png (1299 просмотров) <a class='original' href='./download/file.php?id=191806&mode=view' target=_blank>Загрузить оригинал (907.61 КБ)</a>
Аватара пользователя
xenon-alien
Почётный участник
Почётный участник
Сообщения: 4520
Зарегистрирован: 01 янв 2013, 13:13
Репутация: 925
Настоящее имя: Daniel
Откуда: Закарпатская обл. Украина
Контактная информация:

Re: "Чтобы не создавать отдельную тему ради одного вопроса"

Сообщение xenon-alien »

Кто пробовал такой переходник - Linumeric USB/LPT с LCNC?
https://www.youtube.com/watch?v=QZuGxhvYxlo
Аватара пользователя
Mamont
Мастер
Сообщения: 2005
Зарегистрирован: 10 дек 2015, 12:21
Репутация: 391
Настоящее имя: Виталий
Откуда: РБ Минск
Контактная информация:

Re: "Чтобы не создавать отдельную тему ради одного вопроса"

Сообщение Mamont »

MutCNC писал(а):
Здравствуйте. Как и каким инструментом можно проконтролировать извернутость (пропеллер) плоскости в процессе шабрения?
При условии что плоскость вертикальная, т.е. уровень не положишь.
Стола не видно. Значит высокочувствительный уровень закрепить на угольнике. Угольник закрепить на каретках, прокатить по рельсам
MutCNC
Кандидат
Сообщения: 59
Зарегистрирован: 23 фев 2018, 02:09
Репутация: 0
Настоящее имя: Ruslan
Контактная информация:

Re: "Чтобы не создавать отдельную тему ради одного вопроса"

Сообщение MutCNC »

Mamont писал(а): 02 фев 2021, 22:56
MutCNC писал(а):
Здравствуйте. Как и каким инструментом можно проконтролировать извернутость (пропеллер) плоскости в процессе шабрения?
При условии что плоскость вертикальная, т.е. уровень не положишь.
Стола не видно. Значит высокочувствительный уровень закрепить на угольнике. Угольник закрепить на каретках, прокатить по рельсам

Я пробовал этот вариант. Проблема этого способа в том что рельсы и каретка тоже имеют погрешность. Но самое неприятное, после того как промерил всю длину, делаю карту измерений, после снимаю рельсы и шабрю предположительно высокий участок. Слепой съем металла. При повторном измерении можно получить совсем другую картину. Думаю степень затяжки болтов тоже меняют результат.
foforum
Мастер
Сообщения: 227
Зарегистрирован: 02 июл 2012, 06:43
Репутация: 5
Контактная информация:

Re: "Чтобы не создавать отдельную тему ради одного вопроса"

Сообщение foforum »

Нужно менять этот подшипник?

my-files.su/gcj0w0
Аватара пользователя
Bioraptor
Мастер
Сообщения: 532
Зарегистрирован: 05 ноя 2018, 22:17
Репутация: 68
Настоящее имя: Дима
Контактная информация:

Re: "Чтобы не создавать отдельную тему ради одного вопроса"

Сообщение Bioraptor »

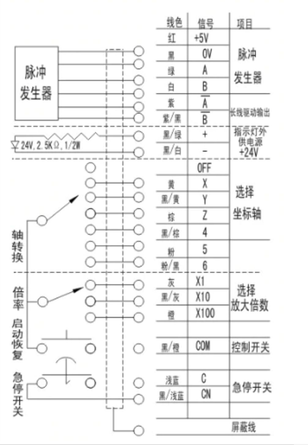
Приветствую, кто имел дело с подключением пульта ручного управления?
Помогите разобраться, никак не могу понять как нужно подключать данное устройство к моей плате.
Пульт подключается через разъём DB 15, судя по мануалу пинов задействовано только 14.
1.К каким пинам цеплять диод зелёный который на пульте, правильно ли я понял, что это пины 1 и 11?
2.К каким пинам подключать Е-стоп, 4 и 11 или 1 и 4?
3.Так как я буду использовать максиму 4 оси то пины 3 и 5 мне можно не задействовать?
У пульта есть жилка ораньжево-чёрная(COM), её нужно куда то подключать, за что она отвечает?

Плата: ZK Motion
ZKMotion.jpg (1017 просмотров) <a class='original' href='./download/file.php?id=192144&mode=view' target=_blank>Загрузить оригинал (56.18 КБ)</a>
ZK MPG.jpg (1017 просмотров) <a class='original' href='./download/file.php?id=192143&mode=view' target=_blank>Загрузить оригинал (86.09 КБ)</a>
https://www.nvcnc.net/pdf/ZKMotionUserManual.pdf

Пульт такой:
6b52fa5b-6804-485a-bdf0-32c05ba9cdb2.jpeg (1017 просмотров) <a class='original' href='./download/file.php?id=192145&mode=view' target=_blank>Загрузить оригинал (41.84 КБ)</a>
MPG_handheld_hand_wheel_14.jpg (1017 просмотров) <a class='original' href='./download/file.php?id=192146&mode=view' target=_blank>Загрузить оригинал (114.36 КБ)</a>
Rus_Lan
Кандидат
Сообщения: 91
Зарегистрирован: 26 окт 2020, 08:45
Репутация: 11
Настоящее имя: Ruslan
Контактная информация:

Re: "Чтобы не создавать отдельную тему ради одного вопроса"

Сообщение Rus_Lan »

1. Да 1и 11
2. ? Зависит от настройки ZK
3. Можно не задействовать.
4. СОМ Это общий переключателей множителя и осей.
Вроде так, если не ошибаюсь.
Вложения
Clipboard 1.jpg (994 просмотра) <a class='original' href='./download/file.php?id=192148&mode=view' target=_blank>Загрузить оригинал (111.94 КБ)</a>
Ответить

Вернуться в «Общие вопросы»