Револьверная головка от АТПУ-125
-
Mike S
- Кандидат
- Сообщения: 47
- Зарегистрирован: 07 ноя 2017, 11:22
- Репутация: 1
- Настоящее имя: Михаил
- Контактная информация:
Револьверная головка от АТПУ-125
Доброго времени суток!
Имеется станок АТПУ на нём, я так понял, итальянская голова Baruffaldi ещё с советской конверсии, без опозновательных знаков.
Вопрос, как определить рабочее напряжение асинхронника который вмурован в нее?
Известно только сопротивление обмоток 57 Ом. Шкафа от станка нет.
Имеется станок АТПУ на нём, я так понял, итальянская голова Baruffaldi ещё с советской конверсии, без опозновательных знаков.
Вопрос, как определить рабочее напряжение асинхронника который вмурован в нее?
Известно только сопротивление обмоток 57 Ом. Шкафа от станка нет.
- Serg
- Мастер
- Сообщения: 21923
- Зарегистрирован: 17 апр 2012, 14:58
- Репутация: 5183
- Заслуга: c781c134843e0c1a3de9
- Настоящее имя: Сергей
- Откуда: Москва
- Контактная информация:
Re: Револьверная головка от АТПУ-125
Если асинхронник, то наверняка 220 или 380, только пробовать.
Я не Христос, рыбу не раздаю, но могу научить, как сделать удочку...
- mikehv
- Мастер
- Сообщения: 2115
- Зарегистрирован: 14 авг 2013, 10:10
- Репутация: 1175
- Откуда: Иваново
- Контактная информация:
Re: Револьверная головка от АТПУ-125
Вот точно не факт. У меня на chiron половина асинхронников на 110вUAVpilot писал(а):Если асинхронник, то наверняка 220 или 380, только пробовать.
- sima8520
- Почётный участник

- Сообщения: 4509
- Зарегистрирован: 24 ноя 2016, 23:35
- Репутация: 1617
- Настоящее имя: Илья
- Откуда: Беларусь, Гомель
- Контактная информация:
Re: Револьверная головка от АТПУ-125
А сколько проводов из двигателя выходит?
-
Mike S
- Кандидат
- Сообщения: 47
- Зарегистрирован: 07 ноя 2017, 11:22
- Репутация: 1
- Настоящее имя: Михаил
- Контактная информация:
Re: Револьверная головка от АТПУ-125
3 сечением примерно 0,5
предположительно по габаритам ватт 200, зная мощность и сопротивление как выщитать напряжение...?
предположительно по габаритам ватт 200, зная мощность и сопротивление как выщитать напряжение...?
- Serg
- Мастер
- Сообщения: 21923
- Зарегистрирован: 17 апр 2012, 14:58
- Репутация: 5183
- Заслуга: c781c134843e0c1a3de9
- Настоящее имя: Сергей
- Откуда: Москва
- Контактная информация:
Re: Револьверная головка от АТПУ-125
На переменном токе? - Никак.Mike S писал(а):предположительно по габаритам ватт 200, зная мощность и сопротивление как выщитать напряжение...?
Я не Христос, рыбу не раздаю, но могу научить, как сделать удочку...
- N1X
- Мастер
- Сообщения: 3653
- Зарегистрирован: 16 фев 2015, 21:19
- Репутация: 1646
- Настоящее имя: Владимир
- Откуда: Беларусь, Гомель
- Контактная информация:
Re: Револьверная головка от АТПУ-125
Для обычных асинхронников эмпирические коэффициенты есть, но этот для кратковременного режима, тем более буржуазный... Втыкать кратковременно и мерять ток...
- mikehv
- Мастер
- Сообщения: 2115
- Зарегистрирован: 14 авг 2013, 10:10
- Репутация: 1175
- Откуда: Иваново
- Контактная информация:
Re: Револьверная головка от АТПУ-125
можно частотником покрутить. Начиная с низкого напряжения.
-
Mike S
- Кандидат
- Сообщения: 47
- Зарегистрирован: 07 ноя 2017, 11:22
- Репутация: 1
- Настоящее имя: Михаил
- Контактная информация:
Re: Револьверная головка от АТПУ-125
Частотник вроде не меняет напряжение, только скважность.mikehv писал(а):можно частотником покрутить. Начиная с низкого напряжения.
-
Mike S
- Кандидат
- Сообщения: 47
- Зарегистрирован: 07 ноя 2017, 11:22
- Репутация: 1
- Настоящее имя: Михаил
- Контактная информация:
Re: Револьверная головка от АТПУ-125
Вот и пришёл к этому, только тут то же пальцем в небо, самому придётся придумывать ему рабочий ток, хотя в любом случае у него коэффициент использования типа 0,0гулькин нос.N1X писал(а):Для обычных асинхронников эмпирические коэффициенты есть, но этот для кратковременного режима, тем более буржуазный... Втыкать кратковременно и мерять ток...
-
Mike S
- Кандидат
- Сообщения: 47
- Зарегистрирован: 07 ноя 2017, 11:22
- Репутация: 1
- Настоящее имя: Михаил
- Контактная информация:
Re: Револьверная головка от АТПУ-125
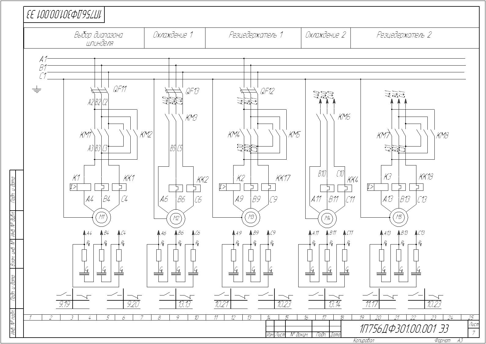
Нашел папу этого станка 1П756ДФ и схемы на него имеются, голова там на 380
-
kravc
- Кандидат
- Сообщения: 98
- Зарегистрирован: 17 май 2016, 09:41
- Репутация: 29
- Откуда: Ростов-на-Дону
- Контактная информация:
Re: Револьверная головка от АТПУ-125
Здравствуйте. Дали ума голове? Не продаете? Возможно кассеты?Mike S писал(а): ↑10 ноя 2019, 23:40 Доброго времени суток!
Имеется станок АТПУ на нём, я так понял, итальянская голова Baruffaldi ещё с советской конверсии, без опозновательных знаков.
Вопрос, как определить рабочее напряжение асинхронника который вмурован в нее?
Известно только сопротивление обмоток 57 Ом. Шкафа от станка нет.