Переделка фрезера по дереву (рабочее поле 2500х1250мм)

Фрезерные и гравировальные станки для обработки мягких материалов (дерево, пластики, мягкие металлы).
Hugo
Мастер
Сообщения: 1369
Зарегистрирован: 15 окт 2018, 19:39
Репутация: 303
Настоящее имя: Юрий
Контактная информация:

Re: Переделка фрезера по дереву (рабочее поле 2500х1250мм)

Сообщение Hugo »

NikolayUa24 писал(а):
hmnijp писал(а):Ну раз уж про это говорим, подскажите, с покупкой есть ли какие заморочки? покупать у них напрямую? на физ лицо из европы ничего не покупал такого относительно промышленного... Думаю попробовать.
Относительно промышленного там ничего такого нету в invoice указано Ethernet board доставка вышла 13$ лицензия пришла на почту. Капризная к питанию 5в от зарядного 5в 1А работать не хочет :hehehe: для подключения напрямую к компу нужен Crossover Cable.
Контроллер UC300eth, тоже подумываю такой себе купить... какую будешь брать к контроллеру плату развязки?
NikolayUa24
Мастер
Сообщения: 1407
Зарегистрирован: 31 июл 2013, 20:05
Репутация: 256
Настоящее имя: Николай
Контактная информация:

Re: Переделка фрезера по дереву (рабочее поле 2500х1250мм)

Сообщение NikolayUa24 »

Hugo писал(а): какую будешь брать к контроллеру плату развязки?
У меня есть китайская, подключал работает хорошо. Хочу подключить MPG благо входов-выходов много заказал две таких и нужно самому делать кабель у себя такой как нужен не нашел заказал CAT6A RJ45 и купил 10м кабеля.
Вложения
китайская (3027 просмотров) <a class='original' href='./download/file.php?id=172166&mode=view' target=_blank>Загрузить оригинал (83.93 КБ)</a>
китайская
Страдания ведут человека к совершенству.
Hugo
Мастер
Сообщения: 1369
Зарегистрирован: 15 окт 2018, 19:39
Репутация: 303
Настоящее имя: Юрий
Контактная информация:

Re: Переделка фрезера по дереву (рабочее поле 2500х1250мм)

Сообщение Hugo »

NikolayUa24 писал(а):
Hugo писал(а): какую будешь брать к контроллеру плату развязки?
У меня есть китайская, подключал работает хорошо. Хочу подключить MPG благо входов-выходов много заказал дветаких и нужно самому делать кабель у себя такой как нужен не нашел заказал две такие CAT6A RJ45 и купил 10м кабеля.
Я сам не электронщик , но про эту плату слышал что самая дешёвка..., такому хорошему контроллеру - может есть смысл что-то получше приобрести?
Hugo
Мастер
Сообщения: 1369
Зарегистрирован: 15 окт 2018, 19:39
Репутация: 303
Настоящее имя: Юрий
Контактная информация:

Re: Переделка фрезера по дереву (рабочее поле 2500х1250мм)

Сообщение Hugo »

Я для себя поторопился , купил USS smothstepler для mach3-4, + хорошую плату но думаю перейти на uccnc ( после глюков и зарезов в Mach3 на моём станке по алюминию)
NikolayUa24
Мастер
Сообщения: 1407
Зарегистрирован: 31 июл 2013, 20:05
Репутация: 256
Настоящее имя: Николай
Контактная информация:

Re: Переделка фрезера по дереву (рабочее поле 2500х1250мм)

Сообщение NikolayUa24 »

Hugo писал(а): про эту плату слышал что самая дешёвка
Я пробовал и с Мач3 и UCCNC обе работают хорошо не глючат связь не теряется винда 7/64
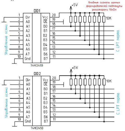
Я с этой платы буду использовать только оси там две микросхемы 74HC245D (Восьмиканальный двунаправленный приемопередатчик с тремя состояниями на выходе)
Вложения
d.jpg (3020 просмотров) <a class='original' href='./download/file.php?id=172177&mode=view' target=_blank>Загрузить оригинал (58.25 КБ)</a>
Mach3 (3017 просмотров) <a class='original' href='./download/file.php?id=172178&mode=view' target=_blank>Загрузить оригинал (131.3 КБ)</a>
Mach3
1016.jpg (3017 просмотров) <a class='original' href='./download/file.php?id=172179&mode=view' target=_blank>Загрузить оригинал (168.14 КБ)</a>
1017.jpg (3017 просмотров) <a class='original' href='./download/file.php?id=172180&mode=view' target=_blank>Загрузить оригинал (173.24 КБ)</a>
1018.jpg (3017 просмотров) <a class='original' href='./download/file.php?id=172181&mode=view' target=_blank>Загрузить оригинал (161.65 КБ)</a>
1019.jpg (3017 просмотров) <a class='original' href='./download/file.php?id=172182&mode=view' target=_blank>Загрузить оригинал (209.51 КБ)</a>
1020.jpg (3017 просмотров) <a class='original' href='./download/file.php?id=172183&mode=view' target=_blank>Загрузить оригинал (208.53 КБ)</a>
1021.jpg (3017 просмотров) <a class='original' href='./download/file.php?id=172184&mode=view' target=_blank>Загрузить оригинал (217.8 КБ)</a>
Последний раз редактировалось NikolayUa24 19 ноя 2019, 14:08, всего редактировалось 1 раз.
Страдания ведут человека к совершенству.
Hugo
Мастер
Сообщения: 1369
Зарегистрирован: 15 окт 2018, 19:39
Репутация: 303
Настоящее имя: Юрий
Контактная информация:

Re: Переделка фрезера по дереву (рабочее поле 2500х1250мм)

Сообщение Hugo »

Так как я в электронике плохо понимаю, то покупал самую дорогую плату, что была в продаже - надеясь на то, что работать должна хорошо - раз сколько стоит :)))
https://shop.cnc-technics.de/product_in ... epper.html
NikolayUa24
Мастер
Сообщения: 1407
Зарегистрирован: 31 июл 2013, 20:05
Репутация: 256
Настоящее имя: Николай
Контактная информация:

Re: Переделка фрезера по дереву (рабочее поле 2500х1250мм)

Сообщение NikolayUa24 »

Hugo писал(а):Так как я в электронике плохо понимаю, то покупал самую дорогую плату, что была в продаже - надеясь на то, что работать должна хорошо - раз сколько стоит :)))
https://shop.cnc-technics.de/product_in ... epper.html
Они у себя на сайте продают UCBB на два порта, не вижу смысла платить 74 евро
Реле я купил такие там можно выбрать высокий или низкий входной уровень.
Страдания ведут человека к совершенству.
Аватара пользователя
hmnijp
Мастер
Сообщения: 1754
Зарегистрирован: 20 авг 2017, 15:02
Репутация: 542
Настоящее имя: Константин
Откуда: Ульяновск
Контактная информация:

Re: Переделка фрезера по дереву (рабочее поле 2500х1250мм)

Сообщение hmnijp »

NikolayUa24 писал(а):Относительно промышленного там ничего такого нету в invoice указано Ethernet board доставка вышла 13$ лицензия пришла на почту.
Ну это и зависит от того, что в инвойсе написано) Был опыт что из китая заворачивали, на физ лицо нельзя было растоможить, но это всё на дотошливость инспектора...

В прочем скорее всего закажу AXBB-E. Но отзывы о косяках тоже жду, только не от мача, а от uccnc
Аватара пользователя
Dimka
Мастер
Сообщения: 1400
Зарегистрирован: 14 июл 2016, 23:40
Репутация: 347
Настоящее имя: Дима
Откуда: Санкт-Петербург
Контактная информация:

Re: Переделка фрезера по дереву (рабочее поле 2500х1250мм)

Сообщение Dimka »

hmnijp, а на чём ты сейчас работаешь и почему хочется заменить на uccnc?
NikolayUa24
Мастер
Сообщения: 1407
Зарегистрирован: 31 июл 2013, 20:05
Репутация: 256
Настоящее имя: Николай
Контактная информация:

Re: Переделка фрезера по дереву (рабочее поле 2500х1250мм)

Сообщение NikolayUa24 »

hmnijp писал(а):Но отзывы о косяках тоже жду
Как приведу все это дело в порядок буду писать. А так пока все собрано на соплях, кабеля нету БП на 5в тоже. 5в брал со старого системника кабель был прямой длиной 1м разрезал перепаял как надо. Одним словом колхоз. Пробовал резать Ацтекский календарь 70Мб грузится УП хорошо режет UCCNC тоже мне понравилось. Пока доволен, и самое главное не теряет связь с контроллером.
Пора заканчивать этот балаган а то зас... человеку тему.
Страдания ведут человека к совершенству.
Аватара пользователя
hmnijp
Мастер
Сообщения: 1754
Зарегистрирован: 20 авг 2017, 15:02
Репутация: 542
Настоящее имя: Константин
Откуда: Ульяновск
Контактная информация:

Re: Переделка фрезера по дереву (рабочее поле 2500х1250мм)

Сообщение hmnijp »

Dimka писал(а):hmnijp, а на чём ты сейчас работаешь и почему хочется заменить на uccnc?
В основном мач на lpt, параллельно стоит linuxcnc под axis, запускаю его когда траектория сложная большая(мач тупит на них и портит малину. да и частоту большую он не вывозит).
В целом мне ооочень нужно отвязаться от lpt, уйти с мача, получить большую стабильность и чуть больше входов-выходов под всякие приспособы, на которые уже не хватает.
Выбор сейчас вижу только - ethernet mesa или этот под управлением uccnc(немного погонял всякие тесты в демо, сравнивая время работы на разных настройках с мачем. софт нравится, под тачскрином работает. Свои плагины/скрипты/скрины можно дописывать. Отзывов отрицательных как таковых особо нет, редко мелкие косячки на их форуме всплывают, но они их фиксят в версиях)
Цена одинаковая в принципе, но линукс пока-что банально нет времени допиливать до удобно-рабочего состояния, хотя и интересно повозиться. Mycnc дороже в 2.5 раза, были бы сервы, выбрал бы её.
NikolayUa24
Мастер
Сообщения: 1407
Зарегистрирован: 31 июл 2013, 20:05
Репутация: 256
Настоящее имя: Николай
Контактная информация:

Re: Переделка фрезера по дереву (рабочее поле 2500х1250мм)

Сообщение NikolayUa24 »

Hugo писал(а):может есть смысл что-то получше приобрести?
Красивая но дорого UB1
Страдания ведут человека к совершенству.
Hugo
Мастер
Сообщения: 1369
Зарегистрирован: 15 окт 2018, 19:39
Репутация: 303
Настоящее имя: Юрий
Контактная информация:

Re: Переделка фрезера по дереву (рабочее поле 2500х1250мм)

Сообщение Hugo »

NikolayUa24 писал(а):
Hugo писал(а):может есть смысл что-то получше приобрести?
Красивая но дорого UB1
в Европе кто-нибудь такую продаёт?
NikolayUa24
Мастер
Сообщения: 1407
Зарегистрирован: 31 июл 2013, 20:05
Репутация: 256
Настоящее имя: Николай
Контактная информация:

Re: Переделка фрезера по дереву (рабочее поле 2500х1250мм)

Сообщение NikolayUa24 »

Hugo писал(а):в Европе кто-нибудь такую продаёт?
Точно не знаю, вероятнее что нет.
Страдания ведут человека к совершенству.
Hugo
Мастер
Сообщения: 1369
Зарегистрирован: 15 окт 2018, 19:39
Репутация: 303
Настоящее имя: Юрий
Контактная информация:

Re: Переделка фрезера по дереву (рабочее поле 2500х1250мм)

Сообщение Hugo »

Интересное решение по автоматической смене инструмента, для тех кто хочет переделать фрезер с минимальными переделками... рабочее поле не уменьшается, балку портала удлинять вбок не надо...

Хорошее любительское решение на мой взгляд...

*смотреть начиная с первой минуты

https://www.youtube.com/watch?v=i5Vgb4ftkHs
Аватара пользователя
neonas
Мастер
Сообщения: 385
Зарегистрирован: 12 янв 2013, 22:41
Репутация: 72
Откуда: Литва, Вильнюс
Контактная информация:

Re: Переделка фрезера по дереву (рабочее поле 2500х1250мм)

Сообщение neonas »

Очень популярное решение на Польских роутерах. И совсем не любительское.
Как много тех, с кем можно лечь в постель.
Как мало тех, с кем хочется проснуться...
Аватара пользователя
hmnijp
Мастер
Сообщения: 1754
Зарегистрирован: 20 авг 2017, 15:02
Репутация: 542
Настоящее имя: Константин
Откуда: Ульяновск
Контактная информация:

Re: Переделка фрезера по дереву (рабочее поле 2500х1250мм)

Сообщение hmnijp »

Ага, только когда магазин выезжает, он всё равно занимает рабочую зону) хотя на роутерах, с маленьким ходом по Z, когда вертикальная смена недоступна, чуть чуть сэкономит...
Последний раз редактировалось hmnijp 01 дек 2019, 23:22, всего редактировалось 1 раз.
Hugo
Мастер
Сообщения: 1369
Зарегистрирован: 15 окт 2018, 19:39
Репутация: 303
Настоящее имя: Юрий
Контактная информация:

Re: Переделка фрезера по дереву (рабочее поле 2500х1250мм)

Сообщение Hugo »

Понравилось, что не сложная схема реализация смены, и немного поодаль от зоны обработки, может инструмент будет меньше засоряться...
Hugo
Мастер
Сообщения: 1369
Зарегистрирован: 15 окт 2018, 19:39
Репутация: 303
Настоящее имя: Юрий
Контактная информация:

Re: Переделка фрезера по дереву (рабочее поле 2500х1250мм)

Сообщение Hugo »

В предыдущем видео с авто сменой инструмента, и видео, которое под текстом, используют одинаковые Тайваньские шпинделя с автосменой, делает обзор...
По стоимости, 1450 USD, как он говорит, хорошее качество...

производитель
http://ru.jian-ken.com/

обзор шпинделя с ATC

https://www.youtube.com/watch?v=pWNeW-lH9RA

через 1 год использования (замеры) + фрезеровка алюминия

https://www.youtube.com/watch?v=h9q6j7POgOI

Хвалит, одним словом вроде... :thinking:

Есть ли хорошие не дорогие шпинделя с ATC ценой до 1500 USD? Может, есть какие другие варианты?
Аватара пользователя
neonas
Мастер
Сообщения: 385
Зарегистрирован: 12 янв 2013, 22:41
Репутация: 72
Откуда: Литва, Вильнюс
Контактная информация:

Re: Переделка фрезера по дереву (рабочее поле 2500х1250мм)

Сообщение neonas »

Вроде frezeruga использовал что-то подобное, у него можно спросить.
Из своих наблюдений могу сказать, что ни одного китайского станка с автосменой не видел с китайскими шпинделями.
Всегда только HSD, Elte, и так далее. Видимо не зря. Скорее всего это как лотерея, повезет не повезет.
А может и маркетинг, типа "почти европейское качество". Шпинделя именитых производителей стоят гораздо дороже.
Разве что БУ. Тогда можно и за 1500 найти. Но там та же лотерея.
Как я говорю тем, кто интересуется китайскими станками - Если тебе везет в казино, то и с Китаем повезет. :hehehe:
Как много тех, с кем можно лечь в постель.
Как мало тех, с кем хочется проснуться...
Ответить

Вернуться в «Фрезерные станки по дереву и пластикам, гравировальные станки, роутеры»