GGEasy (фрезеровка печатных плат на ЧПУ)

Обсуждение аспектов работы с CAМ программами, подготовка моделей, настройка постпроцессоров, настройка параметров инструментов, обсуждение стратегий обработки, симуляция обработки. Вопросы по G-коду.
X-Ray
Мастер
Сообщения: 600
Зарегистрирован: 04 фев 2016, 23:06
Репутация: 275
Настоящее имя: Дамир
Контактная информация:

Re: Grber2GCode

Сообщение X-Ray »

xenon-alien писал(а):Можете выложить часть УП созданную G2G, что бы посмотреть?

Код: Выделить всё

G21 G17 G90
G0Z40.000
S24000M3
X16.953Y31.924
Z0.500
G1Z-0.050F480.000
X16.953Y31.924F480.000
X16.974Y31.964
X17.011Y31.938
X16.995Y31.937
X16.993Y31.937
X16.975Y31.933
X16.972Y31.932
X16.955Y31.925
X16.953Y31.924
G0Z2.000
X17.468Y31.649
Z0.500
G1Z-0.050F480.000
X17.468Y31.649F480.000
X17.467Y31.654
X17.467Y31.657
X17.462Y31.675
X17.461Y31.677
X17.453Y31.694
X17.452Y31.696
X17.441Y31.711
X17.493Y31.698
X17.468Y31.649
G0Z2.000
X21.949Y31.999
Z0.500
G1Z-0.050F480.000
X21.949Y31.999F480.000
X21.976Y32.038
........
Программа GGEasy (фрезеровка из гербера, производство ПП на ЧПУ) GERBER_X3/releases
Прежде чем писать о багах проверьте, является ли ваша версия последней!
Баги - глюки и ПРЕДЛОЖЕНИЯ(Хотелки) писать СЮДА!!!
Багтрекер
Тестовая версия
Аватара пользователя
xenon-alien
Почётный участник
Почётный участник
Сообщения: 4520
Зарегистрирован: 01 янв 2013, 13:13
Репутация: 925
Настоящее имя: Daniel
Откуда: Закарпатская обл. Украина
Контактная информация:

Re: Grber2GCode

Сообщение xenon-alien »

X-Ray писал(а):
xenon-alien писал(а):Можете выложить часть УП созданную G2G, что бы посмотреть?

Код: Выделить всё

G21 G17 G90
G0Z40.000
S24000M3
X16.953Y31.924
Z0.500
G1Z-0.050F480.000
X16.953Y31.924F480.000
X16.974Y31.964
X17.011Y31.938
X16.995Y31.937
X16.993Y31.937
X16.975Y31.933
X16.972Y31.932
X16.955Y31.925
X16.953Y31.924
G0Z2.000
X17.468Y31.649
Z0.500
G1Z-0.050F480.000
X17.468Y31.649F480.000
X17.467Y31.654
X17.467Y31.657
X17.462Y31.675
X17.461Y31.677
X17.453Y31.694
X17.452Y31.696
X17.441Y31.711
X17.493Y31.698
X17.468Y31.649
G0Z2.000
X21.949Y31.999
Z0.500
G1Z-0.050F480.000
X21.949Y31.999F480.000
X21.976Y32.038
........
Благодарю.
Данный вид УП для меня - прошивки Марлин не подойдет...
Только такое понимает

Код: Выделить всё

G90
G0 Z15.000
G0 X0.000 Y0.000 Z15.000
G0 X-1.250 Y22.450 Z1.000
G1 X-1.250 Y22.450 Z-0.481 F250.0
G1 X-1.250 Y49.750  F500.0
G1 X-1.241 Y49.988 
G1 X-1.215 Y50.228 
G1 X-1.170 Y50.468 
G1 X-1.107 Y50.704 
G1 X-1.026 Y50.937 
X-Ray
Мастер
Сообщения: 600
Зарегистрирован: 04 фев 2016, 23:06
Репутация: 275
Настоящее имя: Дамир
Контактная информация:

Re: Grber2GCode

Сообщение X-Ray »

xenon-alien писал(а):Данный вид УП для меня - прошивки Марлин не подойдет...
selenur передлагал сделать пресеты для сохранения г-кода в разном управляемом виде, когда нибудь добавлю.
Программа GGEasy (фрезеровка из гербера, производство ПП на ЧПУ) GERBER_X3/releases
Прежде чем писать о багах проверьте, является ли ваша версия последней!
Баги - глюки и ПРЕДЛОЖЕНИЯ(Хотелки) писать СЮДА!!!
Багтрекер
Тестовая версия
bvv4
Новичок
Сообщения: 23
Зарегистрирован: 24 май 2019, 03:01
Репутация: 2
Настоящее имя: Вадим
Контактная информация:

Re: Grber2GCode

Сообщение bvv4 »

X-Ray писал(а):Так зачем же вы их не выбрали
Потому, что если бы я их выбрал, то новая траектория отделила бы их от полигона вовсе, а мне нужен только термобарьер.
X-Ray
Мастер
Сообщения: 600
Зарегистрирован: 04 фев 2016, 23:06
Репутация: 275
Настоящее имя: Дамир
Контактная информация:

Re: Grber2GCode

Сообщение X-Ray »

bvv4 писал(а):а мне нужен только термобарьер.
Проще тогда всё металлом в программе разводки залить изначально.
Программа GGEasy (фрезеровка из гербера, производство ПП на ЧПУ) GERBER_X3/releases
Прежде чем писать о багах проверьте, является ли ваша версия последней!
Баги - глюки и ПРЕДЛОЖЕНИЯ(Хотелки) писать СЮДА!!!
Багтрекер
Тестовая версия
bvv4
Новичок
Сообщения: 23
Зарегистрирован: 24 май 2019, 03:01
Репутация: 2
Настоящее имя: Вадим
Контактная информация:

Re: Grber2GCode

Сообщение bvv4 »

X-Ray писал(а):всё металлом в программе разводки залить
Полностью с Вами согласен. Я бы так и хотел, но в спринте не умею, а дипТрейс для чего то посложнее держу. Там не так удобно рисовать контур и дорожки.
bvv4
Новичок
Сообщения: 23
Зарегистрирован: 24 май 2019, 03:01
Репутация: 2
Настоящее имя: Вадим
Контактная информация:

Re: Grber2GCode

Сообщение bvv4 »

Действительно, так на много лучше, спасибо.
Но у меня всегда не правильно принимается центр координат.
Вложения
G2G5.JPG (3229 просмотров) <a class='original' href='./download/file.php?id=163509&mode=view' target=_blank>Загрузить оригинал (219.74 КБ)</a>
G2G6.JPG (3229 просмотров) <a class='original' href='./download/file.php?id=163510&mode=view' target=_blank>Загрузить оригинал (265.7 КБ)</a>
X-Ray
Мастер
Сообщения: 600
Зарегистрирован: 04 фев 2016, 23:06
Репутация: 275
Настоящее имя: Дамир
Контактная информация:

Re: Grber2GCode

Сообщение X-Ray »

bvv4 писал(а):Но у меня всегда не правильно принимается
Необходимо выделить только тот слой или объект относительно которого необходимо центроваться.
Программа GGEasy (фрезеровка из гербера, производство ПП на ЧПУ) GERBER_X3/releases
Прежде чем писать о багах проверьте, является ли ваша версия последней!
Баги - глюки и ПРЕДЛОЖЕНИЯ(Хотелки) писать СЮДА!!!
Багтрекер
Тестовая версия
bvv4
Новичок
Сообщения: 23
Зарегистрирован: 24 май 2019, 03:01
Репутация: 2
Настоящее имя: Вадим
Контактная информация:

Re: Grber2GCode

Сообщение bvv4 »

X-Ray писал(а):выделить
Где выделить и что дальше с ними делать.
И как быть с тем, что по контуру резать не получается нормально? Почему то программа создает две траектории вокруг контура обрезки. Как снаружи так и внутри.
X-Ray
Мастер
Сообщения: 600
Зарегистрирован: 04 фев 2016, 23:06
Репутация: 275
Настоящее имя: Дамир
Контактная информация:

Re: Grber2GCode

Сообщение X-Ray »

bvv4 писал(а):Где выделить и что дальше с ними делать.
И как быть с тем, что по контуру резать не получается нормально? Почему то программа создает две траектории вокруг контура обрезки. Как снаружи так и внутри.
Про шифты:https://www.youtube.com/watch?v=zihGkOEWJyY
И ещё раз про контур:https://www.youtube.com/watch?v=k8sIWST2ujM
Программа GGEasy (фрезеровка из гербера, производство ПП на ЧПУ) GERBER_X3/releases
Прежде чем писать о багах проверьте, является ли ваша версия последней!
Баги - глюки и ПРЕДЛОЖЕНИЯ(Хотелки) писать СЮДА!!!
Багтрекер
Тестовая версия
X-Ray
Мастер
Сообщения: 600
Зарегистрирован: 04 фев 2016, 23:06
Репутация: 275
Настоящее имя: Дамир
Контактная информация:

Re: Grber2GCode

Сообщение X-Ray »

xenon-alien писал(а):Данный вид УП для меня - прошивки Марлин не подойдет...
А теперь.
Снимок1.PNG (3156 просмотров) <a class='original' href='./download/file.php?id=163563&mode=view' target=_blank>Загрузить оригинал (38.59 КБ)</a>

Код: Выделить всё

G?X?Y?Z?F?S?
выдаёт

Код: Выделить всё

G21 G17 G90
M3
G0Z5.000
X46.594Y56.754S24000
Z1.000
G1Z-1.000F1440.000
X44.946
Y55.106
X46.594
Y56.754
G0Z2.000
Z5.000
X96.620Y63.600
M5
M30
а

Код: Выделить всё

G+ X+ Y+ Z+ F? S?
выдаёт

Код: Выделить всё

G21 G17 G90
M3
G0 Z5.000
G0 X46.594 Y56.754 S24000
G0 Z1.000
G1 Z-1.000 F1440.000
G1 X44.946 Y56.754
G1 X44.946 Y55.106
G1 X46.594 Y55.106
G1 X46.594 Y56.754
G0 Z2.000
G0 Z5.000
G0 X96.620 Y63.600
M5
M30
Последний раз редактировалось X-Ray 29 май 2019, 17:36, всего редактировалось 1 раз.
Программа GGEasy (фрезеровка из гербера, производство ПП на ЧПУ) GERBER_X3/releases
Прежде чем писать о багах проверьте, является ли ваша версия последней!
Баги - глюки и ПРЕДЛОЖЕНИЯ(Хотелки) писать СЮДА!!!
Багтрекер
Тестовая версия
Аватара пользователя
iMaks-RS
Мастер
Сообщения: 1807
Зарегистрирован: 10 июл 2017, 09:25
Репутация: 205
Настоящее имя: Maks
Откуда: От туда.
Контактная информация:

Re: Grber2GCode

Сообщение iMaks-RS »

X-Ray писал(а):А теперь.
Спасибо.
На макетах типа 1610/2418/3018, у многих весьма печальные БП, на штатном движке или при замене движка 775го на более оборотистый и токовый, гарантирована потеря связи из-за просадки питания при старте (один БП на движок и плату "дятла"). Из положения народ выходит или отдлеьным БП, или добавлением в код "разгона" шпинделя с 1`000 оборотов до 10`000 в течении 5-7 секунд вставкой кода при создании УП (FlatCam позволяет это делать).

Наберусь наглости и попрошу реализовать данную "фишку" мягкого старта" и "мягкого останова" для "малышей":
* добавить checkbox "Soft Start Spindle"
* при активации чекбокса, делать активные поля:
- Min rpm (минимальные обороты, с которых стартанёт шпиндель), Max rpm (максимальные обороты, заданы в ручную или УП), Step rpm (приращение оборотов на каждом шаге разгона), Pause (пауза между приращениями).

При завершении УП, шпиндель останавливается в обратной последовательности.

Спасибо )
X-Ray
Мастер
Сообщения: 600
Зарегистрирован: 04 фев 2016, 23:06
Репутация: 275
Настоящее имя: Дамир
Контактная информация:

Re: Grber2GCode

Сообщение X-Ray »

iMaks-RS писал(а):* добавить checkbox "Soft Start Spindle"
Муторно, проще в стартовый и конечный код прописать в ручную и сохранить.

Код: Выделить всё

M3
S1000
G4 X1
S5000
G4 X1
S10000
G4 X1
...
Каждый сам себе оптимальные параметры пропишет. Тем боле всё для этого есть.
Программа GGEasy (фрезеровка из гербера, производство ПП на ЧПУ) GERBER_X3/releases
Прежде чем писать о багах проверьте, является ли ваша версия последней!
Баги - глюки и ПРЕДЛОЖЕНИЯ(Хотелки) писать СЮДА!!!
Багтрекер
Тестовая версия
Аватара пользователя
xenon-alien
Почётный участник
Почётный участник
Сообщения: 4520
Зарегистрирован: 01 янв 2013, 13:13
Репутация: 925
Настоящее имя: Daniel
Откуда: Закарпатская обл. Украина
Контактная информация:

Re: Grber2GCode

Сообщение xenon-alien »

Подскажите пожалуйста, как запустить программу? (FlatCAM запустил установщик, появился ярлык на рабочем столе и пользуйся)
Скачал весь архив. Какие дальнейшие действия? А то что-то не пойму...
Если что, то у меня Win10 64bit
X-Ray
Мастер
Сообщения: 600
Зарегистрирован: 04 фев 2016, 23:06
Репутация: 275
Настоящее имя: Дамир
Контактная информация:

Re: Grber2GCode

Сообщение X-Ray »

xenon-alien писал(а): Какие дальнейшие действия?
Разархивировать в папку. Запуск экзешника и забивание базы инструментов.
Безымянный.png
Безымянный.png (3.83 КБ) 3116 просмотров
Программа GGEasy (фрезеровка из гербера, производство ПП на ЧПУ) GERBER_X3/releases
Прежде чем писать о багах проверьте, является ли ваша версия последней!
Баги - глюки и ПРЕДЛОЖЕНИЯ(Хотелки) писать СЮДА!!!
Багтрекер
Тестовая версия
Аватара пользователя
xenon-alien
Почётный участник
Почётный участник
Сообщения: 4520
Зарегистрирован: 01 янв 2013, 13:13
Репутация: 925
Настоящее имя: Daniel
Откуда: Закарпатская обл. Украина
Контактная информация:

Re: Grber2GCode

Сообщение xenon-alien »

X-Ray писал(а):Разархивировать в папку. Запуск экзешника
Можно немного детальней для особо "одаренных"
Вот распакованный архив. Ни одного экзешника во всем архиве. (или я чего-то не так сделал?)
G2G_001.jpg (3109 просмотров) <a class='original' href='./download/file.php?id=163634&mode=view' target=_blank>Загрузить оригинал (184.33 КБ)</a>
G2G_002.jpg (3109 просмотров) <a class='original' href='./download/file.php?id=163635&mode=view' target=_blank>Загрузить оригинал (267.94 КБ)</a>
G2G_003.jpg (3109 просмотров) <a class='original' href='./download/file.php?id=163636&mode=view' target=_blank>Загрузить оригинал (189.1 КБ)</a>
X-Ray
Мастер
Сообщения: 600
Зарегистрирован: 04 фев 2016, 23:06
Репутация: 275
Настоящее имя: Дамир
Контактная информация:

Re: Grber2GCode

Сообщение X-Ray »

Так это исходники, а ссылка в описании "Windows: x32, x64"
Программа GGEasy (фрезеровка из гербера, производство ПП на ЧПУ) GERBER_X3/releases
Прежде чем писать о багах проверьте, является ли ваша версия последней!
Баги - глюки и ПРЕДЛОЖЕНИЯ(Хотелки) писать СЮДА!!!
Багтрекер
Тестовая версия
Аватара пользователя
xenon-alien
Почётный участник
Почётный участник
Сообщения: 4520
Зарегистрирован: 01 янв 2013, 13:13
Репутация: 925
Настоящее имя: Daniel
Откуда: Закарпатская обл. Украина
Контактная информация:

Re: Grber2GCode

Сообщение xenon-alien »

X-Ray писал(а):Так это исходники, а ссылка в описании "Windows: x32, x64"
Уже нашел... Только с яндекса долго качает (Украина) и теперь выдало в Хроме "возможно он вредоносный"
В роди бы удалось запустить. (ещё и Win10 ругался - предотвратили запуск неизвестной программы)
Аватара пользователя
xenon-alien
Почётный участник
Почётный участник
Сообщения: 4520
Зарегистрирован: 01 янв 2013, 13:13
Репутация: 925
Настоящее имя: Daniel
Откуда: Закарпатская обл. Украина
Контактная информация:

Re: Grber2GCode

Сообщение xenon-alien »

G2G_004.jpg (3047 просмотров) <a class='original' href='./download/file.php?id=163671&mode=view' target=_blank>Загрузить оригинал (326.98 КБ)</a>
G2G_005.jpg (3047 просмотров) <a class='original' href='./download/file.php?id=163672&mode=view' target=_blank>Загрузить оригинал (629.46 КБ)</a>
G2G_006.jpg (3047 просмотров) <a class='original' href='./download/file.php?id=163675&mode=view' target=_blank>Загрузить оригинал (566.14 КБ)</a>
FC8.5_006.jpg (3047 просмотров) <a class='original' href='./download/file.php?id=163674&mode=view' target=_blank>Загрузить оригинал (408.6 КБ)</a>
G2G_007.jpg (3027 просмотров) <a class='original' href='./download/file.php?id=163677&mode=view' target=_blank>Загрузить оригинал (572.06 КБ)</a>
Пользуюсь Eagle 6.4.
Есть ли у кого-то готовая работа (job) для САМ (для односторонней и двусторонней ПП), что бы G2G нормально воспринимал загруженный файлы гербер?
А то у меня какая-то фигня получается...
Я только изучаю тему печатных плат, так что возможны любые косяки, которые можно только припустить, что при разводке, что при экспорте гербера.
Гербер экспортировал нижний слой и отверстия зеркально.
Куда копать, что бы решить проблему?
Видео про отверстия смотрел, но принцип работы что-то не радует...













Вот нажал на "сзади" и стало похоже.
Так что с размещением сверловки по идее разобрался.
Но почему так отображает?









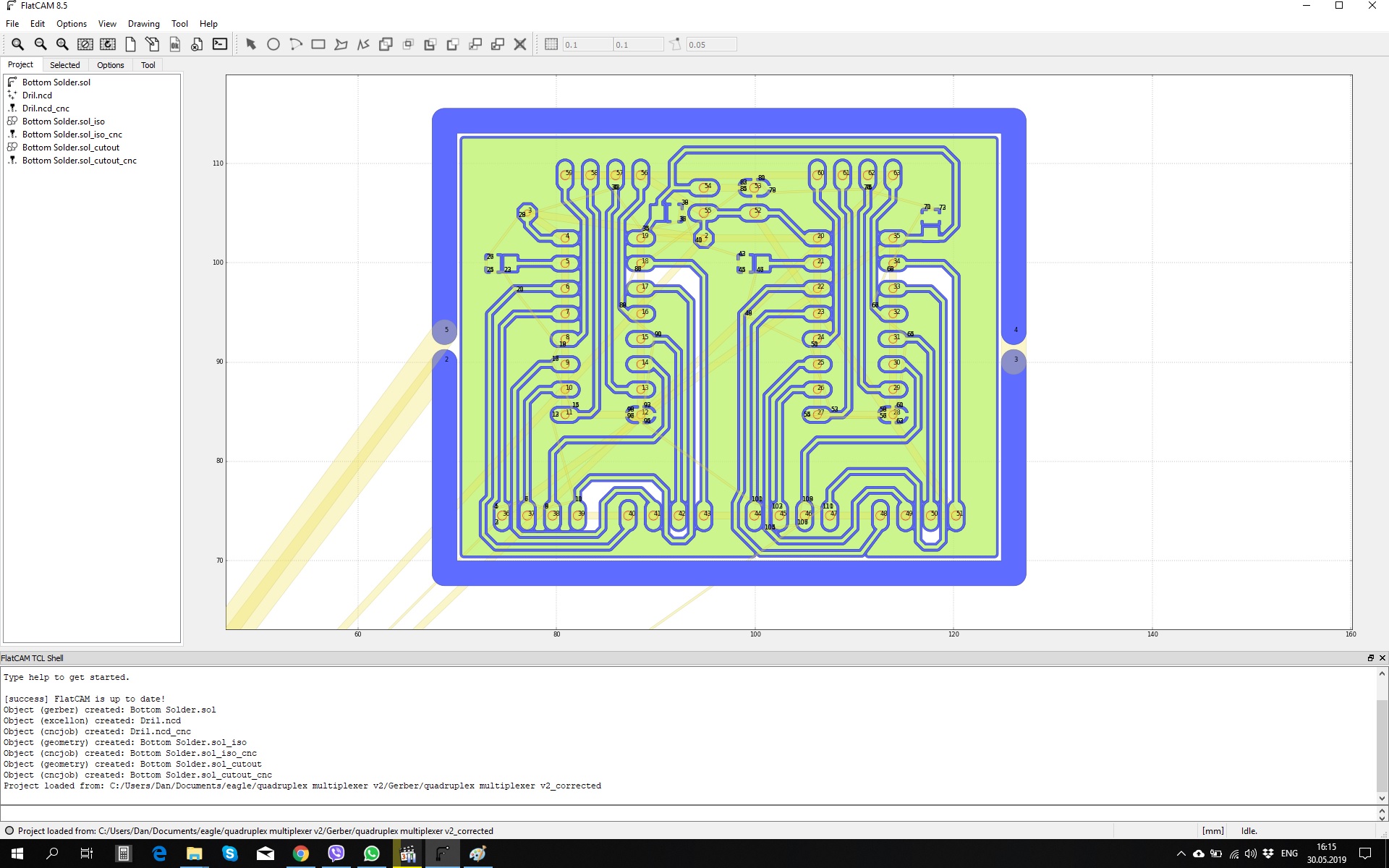
Вот так выглядит загруженный гербер во FlatCAM_8.5 со всей геометрией и траекториями (офсетом перемещал координаты, что бы гравировать на столе, где прикрепил текстолит).
И как только ввел в командную строку "set_sys excellon_zeros T" - отверстия совпадают с печатной платой постоянно (без всяких "спереди" и "сзади").
Загружал только 2 файла. (названия видны в дереве каталога) Эти же 2 файла загружал в G2G.







Полазил в настройках вывода файла Ж-кода и начало нормаль отображать. (просто поставил пробелы)
Чем это объясняется?
Это нормально?
Поменял значения обратно - ничего не изменилось. (отображает нормально)
Включил OpenGL и Сглаживание. Всё норм...
Не понятно...
Закрытие и повторное открытие файлов ничего не поменяло - отображается корректно.
Вложения
Gerber.rar
(1 МБ) 205 скачиваний
X-Ray
Мастер
Сообщения: 600
Зарегистрирован: 04 фев 2016, 23:06
Репутация: 275
Настоящее имя: Дамир
Контактная информация:

Re: Grber2GCode

Сообщение X-Ray »

Ваш пост выглядит странно, по крайней мере у меня.
xenon-alien писал(а):Вот нажал на "сзади" и стало похоже.
xenon-alien писал(а):(без всяких "спереди" и "сзади").
Это для формата записи нулей в файле, а не отображение. При выборе он заново вычитывает координаты согласно выбранного формата нотации чисел.
xenon-alien писал(а):Но почему так отображает?
Идиотская оптимизация графической библиотеки при большом увеличении, пока не разобрался как принудительно отчистить кэш и перерисовать заново.
xenon-alien писал(а):Полазил в настройках вывода файла Ж-кода и начало нормаль отображать.
При каждом открытии окна настроек принудительно ставится новый контекст CPU или OpenGL отрисовки. Но эта операция больно жирная для обновления во время редактирования. По этому и
xenon-alien писал(а):начало нормаль отображать.
Программа GGEasy (фрезеровка из гербера, производство ПП на ЧПУ) GERBER_X3/releases
Прежде чем писать о багах проверьте, является ли ваша версия последней!
Баги - глюки и ПРЕДЛОЖЕНИЯ(Хотелки) писать СЮДА!!!
Багтрекер
Тестовая версия
Ответить

Вернуться в «CAM пакеты»