StepMaster ver 2.5

Контроллеры, драйверы, датчики, управляющие устройства.
Аватара пользователя
BOdrOFF
Мастер
Сообщения: 363
Зарегистрирован: 26 май 2017, 11:48
Репутация: 199
Настоящее имя: Федор Николаевич
Контактная информация:

Re: StepMaster ver 2.5

Сообщение BOdrOFF »

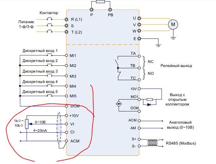
Kinda что-то невообразимое рисует по подключению ШИМ.
Снимок.JPG (2357 просмотров) <a class='original' href='./download/file.php?id=162600&mode=view' target=_blank>Загрузить оригинал (54.49 КБ)</a>
Фрезерные работы на заказ, примеры: https://vk.com/fmashines
Небольшой канал по созданию станка: https://www.youtube.com/channel/UC0JOyV ... subscriber
Аватара пользователя
MX_Master
Мастер
Сообщения: 7490
Зарегистрирован: 27 июн 2015, 19:45
Репутация: 3113
Настоящее имя: Михаил
Откуда: Алматы
Контактная информация:

Re: StepMaster ver 2.5

Сообщение MX_Master »

Это подстроечный резистор (:
sazn86
Мастер
Сообщения: 514
Зарегистрирован: 30 ноя 2016, 09:41
Репутация: 19
Контактная информация:

Re: StepMaster ver 2.5

Сообщение sazn86 »

Добрый день. Появилась необходимость в ШИМ управлении частотой вращения шпинделя. Обороты плаваю 50-200, как я понял из этой ветки форума необходимо перепрошивать плату? По другому проблему не решить?
Аватара пользователя
michael-yurov
Почётный участник
Почётный участник
Сообщения: 11731
Зарегистрирован: 26 июл 2012, 00:10
Репутация: 4703
Настоящее имя: Михаил Львович
Откуда: Новоуральск
Контактная информация:

Re: StepMaster ver 2.5

Сообщение michael-yurov »

BOdrOFF писал(а):Kinda что-то невообразимое рисует по подключению ШИМ.
А что не так? Ну, кроме того, что это не "подключение ШИМ", а два аналоговых входа (вход тока и вход напряжения), общая линия и выход +10 В?
Аватара пользователя
michael-yurov
Почётный участник
Почётный участник
Сообщения: 11731
Зарегистрирован: 26 июл 2012, 00:10
Репутация: 4703
Настоящее имя: Михаил Львович
Откуда: Новоуральск
Контактная информация:

Re: StepMaster ver 2.5

Сообщение michael-yurov »

sazn86 писал(а):Добрый день. Появилась необходимость в ШИМ управлении частотой вращения шпинделя. Обороты плаваю 50-200, как я понял из этой ветки форума необходимо перепрошивать плату? По другому проблему не решить?
Есть много других вариантов. Ничего секретного. Самые обычные способы решения задач в электронике. Но самый простой — обновить прошивку степматсера.
Аватара пользователя
michael-yurov
Почётный участник
Почётный участник
Сообщения: 11731
Зарегистрирован: 26 июл 2012, 00:10
Репутация: 4703
Настоящее имя: Михаил Львович
Откуда: Новоуральск
Контактная информация:

Re: StepMaster ver 2.5

Сообщение michael-yurov »

BOdrOFF писал(а):Плата проработала 2 минуты и погасла. К компу не подключал. Блок пит в порядке.
больше не включалась.
Поменял блок питания, никак.
Поотсоединял всё. тоже никак.
Подключал 3 драйвера, выход шим на шпиндель, 3 датчика с резисторами.
Забрал посылку с неисправной платой. Проверил.
Пробило танталовый конденсатор в цепи +5 В. Т.е. плата вышла из строя не по вине пользователя.
Но и я на устанавливаю не самые дешевые конденсаторы. В частности этот, вышедший из строя, был производства Samsung.
Аватара пользователя
Prav
Мастер
Сообщения: 834
Зарегистрирован: 14 июл 2015, 05:10
Репутация: 138
Настоящее имя: Петр Раввинский
Откуда: Москва
Контактная информация:

Re: StepMaster ver 2.5

Сообщение Prav »

А на какое напряжение конденсатор?
Аватара пользователя
michael-yurov
Почётный участник
Почётный участник
Сообщения: 11731
Зарегистрирован: 26 июл 2012, 00:10
Репутация: 4703
Настоящее имя: Михаил Львович
Откуда: Новоуральск
Контактная информация:

Re: StepMaster ver 2.5

Сообщение michael-yurov »

Prav писал(а):А на какое напряжение конденсатор?
6 В.
Достаточно дорогая деталь, чтобы "на всякий случай" купить с запасом по напряжению.
Аватара пользователя
sima8520
Почётный участник
Почётный участник
Сообщения: 4509
Зарегистрирован: 24 ноя 2016, 23:35
Репутация: 1617
Настоящее имя: Илья
Откуда: Беларусь, Гомель
Контактная информация:

Re: StepMaster ver 2.5

Сообщение sima8520 »

Есть схема узла этого?
Аватара пользователя
michael-yurov
Почётный участник
Почётный участник
Сообщения: 11731
Зарегистрирован: 26 июл 2012, 00:10
Репутация: 4703
Настоящее имя: Михаил Львович
Откуда: Новоуральск
Контактная информация:

Re: StepMaster ver 2.5

Сообщение michael-yurov »

sima8520 писал(а):Есть схема узла этого?
Есть,..но эта линия 5 В выведена на внешние клеммы. Теоретически можно было что-то не то подключить внешнее.
Вложения
1.png (2170 просмотров) <a class='original' href='./download/file.php?id=162974&mode=view' target=_blank>Загрузить оригинал (149.64 КБ)</a>
Аватара пользователя
Serg
Мастер
Сообщения: 21923
Зарегистрирован: 17 апр 2012, 14:58
Репутация: 5183
Заслуга: c781c134843e0c1a3de9
Настоящее имя: Сергей
Откуда: Москва
Контактная информация:

Re: StepMaster ver 2.5

Сообщение Serg »

michael-yurov писал(а):Достаточно дорогая деталь, чтобы "на всякий случай" купить с запасом по напряжению.
Танталы очень чувствительны даже к кратковременному превышению напряжения - их стоит выбирать с хорошим запасом.
Экономия странная: 10uFx6.3V - 15 руб, 10uFx16V - 20 руб. Для сравнения: керамика 0805 10uFx16V - 12 руб. Цены при покупке 1 штуки из наличия в РФ.
michael-yurov писал(а):Есть,..но эта линия 5 В выведена на внешние клеммы. Теоретически можно было что-то не то подключить внешнее.
У тантала в корпусе D максимальный ток на частоте 100кГц (пульсации) - всего 400 мА...
Я не Христос, рыбу не раздаю, но могу научить, как сделать удочку...
Аватара пользователя
Prav
Мастер
Сообщения: 834
Зарегистрирован: 14 июл 2015, 05:10
Репутация: 138
Настоящее имя: Петр Раввинский
Откуда: Москва
Контактная информация:

Re: StepMaster ver 2.5

Сообщение Prav »

Юров всё правильно делает...
Kiv33114
Новичок
Сообщения: 17
Зарегистрирован: 09 сен 2017, 18:24
Репутация: 0
Настоящее имя: Николай
Контактная информация:

Re: StepMaster ver 2.5

Сообщение Kiv33114 »

Всем доброе.
Может не нашел, подскажите пожалуйста, зачем нужен IDC-26M на плате?
Аватара пользователя
BOdrOFF
Мастер
Сообщения: 363
Зарегистрирован: 26 май 2017, 11:48
Репутация: 199
Настоящее имя: Федор Николаевич
Контактная информация:

Re: StepMaster ver 2.5

Сообщение BOdrOFF »

michael-yurov писал(а):
BOdrOFF писал(а):Плата проработала 2 минуты и погасла. К компу не подключал. Блок пит в порядке.
больше не включалась.
Поменял блок питания, никак.
Поотсоединял всё. тоже никак.
Подключал 3 драйвера, выход шим на шпиндель, 3 датчика с резисторами.
Забрал посылку с неисправной платой. Проверил.
Пробило танталовый конденсатор в цепи +5 В. Т.е. плата вышла из строя не по вине пользователя.
Но и я на устанавливаю не самые дешевые конденсаторы. В частности этот, вышедший из строя, был производства Samsung.
Получил новую плату, спасибо Михаилу. Вчера на старой китайской плате станок потерял Z, пробил 6мм фрезой стол, теперь только со stepm работать. Только вот побаиваюсь подключать. Шпиндель пока что просто запитаю от реле или вообще в ручную.Все контакты сначала проверю на утечки, единственное как: это один контакт от мультиметра на место проверки, второй в руку. Может что покажет на переменном токе если есть утечки, но при этом китайплата работает без сгораний уже полторы недели без всяких проверок.
Вопрос: как настраивать linuxсnc на длительность сигналов на одной из начальных страниц мастера настройки.
И как подключать инвертер kinda? я соединял первую подгоревшую с контактами Vi и GND.

VI инвертера kinda относительно корпуса выдаёт 32вольта переменки... Косяк???
Фрезерные работы на заказ, примеры: https://vk.com/fmashines
Небольшой канал по созданию станка: https://www.youtube.com/channel/UC0JOyV ... subscriber
Аватара пользователя
sima8520
Почётный участник
Почётный участник
Сообщения: 4509
Зарегистрирован: 24 ноя 2016, 23:35
Репутация: 1617
Настоящее имя: Илья
Откуда: Беларусь, Гомель
Контактная информация:

Re: StepMaster ver 2.5

Сообщение sima8520 »

на корпусе может быть до половины сетевого напряжения, это говорит о наличии "сливных ёмкостей" в цепи фильтра помех питания преобразователя. Заземление решит проблему
Аватара пользователя
michael-yurov
Почётный участник
Почётный участник
Сообщения: 11731
Зарегистрирован: 26 июл 2012, 00:10
Репутация: 4703
Настоящее имя: Михаил Львович
Откуда: Новоуральск
Контактная информация:

Re: StepMaster ver 2.5

Сообщение michael-yurov »

BOdrOFF, не подключай пока управление оборотами. На всякий случай. Позже подключишь.
Измерять в режиме переменного напряжения относительно корпуса и относительно минуса питания платы.
Хорошо бы в плане помех все корпуса (включая компьютер) соединить.
Про длительность задержки - в районе 5 - 10 мс установи (если там в миллисекундах задается)
Аватара пользователя
BOdrOFF
Мастер
Сообщения: 363
Зарегистрирован: 26 май 2017, 11:48
Репутация: 199
Настоящее имя: Федор Николаевич
Контактная информация:

Re: StepMaster ver 2.5

Сообщение BOdrOFF »

sima8520 писал(а):на корпусе может быть до половины сетевого напряжения, это говорит о наличии "сливных ёмкостей" в цепи фильтра помех питания преобразователя. Заземление решит проблему
Видимо придётся препроверять все розетки ибо я сам проводил сюда питание с квартиры. И заземление отсутствует только на инвертере. А щипет локоть током от корпуса электрического шкафа.
Фрезерные работы на заказ, примеры: https://vk.com/fmashines
Небольшой канал по созданию станка: https://www.youtube.com/channel/UC0JOyV ... subscriber
Аватара пользователя
BOdrOFF
Мастер
Сообщения: 363
Зарегистрирован: 26 май 2017, 11:48
Репутация: 199
Настоящее имя: Федор Николаевич
Контактная информация:

Re: StepMaster ver 2.5

Сообщение BOdrOFF »

Всё, поставил. Ускорение пришлось уменьшить так как опора из 30 труб со всеми распорками и косыми кто я наварил шаталась на хорошем ускорении вместе с подвалом и всем домом.
85кг стол скорость 80мм/с ускорение 700.
Сейчас подключу шпиндель и помпу на реле и можно работать.
Фрезерные работы на заказ, примеры: https://vk.com/fmashines
Небольшой канал по созданию станка: https://www.youtube.com/channel/UC0JOyV ... subscriber
loi_28
Кандидат
Сообщения: 91
Зарегистрирован: 04 дек 2018, 08:49
Репутация: 7
Настоящее имя: Николай
Контактная информация:

Re: StepMaster ver 2.5

Сообщение loi_28 »

Подключил шпиндель через плату и MACH3. Инвертор китайский, шпиндель водянка 24000 об. Обороты в Mach3 прекрасно регулируются(0-10вольт). Появился такой вопрос, а можно ли через данную плату и Mach3 менять направление вращения шпинделя? То есть как то подавать на инвертор сигнал для реверса шпинделя? Или в стандарте это не прокатит?
zalex777
Новичок
Сообщения: 4
Зарегистрирован: 01 фев 2019, 17:30
Репутация: 0
Настоящее имя: Александр
Контактная информация:

Re: StepMaster ver 2.5

Сообщение zalex777 »

По плавающим оборотам шпинделя, перепрошивка платы убирает не стабильность оборотов, но остается серьезная погрешность между программными(заданными) и фактическими оборотами, это если речь идет о переходе на ПО PureMotion.
Ответить

Вернуться в «Электроника»