Похожей полдюймовой выводил в ноль МДФ жертвенник. Режимы не подскажу, это первое что на станке фрезеровал. Не помню режимы и не актуальны они уже.daemon78 писал(а):Подойдет ли для этих целей такая фреза? https://cncbit.ru/product/freza-tverdos ... aja-qd616/
Первый станок "Кусака 1" и куча вопросов
- moscow
- Мастер
- Сообщения: 554
- Зарегистрирован: 27 фев 2018, 20:52
- Репутация: 73
- Настоящее имя: Олег Милантьев
- Откуда: ПодКраснодар
- Контактная информация:
Re: Первый станок "Кусака 1" и куча вопросов
- daemon78
- Мастер
- Сообщения: 1693
- Зарегистрирован: 02 окт 2018, 15:02
- Репутация: 103
- Настоящее имя: Владимир
- Откуда: Москва
- Контактная информация:
Re: Первый станок "Кусака 1" и куча вопросов
Обалдеть, у Вас же портальник фанерный!!!moscow писал(а):Похожей полдюймовой выводил в ноль МДФ жертвенник. Режимы не подскажу, это первое что на станке фрезеровал. Не помню режимы и не актуальны они уже.
Я как раз себе то же фанерный (с применением профиля 60x60 от соберизавода) портальник собираю с рабочим полем 600x600
А Вы на нем люминь грызете? Если да, то хоть примерный режим не подскажите? Жутко интересно, как у фанерного станка дела обстоят с металлом.
Мой первый станок Первый станок Кусака 1 и куча вопросов #1
Мой второй станок Кусака 2.0 и вопросы к форумчанам #1
Мой второй станок Кусака 2.0 и вопросы к форумчанам #1
- moscow
- Мастер
- Сообщения: 554
- Зарегистрирован: 27 фев 2018, 20:52
- Репутация: 73
- Настоящее имя: Олег Милантьев
- Откуда: ПодКраснодар
- Контактная информация:
Re: Первый станок "Кусака 1" и куча вопросов
Вот тема о моём станке: http://www.cnc-club.ru/forum/viewtopic. ... 39#p483839
Да, дюраль пробовал пилить, норм. В конце темы видео о том.
Этой 5мм трёхпёрой фрезой на 12 тыщ оборотов, попутным резом с подачей 1.2 м/мин и заглублением 0.2 мм на сухую - норм по Д16Т.
Да, дюраль пробовал пилить, норм. В конце темы видео о том.
Этой 5мм трёхпёрой фрезой на 12 тыщ оборотов, попутным резом с подачей 1.2 м/мин и заглублением 0.2 мм на сухую - норм по Д16Т.
- daemon78
- Мастер
- Сообщения: 1693
- Зарегистрирован: 02 окт 2018, 15:02
- Репутация: 103
- Настоящее имя: Владимир
- Откуда: Москва
- Контактная информация:
Re: Первый станок "Кусака 1" и куча вопросов
Прочитал в Вашей теме что у Вас полуторакиловатник с ER11. У меня такой же но с водянкой.
Это Вы на нем 1.2 м/мин выдаете на сухую по 0.2, или проапгрейдили уже на 2.2 КВт?
Это Вы на нем 1.2 м/мин выдаете на сухую по 0.2, или проапгрейдили уже на 2.2 КВт?
Мой первый станок Первый станок Кусака 1 и куча вопросов #1
Мой второй станок Кусака 2.0 и вопросы к форумчанам #1
Мой второй станок Кусака 2.0 и вопросы к форумчанам #1
- moscow
- Мастер
- Сообщения: 554
- Зарегистрирован: 27 фев 2018, 20:52
- Репутация: 73
- Настоящее имя: Олег Милантьев
- Откуда: ПодКраснодар
- Контактная информация:
Re: Первый станок "Кусака 1" и куча вопросов
Шпиндель тот же, полтора, воздух. Был куплен б/у за десятку (вместе с инвертором). Весь станок обошёлся по кругу в 50к. Что для хоббийного станка с таким полем считаю отличным результатом.daemon78 писал(а):Прочитал в Вашей теме что у Вас полуторакиловатник с ER11. У меня такой же но с водянкой.
Это Вы на нем 1.2 м/мин выдаете на сухую по 0.2, или проапгрейдили уже на 2.2 КВт?
Чуть огорчили круглые рельсы. Но лишь чуть. Для обработки дерева / пластиков более чем достаточно. Дюралевая резьба чётко накручивается. Капролоновый переходник сел, как влитой. Что ещё нужно?
Главное понимать, что у станка есть своя жёсткость и не торопиться при обработке.
- daemon78
- Мастер
- Сообщения: 1693
- Зарегистрирован: 02 окт 2018, 15:02
- Репутация: 103
- Настоящее имя: Владимир
- Откуда: Москва
- Контактная информация:
Re: Первый станок "Кусака 1" и куча вопросов
Здравствуйте.
Купил плату для Mach3 (USB интерфейс).
Посмотрел на сайте продавца схему (см. картинку) подключения TB6600 и сильно призадумался.
Как то она сильно отличается от схемы подключения платы для LPT порта.
В схеме для USB в воздухе висят (не подтянутые ни к чему) EN+ и EN-, вот просто так висят готовы на свободных концах принять любую помеху. В схеме же для LPT EN+ подключен к +5В, а EN- идет на управляющий пин платы развязки. Так же, не увидел куда прикручивать концевики.
Если у кого есть схема подключения платы как у меня, поделитесь пожалуйста. А то работа встала
Купил плату для Mach3 (USB интерфейс).
Посмотрел на сайте продавца схему (см. картинку) подключения TB6600 и сильно призадумался.
Как то она сильно отличается от схемы подключения платы для LPT порта.
В схеме для USB в воздухе висят (не подтянутые ни к чему) EN+ и EN-, вот просто так висят готовы на свободных концах принять любую помеху. В схеме же для LPT EN+ подключен к +5В, а EN- идет на управляющий пин платы развязки. Так же, не увидел куда прикручивать концевики.
Если у кого есть схема подключения платы как у меня, поделитесь пожалуйста. А то работа встала
Мой первый станок Первый станок Кусака 1 и куча вопросов #1
Мой второй станок Кусака 2.0 и вопросы к форумчанам #1
Мой второй станок Кусака 2.0 и вопросы к форумчанам #1
- Taganrog
- Мастер
- Сообщения: 1238
- Зарегистрирован: 15 апр 2015, 16:32
- Репутация: 284
- Настоящее имя: Евгений
- Откуда: Брянск
- Контактная информация:
Re: Первый станок "Кусака 1" и куча вопросов
На входах драйвера обычно стоит оптопара. Которая позволяет не боятся висящих в воздухе концов. Чтоб она сработала - нужен ток. Которого не будет в разомкнутой цепи.daemon78 писал(а):EN+ и EN-, вот просто так висят готовы на свободных концах принять любую помеху.
Входы подписанны : I1,I2,I3,I4daemon78 писал(а):Так же, не увидел куда прикручивать концевики.
- daemon78
- Мастер
- Сообщения: 1693
- Зарегистрирован: 02 окт 2018, 15:02
- Репутация: 103
- Настоящее имя: Владимир
- Откуда: Москва
- Контактная информация:
Re: Первый станок "Кусака 1" и куча вопросов
Ок, убедили. Но как тогда быть с EN+, почему он не подключен к +5В? Ведь в схеме для LPT он таки подключен, а драйвера те же. Либо в схеме для LPT просто перебдели, либо в схеме USB недобдели, либо сигналы EN+ EN- реально не нужны для работы.Taganrog писал(а):На входах драйвера обычно стоит оптопара. Которая позволяет не боятся висящих в воздухе концов. Чтоб она сработала - нужен ток. Которого не будет в разомкнутой цепи.
Мой первый станок Первый станок Кусака 1 и куча вопросов #1
Мой второй станок Кусака 2.0 и вопросы к форумчанам #1
Мой второй станок Кусака 2.0 и вопросы к форумчанам #1
- daemon78
- Мастер
- Сообщения: 1693
- Зарегистрирован: 02 окт 2018, 15:02
- Репутация: 103
- Настоящее имя: Владимир
- Откуда: Москва
- Контактная информация:
Re: Первый станок "Кусака 1" и куча вопросов
Вообщем погуглил я по инету, получается что на этой плате все нормально работает без подключенных сигналов EN+ и EN-, так же нет необходимости объединять STEP+ DIR+ в общую шину, так как выход +5В есть для каждой оси, и уже на плате развязки эти выводы между собой объединены.
Значит придется перекоммутировать сигнальные линии
Значит придется перекоммутировать сигнальные линии
Мой первый станок Первый станок Кусака 1 и куча вопросов #1
Мой второй станок Кусака 2.0 и вопросы к форумчанам #1
Мой второй станок Кусака 2.0 и вопросы к форумчанам #1
- Taganrog
- Мастер
- Сообщения: 1238
- Зарегистрирован: 15 апр 2015, 16:32
- Репутация: 284
- Настоящее имя: Евгений
- Откуда: Брянск
- Контактная информация:
Re: Первый станок "Кусака 1" и куча вопросов
именно. при подаче сигнала они ОТКЛЮЧАЮТ драйвер. при его отсутствии ВКЛЮЧАЮТ. они работают в инвертированном режиме. Коли так тебе нужны подключи их к любому выходу : O1,O2...daemon78 писал(а): либо сигналы EN+ EN- реально не нужны для работы.
Только и в маче в настройках пинов надо будет указать что выводить сигнал enable на соответствующий выход.
- daemon78
- Мастер
- Сообщения: 1693
- Зарегистрирован: 02 окт 2018, 15:02
- Репутация: 103
- Настоящее имя: Владимир
- Откуда: Москва
- Контактная информация:
Re: Первый станок "Кусака 1" и куча вопросов
Не-Не, я предпочитаю чем проще тем лучше.Taganrog писал(а):именно. при подаче сигнала они ОТКЛЮЧАЮТ драйвер. при его отсутствии ВКЛЮЧАЮТ. они работают в инвертированном режиме. Коли так тебе нужны подключи их к любому выходу : O1,O2...
Только и в маче в настройках пинов надо будет указать что выводить сигнал enable на соответствующий выход.
Большое спасибо за ответ!!!
Мой первый станок Первый станок Кусака 1 и куча вопросов #1
Мой второй станок Кусака 2.0 и вопросы к форумчанам #1
Мой второй станок Кусака 2.0 и вопросы к форумчанам #1
- daemon78
- Мастер
- Сообщения: 1693
- Зарегистрирован: 02 окт 2018, 15:02
- Репутация: 103
- Настоящее имя: Владимир
- Откуда: Москва
- Контактная информация:
Re: Первый станок "Кусака 1" и куча вопросов
Приехал мне распылитель СОЖ, как на картинке.
Не могу ни где найти параметры помпы под него. Ни кто не подскажет, какая мщность помпы нужна, сколько литров в час должна прокачивать?
Не могу ни где найти параметры помпы под него. Ни кто не подскажет, какая мщность помпы нужна, сколько литров в час должна прокачивать?
Мой первый станок Первый станок Кусака 1 и куча вопросов #1
Мой второй станок Кусака 2.0 и вопросы к форумчанам #1
Мой второй станок Кусака 2.0 и вопросы к форумчанам #1
- Taganrog
- Мастер
- Сообщения: 1238
- Зарегистрирован: 15 апр 2015, 16:32
- Репутация: 284
- Настоящее имя: Евгений
- Откуда: Брянск
- Контактная информация:
Re: Первый станок "Кусака 1" и куча вопросов
Это зависит от того какой напор вы хотите получить. У меня на такой приблуде автомобильный моторчик от омывателя пол года работал. напора хватало за глаза.daemon78 писал(а):сколько литров в час должна прокачивать?
А если компрессор (что подключается во вход для воздуха) создает постоянно хотяб 4 Атм то помпа и не нужна. Он тогда сам разряжением засасывает жидкость. Но мне так не понравилось - уж сильно нестабильная подача и сильный туман получается.
- daemon78
- Мастер
- Сообщения: 1693
- Зарегистрирован: 02 окт 2018, 15:02
- Репутация: 103
- Настоящее имя: Владимир
- Откуда: Москва
- Контактная информация:
Re: Первый станок "Кусака 1" и куча вопросов
Ага, получается, можно без воздушного компрессора на прямую жидкость закачивать.Taganrog писал(а):Это зависит от того какой напор вы хотите получить. У меня на такой приблуде автомобильный моторчик от омывателя пол года работал. напора хватало за глаза.
А если компрессор (что подключается во вход для воздуха) создает постоянно хотяб 4 Атм то помпа и не нужна. Он тогда сам разряжением засасывает жидкость. Но мне так не понравилось - уж сильно нестабильная подача и сильный туман получается.
Тогда попробую с омыватель прикрутить, а к нему ШИМ прикручу, чтобы мощность подачи регулировать.
Еще раз спасибо.
Мой первый станок Первый станок Кусака 1 и куча вопросов #1
Мой второй станок Кусака 2.0 и вопросы к форумчанам #1
Мой второй станок Кусака 2.0 и вопросы к форумчанам #1
- Taganrog
- Мастер
- Сообщения: 1238
- Зарегистрирован: 15 апр 2015, 16:32
- Репутация: 284
- Настоящее имя: Евгений
- Откуда: Брянск
- Контактная информация:
Re: Первый станок "Кусака 1" и куча вопросов
Да - там 2 независимых канала которые соединяются только в колпачке.daemon78 писал(а):Ага, получается, можно без воздушного компрессора на прямую жидкость закачивать.
- moscow
- Мастер
- Сообщения: 554
- Зарегистрирован: 27 фев 2018, 20:52
- Репутация: 73
- Настоящее имя: Олег Милантьев
- Откуда: ПодКраснодар
- Контактная информация:
Re: Первый станок "Кусака 1" и куча вопросов
У меня такая же плана. EN* не подключал, работает норм. Драйвера TB6600.
- evgenymcp
- Мастер
- Сообщения: 1422
- Зарегистрирован: 23 апр 2017, 05:37
- Репутация: 328
- Настоящее имя: Евгений
- Откуда: Абакан,Хакасия
- Контактная информация:
Re: Первый станок "Кусака 1" и куча вопросов
Можно готовый лубрикатор использовать, который для пневмоинструмента продается. С него сразу подавать на распылитель.
- daemon78
- Мастер
- Сообщения: 1693
- Зарегистрирован: 02 окт 2018, 15:02
- Репутация: 103
- Настоящее имя: Владимир
- Откуда: Москва
- Контактная информация:
Re: Первый станок "Кусака 1" и куча вопросов
Прошу прощения, впервые встретил этот термин. Полез гуглить, понял зачем его применяют, но не понял как. Все лубрикаторы в продаже имеют разные характеристики, но нигде нет напряжения. Получается эта штука не несет в себе компрессора и его надо подключать отдельно, а лубрикатор запасает давление и отдает поток смазки регулируемым образом?evgenymcp писал(а):Можно готовый лубрикатор использовать, который для пневмоинструмента продается. С него сразу подавать на распылитель.
Или я не так понял?
Мой первый станок Первый станок Кусака 1 и куча вопросов #1
Мой второй станок Кусака 2.0 и вопросы к форумчанам #1
Мой второй станок Кусака 2.0 и вопросы к форумчанам #1
- daemon78
- Мастер
- Сообщения: 1693
- Зарегистрирован: 02 окт 2018, 15:02
- Репутация: 103
- Настоящее имя: Владимир
- Откуда: Москва
- Контактная информация:
Re: Первый станок "Кусака 1" и куча вопросов
Всем привет.
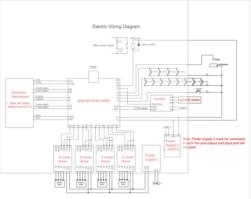
Подскажите пожалуйста, датчики X,Y,Z - limits работают так же в роли X,Y,Z - home?
То есть мне (судя по схеме) надо соединить входы I4 и I3 чтобы сигнал от датчика мог быть интерпретирован двояко в зависимости от ситуации?
Ну то есть если мы ищем хоум то ожидаем сигнал на I4, а если опасно подходим к краю рабочего поля, то ждем на I3, но по сути работает один и тот же датчик?
Подскажите пожалуйста, датчики X,Y,Z - limits работают так же в роли X,Y,Z - home?
То есть мне (судя по схеме) надо соединить входы I4 и I3 чтобы сигнал от датчика мог быть интерпретирован двояко в зависимости от ситуации?
Ну то есть если мы ищем хоум то ожидаем сигнал на I4, а если опасно подходим к краю рабочего поля, то ждем на I3, но по сути работает один и тот же датчик?
Мой первый станок Первый станок Кусака 1 и куча вопросов #1
Мой второй станок Кусака 2.0 и вопросы к форумчанам #1
Мой второй станок Кусака 2.0 и вопросы к форумчанам #1
- Taganrog
- Мастер
- Сообщения: 1238
- Зарегистрирован: 15 апр 2015, 16:32
- Репутация: 284
- Настоящее имя: Евгений
- Откуда: Брянск
- Контактная информация:
Re: Первый станок "Кусака 1" и куча вопросов
Система ожидает сигнал на той ноге,что прописана в настройках. Насколько помню в маче можно просто указать один и тот же номер вывода для разных датчиков.daemon78 писал(а):Ну то есть если мы ищем хоум то ожидаем сигнал на I4, а если опасно подходим к краю рабочего поля, то ждем на I3, но по сути работает один и тот же датчик?