MyGUI

Обсуждение установки, настройки и использования LinuxCNC. Вопросы по Gкоду.
Аватара пользователя
Nick
Мастер
Сообщения: 22776
Зарегистрирован: 23 ноя 2009, 16:45
Репутация: 1735
Заслуга: Developer
Откуда: Gatchina, Saint-Petersburg distr., Russia
Контактная информация:

Re: MyGUI

Сообщение Nick »

Так никто же не увидит :), будет ручка торчать, вся такая промышленная, кто узнает, что внутри на ней потенциометр от джойстика :)
Аватара пользователя
Lexxa
Мастер
Сообщения: 2703
Зарегистрирован: 16 дек 2011, 16:48
Репутация: 319
Настоящее имя: Алексей
Откуда: ryazan
Контактная информация:

Re: MyGUI

Сообщение Lexxa »

их достать не в каждом магазине можно)
:bender:
nkp
Мастер
Сообщения: 8340
Зарегистрирован: 28 ноя 2011, 00:25
Репутация: 1589
Контактная информация:

Re: MyGUI

Сообщение nkp »

Nick писал(а):потенциометр от джойстика
Lexxa писал(а):их достать не в каждом магазине можно)
я так понял среди прочих есть резистивные джойстики
как их "вычислить" не разбирая?
если там стоит обычный резистор и уже есть ацп и это все легко цепляем через usb - то почему бы не попробовать (как вариант)
Аватара пользователя
Nick
Мастер
Сообщения: 22776
Зарегистрирован: 23 ноя 2009, 16:45
Репутация: 1735
Заслуга: Developer
Откуда: Gatchina, Saint-Petersburg distr., Russia
Контактная информация:

Re: MyGUI

Сообщение Nick »

ИМХО Любой джойстик может подойти, и не важно, что у него внутри. Там 100% есть ручка при повороте которой драйвер выдает изменение. Прикручиваем ручку, или то, что под ней к нашей ручке и все.

Только как Lexxa заметил не промышленно :). но работать будет.
nkp
Мастер
Сообщения: 8340
Зарегистрирован: 28 ноя 2011, 00:25
Репутация: 1589
Контактная информация:

Re: MyGUI

Сообщение nkp »

расковырял джойстик :
PB020041.JPG (2363 просмотра) <a class='original' href='./download/file.php?id=9238&mode=view' target=_blank>Загрузить оригинал (1.99 МБ)</a>
плюсы данного решения очевидны:
все уже готово,быстро подключается .
Недостатки:
ну про качество установленных изначально потенциометров можно не говорить - ужас
регулировка только в средине шкалы(но может это в игрушках и надо - я не знаю )
заменил на новые (в смысле не работавшие) СП3 - все стало гораздо веселее.
Но повторяемость (если можно так выразится) 3-4%
Но думаю данное решение может иметь право на существование,
а идея и подавно.
Пару слов насчет "непромышленности".
Я вполне улавливаю ту мысль- которая заложена Lexxa в этом и поддерживаю.
Но даже при таком исполнении всё вполне "вписывается в интерьер" : плата + резисторы (поставлю проволочные)
хотя думаю точность это уже не улучшит - только надежности ради
вариант на atmega хорош именно в плане дополнительных пинов для кнопок
я далек еще от этого -но вижу пора вникать
как это все с хал будет работать - через hidcomp ???
сколько максимум пинов можно получить и какой ценой???
nkp
Мастер
Сообщения: 8340
Зарегистрирован: 28 ноя 2011, 00:25
Репутация: 1589
Контактная информация:

Re: MyGUI

Сообщение nkp »

вот вопрос :
почему в хал появляются три идентичных набора пинов ???
Выделение(055).jpg (2357 просмотров) <a class='original' href='./download/file.php?id=9243&mode=view' target=_blank>Загрузить оригинал (66.89 КБ)</a>
и работают они "паралельно"
Аватара пользователя
Nick
Мастер
Сообщения: 22776
Зарегистрирован: 23 ноя 2009, 16:45
Репутация: 1735
Заслуга: Developer
Откуда: Gatchina, Saint-Petersburg distr., Russia
Контактная информация:

Re: MyGUI

Сообщение Nick »

nkp писал(а):вариант на atmega хорош именно в плане дополнительных пинов для кнопок
Подключаться она как будет по USB?
Вообще общаться с ней будет отдельный компонент, на Си или питоне, работать скорее всего в user space. Пинов можно сделать неограниченное количество, все будет зависеть от компонента.
посмотри на компонент для arduino: Arduino EMC2 LinuxCNC - советы начинающим #1
nkp
Мастер
Сообщения: 8340
Зарегистрирован: 28 ноя 2011, 00:25
Репутация: 1589
Контактная информация:

Re: MyGUI

Сообщение nkp »

Nick писал(а):Пинов можно сделать неограниченное количество,
так может весь пульт на этом сделать ;)
в топку pci-lpt и дочерние меса ...
а что есть "неограниченное" ?
это какой то протокол общения как modbus?
вот на данном этапе мне необходимо только для кнопок на пульте 44in и 20out
+ смена инструмента(6 поз)
это не считая энкодеров ,концевиков, и пр. необходимых пинов.
Аватара пользователя
Serg
Мастер
Сообщения: 21923
Зарегистрирован: 17 апр 2012, 14:58
Репутация: 5183
Заслуга: c781c134843e0c1a3de9
Настоящее имя: Сергей
Откуда: Москва
Контактная информация:

Re: MyGUI

Сообщение Serg »

энкодеры и концевики не получится, ибо будет не RT.
А вот всякие кнопки, лампочки и релюшки запросто.
Смену инструмента лучше делать на отдельном контроллере, путь он сам крутит магазин в какую надо сторону, а общаться с ним по простому протоколу:
-> Дай инструмент №5
<- Инструмент №5 доступен.
Я не Христос, рыбу не раздаю, но могу научить, как сделать удочку...
nkp
Мастер
Сообщения: 8340
Зарегистрирован: 28 ноя 2011, 00:25
Репутация: 1589
Контактная информация:

Re: MyGUI

Сообщение nkp »

UAVpilot писал(а):энкодеры и концевики не получится, ибо будет не RT.
нет - это будет все на mesa
UAVpilot писал(а):А вот всякие кнопки, лампочки и релюшки запросто.
вот,вот - для кучи подобного
UAVpilot писал(а):Смену инструмента лучше делать на отдельном контроллере, путь он сам крутит магазин в какую надо сторону, а общаться с ним по простому протоколу:
смена написана на ladder - опробована на железе - все ок
Аватара пользователя
Nick
Мастер
Сообщения: 22776
Зарегистрирован: 23 ноя 2009, 16:45
Репутация: 1735
Заслуга: Developer
Откуда: Gatchina, Saint-Petersburg distr., Russia
Контактная информация:

Re: MyGUI

Сообщение Nick »

Неограниченное в том смысле, что можно сделать внешний контроллер и общаться с ним по любому протоколу, вплоть до того, что можно сделать "умные" ЛЕДы, которые смогут слушать шину последовательного порта и загораться сами, когда им скажут.
Кстати, товарищи электронщики, а сложно ли сделать подобную схемку для управлением, скажем, диодом?
nkp
Мастер
Сообщения: 8340
Зарегистрирован: 28 ноя 2011, 00:25
Репутация: 1589
Контактная информация:

Re: MyGUI

Сообщение nkp »

Nick писал(а):Неограниченное в том смысле, что можно сделать внешний контроллер
ну например arduino - физически пинов до 14-54
это конечно много и так
но как прицепить 50 простых кнопок к arduino у которой 14 пинов?
Аватара пользователя
Serg
Мастер
Сообщения: 21923
Зарегистрирован: 17 апр 2012, 14:58
Репутация: 5183
Заслуга: c781c134843e0c1a3de9
Настоящее имя: Сергей
Откуда: Москва
Контактная информация:

Re: MyGUI

Сообщение Serg »

Nick писал(а):Кстати, товарищи электронщики, а сложно ли сделать подобную схемку для управлением, скажем, диодом?
Нет, несложно. Тебе интересно именно сделать или подобрать что-то готовое?
nkp писал(а):но как прицепить 50 простых кнопок к arduino у которой 14 пинов?
на 14 пинах по классической схеме можно организовать матрицу из 49 кнопок (7х7), а если подумать и чуток усложнить программу, то и поболее получится.
Я не Христос, рыбу не раздаю, но могу научить, как сделать удочку...
nkp
Мастер
Сообщения: 8340
Зарегистрирован: 28 ноя 2011, 00:25
Репутация: 1589
Контактная информация:

Re: MyGUI

Сообщение nkp »

UAVpilot писал(а):матрицу из 49 кнопок (7х7
для матрицы наверно необходимы кнопки с наличием спаренных контактов ??
(один контакт - выбор ряда,второй - выбор элемента)
или и с одним контактом можно?
--------------
но матрица и "неограниченное" количество пинов - это две большие разницы как где то говорят :)
Ник - что за идея стоит за словом "неограниченное"?
Аватара пользователя
Serg
Мастер
Сообщения: 21923
Зарегистрирован: 17 апр 2012, 14:58
Репутация: 5183
Заслуга: c781c134843e0c1a3de9
Настоящее имя: Сергей
Откуда: Москва
Контактная информация:

Re: MyGUI

Сообщение Serg »

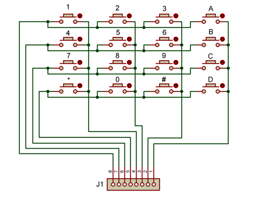
Можно с одним.
MatrixKeyboard.png (2309 просмотров) <a class='original' href='./download/file.php?id=9292&mode=view' target=_blank>Загрузить оригинал (24.81 КБ)</a>
Я не Христос, рыбу не раздаю, но могу научить, как сделать удочку...
nkp
Мастер
Сообщения: 8340
Зарегистрирован: 28 ноя 2011, 00:25
Репутация: 1589
Контактная информация:

Re: MyGUI

Сообщение nkp »

"Семён Семёныч" (с) :)
-----------
но вопросы "от чайников" на этом не закончены :)
тема микроконтроллеров для меня нова - посему
думаю промежуточным этапом "связки" МК+hal должно стать появление
в хал набора IO пинов МК
это через hidcomp ??? или еще как???
(может кто на форуме делал - ткните пож )
вот интересно - в той же arduino установив ножки как in и подгрузить в хал
эти пины будут уже видны???? (нет данной штучки- так бы попробовал)
и еще :
наверно таким образом можно цеплять кнопки с пульта не все - ну может из-за задержек через USB ??
или они (задержки)не будут критичны??
Аватара пользователя
Nick
Мастер
Сообщения: 22776
Зарегистрирован: 23 ноя 2009, 16:45
Репутация: 1735
Заслуга: Developer
Откуда: Gatchina, Saint-Petersburg distr., Russia
Контактная информация:

Re: MyGUI

Сообщение Nick »

nkp писал(а):наверно таким образом можно цеплять кнопки с пульта не все - ну может из-за задержек через USB ??или они (задержки)не будут критичны??
Зависит от ситуации. То, что это не реалтайм это понятно, но насколько... в принципе сюда можно прицепить почти все, кроме Estop. Ну еще кнопки непрерывного перемещения не очень хорошо. Все остальное норм :)

С ардуино, все обстоит так, есть скрипт на питоне, который создает пины обычным образом и общается с ардуиной, передавая ей нужную информацию.

про "неограниченность" если сделать две вещи, "умную" кнопку и "умный" led, которые будут висеть на последовательной шине, то их можно сделать очень много, главное, чтобы они не нажимались очень часто, чтобы весь канал не забить.
Что надо: надо, чтобы лед слушал шину и по команде id->value при совпадении id с его собственным выставлял свое состояние в соответствии с value. От кнопки тоже самое, только наоборот, нужно, чтобы при изменении состояния кнопки генерировался пакет id->value. Дальше се это распихиваем по пинам в примерно таком же как у ардуино скрипте.
nkp
Мастер
Сообщения: 8340
Зарегистрирован: 28 ноя 2011, 00:25
Репутация: 1589
Контактная информация:

Re: MyGUI

Сообщение nkp »

Nick писал(а):С ардуино, все обстоит так, есть скрипт на питоне, который создает пины обычным образом и общается с ардуиной, передавая ей нужную информацию.
я с другой стороны смотрю...
у нас есть кнопка
сейчас мы ее физически соеденяем либо с парпортом
либо с вх mesa
а теперь надо повесть это на ногу МК
нажали - МК отреагировал
вот здесь надо эту реакцию отследить в хал
то есть должны быть пины в хал самой железяки(МК)
вот я и спросил: является ли arduino устройством пины которого видны через hal_input ???
Аватара пользователя
Nick
Мастер
Сообщения: 22776
Зарегистрирован: 23 ноя 2009, 16:45
Репутация: 1735
Заслуга: Developer
Откуда: Gatchina, Saint-Petersburg distr., Russia
Контактная информация:

Re: MyGUI

Сообщение Nick »

nkp писал(а):вот я и спросил: является ли arduino устройством пины которого видны через hal_input ???
нет.
Аватара пользователя
Сергей Саныч
Мастер
Сообщения: 9116
Зарегистрирован: 30 май 2012, 14:20
Репутация: 2858
Откуда: Тюмень
Контактная информация:

Re: MyGUI

Сообщение Сергей Саныч »

"Неограниченное" количество кнопок достигается без всякой ардуины, месы и даже ЛПТ. Берем обыкновенную компьютерную клавиатуру с USB, вынимаем платку контроллера, вешаем на нее матрицу таких кнопок, каких захотим, и вуаля!
Чудес не бывает. Бывают фокусы.
Ответить

Вернуться в «LinuxCNC»