Посадка зубчатого шкива на вал двигателя

Конструкции станков, линейные перемещения, направляющие, передачи.
Аватара пользователя
scout
Опытный
Сообщения: 114
Зарегистрирован: 11 янв 2010, 00:52
Репутация: 11
Откуда: Протвино
Контактная информация:

Посадка зубчатого шкива на вал двигателя

Сообщение scout »

Хай камрады! Начал тут подбирать комплектующие для станка и столкнулся с нехваткой опыта по многим вопросам.
Для перемещения будет использоваться зубчато-ременная передача, зубчатые шкивы садиться будут прямо на валы моторов, собственно вопрос в том, как эту посадку сделать? Вариантов вижу три: прессовая посадка, посадка на конусную втулку и прессовая посадка на винтовую втулку. Собственно первые два варианта - вроде как основные для таких шкивов, по крайней мере во всех каталогах только они и присутствуют, но вот что вообще такое эта конусная втулка не понятно, можт кто просветит? или фотка можт есть? или ссылка?
Основная фишка в том что надо будет регулировать положение шкива на валу в осевом направлении, т.е. прессовая посадка прямо на вал отпадает (или же нужно городить какую-то систему регулировки). Винтовую втулку можно сделать конечно, надо подумать.
spike
Почётный участник
Почётный участник
Сообщения: 358
Зарегистрирован: 08 фев 2010, 01:03
Репутация: 5
Контактная информация:

Re: Посадка зубчатого шкива на вал двигателя

Сообщение spike »

Не знаю, конусная это втулка или нет, но вообще по принципу похоже...
RCK 80.jpg
RCK 80.jpg (45.88 КБ) 9884 просмотра
размеры здесь
Аватара пользователя
scout
Опытный
Сообщения: 114
Зарегистрирован: 11 янв 2010, 00:52
Репутация: 11
Откуда: Протвино
Контактная информация:

Re: Посадка зубчатого шкива на вал двигателя

Сообщение scout »

О, это еще один вариант! Но это не конусная втулка.
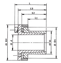
Нашел я описание конусных втулок: здесь:
vtulka1.jpg (9883 просмотра) <a class='original' href='./download/file.php?id=2746&mode=view' target=_blank>Загрузить оригинал (8.65 КБ)</a>
Конические втулки (типа тапербуш) применяются для монтажа и демонтажа шкивов, муфт и звездочек и позволяет использовать один и тот же шкив (муфта, звездочка) на валах различного диаметра (при этом меняется только втулка), а также решает многие проблемы в случае повреждения поверхностей вала, втулки или шпоночного паза при выполнении сборочных работ или при перегрузках в процессе эксплуатации.
У меня валы двигателей ?8мм, а эти самые конусные втулки, по крайней мере в Подольске, с диаметром вала от 9мм. )ac( Буду дальше искать...
Аватара пользователя
mithun
Кандидат
Сообщения: 66
Зарегистрирован: 05 июн 2012, 22:38
Репутация: 2
Контактная информация:

Re: Посадка зубчатого шкива на вал двигателя

Сообщение mithun »

я садил так винт охлаждал сухим льдом а шкив нагревал промышленным феном и быстро на место сажал. схватывалось так что один раз неправильно посадил и пришлось токо болгаркой срезать а выбивать неполучилось.
Аватара пользователя
aegis
Мастер
Сообщения: 3171
Зарегистрирован: 22 мар 2012, 06:59
Репутация: 1810
Настоящее имя: Михайло
Откуда: Україна, Конотоп=>Запоріжжя=>Харьків

Re: Посадка зубчатого шкива на вал двигателя

Сообщение aegis »

ищите биконические втулки
нікому нічого не нав'язую.
Аватара пользователя
Nick
Мастер
Сообщения: 22776
Зарегистрирован: 23 ноя 2009, 16:45
Репутация: 1735
Заслуга: Developer
Откуда: Gatchina, Saint-Petersburg distr., Russia
Контактная информация:

Re: Посадка зубчатого шкива на вал двигателя

Сообщение Nick »

aegis писал(а):ищите биконические втулки
Это чтобы правильно сажалось?
Кстати, а есть способ снять термически посаженную деталь?
aftaev
Зачётный участник
Зачётный участник
Сообщения: 34042
Зарегистрирован: 04 апр 2010, 19:22
Репутация: 6194
Откуда: Казахстан.
Контактная информация:

Re: Посадка зубчатого шкива на вал двигателя

Сообщение aftaev »

Nick писал(а):Кстати, а есть способ снять термически посаженную деталь?
Нагреть и съемником снять.
Дилетанту сложные вещи кажутся очень простыми, и только профессионал понимает насколько сложна самая простая вещь
Кто хочет - ищет возможности, кто не хочет - ищет оправдание.
Найди работу по душе и тебе не придется работать.
Аватара пользователя
Nick
Мастер
Сообщения: 22776
Зарегистрирован: 23 ноя 2009, 16:45
Репутация: 1735
Заслуга: Developer
Откуда: Gatchina, Saint-Petersburg distr., Russia
Контактная информация:

Re: Посадка зубчатого шкива на вал двигателя

Сообщение Nick »

Он же нагреется вместе с валом, и оба расширяться. Или я чего-то не понимаю?
Аватара пользователя
Fisher
Почётный участник
Почётный участник
Сообщения: 3391
Зарегистрирован: 09 апр 2012, 12:39
Репутация: 424
Откуда: Киров
Контактная информация:

Re: Посадка зубчатого шкива на вал двигателя

Сообщение Fisher »

Нагревать с установленным съемником. Греть->снимать по чуть-чуть. Главное с места сдернуть, а там съемник справится. Тока аккуратно, ибо вал не 20 мм в диаметре. )))
з.ы.: а вот съемников махоньких таких я не видел...
www.cncru.ru - все виды станков с ЧПУ. Комплектующие.
Milk
Мастер
Сообщения: 212
Зарегистрирован: 05 июл 2011, 15:09
Репутация: 2
Контактная информация:

Re: Посадка зубчатого шкива на вал двигателя

Сообщение Milk »

На такие тонкие валы и моменты небольшие, поэтому просто взять клей (я брал локтайт) и не заморачиваться. Я ставил на валы 14 мм, причем шкив с зазором был около 0,1...
Снимать с нагревом.
Аватара пользователя
Сергей Саныч
Мастер
Сообщения: 9116
Зарегистрирован: 30 май 2012, 14:20
Репутация: 2858
Откуда: Тюмень
Контактная информация:

Re: Посадка зубчатого шкива на вал двигателя

Сообщение Сергей Саныч »

Milk писал(а):На такие тонкие валы и моменты небольшие, поэтому просто взять клей (я брал локтайт) и не заморачиваться.
Ставил эксперимент - вклеивал стальной стержень 6мм в отверстие 6,1 стальной пластины (толщина 12мм). Клей - эпоксидный с металлическим наполнителем (т.н. "холодная сварка"). Провернуть стержень было невозможно. (скручивался, как торсион, но не проворачивался). Выбить тоже.
После нагрева градусов до 200 извлекся без проблем. Так что такой вариант вполне имеет право на существование.
Чудес не бывает. Бывают фокусы.
Аватара пользователя
Алексс
Почётный участник
Почётный участник
Сообщения: 2210
Зарегистрирован: 20 июл 2012, 15:49
Репутация: 266
Заслуга: IQ32
Настоящее имя: Алексей
Откуда: Прага
Контактная информация:

Re: Посадка зубчатого шкива на вал двигателя

Сообщение Алексс »

если на шкиве есть чуть чуть мяса, лучше всего просверлить радиальное отверстие и вкурутить туда фиксирующий винт.
на валу нужно иметь отверстие или паз.
Каждая собака, бегущая на поводке впереди хозяина, думает, что ведет его за собой.
Аватара пользователя
Тима
Почётный участник
Почётный участник
Сообщения: 3162
Зарегистрирован: 01 мар 2012, 20:47
Репутация: 1089
Настоящее имя: Тимур
Откуда: КБР
Контактная информация:

Re: Посадка зубчатого шкива на вал двигателя

Сообщение Тима »

Serg-tmn писал(а):Клей - эпоксидный с металлическим наполнителем (т.н. "холодная сварка").
а эпоксидный с металлическим наполнителем он в каком виде?
просто у нас продают эпоксидку жидкую без наполнителя и холодную сварку, она как пластелин. или это что-то третье?
Дорогу осилит идущий!
Я все пойму, Вы только дайте денег!!!
Аватара пользователя
Lexxa
Мастер
Сообщения: 2703
Зарегистрирован: 16 дек 2011, 16:48
Репутация: 319
Настоящее имя: Алексей
Откуда: ryazan
Контактная информация:

Re: Посадка зубчатого шкива на вал двигателя

Сообщение Lexxa »

зазор в десятку будет биение не обрадуешься
:bender:
Аватара пользователя
Сергей Саныч
Мастер
Сообщения: 9116
Зарегистрирован: 30 май 2012, 14:20
Репутация: 2858
Откуда: Тюмень
Контактная информация:

Re: Посадка зубчатого шкива на вал двигателя

Сообщение Сергей Саныч »

Тима писал(а):
Serg-tmn писал(а):Клей - эпоксидный с металлическим наполнителем (т.н. "холодная сварка").
а эпоксидный с металлическим наполнителем он в каком виде?
просто у нас продают эпоксидку жидкую без наполнителя и холодную сварку, она как пластелин. или это что-то третье?
Клей - двухкомпонентный. Взял в первом попавшемся автомагазине. Два тюбика с пастой серого цвета.
Вот такой клей (8967 просмотров) <a class='original' href='./download/file.php?id=7949&mode=view' target=_blank>Загрузить оригинал (203.95 КБ)</a>
Вот такой клей
Выдавливаешь одинаковые капли на стекло, быстро и тщательно перемешиваешь, наносишь на обе поверхности, собираешь. Через 5-15 минут схватывается, через несколько часов можно проверять на прочность.
Последний раз редактировалось Сергей Саныч 14 сен 2012, 07:15, всего редактировалось 1 раз.
Чудес не бывает. Бывают фокусы.
Аватара пользователя
Сергей Саныч
Мастер
Сообщения: 9116
Зарегистрирован: 30 май 2012, 14:20
Репутация: 2858
Откуда: Тюмень
Контактная информация:

Re: Посадка зубчатого шкива на вал двигателя

Сообщение Сергей Саныч »

Lexxa писал(а):зазор в десятку будет биение не обрадуешься
А зачем делать такой зазор? Клей очень текучий, зазор чем меньше, тем лучше.
Чудес не бывает. Бывают фокусы.
Ответить

Вернуться в «Механика»