Настраиваем контроллер to_pci.
-
T00T
- Мастер
- Сообщения: 742
- Зарегистрирован: 16 дек 2011, 12:07
- Репутация: 100
- Контактная информация:
Re: Настраиваем контроллер to_pci.
Ну вот, плата у вас определяется и запускается.
Я не волшебник я пока учусь......
-
botcman
- Мастер
- Сообщения: 557
- Зарегистрирован: 04 мар 2016, 20:22
- Репутация: 1
- Настоящее имя: Андрей
- Контактная информация:
Re: Настраиваем контроллер to_pci.
Спасибо! Чего не хватало в предыдущей версии?
Вопрос такой- для запуска программы достаточно только Хал и Ини файлов? Или нужно все 7 файлов? Просто есть готовый конфиг на такой же станок, только под Месу заточен. Там уже есть компонент для смазки направляющих и коробки передач.
Вопрос такой- для запуска программы достаточно только Хал и Ини файлов? Или нужно все 7 файлов? Просто есть готовый конфиг на такой же станок, только под Месу заточен. Там уже есть компонент для смазки направляющих и коробки передач.
-
T00T
- Мастер
- Сообщения: 742
- Зарегистрирован: 16 дек 2011, 12:07
- Репутация: 100
- Контактная информация:
Re: Настраиваем контроллер to_pci.
В предыдущей версии немного не так сигналы назывались. Просто у меня версия драйвера совсем не такая как тут выложена, я про это забыл.
Разбираться всё равно придётся, и нужно отталкиваться от чего-то рабочего.
Всё зависит от того что написано в этих Хал и Ини файлах.botcman писал(а):Вопрос такой- для запуска программы достаточно только Хал и Ини файлов? Или нужно все 7 файлов?
Разбираться всё равно придётся, и нужно отталкиваться от чего-то рабочего.
Я не волшебник я пока учусь......
-
Фрост
- Мастер
- Сообщения: 393
- Зарегистрирован: 28 окт 2013, 00:18
- Репутация: 23
- Настоящее имя: Сергей
- Контактная информация:
Re: Настраиваем контроллер to_pci.
У меня так заработалоMihaill писал(а):Парни кто не будь уже подключал маховичок (энкодер) на этой плате, как это должно выглядеть в хал-е, подскажите слабо образованному.
Код: Выделить всё
###############################
# --- MPG Generator signals ---
###############################
loadrt conv_float_s32 count=1
loadrt mux4 count=1
addf conv-float-s32.0 servo-thread
addf mux4.0 servo-thread
# Для режима скорости установите значение 1
# В режиме скорости ось останавливается, когда диск остановлен,
# даже если это означает, что заданное движение не завершено
# Для режима позиции (по умолчанию), установите значение 0
# В режиме положения ось будет перемещаться точно по шкале
# независимо от того, как долго это может занять
setp axis.0.jog-vel-mode 0
setp axis.1.jog-vel-mode 0
setp axis.2.jog-vel-mode 0
setp axis.5.jog-vel-mode 0
# Это устанавливает масштаб, который будет использоваться на основе ввода в mux4
setp mux4.0.in0 1
setp mux4.0.in1 0.1
setp mux4.0.in2 0.01
setp mux4.0.in3 0.001
# Входы в компонент mux4
net scale1 mux4.0.sel0 <= to_pci.1.pins.pin-36-in
net scale2 mux4.0.sel1 <= to_pci.1.pins.pin-37-in
# Выходной сигнал от mux4 посылается на каждую шкалу осей jog
net mpg-scale <= mux4.0.out
net mpg-scale => axis.0.jog-scale
net mpg-scale => axis.1.jog-scale
net mpg-scale => axis.2.jog-scale
net mpg-scale => axis.5.jog-scale
# The Axis select inputs
net mpg-x axis.0.jog-enable <= to_pci.1.pins.pin-10-in
net mpg-y axis.1.jog-enable <= to_pci.1.pins.pin-11-in
net mpg-z axis.2.jog-enable <= to_pci.1.pins.pin-12-in
net mpg-4 axis.5.jog-enable <= to_pci.1.pins.pin-13-in
# The MPG inputs
setp to_pci.1.feedback.enc_scale5 -0.25
net mpg conv-float-s32.0.in <= to_pci.1.feedback.encoder5
net encoder-counts <= conv-float-s32.0.out
# Выходной сигнал энкодера отсчитывается от оси. Будет перемещаться только выбранная ось.
net encoder-counts => axis.0.jog-counts
net encoder-counts => axis.1.jog-counts
net encoder-counts => axis.2.jog-counts
net encoder-counts => axis.5.jog-counts-
Фрост
- Мастер
- Сообщения: 393
- Зарегистрирован: 28 окт 2013, 00:18
- Репутация: 23
- Настоящее имя: Сергей
- Контактная информация:
Re: Настраиваем контроллер to_pci.
T00T
Есть ли необходимость в подтягивающих резисторах для галетников, да и остального? В темах про месу такое всплывало неоднократно. Пока тестирую на полу, так что осознать необходимость пока не получается...
Есть ли необходимость в подтягивающих резисторах для галетников, да и остального? В темах про месу такое всплывало неоднократно. Пока тестирую на полу, так что осознать необходимость пока не получается...
-
T00T
- Мастер
- Сообщения: 742
- Зарегистрирован: 16 дек 2011, 12:07
- Репутация: 100
- Контактная информация:
Re: Настраиваем контроллер to_pci.
Для каких галетников? О чём речь?
Я не волшебник я пока учусь......
-
Фрост
- Мастер
- Сообщения: 393
- Зарегистрирован: 28 окт 2013, 00:18
- Репутация: 23
- Настоящее имя: Сергей
- Контактная информация:
Re: Настраиваем контроллер to_pci.
В моем случае - выбор осей и скорости перемещения, да в принципе чего угодно на input
Вопрос по материалам темы http://www.cnc-club.ru/forum/viewtopic. ... 8&start=40
Вопрос по материалам темы http://www.cnc-club.ru/forum/viewtopic. ... 8&start=40
-
T00T
- Мастер
- Сообщения: 742
- Зарегистрирован: 16 дек 2011, 12:07
- Репутация: 100
- Контактная информация:
Re: Настраиваем контроллер to_pci.
Фрост, Задай конкретный вопрос, что и как ты хочешь подключить, нарисуй. А если чего не так, я поправлю.
Я не волшебник я пока учусь......
-
Фрост
- Мастер
- Сообщения: 393
- Зарегистрирован: 28 окт 2013, 00:18
- Репутация: 23
- Настоящее имя: Сергей
- Контактная информация:
Re: Настраиваем контроллер to_pci.
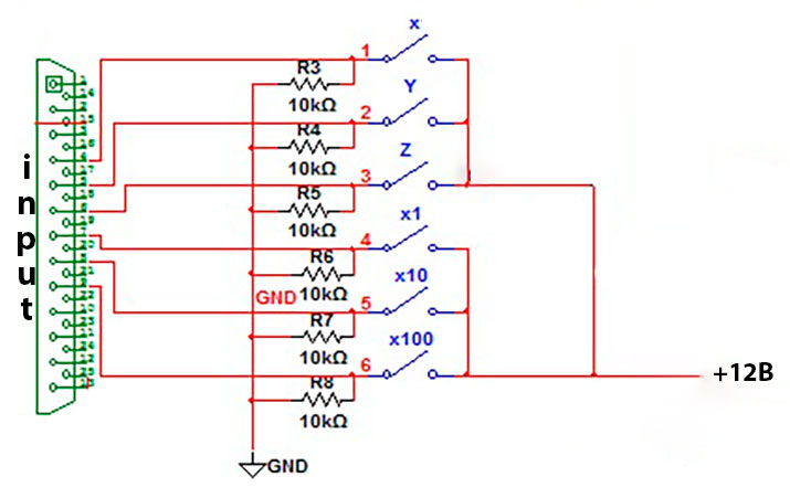
Грубо говоря, есть смысл в таком подключении или нет?
-
T00T
- Мастер
- Сообщения: 742
- Зарегистрирован: 16 дек 2011, 12:07
- Репутация: 100
- Контактная информация:
Re: Настраиваем контроллер to_pci.
Резисторы не нужны. На плате IO есть даже под них место
.
Я не волшебник я пока учусь......
-
botcman
- Мастер
- Сообщения: 557
- Зарегистрирован: 04 мар 2016, 20:22
- Репутация: 1
- Настоящее имя: Андрей
- Контактная информация:
Re: Настраиваем контроллер to_pci.
Подскажите- на выводах какое напряжение подается?
-
T00T
- Мастер
- Сообщения: 742
- Зарегистрирован: 16 дек 2011, 12:07
- Репутация: 100
- Контактная информация:
Re: Настраиваем контроллер to_pci.
На каких выводах?botcman писал(а):Подскажите- на выводах какое напряжение подается?
Я не волшебник я пока учусь......
-
botcman
- Мастер
- Сообщения: 557
- Зарегистрирован: 04 мар 2016, 20:22
- Репутация: 1
- Настоящее имя: Андрей
- Контактная информация:
Re: Настраиваем контроллер to_pci.
На плате ввода -вывода
Последний раз редактировалось botcman 10 мар 2017, 17:15, всего редактировалось 1 раз.
-
Фрост
- Мастер
- Сообщения: 393
- Зарегистрирован: 28 окт 2013, 00:18
- Репутация: 23
- Настоящее имя: Сергей
- Контактная информация:
Re: Настраиваем контроллер to_pci.
На выходы какое подашь - такое и будет, от 5 до 24 в зависимости от тока. Входы работают от 12 до 24в, по крайней мере на последних версиях, какая у тебя не знаю
I/O и питание платы абсолютно раздельное, питание только 5в
I/O и питание платы абсолютно раздельное, питание только 5в
-
botcman
- Мастер
- Сообщения: 557
- Зарегистрирован: 04 мар 2016, 20:22
- Репутация: 1
- Настоящее имя: Андрей
- Контактная информация:
Re: Настраиваем контроллер to_pci.
Чет я не понял, как это какое подашь- такое и будет? Подают напряжение на вход. На выходе же появляется управляющий сигнал, так?
-
Фрост
- Мастер
- Сообщения: 393
- Зарегистрирован: 28 окт 2013, 00:18
- Репутация: 23
- Настоящее имя: Сергей
- Контактная информация:
Re: Настраиваем контроллер to_pci.
на клеммнике output 10 болтов, слева направо первые 8 это out-00 по out-07, два последние gnd. Допустим тебе надо включать три реле - подаешь на все три реле общий плюс, на любой из двух gnd минус, соединяешь out-xx с реле хх. Если реле 5в то соответственно на gnd -5в, на реле +5в, если реле на 12в - то тоже самое, только 12в. У входов тоже свой gnd на отдельном двухвинтовом клеммнике, туда минус от допустим 24в, к кнопке +24в, и второй провод от кнопки на соответствующий xx-in. Если на пальцах, то вроде так 
-
Фрост
- Мастер
- Сообщения: 393
- Зарегистрирован: 28 окт 2013, 00:18
- Репутация: 23
- Настоящее имя: Сергей
- Контактная информация:
Re: Настраиваем контроллер to_pci.
А чтоб на выходе что-то появилось в зависимости от входа - это все программно пишется. Для платы напряжение (любое) есть - это 1 (true), если нет - 0 (false)
Например вот - нажал кнопку на 39 входе включил реле СОЖ на 13 выходе, нажал еще раз - выключил
Например вот - нажал кнопку на 39 входе включил реле СОЖ на 13 выходе, нажал еще раз - выключил
Код: Выделить всё
# --- СОЖ ---
net button_flood toggle.0.in <= to_pci.1.pins.pin-39-in
net flood_toggle toggle2nist.0.in <= toggle.0.out
net coolant-is-on toggle2nist.0.is-on <= halui.flood.is-on
net flood-on toggle2nist.0.on => halui.flood.on
net flood-off toggle2nist.0.off => halui.flood.off
net coolant-flood <= iocontrol.0.coolant-flood
net coolant-flood => to_pci.1.pins.pin-13-out -
botcman
- Мастер
- Сообщения: 557
- Зарегистрирован: 04 мар 2016, 20:22
- Репутация: 1
- Настоящее имя: Андрей
- Контактная информация:
Re: Настраиваем контроллер to_pci.
Ок. Если так, то у реле должно быть 3 провода на управление. У меня на станке стоят реле с двумя проводами. Так же как и на автомобилях.
-
Фрост
- Мастер
- Сообщения: 393
- Зарегистрирован: 28 окт 2013, 00:18
- Репутация: 23
- Настоящее имя: Сергей
- Контактная информация:
Re: Настраиваем контроллер to_pci.
Зачем на реле 3 провода? или мы говорим совсем о разном...